SALUS Contact Thermostat / Capillary Thermostat

Introduction
The AT10 contact thermostat / AT10F capillary thermostat is a mechanical thermostat, which can be very easily installed – to the surface of the pipe or by placing the capillary in a sleeve, e.g. of a hot water tank. It allows to control the temperature of hot water (DHW) or central heating. It can be used to switch connected devices on or off in relation to the measured temperature. These can include: pumps, switching valves or boilers.
Product compliance
The product is compliant with the following directives: Low Voltage Directive LVD 2014/35/EU, RoHS Directive 2011/65/EU. Full information is available at www.saluslegal.com
Safety informations:
Use in accordance with national and EU regulations. Use the device as intended and do not allow it to get wet. Product for indoor use only. Installation must be carried out by a qualified person, in accordance with national and EU regulations.
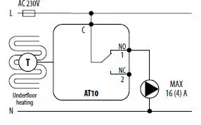
Description of electrical connections
| Terminal | Description |
| C | Common contact |
| 1 | NO – normally open contact |
| 2 | NC – normally closed contact |
| Ground |
Installation
Remove the knob (1) and loosen the large plastic screw (2). Remove the housing cover. Connect the cable contacts as presented in the diagram:

- Underfloor heating protection against overheating in case of exceeding the temperature setpoint – C-1 terminals are opened AC 230V

- Filling the hot water (DHW) tank if the temperature in the tank drops below the set value – C-1 terminals are closed

Montage
AT10: For installation, press the thermostat firmly to the heat pipe and fix it with the supplied elastic band so that the thermostat is in direct contact with the pipe (remove any insulation at the installation spot before fixing the sensor). Excess elastic band can be trimmed.
AT10F: Fix the thermostat to a flat surface using screws. Then place the measuring element (capillary) in the measuring sleeve, e.g. located in the hot water tank.
Changing temperature setpoint
To set the temperature, pull the knob towards you to release it. Then turn the knob to the position which indicates the required temperature. To keep this setting, press the knob lightly in the inward direction until a click is heard.
Technical informations
| Terminal | Description |
| C | Common contact |
| 1 | NO – normally open contact |
| 2 | NC – normally closed contact |
| Ground |
IMPORTER:
QL CONTROLS Sp. z o.o. Sp. k. ul. Rolna 4, 43-262 Kobielice
PRODUCER:
Salus Limited
6/F, Building 20E, Phase 3, Hong Kong Science Park, 20 Science Park East Avenue, Shatin, New Territories, Hong Kong
www.salus-controls.eu
SALUS Controls is a member of the Computime Group.
In accordance with the product development policy, SALUS Controls plc reserves the right to change specifications, design, and materials used in production, presented in this manual, without prior notice.






















