HARBINGER LV12 Rear Panel

INSTALLATION

- DC POWER INPUT
Connect only the included power adapter to this input. - POWER SWITCH
Switches power on/off to the mixer. - USB PORT (LV14 ONLY)
Connect a standard USB cable from the mixer to a MAC or PC in order to record and playback audio from a connected computer.
BLUETOOTH® PAIRING, TROUBLESHOOTING
LED STATE AND BLUETOOTH STATUS
- LED is Off – Bluetooth is off
- LED is Blinking – Bluetooth is ready to pair
- LED is solidly lit – Bluetooth is actively paired with a source device
If the pair LED is in an off state, press the mixer’s BLUETOOTH PAIR button ta initialize Bluetaoth and activate pairing made (the pair LED will start blinking). Scan far available Bluetooth devices an your phone, tablet ar PC. Locate and select “Harbinger Mixer” ta activate pairing. When actively paired, the mixer’s pair LED will become solidly lit.
If another device is already actively paired press the PAIR button ta clear the active pairing.
Pressing and holding PAIR disables Bluetaoth.
These steps should resolve any Bluetooth trouble you may encounter
- On your Apple iOS device
- Power off the mixer and leave it off. Open Settings opp, select Bluetooth
- Open Settings opp, select Bluetooth
- If “Harbinger Mixer” is listed under MY DEVICES, touch info button, tap to Forget This Device
- Turn off Bluetooth, wait 10 seconds, turn on Bluetooth
- On your Android device
- Power off the mixer and leave it off
- Open Settings, select Bluetooth
- If “Harbinger Mixer” is listed under Paired Devices, touch gear Icon, and tap to Un-pair
- Turn off Bluetooth, wait 10 seconds, turn on Bluetooth
- Then power on your mixer and press PAIR (the pair LED should flash)
- You should now be able to connect to mixer via Bluetooth
USB WALKTHROUGH – LV14
PLAYBACK & RECORDING VIA USB
The LV14 is a fully ASIO (Windows) and Core Audio (MAC) compliant audio interface and as such does not require any special driver installation.
Playback
- Make sure the LV14 is set as the audio output device within the PC’s system settings and within the DAW software or audio player
- Start audio playback from the DAW or audio player
- Press the USB ROUTING TO CH 11112 BUTTON 36 on the LV14
- Make sure the LV14’s MON SEND to PHONES I CTRL RM button 31 is in the up position
- Slowly bring up the CH 11 112 level control
Recording:
- Connect all input signals to the LV 14
- Set the channel level controls and MAIN level fader so that the MAIN level meters show the mix peaking somewhere around 0 dB
- Make sure the LV14 is selected as the audio input device within the PC’s system settings and within the DAW software
- Arm the stereo DAW track and press record. The LV14’s MAIN MIX will now be recorded by the DAW
NOTE: The LV14’s stereo MAIN mix output signal is the default signal feeding the USB audio output and being sent to the DAW Playback audio from the DAW will come into the LV14’s CH 11112 when the USB ROUT/NG TO CHll 112 button 36 is engaged.
Overdubbing
- Make sure the LV14 is set as the audio input and output device within the PC’s system settings and within the DAW software
- Reduce the LV14’s CH 11112 level control to its minimum / full counter-clockwise position (do this for any channels you do not want recorded by the DAW)
- Bring up the channel level controls for the channels you are about to record and set the MAIN level fader so the MAIN level meters peak somewhere around 0db. Any signal panned hard-left will be sent out the left channel only, any channel panned hard-right will be sent out the right channel only
- Press the MON SEND to PHONES I CONTROL ROOM button 31 and use the channel MON SEND CONTROLS 19 to create a mix of the playback and live recording tracks. You will hear both the playback tracks and the signals you are recording, in the Headphones and CTRL RM OUTS, but only the signals being sent to the MAIN mix will be recorded by the DAW
- Within the DAW, you will have the option to record a mono signal (LV14 1/L only or LV14 2/R only) or a stereo signal (LV14 1/L + LV14 2/R). Select the appropriate input within the DAW. Arm the DAW track and hit record.
A REAL-WORLD EXAMPLE
Tracking a Vocal and a Guitar simultaneously to a click track being generated by your DAW.
- Plug your vocal mic into XLR or TRS input of CH 1 (activating the 48V Phantom Power switch if it is a condenser mic)
- Adjust GAIN and CH volume to get an acceptable level in the MAIN OUTPUT VU meters (aim for the last green light, just before the lights turn orange)
- Then turn the PAN control all the way to the left
- Then Plug in your guitar to CH6 with the Hi-Z button pressed (again getting a good level by aiming to light up the last green light on the VU meter with your signal, just before the lights turn orange)
- Now turn the Pan control on CH6 all the way to the right
- Your DAW or audio capture software can now receive audio from the LV14 USB onto two separate incoming tracks using the L and R sides of the LV14 MAIN OUTS, as 2 independent audio signals containing your vocal and guitar (each have been panned completely to the left and right and so are now isolated from each other)
- Now in your DAW set up a channel that can play a click or guide track you want to record along to but do not start playing it yet
- Then set up your DAW’s audio output to the LV14 USB and press the USB Routing to CH 11112 button e
- Press the MON SEND to PHONES I CONTROL ROOM button ED
- Make sure the CH 11112 level control is turned all the way down to the left (counter-clockwise) and slowly turn up the MON level control on CH 11112.
- Use the channel MON SEND CONTROLS 4=) to create a mix of the playback and live recording tracks. You will hear both the playback tracks and the signals you are recording in the Headphones and CTRL RM OUT output, but only the signals being sent to the MAIN mix will be recorded by the DAW
- Now when you arm a channel and hit record in your DAW you will send your click or guide track audio to the LV14 for you to monitor on your headphones, but your final captured performance will not include these signals. Only your performance will be captured via USB into your DAW
APPENDIX
MICROPHONE INPUT (MIC)
This XLR combo connector will accept virtually any professional microphone. It is designed for microphone and line level signals on either XLR or ¼” cables.
Some microphones, mostly condenser mies, need phantom power to operate. Switch on 48V phantom power. If you’re unsure if your mic needs phantom power, check the instructions or the manufacturer’s website for information. Phantom power should not hurt most microphones, except for very old or damaged ribbon microphones.
For live microphone use {where the microphone signal is amplified through a PA system} engaging the HPF {high-pass filter) is recommended for reducing “boominess” and maintaining clarity in the microphone signal.
Use the microphone preamp’s gain control {explained below) to bring the microphone up to a high enough level to use with the mixer.
LINE INPUT (LINE)
This ¼” input is designed for line-level signals. It accepts either balanced (TRS) or unbalanced (TS) cables. The level of this input is also controlled by the gain control, explained below.
Do not use both the microphone and line inputs on the same channel.
The mixer will distort and the noise level will go up.
The line input is not designed to accept an instrument-level signal, such as the output from an electric or acoustic guitar or bass. If you want to plug your instrument into the mixer, we suggest a direct box (also called a DI box). Plug your instrument into the direct box, then plug the output of the direct box into the microphone input of the mixer.
GUITAR/BASS
Passive guitar or bass signals tend to have the best sound and sensitivity when they are connected to a high-impedance input (similar to what you would find on a guitar or bass amp). When connecting a passive guitar or bass signal to CH 314, engaging the GUITAR HI-Z switch is recommended. It is possible to connect 2 guitar signals to CH 314 simultaneously. When both inputs are used, the signals will be hardpanned left and right. If you wish to have both guitars panned to the center so that they project from both speakers in PA setup, press the MONO button next to the MAIN level control.
If connecting an active acoustic guitar signal to CH 1 or CH 2, engaging the HPF is recommended for rolling-off “boominess”.
GAIN
Gain controls the level of the microphone or line level signal plugged into the mixer. If the gain is set too low, the output signal will be noisy when you turn it up at the level control. If gain is set too high, it will distort.
For best performance, set the gain while looking at the meters. Turn the Level control so that it’s facing straight up. Then turn the gain up until you see the first or second lights on the meters. Don’t set it too high – although you might not hear distortion when playing by itself, when all of the channels are playing at that level they may add together and distort the mixer.
Sidebar: “Why are there two volume controls?
The Gain and Level controls work together to get the best performance out of the mixer. A quiet signal may need more gain than a loud guitar amp going into a sensitive microphone. Set the gain so that the level on each channel is roughly the same, then use the Level controls to set the balance that you want in your mix.
GAIN STAGING
Gain staging involves setting the serial amplification stages of an audio signal in a way that achieves best signal-to-noise ratio. Improper gain staging can result in more background noise, less clarity and lower sound system efficiency. If your mixer is connected to a FOH amplifier or powered speakers, you will need to first set the level of these for an appropriate audience listening level. To set your FOH amplifier or powered speaker level, connect a full-range line level music source to your mixer and set the peak level on the channel meters somewhere between -6dB and 0dB. Set your main output level to zero/unity and slowly bring up the amplifier or powered speaker levels to a volume that makes sense for the venue. With this main output level set, you can move on to setting levels for the individual inputs. Start with gain and channel level controls at their minimum positions. For microphone signals, while speaking or singing into the connected microphone, slowly bring up the channel GAIN control until only the loudest input briefly triggers the channel CLIP indicator LED. Reduce the GAIN control slightly from this level. With the main output level control set to zero/ unity, continue speaking or singing into the connected microphone and slowly bring up the channel LEVEL to a desired listening level. Follow this process for any microphone signals. When setting relative levels between channels, best practice is to reduce levels of signals that are too loud, working subtractively.
EQ HI
FREQUENCY RESPONSE

The high EQ control is a shelving EQ. What this means is that it boosts or cuts from 1 0kHz and everything above that. Turn it up to bring out the breath of a vocal or the high overtones of the cymbals. Turn it down to reduce finger squeaks on a guitar or bass.
The high EQ control is a shelving EQ. What this means is that it boosts or cuts from 12kHz and everything above that. Turn it up to bring out the breath of a vocal or the high overtones of the cymbals.
Turn it down to reduce finger squeaks on a guitar or bass.
EQMID

The mid-EQ is a peaking EQ, centered at 2.5kHz. This boosts or cuts the high midrange of your signal. You might turn it up if your vocal isn’t cutting through the mix, or turn it down if a percussion port is too harsh.
EQ LOW

This low EQ boosts or cuts everything from l00Hz or below. You might bring it up for more bottom out of your kick or boss guitar, and turn it down to reduce rumble from a vocal or wind instrument.
LV12 & LV14 SPECIFICATIONS
| Parameter Frequency Response | Condition Mic In to Main Out(Trim at 0 db) | LV12 20 Hz – 22 kHz | LV14 20 Hz – 22 kHz |
| THD | Mic In to Main Out(20Hz to 20 kHz) | 0.009% | 0.009% |
| Preamp Noise(EIN) | 20 Hz to 20 kHz,(150 ohm sources) | -121dB | -121dB |
| Residual Output Noise | All level controls @minimum | -91dB | -91dB |
| Common Mode Rejection Ratio(CMRR) | Maximum Goin | >68dB @1 kHz | >68dB @1 kHz |
| Adjacent Channels | -BBdB | -BBdB | |
| Crosstalk | Some channel(stereo separation) | -82dB | -82dB |
| Input Goin Control Range | + 15dB to +63 dB | + 15dB to +63 dB | |
| Phantom Power | DC | +/-48V | +/-48V |
| Mono Channel, High | ±12dB@ 10 kHz | ±12dB@ 10 kHz | |
| Equalization | Mono Channel, Mid | ±[email protected] kHz | ±[email protected] kHz |
| Mono Channel, Low | ±12dB@ l00Hz | ±12dB@ l00Hz | |
| Output Level | Maximum | +22 dBu | +22 dBu |
| Mic | +6dBu(with -26dB PAD) | +6dBu(with -26dB PAD) | |
| Maximum Input Levels | Line Input | +21 dBu at Unity Goin | +21 dBu at Unity Goin |
| Aux Input | +6dBu at + 15dB Level max | +6dBu at + 15dB Level max | |
| Mic | 2kil, balanced | 2kil, balanced | |
| Input Impedance | Line Input | 10kQ, balanced | 10kQ, balanced |
| Aux Input | 10kQ, balanced | 10kQ, balanced | |
| Main | 120Q | 120Q | |
| Output Impedance | Control Room, Rec Out | 120Q | 120Q |
| Headphones | l00Q | l00Q | |
| VU Meters | 4 Segments | Clip(+ 16), +6, 0, -6, -10, -20dB | Clip(+ 16), +6, 0, -6, -10, -20dB |
| AC Power Requirements | 3-pin mini XLR connector | ±15VDC @500 mA | ±15VDC @500 mA |
| Dimensions | L x W x H(shown in Inches) | 10.71 “L x 9.65″W x 2.40″H | 12.91 “L x 9.65″W x 2.40″H |
| Weight(net) | Without PSU | 2.97 lbs | 4.03 lbs |
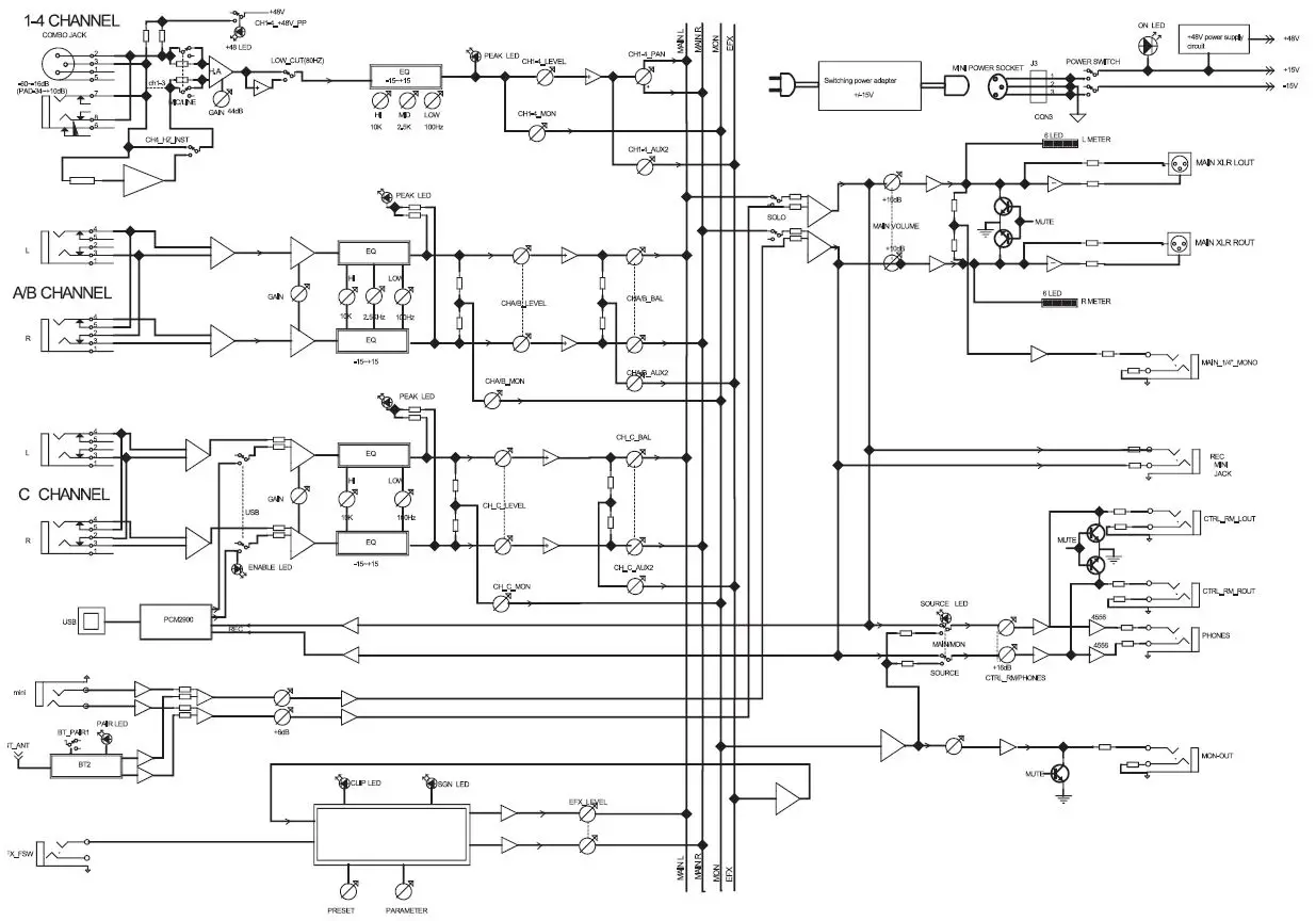
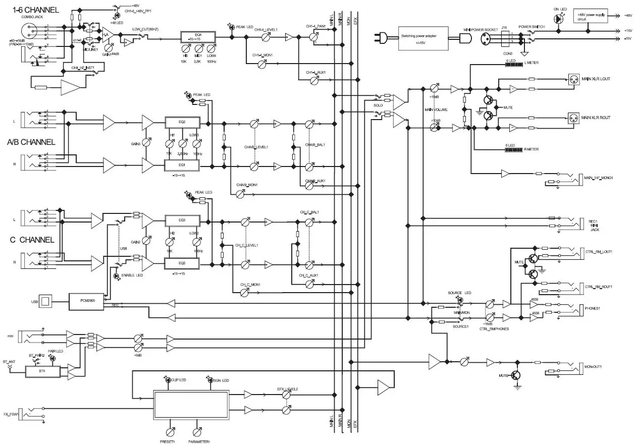
LV14 BLOCK DIAGRAM


GLOSSARY OF TERMS
- BALANCED
A 3-conductor (including shield), low-impedance connection. Balanced cables are the preferred method for hum-free interconnection of a sound system for their noise-rejection characteristics.
(Also see Unbalanced.) - BUSS
An output destination in a mixer. For example, the left and right main outputs are called busses, because you can send a channel to one or both of them. Also spelled Bus - CHANNEL
One of any number of signal paths in an audio circuit, such as input channel, output channel, recording channel, left channel, right channel, etc. - DECIBEL (DB)
A term representing the ratio between different audio levels. It can either refer to the electrical signal running through a channel or the acoustic sound level coming from a sound source. - EQUALIZATION
Electronic filters that adjust the level of certain frequencies. Used for tone enhancement or to reduce extraneous sounds. Two types of EQ shapes are Peak and Shelving, described below. - HI-Z (HIGH IMPEDANCE)
In the audio equipment realm, the term “Hi-Z” or “High-Impedance” generally refers to inputs designed for passive guitar or bass signals ( 1 MQ or thereabouts). - HPF (HIGH-PASS FILTER)
An electronic filter that passes signals with a frequency higher than a specific cutoff frequency and attenuates signals with frequencies lower than the cutoff frequency. - IMPEDANCE
Resistance in an electrical circuit measured in Ohms (Q). Maintaining proper impedance (between amplifier and speakers for example) is important to prevent damage to the amp. - 48V PHANTOM POWER
A voltage signal that runs through a microphone cable to power condenser microphones. Harmless to microphones that don’t need it, except for very old and/or damaged ribbon microphones. - SHELVING EQUALIZER CONTROL
Increase or decrease of all frequencies above or below a specific point.
(Compare to Peak Equalizer Control; see pages 8-9 for more information.) - TRS
Acronym for Tip-Ring-Sleeve – the three parts of a three-conductor (including shield) audio plug. TRS phone plugs are often used for “balanced” mono connections, or stereo “unbalanced” (head-phone) connections. - TS
Acronym for Tip-Sleeve, the two parts of an unbalanced, two-conductor
(including shield) phone plug. TS connectors are some-times called mono or unbalanced plugs or jacks. - UNBALANCED
A two-conductor (including shield), high-impedance connection. These are most commonly used for instrument connections and cable runs of less than 20feet. - XLR
The three-pin connector universally used for balanced audio connections. A balanced connection reduces outside noise and interference.
(See Balanced above.)
CABLE DIAGRAMS

IMPORTANT SAFETY INSTRUCTIONS
Please keep this instruction manual for future reference and for the duration of owning the owning the LV12 or LV14 mixers. Please carefully read and understand the instructions inside this owner’s manual before attempting to operate your new mixer.
This instruction manual includes essential safety information regarding the use and maintenance of the mixer. Take special care to heed all warning symbols and signs inside this manual and those printed on the bottom of the mixer.
WARNING
TO PREVENT FIRE OR SHOCK HAZARD, DO NOT EXPOSE THE PRODUCT TO WATER/MOISTURE, NOR SHOULD YOU OPERATE THE PRODUCT NEAR ANY WATER SOURCE.
The exclamation point triangular symbol is intended to alert the user to the presence of important operating and maintenance(servicing) instructions in the user manual accompanying the product.
The lightning flash with an arrow triangular symbol is intended to alert the user to the presence of non-insulated “dangerous voltage” within the product’s enclosure, and may be of sufficient magnitude to constitute a risk of electric shock.
WARNING
Handle the power supply cord with care.
Do not damage or deform it as it may cause electric shock or malfunction when used. Hold the plug attachment when removing from wall outlet. Do not pull on the power cord.
IMPORTANT SAFETY PRECAUTIONS
- READ INSTRUCTIONS – All the safety and operating instructions should be read before this product is operated.
- RETAIN INSTRUCTIONS – The safety and operating instructions should be retained for future reference.
- HEED WARNINGS – All warnings on the product and in the operating instructions should be adhered to.
- FOLLOW INSTRUCTIONS – All operating and use instructions should be followed.
- DO NOT turn on the product module before connecting all other external devices.
- WATER AND MOISTURE – Moisture can damage the product and can cause corrosion of electrical contacts. The system should not be used near water – for example, a bathtub, washbowl, kitchen sink, laundry tub, wet basement, or near a swimming pool, and the like.
- HEAT – The product should be situated away from heat sources such as radiators, heat registers, stoves, or other sources (including amplifiers) that produce heat.
- POWER SOURCES – This product should be operated only from the type of power source indicated on the rating label. If you are not sure of the type of power supply to your home, consult your product dealer or local power company.
- GROUNDING OR POLARIZATION – Do not defeat the safety purpose of the polarization or grounding-type plug. The wide blade or the third prong is provided for your safety. If the provided plug does not fit your outlet, consult an electrician for replacement of the obsolete outlet. Do not defeat the safety purpose of the 3rd pin grounding prong.
- POWER-CORD PROTECTION – Power-supply cords should be routed so that they are not likely to be walked on or pinched by items placed upon or against them, paying particular attention to the cord in correspondence of plugs, convenience receptacles, and the point where they exit from the product.
- CLEANING – The product should be cleaned only as recommended by the manufacturer. Clean by wiping with a dry cloth. Avoid getting water inside the product.
- NON-USE PERIODS – The power cord of the product should be unplugged from the outlet when left unused for a long period of time.
- OBJECT AND LIQUID ENTRY – Care should be taken so that objects do not fall and liquids are not spilled into the enclosure through openings.
- DAMAGE REQUIRING SERVICE – The product should be serviced by qualified service personnel when:
A. The power supply cord or the plug has been damaged; or
B. Objects have fallen, or liquid has been spilled into the product; or
C. The product has been exposed to rain; or
D. The product does not appear to operate normally or exhibits a marked change in performance; or
E. The product has been dropped, or the enclosure damaged. - Keep the product out of extended or intense direct sun light.
- No containers filled with any type of liquid should be placed on or near the product.
- SERVICING – The user should not attempt any service to the product beyond that described in the operating instructions. All other servicing should be referred to qualified service personnel.
- VENTILATION – Slots and openings in the product are provided for ventilation and to ensure reliable operation of the product and to protect it from overheating. These openings must not be blocked or covered. The openings should never be blocked by placing the product on a bed, sofa, rug, or other similar surface. This product should not be placed in a built-in installation such as a bookcase or rack.
- ATTACHMENTS – do not use attachments not recommended by the product manufacturer, as they may cause hazards.
- ACCESSORIES – Do not place this product on an unstable cart, stand, tripod, bracket, or table. The product may fall, causing serious injury to a child or adult, and serious damage to the product. Use only with a cart, stand, tripod, bracket, or table recommended by the manufacturer, or sold with the product.
- LIGHTNING – For added protection during a lightning storm, or when it is left unattended and unused for long periods of time, unplug it from the wall outlet. This will prevent damage to the product due to lightning and power-line surges.
- REPLACEMENT PARTS – When replacement parts are required,
be sure the service technician has used replacement parts specified by the manufacturer or have the same characteristics as the original part. Unauthorized substitutions may result in fire, electric shock, or
other hazards. - SAFETY CHECK – Upon completion of any service or repairs to this product, ask to perform safety checks to determine that the product is in the service technician to perform safety checks to determine that the product is in proper operating condition.
To prevent electric shock, or other outlets unless the do not use a polarized plug with an extension cord, receptacle blades can be fully inserted to prevent blade exposure.
CAUTION: To reduce the risk of electric shock, do not remove chassis. No user-serviceable parts inside. Refer servicing to qualified service personnel.
THIS SYMBOL IS INTENDED TO ALERT THE USER TO THE PRESENCE OF IMPORTANT OPERATING AND MAINTENANCE (SERVICING) INSTRUCTIONS IN THE LITERATURE ACCOMPANYING THE UNIT.
APPARATUS SHALL NOT BE EXPOSED TO DRIPPING OR SPLASHING AND THAT NO OBJECTS FILLED WITH LIQUIDS, SUCH AS VASES, SHALL BE PLACED ON THE APPARATUS.
FCC STATEMENTS
This device complies with Part 15 of the FCC Rules. Operation is subject to the following two conditions: (1) This device may not cause harmful interference, and (2) this device must accept any interference received, including interference that may cause undesired operation.
RF Exposure Information
The device has been evaluated to meet general RF exposure requirement. The device can be used in portable exposure condition without restriction. OR VISIT OUR WEBSITE AT: HARBINGERPROAUDIO.COM


















