Traffic Signs NZ European Arrow Board

FEATURES INCLUDE
- Traffic Signs unique NZ designed and made GEN2 Pivot AX Arrow System© has less moving parts, comes ready to operate and complies with latest NZTA requirements for NO arrow downward operations
- 333mm Xenon Lights compliant to European standard EN12352-2006
- ASNZ engineered and certified for the following:
- Maximum vehicle speed of 110km/h including wind speed of 47km/h in retracted position
- Maximum vehicle speed of 50km/h including wind speed of 147km/h in extended position
- ASNZ engineered and certified, fully aluminium frame including one piece construction section to limit maintenance issues and increase lifespan
- Comes complete with electronic lifting system ready to wire up and operate
- In cab controller for all functions including real time display
- 24 Volt
- 12 month warranty T&C apply (Patents pending)
Gen2 Pivot AX Arrow System© – 2015
FEATURES
- Power Supply – 24 Volt
- DETAS controller is used to control the main functions of the mother board
- Emergency buttons with power supply motors has a disconnected relay for protection
- TSNZ Pivot AX European Arrow Board will be delivered with frame and elec-tronic lifting mechanism
- It is up to the end user and installation engineer to ensure the installation is fit for purpose regarding travel, height, suitable mountings and wiring to the vehicle
- TSNZ has developed a secondary control function and processors to run the twin Pivot AX Arrow sys-tem, which can also provide the option to over-write the Arrow replacement
MAINTENANCE
Monthly lubrication is required using “dry glide” or similar type product for the lifting tracks of the board. This is not included as standard
INSTALLATION INSTRUCTIONS
- Please follow the installation instructions attached:
- TSNZ request installing a voltage regulator as part of the Euro board, any board fitted without one will not be covered under warranty.
- The system has been designed and engineered to AS/NZS 1170.2.2011 and AS/NZS 1664.2.1997
- Installation as per the attached drawings of the underside foot print requires 4x M16 class 8.8 nuts & bolts/ per side at 400mm centres. The forced per bolt has been calculated at 36.2kN.
- Based on the wind speeds discussed in calculation register No. 3002-09 acting on the Generation 2 Ar-row Board. The resultant force per M16 mounting bolt has been calculated at 36.2kN. The structure that the Generation 2 Arrow Board is mounted to must be capable of withstanding the calculated resultant force of 36.2kN per bolt.
- Please refer also to COPTTM and also note that a white up light with minimum output of 50 watts is to be attached to the deck to adequately illuminate the RG17.
For any further information refer to TSNZ Booklet or contact TSNZ direct
- Page 2:- Technical Sheet
- Page 3 & 4: – Overall Dimension & Underside of Frame
- Page 5 & 6: – Operating Instructions
- Page 7: – Layout for LED ‘s and Xenon Lights
- Page 8 & 9: – Wiring diagrams for Main and Secondary Mother Boards
TECHNICAL SHEET
European Arrow Board
FEATURES


DIMENSIONS


INSTRUCTIONS
EUROPEAN ARROW BOARD
Before the remote will work you must make sure the Emergency Control Button


Control Functions
- Emergency Butt
- Battery Tester
- Arrow Light control/ check
- Lamp Failure
- Motor Panel control check
- External Arrow Bar check
- Key On
To Lift Arrow Panel
Push “Key On” Button (7), light will come on and Down Button (5) light will come on, indicating the panel is down
Push Up Button (5) once and Panel will rise until it is in the upright position
Push Down Button (5) to return panel to the original starting position
Arrow Light Control
Push “Key On” Button (7) again
Select the Arrow (3) you require to be lit up
Checks: When Unit is turned on check:
- Failed Lamp 4- Red light will appear when one of the 25 lights fail
- Battery Charge Level 2-
- Green Battery Full
- YellowBattery 50% charged
- Red Battery Flat
KEY ON – In order to avoid any involuntary action, pull out Emergency button 1 and press KEY ON |7 to activate the other functions on the controller
SECONDARY – REMOTE CONTROL – RG17/34 OVERRIDE
- The override controller is used when the arrow board is in the standard “X” position, however you require the RG17/34 Blue/White arrow to show either left or right and not the standard “no arrow” function.
To select this function

- Using the standard primary AX Pivot controller, select the X function that will have no downward arrow.
- Using the secondary controller, select the arrow option left or right.
- When completed, return the secondary controller to the X position and resume normal operations with the primary controller.
WARNING
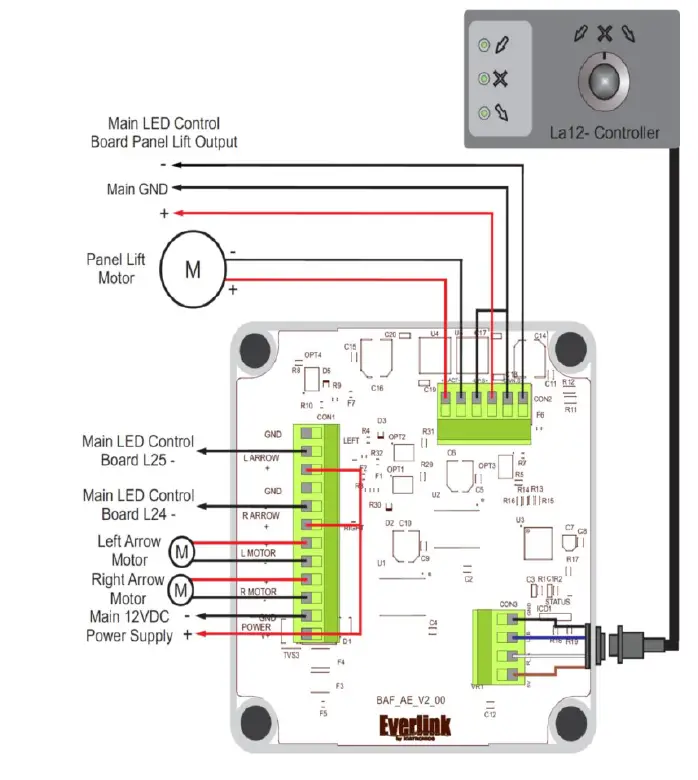
PLEASE CONNECT THE DEVICE FOLLOWING THE LAYOUT SHOWN BELOW


CONNECTION DIAGRAM

CONNECTION DIAGRAM—SECONDARY MOTHER
BOARD PLEASE CONNECT THE DEVICE FOLLOWING THE LAYOUT

FOR TECHNICAL SUPPORT PLEASE CONTACT OUR ELECTRONICS TEAM SERVICE PLANNER M:027 365 4452 E: [email protected]
QUALITY TRAFFIC SIGNS&ACCESSORIES AT COMPETITIVE PRICES CONTACT US NOW FOR A QUOTATION Visit our website www.trafficsigns.co.nz

Push “Key On” Button (7), light will come on and Down Button (5) light will come on, indicating the panel is down
Push Up Button (5) once and Panel will rise until it is in the upright position
Push Down Button (5) to return panel to the original starting position
Push “Key On” Button (7) again
Select the Arrow (3) you require to be lit up
















