ELKAY EZO & LZO Series Sensor-Operated Water Coolers

Description
Combination Refrigerated Drinking Fountain (Cooler) and Bottle Filling Station delivers chilled, clean potable drinking water. Top Bottle Filling section offer touchless activation to dispense water for bottles. While the bottom Water Cooler section, which houses the refrigeration and filtration systems, delivers a steady stream of water for direct drinking.
Ratings
- Electrical: 220-240 Vac, 50/60 Hz, (See Nameplate for Amperage), 1 phase
- Ambient Air Temperature: 50-89.6 °F (10-32 °C)
- Water Pressure: 20-105 psig (0.14-0.72 MPa)
- Maximum Water Temperature: 90 °F (32 °C)
- Sound Pressure level (A-weighted): < 70 dBA
- Refrigerant: R290
- Ingress Protection: IP20
- For Indoor Commercial Use only
- Water Inlet: 3/8”O.D. unplated copper tube
- Waste Water Outlet: 1-1/4” O.D. tube
Definitions
- DANGER – Indicates death or serious injury will result if proper precautions are not taken.
- WARNING – Indicates death, serious injury or property damage can result if proper precautions are not taken.
- CAUTION – Indicates some injury or property damage may result if proper precautions are not taken.
Authorized Service Personnel – Factory trained personnel or personnel having working knowledge of electrical, plumbing and machine (appliance) maintenance procedures. Service personnel must have specialized training for flammable refrigerants.
Safety
DANGER
- Please read these instructions completely before starting the installation or performing any service. Failure to follow the instructions and safety precautions in this manual can result in serious injury or death.
- After installation, keep these instructions in a safe location for future reference.
- Electric supply must be identical in voltage, cycle, and phase to that specified on nameplate.
- Electrical supply may require Ground Fault Circuit Interrupter (GFCI) protection. Consult specific application and local codes.
- A means for disconnecting electrical supply to the unit must be incorporated in the fixed wiring in accordance with wiring rules. This is to allow electrical disconnection of the unit from electrical supply after installation.
WARNING
- Keep clear of obstructing all ventilation openings in the appliance enclosure or in the structure for building-in.
- Place in a well ventilated area to prevent accumulation of refrigerant.
- No open flame or sparks during service or repair.
- For use with clean, clear potable drinking water only. Do not use with water that is microbiologically unsafe or of unknown quality without adequate disinfection before the system.
- Installation and connection to water and electrical mains must be in compliance with local and national laws.
- All Installation and Service work must be performed by trained / authorized service personnel.
Notice: Coolers that use flammable refrigerants, such as R-600a (isobutane), R-290 (propane) will be marked with a specific symbol that notifies the servicer of the presence of these refrigerants. A service provider should review this marking and follow all instructions from the original equipment manufacturer.
CAUTION
- This appliance can be used by children aged from 8 years and above and persons with reduced physical, sensory, or mental capabilities or lack of experience and knowledge if they have been given supervision or instructions concerning use of the appliance in a safe way and understand the hazards involved. Children shall not play with the appliance. Cleaning and user maintenance shall not be made by children without supervision.
- To prevent a metallic taste or increased metal content in the water due to an electrolysis process caused by electrical feedback from the grounding of electrical equipment to water supply and water waste mains, connect to these mains using non-conductive materials. The provided Filter meets this requirement.
Installation
For correct and safe installation, please read these instructions completely.
DANGER
- All Installation work must be performed by an authorized service person.
- Disconnect electrical supply serving the Installation area to reduce risk of electrocution. Do not puncture the refrigerant tube.
- Unit not suitable for installations where water jets could be used.
WARNING
- Shut off water supply serving the Installation area to reduce risk of water damage.
- Ensure proper ventilation by maintaining clearance from cabinet louvers to wall on each side of Cooler as specified in Rough-In.
- Never wire compressor directly to electrical supply.
- Thoroughly flush all water lines and fittings of all foreign matter before connecting to Cooler.
- Warranty is void if Installation is not made in accordance with current Manufacturing instructions
CAUTION
- Hose-sets are not to be used for connecting to water mains.
- If inlet pressure is above 105 psig (0.72 Mpa), a pressure regulator must be installed in supply line. Any damage caused by reason of connecting this product to supply line pressure outside it’s rated pressure, is not covered by warranty.
- Tools/Items required but not provided. Tools must be compatible with flammable refrigerant.
- Water Shut-off Valve with 3/8” (9.5mm) compression outlet
- Waste Trap (non-metallic)
- Safety Glasses
- Protective Gloves
- Hex drives
- Fasteners for wall type
- Flammable gas monitor
- 5/32” (4mm) Hex Key
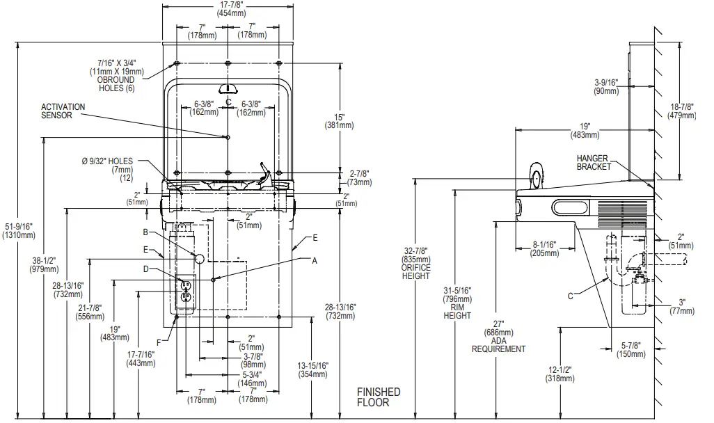
Installation: Cooler Mounting
- Remove Hanger Bracket fastened to back of cooler by removing one (1) screw.
- Mount Hanger Bracket as shown in Figure 1.
NOTE: Hanger Bracket MUST be supported securely. Add fixture support carrier if wall will not provide adequate support. Anchor hanger securely to wall using all six (6) 1/4” (6mm) diameter mounting holes. - Hang Cooler on the Hanger Bracket. Be certain the Hanger Bracket is engaged properly in the slots on the cooler back as shown in Figure 1.
- Remove the four (4) screws holding the lower front panel at the bottom of cooler. Remove the front panel by pulling straight down and set aside.
- Connect water inlet line. Install trap. Remove the slip nut and gasket from the trap and install them on the cooler waste line making sure that the end of the waste line fits into the trap. Assemble the slip nut and gasket to the trap and tighten securely.
IMPORTANT: If it is necessary to cut the drain, loosen the screw at the black rubber boot and remove tube, check for leaks after re-assembly.
Installation: Water Line connection
- Ensure Mains Water Supply has Water Shut-off Valve with 3/8” (10mm) compression outlet.
- Connect loose end of supplied 3/8” (9.5mm) unplated copper tube to Water Shut-off Valve. Other end of tube should be connected to inlet of Filter head. If not connected, simply insert into inlet fitting on Filter head until positive stop – approximately ¾” (19mm).
NOTE: If 3/8” (9.5mm) copper tube must be cut for proper fit, remove all burrs from the outside of tube and re-flush before use. - Install filter cartridge. Remove filter from carton, remove protective cap, and attach filter to filter head by firmly inserting into head and rotating filter clockwise.
IMPORTANT: DO NOT TURN ON WATER BEFORE INSTALLING BOTTLE FILLER.
LZO8WSN_2A

REDUCE HEIGHT BY 3” (76MM) INCHES FOR INSTALLATION OF CHILDREN’S ACCESSIBLE COOLER
- A = Recommended Water Supply Location. Shut Off Valve (not furnished) to accept 3/8” (10mm) O.D. unplated copper tube.
- B = Recommended Location for Waste Outlet 1-1/4” (19mm) O.D. drain.
- C = 1-1/4” (19mm) Trap not furnished**
- D = Unit equipped with IEC C14 socket. Cord not provided. Electrical outlet per local code.
- E = Insure proper ventilation by maintaining 6” (152mm) (Min.) clearance from cabinet louvers to wall.
- F = 7/16” (11mm) bolt holes for fastening unit to wall.
**New installations must use Ground Fault Circuit Interrupter (GFCI)
Installation: Waste Line connection
- Install waste trap. Remove the slip nut and gasket from the waste trap and install them on the cooler waste line making sure that the end of the waste line fits into the waste trap. Assemble the slip nut and gasket to the waste trap and tighten securely.
• IMPORTANT: If it is necessary to cut the drain, loosen the screw at the black rubber boot and remove tube, check for leaks after reassembly. - It is recommended that the waste trap be insulated to avoid excessive condensation due to chilled water running through the waste trap.
Installation: Bottle Filler Mounting
- Remove two (2) mounting screws with 5/32” (4mm) Allen wrench holding top cover to Bottle Filler (see Fig 3). Remove top cover. Note: Do not discard mounting screws; they will be needed to reinstall top cover.
- Remove wall mounting plate from Bottle Filler. Place wall plate against wall on top of basin. Center the wall plate side to side with the basin. Mark the six (6) mounting holes with a pencil (See Fig 1).
- Remove wall mounting plate from wall. NOTE: Mounting plate MUST be supported securely. Add fixture support carrier if wall will not provide adequate support.
- Install wall mounting plate to wall using six (6) 7/16” (11mm) obround mounting holes (mounting bolts not included) (See Fig 2). Use appropriate fasteners for your wall type.
- Lay Bottle Filler on water cooler basin and cut insulation from tube even with bottom of gasket, remove this insulation from the 3/8” (10mm) tube, but do not discard. Feed the power cord (not provided) and waterline through the hole on top of water cooler. NOTE: To prevent scratching the basin place a towel or soft cloth over the entire basin when working above it.
- Install gasket on bottom of bottle filler tower with gasket support bracket & (2) screws (See Fig 5).
- Feed power cord & 3/8” (10mm) water line through hole in tower/basin gasket (See Fig 4).
- Once Bottle Filler is installed on wall plate tabs, water line, wire(s) and power cord are installed properly, push top of Bottle Filler toward wall and line up top cover two (2) holes.
- Reinstall Top Cover on Bottle Filler (See Fig. 3) with two mounting screws from step 1 above.
Caution: Do not over tighten screws. - Install remaining tube insulation to the water line from bottle filler, connect Bottle Filler waterline inside of the water cooler by connecting the 3/8” (10mm) water line to the tee.
- Install filter cartridge, remove filter from carton, remove protective cap, attach filter to filter head by firmly inserting into head and rotating filter clockwise. NOTE: If existing plumbing rough in locations (Drain, Water In, and Electric Supply) do not allow the filter to be mounted inside the cooler cabinet the filter can be installed horizontally below the unit. A retrofit kit is available to mount the filter beneath the cooler. NOTE: If the filter relocation kit part number 98568C is used on single cooler unit, the cooler is no longer ADA compliant.
- Turn water supply on and inspect for leaks. Fix all leaks before continuing.


Installation: Electrical connection
Ensure power supply is identical in voltage, cycle and phase to that specified on the cooler data plate. NEVER wire compressor directly to the power supply.

Operation: Start-Up
- Turn on the building water supply and check all connections for leaks.
- Ensure unit is plugged into electrical supply. Unit must have electrical power to have water flow.
WARNING - Purge air from all water lines by:
• Activating the water flow with hands free sensor of the cooler/fountain. NOTE: Steady stream of water assures all air is removed. - Recheck all water and drain connections with water flowing through system.
- Replace the lower panel ensuring that the metal wrapper is secured inside of the upper shroud. Replace all four screws previously removed.
- Once unit has been inspected for leaks and any leaks found corrected, plug Bottle Filler and unit into wall. Be sure to reinstall fuse to the circuit or switch the circuit breaker back to the “ON” position.
- Once power is applied to Bottle Filler, the GREEN LED light should illuminate showing good filter status along with the LCD Bottle Counter.
- Verify proper dispensing by placing cup, hand, or any opaque object in front of sensor area and verify water dispenses. Note: The first initial dispenses might have air in line which may cause a sputter. This will be eliminated once all air is purged from the line.
- Once unit tests out, install Lower Panel back on water cooler. Unit is now ready for use.
Operation: Bottle Filler BF12 Control Board Set-Up
VERIFY CONTROL BOARD SOFTWARE
- To verify the software program of the control board the unit will need to be shut down and restarted. The chiller (if present) does not need to be shut down and restarted.
- The units lower panel must be open to access the power cord and wall outlet.
- Shut down the unit by unplugging the power cord from the wall outlet or switching off the circuit breaker to the unit.
- Restart the unit by plugging the power cord back into the wall outlet.
- Upon start up, the bottle count display will show the software designation of BF12.
ACCESSING THE PROGRAMMING BUTTON
- To access the program button remove the top cover of the bottle- filler. Remove the two (2) screws holding top cover to bottle- filler with a 5/32” (4mm) allen wrench. Remove top cover. Do not discard mounting screws, they will be needed to reinstall the top cover after programming operations are completed. The programming button is located at the top right side of the unit on the control board.
RESET THE FILTER MONITOR
- Instructions apply to filtered units only.
- Depress the program button for approximately 2 seconds until the display changes then release. The display will change and scroll through two messages:
“RST FLTR” – Reset Filter Monitor
“SETTINGS” – System Settings Sub Menu
If the program button is not pushed again the display will scroll through the two messages above for three cycles and then default back to bottle count and be back in run mode. - When the display changes to “RST FLTR”, depress the button again. The display will change to show “FLTR =”. Depress the button again and the display will show “FLTR =0”
- The Green LED should be illuminated indicating that the visual filter monitor has been reset.
SETTING RANGE OF THE IR SENSOR WHERE APPLICABLE
- Depress the program button for approximately 2 seconds until the display changes then release. The display will change and scroll through two messages:
“RST FLTR” – Reset Filter Status LED
“SETTINGS” – System Settings Sub Menu
If the program button is not pushed again the display will scroll through the two messages above for three cycles and then default back to bottle count and be back in run mode. - When the display changes to “SETTINGS”, depress the button again. The display will change to show
“RNG SET” – Range set for IR sensor.
“UNIT TYP” – Type of unit (REFRIG or NON-RFRG)
“FLT SIZE” – Select filter capacity
“RST BCNT” – Reset bottle count - When display shows “RNG SET” push program button once the display will show current value (can be 1 – 10) e.g. “RNG = 3”.
- Once display shows current value push the program button to scroll through value of 1 – 10. Select the desired range setting,
“1” being closest to sensor and “10” being farthest away. - Once range is selected allow approximately 4 seconds to pass and then the display will go back to bottle counter and be in run mode.
- Test bottle filler by placing bottle or hand in front of sensor to make sure water is dispensed.
SETTING UNIT TYPE
- Depress the program button for approximately 2 seconds until the display changes then release. The display will change and scroll through two messages:
“RST FLTR” – Reset Filter Status LED
“SETTINGS” – System Settings Sub Menu
If the program button is not pushed again the display will scroll through the two messages above for three cycles and then default back to bottle count and be back in run mode. - When the display changes to “SETTINGS”, depress the button again. The display will change to show “RNG SET” – Range set for IR sensor. “UNIT TYP” – Type of unit (REFRIG or NON-RFRG)
Continued from below:
“FLT SIZE” – Select filter capacity “RST BCNT” – Reset bottle count - When display shows “UNIT TYPE” push program button once the display will show current value. Can be REFRIG or NON-RFRG
- Push button once to change value. Once value is selected the display will show the new value. (Can be REFRIG or NON-RFRG) “REFRIG“ – stands for refrigerated product. In this setting the flow rate is estimated at 1.0 gallon per minute (3.8 lpm).
“NON-RFRG“ – stands for non refrigerated product. In this setting the flow rate is estimated at 1.5 gallons per minute (5.7 lpm). Both “REFRIG“ and “NON-RFRG“ simulate 1 bottle equal to 20 oz (590 ml). - Allow approximately 4 seconds to pass and the display will return to bottle counter and be in run mode.
RESETTING BOTTLE COUNT
NOTE: Once the bottle count is reset to zero there is no way to return to the previous bottle count.
- Depress the program button for approximately 2 seconds until the display changes then release. The display will change and scroll through two messages:
“RST FLTR” – Reset Filter Status LED
“SETTINGS” – System Settings Sub Menu
If the program button is not pushed again the display will scroll through the two messages above for three cycles and then default back to bottle count and be back in run mode. - When the display changes to “SETTINGS”, depress the button again. The display will change to show:
“RNG SET”- Range set for IR sensor.
“UNIT TYP” – Type of unit (REFRIG or NON-RFRG)
“FLT SIZE” – Select filter capacity
“RST BCNT” – Reset bottle count
If the button is not pushed again the display will scroll through the four messages above for three cycles and return to run mode. - When display shows “RST BCNT” push program button once the display will show current value, e.g. “0033183”.
- Once display shows current value push the program button once more to reset back to 0. The display will show BTLCT = 0 for approximately 2 seconds and then return to run mode showing 00000000 bottles.
- Testing the bottle counter:
REFRIG units: Place bottle or hand in front of sensor for approximately 9 seconds to see bottle counter count 00000001,(This is based on filling a 20 oz (590 ml) bottle).
NON-RFRG units: Place bottle or hand in front of sensor for approximately 6 seconds to see bottle counter count 00000001,(This is based on filling a 20 oz (590 ml) bottle).
SETTING FILTER CAPACITY
- Depress the program button for approximately 2 seconds until the display changes then release. The display will change and scroll through two messages:
“RST FLTR” – Reset Filter Status LED
“SETTINGS” – System Settings Sub Menu
If the program button is not pushed again the display will scroll through the two messages above for three cycles and then default back to bottle count and be back in run mode. - When the display changes to “SETTINGS”, depress the button again. The display will change to show:
“RNG SET“ – Range set for IR sensor.
“UNIT TYP“ – Type of unit (REFRIG or NON-RFRG)
“FLT SIZE” – Select filter capacity
“RST BCNT“ – Reset bottle count
If the button is not pushed again the display will scroll through the four messages above for three cycles and return to run mode. - When display shows “FLT SIZE” push program button once. The display will show current value. Can be 3000GAL or 6000GAL.
- Push program button again to display the desired “FLT SIZE”.
- Allow approximately 4 seconds to pass and the display will return to bottle counter and be in run mode.
Service
For proper and safe servicing, please read these instructions completely.
DANGER
- All Service and Maintenance must be performed by an authorized service person.
Service Technician must have specialized training before servicing systems containing flammable refrigerants.
Personnel who have not received certification for completing the Hydrocarbon Training Program and passed the examination, or received equivalent training and certification, shall not service any system containing flammable refrigerants. - Disconnect electrical supply to the unit before any service work to reduce risk of electrocution.
- Shut off water supply serving the unit before any service work to reduce risk of water damage.
CAUTION
- To prevent scratching the basin, place a towel or soft cloth over the entire basin when working above it.
- Do not puncture tubing.
- No open flame or sparks during servicing or repair.
- Repair and Disposal must be carried out by trained service personnel.
- Place in a well ventilated area to prevent accumulation of refrigerant.
- Tools/Items required but not provided, for Servicing:
- Safety Glasses
- Protective gloves
- Hex drives
- 5/32” (4mm) Hex Key Flat blade Screwdriver
Service: Adjustments
- Temperature Control: Factory set for 50°F water (+/- 5°) (10°C ± 2.8°) under normal conditions. For colder water, adjust screw on cold control
clockwise (see Cooler Manual). - Water Stream Height: Stream height is factory set at 35 PSI (2.4 bar). If supply pressure varies greatly from this, adjust screw located on the right knee clearance area. CW adjustment will raise stream and CCW adjustment will lower stream. For best adjustment, stream should hit basin approximately 6-1/2” (165mm) from bubbler on the downward slope of the basin.
NOTE: If water does not flow or flows sporadically after a refrigeration cycle, turn cold control counterclockwise 1/4 turn. - Stream Regulator: If orifice is clean, regulate flow as in “STARTUP” instructions above. If replacement is necessary, see parts list for correct regulator part number.
- Water coming out of Bubbler continuously: Check the solenoid valve and the electric eye sensor.
- Cooler Sensor Range Adjustment: The electronic sensor used in this cooler is factory pre-set for a “visual” range of 36 inches (914 mm). If
actual range varies greatly from this or a different setting is desired, follow the range adjustment procedure below:
– Using a small tip screwdriver, locate range adjustment screw through the small hole between the sensor lenses. Turn this screw clockwise
to increase range and counterclockwise to decrease range.
CAUTION
Complete range of sensor (24-46 inches/610-1168mm) is only one turn of the adjusting screw - Sensor Control: If sensor fails to operate valve mechanism or operates erratically, check the following:
- Ensure there are no obstructions within a 40 inch (1016mm) radius in front of cooler.
- Check wire connections at the solenoid valve and sensor
CAUTION
Make sure unit is unplugged before checking any wiring.
Ensure proper operation of solenoid valve. If there is an audible clicking sound yet no water flows, look for an obstruction in the valve itself or elsewhere in the water supply line.
Service: Inspection/Cleaning
- Inspect Bottle Filler and Cooler twice each year for proper operation and performance.
- Inspection of the unit will require disconnecting electrical supply, removal of panels, etc. and reassembly and return to service practices.
- Cleaning: Warm, soapy water or mild household cleaning products can be used to clean the exterior panels of the EZ coolers. Extra caution should be used to clean the mirror finished stainless steel panels. They can be easily scratched and should only be cleaned with mild soap and water or Windex glass cleaner and a clean, soft cloth Use of harsh chemicals or petroleum based or abrasive cleaners will void the warranty
- Bubbler: Mineral deposits on the orifice can cause water flow to spurt or not regulate. Mineral deposits may be removed from the orifice with a small round file not over 1/8” (3mm) diameter or small diameter wire.
CAUTION
DO NOT file or cut orifice material. Care must be taken not to damage the orifice(s). - Ventilation: Cabinet louvers and condenser fins should be periodically cleaned with a brush, air hose or vacuum cleaner. Cleaning should be one twice each year or more frequently if needed due to environment. Excess dirt or poor ventilation can cause no cold water and compressor cycling on the compressor overload protector.
- Water Flow: Confirm proper water flow. If water flow is slow, inspect filter or inline strainer for restriction. Replace filter cartridge if required. Disassemble inline strainer and clean if required.
- Lubrication: Motors are lifetime lubricated.
- Actuation of Quick Connect Water Fittings: Cooler is provided with lead-free connectors which utilize o-ring water seal. To remove tubing from the fitting, relieve water pressure, push in on the gray collar before pulling on the tubing. To insert tubing, push tube straight into fitting until it reaches a positive stop, approximately 3/4” (19mm).

Service: Inspection/Replacement
- Inspect Bottle Filler and Cooler twice each year for proper operation and performance.
- Inspection of the unit will require disconnecting electrical supply, removal of panels, etc. and reassembly and return to service practices.
- Lower Front Panel and Upper Shroud: To access the refrigeration system and plumbing connections, remove four screws from bottom of cooler to remove the lower shroud. To remove the upper shroud for access to the sensors, regulator, solenoid valve or other components located in the top of the unit, remove lower shroud, disconnect drain, remove four screws from tabs along lower edge of upper shroud, unplug two wires and water tube.
- Bubbler: To remove the bubbler, first disconnect the power supply. The underside of the bubbler can be reached through the access panel (Item 25, Fig 11) on the underside of the upper shroud. Remove the access panel by removing the retaining screw.
To remove the bubbler, loosen locknut from the underside of the bubbler and remove the tubing from the quick connect fitting per the Operation Of Quick Connect Fittings section in the General Instructions. After servicing, replace the access panel and retaining screw.
NOTE: When installing replacement bubbler and pedestal, tighten nut only to hold parts snug in position. Do Not Overtighten
Replacement Parts: WaterSentry Filter Parts List
| Item No. | Part No. | Description |
| 1 2 | 51300C 0000000746 | Filter Assy – 3000 Gallon Assy-Filter & Bracket includes Fltr Head/Mtg Bkt/ John Guest Ftgs/Screws |
Parts List
| Item No. | Part No. | Description |
| 1 2 3 *4 5 6 7 8 9 10 11
12 13 14 15 16 17 18 19 20 21 22 23 24 25 NS
26 27 NS 28 | 28401C 0000001337 36028C 2000000453 55994C 56228C 66703C 97970C 55996C 1000004572 56073C 97446C 30873C 1100000005 98775C 98776C 98777C 1100000003 56079C 98898C 1100000004 98724C 1000004564 36066C 56213C 1000004564 27416C 27413C 0000001339 40319C 1100000002 2000000621 | Hanger Bracket Basin – Stainless Steel Sensor-EE Compressor Serv. Pack Tubing – Poly (Cut To Length) Assy – Shroud Upper (Front Side Push) Drier Kit – Drain Replacement (EZ)(Brkt/Tube/Ftg/Clamp) In-Line Strainer Kit – Solenoid Valve/Regulator Assy Kit – Flexi Bubbler/“O”-Ring/Nut Kit – Vandal Resistant Bubbler Wire Kit – Cold Control/Screws Kit – Fan Motor Assy/Blade/Mtr/ Shroud/Screws/Nut Kit – Condenser/Drier Kit- Compr Mtg Hdwe/Grommets/Clips/Studs Kit – Heatx/Drier Push Front (EE) Kit – Hardware for Panels Kit – Electrical Relay/Overload/Cover Kit – Evaporator Assembly Kit – Regulator w/Holder & Nut Power Cord (L/R) Panel – Access Kit – Regulator w/Holder & Nut Wrapper – (SS) Wrapper – (Light Grey) Ferrule-Drain (BF) Orifice Assembly Compressor Service Kit EMI Filter with Harness |
*Includes Relay & Overload. If under Warranty, replace with same Compressor used in original assembly.
NOTE: All correspondence pertaining to any of the above water coolers or orders for repair parts MUST include Model No. and Serial No. of cooler, name and part number of replacement part.
Replacement Parts: Bottle Filler Parts List
| Item No. | Part No. | Description |
| NS NS NS NS 29 NS NS NS NS NS | 98631C 98544C 1000004574 98546C 98547C 98549C 98551C 98552C 1000001813 98568C | Kit – Electrical Package 220V Kit – IR Sensor Kit – BF Solenoid Valve Replacement 220V Kit – Aerator Replacement Kit – Top Cover Replacement Kit – Hardware & Waterway Parts Kit – Filter Mounting Cover Kit – Retro Filter Mounting Kit – Tower/Basin Gasket WaterSentry Filter Mounting Cover |
Uses R290 refrigerant

For Replacement Parts, contact your local distributor or call 1.800.834.4816
Elkay Manufacturing Co. 1333 Butterfield Road Suite 200 Downers Grove, IL 60515 U.S.A – 630.574.8484 – www.elkay.com




NOTE: When installing replacement bubbler and pedestal, tighten nut only to hold parts snug in position. Do Not Overtighten















