Schneider Electric TM172SI Sverige User Guide
DANGER
HAZARD OF ELECTRIC SHOCK, EXPLOSION OR ARC FLASH
- Disconnect all power from all equipment including connected devices prior to removing any covers or doors, or installing or removing any accessories, hardware, cables, or wires except under the specific conditions specified in the appropriate hardware guide for this equipment.
- Always use a properly rated voltage sensing device to confirm the power is off where and when indicated.
- Replace and secure all covers, accessories, hardware, cables, and wires and confirm that a proper ground connection exists before applying power to the unit.
- Use only the specified voltage when operating this equipment and any associated products
DANGER
POTENTIAL FOR EXPLOSION
- Install and use this equipment in non-hazardous locations only.
- Do not install and use this equipment in applications capable of generating hazardous atmospheres, such as those applications employing flammable refrigerants.
Failure to follow these instructions will result in death or serious injury.
| Reference | Description | Communication Ports | Power Supply |
| TM172SIP | TM172 Secure interface Plug-in | USB (type mini-B) 2 x Ethernet | 24 Vac ± 10% 50/60 Hz 20…38 Vdc |
| TM172SIG | TM172 Secure interface Gateway | USB (type mini-B) 2 x Ethernet RS485 |
- Power supply – CN4
- Plug to controller (only for AVS00PI070500 model)
- Memory card slot (Micro SD)
- Programmable LEDs (red / yellow / green)
- Power LED (green)
- USB mini-B port – CN5
- USB A port – CN6
- Ethernet ports (RJ45) – CN2, CN3
- Serial line port (RS 485) – CN1 (only for AVS00GW080500 model)
- Connection clip

WARNING
UNINTENDED EQUIPMENT OPERATION
- Use appropriate safety interlocks where personnel and/or equipment hazards exist.
- Install and operate this equipment in an enclosure appropriately rated for its intended environment and secured by a keyed or tooled locking mechanism.
- Power line and output circuits must be wired and fused in compliance with local and national regulatory requirements for the rated current and voltage of the particular equipment.
- Do not disassemble, repair, or modify this equipment.
- Do not connect any wiring to reserved, unused connections, or to connections designated as No Connection (N.C.
Failure to follow these instructions can result in death, serious injury, or equipment damage
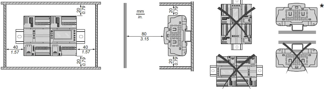
Mounting

Panel

Dimensions




Power supply
he negative terminal of the power supply connection and the signal reference for RS485 (indicated as GS on the AVS00GW080500) are not internally DC connected. The negative terminal of the power supply connection and the signal reference for RS485 (indicated as GS on the AVS00GW080500) are not internally DC connected.

WARNING
POTENTIAL OF OVERHEATING AND FIRE
- Do not connect the equipment directly to line voltage.
- Use only isolating SELV, Class 2 power suppliers/transformers to supply power to the equipment.
Failure to follow these instructions can result in death, serious injury, or equipment damage.
B RS485 connection Serial line port



TM172SIP: RS485 not present
TM172SIG: GS pin is not directly DC connected to the “-” pin of power supply
- (CN1) 5V power supply for BIAS external resistors if needed (RB). Max current: 10mA.
- (CN1) If switch closed internal terminal resistor 120 Ohm is applied between RS485+ and RS485-. Apply it if end device of the bus.
USB connections

Ethernet
Modbus TCP, Web Server, SMTP client, SNMP Agent, FTPS server, FTPS client, MQTT client *
- Services present in the TM172SI
- and not in the PC
Ethernet connection
Ethernet connectors has same MAC address, they can be used to realize a daisy-chain connection:
Technical Data
The product complies with the following harmonized Standards

UK Authorized Representative:
Schneider Electric Limited Stafford Park 5 Telford, TF3 3BL United Kingdom
T +39 0437 986 111
T +39 0437 986 100 (Italy)
T +39 0437 986 200 (other countries)
E [email protected]
Technical helpline +39 0437 986 300
E [email protected]
www.eliwell.com





















