SUSSEX VMDSRH Mixer Diverter System Dress Kit Instruction Manual

Mixer dress kit

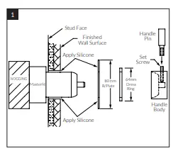
- Remove Mixer protective cover.
- Using silicone, seal the wall surface around the Mixer and Outlet threads.
- Apply a small amount of silicone to the rear of the backplate prior to mounting onto the wall.
- After Backplate has been mounted, fit the Mixer Dress Ring.
- Fit the handle body onto the Mixer Cartridge Lever ensuring the Handle is fully engaged.
- Secure the Handle Body by tightening the Set screw using the Allen Key provided (tighten well).
- Attach the Handle Pin.
Note: Apply a small amount of silicone or mild adhesive (Loctite) to the thread of the Handle Pin to assist in preventing the Pin from becoming loose).
Diverter dress kit

- Remove Diverter protective cover.
- Fit Dress Ring.
- Fit the Handle Body.
Note: The Pin position of the Handle is optional. Select as desired (total movement is 90 degrees).
- Secure the Handle Body by tightening the Set screw using the Allen Key provided (tighten well).
- Attach the Handle Pin.
Note: Apply a small amount of silicone or mild adhesive (Loctite) to the thread of the Handle Pin to assist in preventing the Pin from becoming loose).
To complete the installation, operate the Mixer(s) checking the flow of both hot and cold water from Outlet.
Check all fittings and fixtures for water leaks
Mixer diverter system Rough-in

Rough in plumbing
- Prior to installing, calculate the finished wall thickness, maximum is 30mm thick, contact manufacturer for further options.
- If Wall thickness is greater than 30mm, contact manufacturer for further options.
- Prepare a Nogging to be fixed parallel between the Wall Studs.
- The Nogging must be fitted to enable the base of the Masterfit to be 30-32mm back from the Stud Face.
- The Masterfit will be marked “This side Up” to indicate orientation.
- Using the screws (x4) provided, mount the Masterfit to the Nogging. Ensure the Masterfit is level and square.
Pipe connections
- The Hot and Cold ports are marked on the Masterfit. (Mixers have individual Hot/Cold inlet ports).
- Flush all water feed lines. All lines must be free from any dirt and debris before connecting to the Masterfit.
- Connect Hot and Cold lines to the corresponding 1/2” BSP ports of the Masterfit. (see Drawing)
- Do not remove any factory fitted pressure plugs or Fixings.
- Once all water connections are made, check Hot/Cold water flow by operating the Mixer Cartridge.
- Check all fittings and fixtures for leaks.
- Leave the Mixer(s) in the closed position and replace the Mixer protective cover.
- Store the Dress Kit in a safe place until required (see Dress Finishing Guide)
Plumber note
- On-site high pressure line testing must be conducted with the Mixer in the closed position. (STATIC TEST ONLY)
- Under no circumstances is the Mixer to be opened when exceeding the maximum stated water pressure.
- At the completion of the testing, do not relieve any high pressure by opening the Mixer.
- Exposing the internals of the Mixer Cartridge to higher than specified water pressures, will void the manufacturer’s warranty.
Tapware is to be installed by a Licensed Plumber in accordance with AS/NZS 3500:2003
Recommended working water pressure 300-500 kpa. Maximum water temperature is 65 deg.c
Copyright © Sussex Taps.















