Emergency Lights Co LED Industrial Class Division 2 Exit Emergency Combo

INSTALLATION INSTRUCTIONS
LED INDUSTRIAL CLASS I DIVISION 2 EXIT/EMERGENCY COMBO
IMPORTANT SAFEGUARDS
When using electrical equipment, basic safety precautions should always be followed including the following.
READ AND FOLLOW ALL SAFETY INSTRUCTIONS
- Make sure the area is NON‐HAZARDOUS before installing or servicing the unit.
- Turn off electrical power and disconnect battery before and during installation.
- Turn off electrical power, disconnect the battery and allow the unit to cool off before opening for maintenance or servicing.
- Do not install where the marked operating temperatures (T‐Code) exceed the ignition temperature of the hazardous atmosphere.
- Keep tightly closed when in operation.
- Do not mount near gas or electric heaters.
- Avoid possible shorting with batteries.
- Equipment should be mounted in locations and at heights where it will not readily be subject to tampering by unauthorized personnel.
- The use of accessory equipment not authorized by the manufacturer may cause an unsafe condition.
- Do not use this equipment for other than its intended purpose.
- Servicing of this equipment should only be performed by qualified service personnel.
WALL MOUNT ‐ INSTALLATION WITH MOUNTING BRACKETS
- The branch circuit supply shall be disconnected prior to installation.
- Mount the (2) surface mounting brackets provided onto the backplate and secure using the four #7‐ 21×3/8″ Flat head screws provided (Figure 2).
- Place the housing on the required surface. Drill (4) mounting holes on the wall, using the mounting bracket holes as a drilling template. Tap in using a mallet, the four screw anchors into the holes (Figure 2).
- Remove the (6) plastic caps, (6) screws and (12) O‐rings from the EXIT lens and set aside.
- Separate the lens and EXIT panel assembly (three pieces) from the housing.
- All wiring connections to be made outside the luminaire.
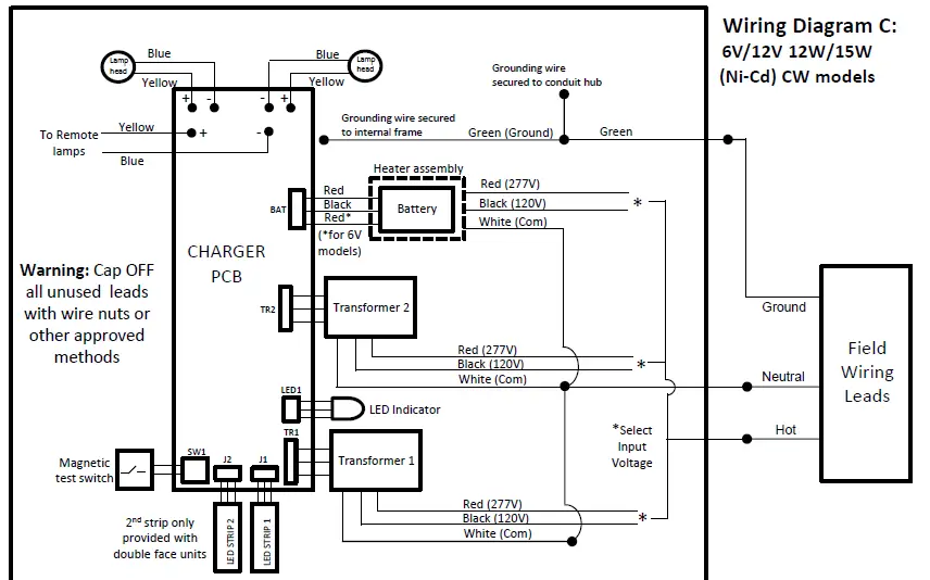
- Refer to the “Wiring Diagrams” section (see pages 5, 6 & 7) and make electrical connections outside the enclosure using Listed wire connectors suitable for the number and size of the conductors. Use suitable wiring method in accordance with the NEC and CEC local codes for the specific Hazardous Location. Cap off the unused (Red or Black) lead. Ensure that the wires are tucked away neatly in the channel between the interior frame and external enclosure. Complete battery connection.
- If remote lamps are to be connected to the Exist sign and Integral Unit Combination, refer to the “Wiring Diagrams” section (see pages 5, 6 & 7) and make electrical connections inside the enclosure using Listed wire connectors suitable for the number and size of the conductors. Use suitable wiring methods in accordance with the NEC and CEC local codes for the specific Hazardous Location.
Installation Instructions
WALL MOUNT ‐ INSTALLATION WITH MOUNTING BRACKETS
- Remove one or both of the directional indicators from the EXIT panel, as needed.
- Reinstall the lens and EXIT panel assembly using the (6) plastic caps, (6) screws and (12) O‐rings previously removed (under step 4) and set aside. Tighten the screws enough to compress the O‐rings to ensure a good sealed joint. Be careful to not overtighten, as that could result in damaging the lens and affect proper sealing of the unit.
- Mount the fixture to the surface using the four #1/4‐8×1‐1/4” pan head mounting screws and previously installed screw anchors.
- Apply power. Allow the unit to charge for 24 hours before testing it in emergency mode.
PENDANT MOUNT INSTALLATION
- The branch circuit supply shall be disconnected prior to installation.
- Remove the (6) plastic caps, (6) screws and (12) O‐rings from the EXIT lens and set aside.
- Separate the lens and EXIT panel assembly (three pieces) from the housing. Position and install the conduit (pendant).
- All wiring connections to be made outside the luminaire.
- Refer to the “Wiring Diagrams” section (see pages 5, 6 & 7) and make electrical connections outside the enclosure using Listed wire connectors suitable for the number and size of the conductors. Use suitable wiring method in accordance with the NEC and CEC local codes for the specific Hazardous Location. Cap off the unused (Red or Black) lead. Ensure that the wires are tucked away neatly in the channel between the interior frame and external enclosure. Complete battery connection.
- If remote lamps are to be connected to the Exist sign and Integral Unit Combination, refer to the “Wiring Diagrams” section (see pages 5, 6 & 7) and make electrical connections inside the enclosure using Listed wire connectors suitable for the number and size of the conductors. Use suitable wiring methods in accordance with the NEC and CEC local codes for the specific Hazardous Location.
- Remove one or both of the directional indicators from the EXIT panel, as needed.
- Reinstall the lens and EXIT panel assembly using the (6) plastic caps, (6) screws and (12) O‐rings previously removed (under step 2) and set aside. Tighten the screws enough to compress the O‐rings to ensure a good sealed joint. Be careful to not overtighten, as that could result in damaging the lens and affect proper sealing of the unit.
- Apply power. Allow the unit to charge for 24 hours before testing it in emergency mode
OPERATION & TESTING
National Electric Code (NEC) and NFPA 101 current Life Safety code requirements require that routine tests need to be performed as listed below:
- Once every month, the unit needs to be tested for a duration of 30 seconds. Place and hold the magnet near the magnetic switch on the fixture to perform this test (Figure 3).
- Once every 12 months, a full 90‐minute (per UL requirements) test needs to be performed on the unit. Disconnect power to the unit and leave it in the emergency mode. The EXIT section and the lampheads should stay ON for at least 90 minutes.
Written records of the testing are to be kept for examination by the authority having jurisdiction.
LED STATUS INDICATOR KEY and TROUBLESHOOTING
| LED status | Indication | Action to take |
| Red | 1. Battery connection is not made 2. Battery has been diagnosed as dead or defective after 24 hours of continuous charging with AC power supplied | 1. Make connection; or if battery is connected, disconnect battery for eight seconds and then reconnect. 2. Replace the battery. |
| Green | Battery is connected, AC power has been supplied and fixture is in charging state. | This is the normal state. No action required. |
| Unlit | AC power has not been supplied or unit is in EM mode | Supply AC power or wait until utility power is restored |
MAINTENANCE
Caution: To reduce the risk of ignition of hazardous atmospheres, disconnect the exit sign from the supply circuit. Determine the area is non‐hazardous before opening the enclosure and disconnect the battery. Keep tightly closed when in operation. Servicing should be performed only by a qualified service technician. Use only MANUFACTURER supplied replacement parts.
BATTERY: The battery supplied requires no maintenance. However, it should be tested periodically and replaced when it no longer operates the connected unit for the duration of a 30‐second or 90‐minute test.



Field Wiring Connections/Wiring Diagrams:
Refer to Wiring diagrams A & B for standard models and C & D for Cold‐weather (‐CW) models
The field wire connections are to be made as follows:
- The Exit sign and Integral Lamp Unit Combination is provided with color coded field lead wires exiting the single conduit hub opening, as indicated in the table below.
- Connect the matching color leads together from the Exit Sign and Integral Lamp Unit and the field supply wires. Make all electrical supply connections outside of the Exit Sign and Integral Lamp Unit Housing using Listed wired connectors suitable for the number and size of the conductors.
- Cap off the unused lead wires (Black – 120 Vac Power) or (Red – 277 Vac Power) using Listed wire connectors suitable for the number and size of the conductors.
- Feed the yellow and blue lead wires from the remote/external load through the conduit hub into the fixture housing. For remote/external load circuit connections, use wire rated to a minimum of 900C.
- Connect the yellow and blue leads from the remote/external load to the yellow and blue leads identified as “DC OUTPUT 6V” or “DC OUTPUT 12V” within the fixture, using Listed wire connectors suitable for the number and size of conductors. Refer to Figure 4 below.
- If no remote lamps are being connected, then insulate the remote/external load lead ends inside the
fixture with Listed wire connectors.
| Lead Wire Color | Function/Identification | Number of Wires | |
| Without ‐CW option | With –CW option | ||
| Green | Ground | 2 | 2 |
| White | Neutral | 2 | 3 |
| Black | 120 Vac Power | 2 | 3 |
| Red | 277 Vac Power | 2 | 3 |

Wiring Diagram






















