SLEIPNER 86-08950, 86-08955 Control Panels

Product Information
The Sleipner Motor AS Control Panels 86-08950 and 86-08955 are designed for use with windlass systems. These control panels are manufactured and distributed by Sleipner AS, a company based in Fredrikstad, Norway. The product includes installation instructions and is available in different languages on the Sleipner Group website.
It is important to follow the considerations and precautions provided in the manual to avoid serious injury or damage to the product. Failure to do so can render all warranties given by Sleipner Motor as VOID.
General Operation Considerations and Precautions Guidelines
For Windlass systems
Never use a windlass close to somebody in the water, an unexpected drop of the anchor can cause serious injuries.
It is the owner/ captain/ other responsible parties full responsibility to assess the risk of any unexpected incidents on the vessel.
- Never use a windlass close to somebody in the water, an unexpected drop of the anchor can cause serious injuries.
- It is the owner/captain/other responsible parties’ full responsibility to assess the risk of any unexpected incidents on the vessel.
- Keep your distance to the windlass, the rope, anchor and anchor brackets during operation
- While operating the anchor maintain observation of the rope or chain during handling.
- Ensure anyone using the windlass knows how to operate it.
- Be aware when the anchor are raised as it can bring unwanted debris up from the bottom, potentially damaging your boat. (NB: If the windlass is straining as the anchor is raised, stop for a few seconds and let the boat pic up momentum before continuing the raise.)
- If the anchor is stuck, release some rope/chain and attach it to a cleat before using the boat to pull the anchor free. The windlass is not designed for loads beyond the specifi ed pull capabilities.
- The anchor MUST ALWAYS be secured to the boat while under way. Use the security line or other means to prevent unintentional anchor drop.
- Turn off the power to the windlass when not in use.
- Children must not operate the windlass.
- Careless use can cause damage or injury!
- Keep the engine running during windlass operation to ensure good battery capacity.
- Sleipner Motor AS is not responsible for damage or injury caused by the use of our windlass systems.
- While dropping anchor, do not push the “UP” button until the anchor is resting at the seabed.
- Always turn the control device off when the thruster is not in use.
Windlass Operation
Please refer to the graphic for special considerations relating to your model !
Docking with remote control RC-21E, RC-22E & RC-23E
The following instructions are provided for operating the windlass system using either the remote control or fixed switch panel:
Docking with remote control RC-21E, RC-22E & RC-23E
- Make sure the boat engine is running during anchoring.
- Decide where you want to drop anchor.
- Check that the safety line on the anchor has been loosened.
- Turn ON the main switch of the windlass.
- When main switch for the windlass has been switched off, you must press down both ON buttons on the remote, before pressing DOWN button to release the anchor.
Docking with fixed switch panel
- Press the down button for at least 1 sec.
- The anchor will drop.
- The windlass is now released and the rope will run out in step with the progress of the boat towards land.
- Tie up the boat (NB: The windlass will always wind in slowly before it reaches to full speed. From software 1.008 can the windlass wind in with reduced speed by double clicking the UP button.)
(NB: The windlass will always wind in slowly before it reaches to full speed. From software 1.008 can the windlass wind in with reduced speed by double clicking the UP button.
Departing
- Start the boat engine.
- Turn on the main switch.
- Release the mooring from land.
- Activate the windlass.
- Keep the up button depressed, and the windlass will pull the boat away from land.
- The windlass will pull the anchor up at full speed until the first auto stop is activated.
After the first auto stop
- Release the up button, press again and keep depressed.
- The windlass will continue to raise the anchor slowly until the second auto stop is activated, stopping the windlass completely.
- The anchor will then be correctly seated in the anchor bracket.
- Attach the safety line to the anchor.
- Turn off the main switch of the windlass.
- Have a pleasant sailing! (NB: This ONLY applies for rope windlasses and requires the anchor rope to be correctly fitted with end-stop sensor rings.)
IMPORTANT
Keep an eye on the anchor when it leaves the water and seats in the anchor bracket. This will allow you to stop the windlass and prevent damage if the anchor pulls up foreign objects from the seabed. If the windlass is straining while raising the anchor, it would be a good idea to run the windlass in periods. Once the boat has begun to move backwards, you can release the up button and then run the windlass in periods.
(NB: If the windlass is straining while raising the anchor, it would be a good idea to run the windlass in periods. Once the boat has begun to move backwards, you can release the up button and then run the windlass in periods.)
Failure to follow the considerations and precautions can cause serious injury, damage and will render all warranties given by Sleipner Motor as VOID.
PANEL CONTROL

Windlass Panel
The windlass controller 150800 is a full direction and PVM- speed controller with Amp and voltage monitor. It can control the direction of the windlass and reduce the speed without reducing the pulling power of the system
(NB: This allows for smoother operation (ramped motor start) and access to features like Slow pull speed.)
WARNING: For safety ALWAYS secure the anchor with a suitable safety line when not in use.
REMOTE CONTROL
Wireless remote control
The remote is waterproof and floats if dropped into the water. It has under normal conditions an radio range of 15m.
Remote control is turned ON by pressing both ON buttons.
To ensure a long battery lifetime, the remote control switches off automatically 4 min. after the last button was pressed.
(NB: Remote and receiver is normally connected and ready to use. See own manual for more information and variants.)

Control Panels

Anchor UP
When the anchor has dropped to the seabed, press the “up” button to tighten the slack. The windlass will continue to winch in as long as you keep the “up” button depressed. If the remote control has switched off automatically (i.e. if you have not pressed a button for more than 4 min) you must first switch ON, then press ‘UP start to wind in the anchor rope/chain. The windlass always starts to operate at reduced speed before increasing to full speed.
Anchor DOWN
When the remote control is switched on, you can drop the anchor by pressing the “down” button. Keep this button depressed for at least 1 second to drop the anchor.
The windlass will then run out slowly in the beginning to ensure the correct release function.
IMPORTANT
Always turn OFF the power to the windlass when it is not being operated.
The anchor must always be secured to the boat while the boat is sailing. Use the safety line supplied.
Double-tap Anchor UP feature
If all power has been removed from the windlass (i.e powered off after leaving the vessel or during an overnight anchoring) the internal sensor will no longer remember the current status of the anchor’s position (Up or DOWN).
Instead of releasing the slack on the anchor completely Double-tap UP to activate the slow retract of the anchor. (NB: This can help safely navigate away from objects when un/ mooring the vessel.)

WARNING
ALWAYS secure the anchor with a suitable safety line when not in use. The windlass cannot be considered a fixed point. (Underway the rope can potentially slide in the housing gypsy. An unintended mechanical release of the gypsy can not be guaranteed.)
End-Stop Sensor
This system is designed so the windlass automatically stops pulling when the anchor reaches the boat. If normally adjusted it will stop when the anchor is hanging 0,5-1 m under the surface. (NB: This allows for time to finish any close quarter maneuverer, get lines and other equipment used at anchor in order, inspect the anchor to ensure it is free of cables, trolleys or whatever else you might catch.)
Also by sailing slowly it is possible to flush the anchor free of sand, seaweed or sediments before the final operation to raise anchor on board the boat.
After the first stop is detected and pull is resumed by repressing the “up” again and the controller will pull the anchor in at reduced speed and with a lower allowable pull until the second stop is registered. At this point, the anchor should rest in the bracket without unnecessary high tension on the rope, windlass, fasteners etc. 

Installation Guide
Responsibility of the Installer
The installer must read this document to ensure necessary familiarity with the product before installation. Instructions in this document cannot be guaranteed to comply with all international and national regulations. It is the responsibility of the installer to follow all applicable international and national regulations when installing Sleipner products.
The recommendations given in this document are guidelines ONLY, and Sleipner strongly recommends that advice is obtained from a person familiar with the particular vessel and applicable regulations.
This document contains general installation instructions intended to support experienced installers. If you are not skilled in this type of work, please contact professional installers for assistance.
If required by local regulation, electrical work must be done by a licensed professional.
Appropriate health and safety procedures must be followed during installation.
Faulty installation of Sleipner products will render all warranties given by Sleipner Motor AS.
General Installation Considerations and Precautions for Windlass
- Always use original Sleipner rope. (NB: While dropping anchor, do not push the “UP” button until the anchor is resting at the seabed.)
- Windlass and accessories must be installed and used in a manner that will not cause damage or injury.
- Do not mount any windlass parts in hazardous environments. (I.e. flammable fumes or gases.)
- Control unit 150800 unit is NOT protected from water ingress, it must be installed in a dry area and not exposed for water.
- Windlass motor installations that are exposed to humidity MUST be surface protected with Tectyl or similar.
Control Panel Installation
Please refer to the graphic for special considerations relating to your model !
Find a suitable location for the control panel where it does not obstruct or is obstructed by other devices. Install the control panel on a flat surface where it is easy to use.
- Use the supplied cut-out template to mark the area to remove on your control dash.
- Cut out the area per template for the control panel. (NB: If the front surface around your cut out is jagged or chipped, use a sealant to assist the gasket.)
- Place the gasket to the back face of the panel
- Plug cables into the connectors at the rear of the control panel.
- Insert the control panel in place and fasten screws.
- Insert the control panels covering caps.

Measurements
| Measurement code | Measurement description | *86-08950 mm inch | *86-08955 mm inch | ||
| ID | Internal panel diameter cut out | 51.8 | 2 | 51.8 | 2 |
| D | panel diameter | – | – | 86 | 3.39 |
| H | Panel Height | 71 | 2.8 | – | – |
| W | Panel width | 71 | 2.8 | – | – |
| (a) | Raised height above the dashboard | 7 | 0.26 | 10.7 | 0.42 |
| (b) | Depth behind the dashboard (not inc. cables) | 41 | 1.61 | 39 | 1.5 |
| (c) | Panel screw hole diameter | 3 | 0.12 | 2.5 | 0.10 |
| (d) | Distance between panel screw holes | 61 | 2.4 | 53 | 2.09 |

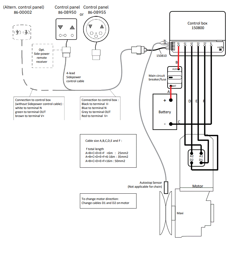
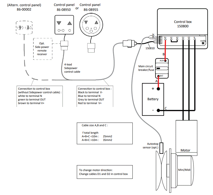
Visual Wiring Diagram
Connecting the motor and battery cables on Maxi
- Connect the four motor cables to the Terminals masked A1/A2/D1/D2.
- Connect supply cable from battery negative to the Terminal marked B-.
- Connect supply cable from breaker/fuse to the Terminal marked B+. Connect beaker/fuse to battery main switch.
- Tighten all terminals properly, with a maximum torque of 5Nm. Over-tightening may damage the terminals.
- Leave breaker/fuse disconnected until the installation is completed.
IMPORTANT
If motor runs in the wrong direction, swap cable D1 and D2 on the control unit.


Service and Support
Find your local professional dealer from our certifi ed worldwide network for expert service and support.
visit our website www.sleipnergroup.com/support
Product Spare Parts and Additional Resources
For additional supporting documentation, we advise you to visit our website www.sleipnergroup.com and fi nd your Sleipner product.
- Sleipner Motor AS (The “Warrantor”) warrants that the equipment (parts, materials and embedded software of products) manufactured by the Warrantor is free from defects in workmanship and materials for the purpose for which the equipment is intended and under normal use and service (the “Warranty”).
- This Warranty is in effect for two years (Leisure Use) or one year (Commercial and other Non-leisure Use) from the date of purchase by the end user (for demonstration vessels, the dealer is deemed as end user).
- This Warranty is transferable and covers the equipment for the specified warranty period.
- The warranty does not apply to defects or damages caused by faulty installation or hook-up, abuse or misuse of the equipment including exposure to excessive heat, salt or fresh water spray, or water immersion except for equipment specifically designed as waterproof.
- In case the equipment seems to be defective, the warranty holder (the “Claimant”) must do the following to make a claim:
Contact the dealer or service centre where the equipment was purchased and make the claim. Alternatively, the Claimant can make the
claim to a dealer or service centre found at www.sleipnergroup.com. The Claimant must present a detailed written statement of the nature
and circumstances of the defect, to the best of the Claimant’s knowledge, including product identifi cation and serial nbr., the date and place of purchase and the name and address of the installer. Proof of purchase date should be included with the claim, to verify that the warranty period has not expired; - Make the equipment available for troubleshooting and repair, with direct and workable access, including dismantling of furnishings or similar, if any, either at the premises of the Warrantor or an authorised service representative approved by the Warrantor. Equipment can only be returned to the Warrantor or an authorised service representative for repair following a pre-approval by the Warrantor’s Help Desk and if so, with the Return Authorisation Number visible postage/shipping prepaid and at the expense of the Claimant.
- In case the equipment seems to be defective, the warranty holder (the “Claimant”) must do the following to make a claim:
- Examination and handling of the warranty claim:
- If upon the Warrantor’s or authorised service Representative’s examination, the defect is determined to result from defective material or workmanship in the warranty period, the equipment will be repaired or replaced at the Warrantor’s option without charge, and returned to the Purchaser at the Warrantor’s expense. If, on the other hand, the claim is determined to result from circumstances such as described in section 4 above or a result of wear and tear exceeding that for which the equipment is intended (e.g. commercial use of equipment intended for leisure use), the costs for the troubleshooting and repair shall be borne by the Claimant;
- No refund of the purchase price will be granted to the Claimant, unless the Warrantor is unable to remedy the defect after having a reasonable number of opportunities to do so. In the event that attempts to remedy the defect have failed, the Claimant may claim a refund of the purchase price, provided that the Claimant submits a statement in writing from a professional boating equipment supplier that the installation instructions of the Installation and Operation Manual have been complied with and that the defect remains.
- Warranty service shall be performed only by the Warrantor, or an authorised service representative, and any attempt to remedy the defect by anyone else shall render this warranty void.
- No other warranty is given beyond those described above, implied or otherwise, including any implied warranty of merchantability, fitness for a particular purpose other than the purpose for which the equipment is intended, and any other obligations on the part of the Warrantor or its employees and representatives.
- There shall be no responsibility or liability whatsoever on the part of the Warrantor or its employees and representatives based on this Warranty for injury to any person or persons, or damage to property, loss of income or profit, or any other incidental, consequential or resulting damage
or cost claimed to have been incurred through the use or sale of the equipment, including any possible failure or malfunction of the equipment or damages arising from collision with other vessels or objects. - This warranty gives you specific legal rights, and you may also have other rights which vary from country to country.Warranty statement
Patents
At Sleipner we continually reinvest to develop and offer the latest technology in marine advancements. To see the many unique designs we have patented visit our website www.sleipnergroup.com/patents
© Sleipner Group, All rights reserved The information given in the document was right at the time it was published. However, Sleipner Group cannot accept liability for any inaccuracies or omissions it may contain. Continuous product improvement may change the product specifi cations without notice. Therefore, Sleipner Group cannot accept liability for any possible differences between product and document.
Register your product and learn more at www.sleipnergroup.com
SLEIPNER AS
P.O. Box 519 N-1612 Fredrikstad Norway
www.sleipnergroup.com
To download your language go to www.sleipnergroup.com
















