19632-WPR 8 Sets of Light Control Panels
User Manual

This product manual contains important information about the safe installation and use of this product. Please read and follow these instructions carefully and keep this manual in a safe place for future reference.
Introduction
The light control panel adopts toughened glass panel, no frame design, appearance atmospheric nobility, capacitance Touch key, manipulation of the comfortable, feel-good; Using 86 type bottom box installation, construction is convenient, suitable for KTV volume and high-end clubs
Technical specification
- appearance size: 202 mm X 135 mm
- touch way: capacitance
- panel material: tempered glass
- frame material: no
- installation: 86 type bottom box
- communication protocol: RS485
- wiring way: network cable
Product Overview (front)

Installation instruction
The Panel includes the following items:
- panel 1PCS
- user manual 1PCS
Installation and removal
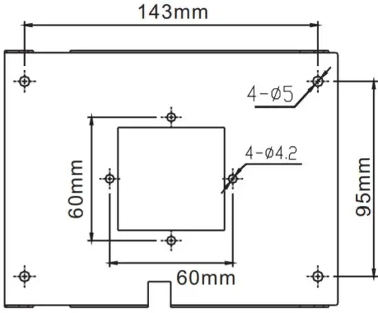
hole size of the mounting bracket

installation
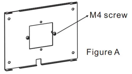
- Fix the mounting bracket on the 86 bottom case with M4 screws, Figure A;

- Let the panel Align four card slots in the mounting bracket, Press to flatten, then right forward, when you hear a click, indicating that has been successfully installed (try to move the panel leftwards, check that it is firmly), reference to FIG. B;

Removal
① Insert a small knife into the gap at the bottom of the left ( in Figure C), and pushed to the right, hold, let the plastic card out of the mounting bracket and move the panel leftwards, the panel is released, it is OK.

10.RJ45 connector DMX signal head seat schematic

T568B wire order:
| 1 | Orange and white |
| 2 | orange |
| 3 | green white |
| 4 | blue |
| 5 | blue white |
| 6 | green |
| 7 | brown white |
| 8 | brown |
| Pin1:signal – | Pin5:5V |
| Pin2:signal + | Pin6:GND |
| Pin3:GND | Pin7:NC |
| Pin4:5V | Pin8:NC |
| 01-Aug | 01-Aug |





















