221105 Centrifugal Juice Extractor
User Manual

You should read this user manual carefully before using the appliance.
Keep these instructions with the appliance.
For indoor use only.
![]()
Dear Customer,
Thank you for purchasing this Hendi appliance. Read this manual carefully, paying particular attention to the safety regulations outlined below, before installing and using this appliance for the first time.
Safety regulations
- This appliance is intended for commercial use.
- Only use the appliance for the intended purpose it was designed for as described in this manual.
- The manufacturer is not liable for any damage caused by incorrect operation and improper use.
- Keep the appliance and electrical plug away from water and other liquids. In the event, the appliance falls into water, immediately remove the power plug from the socket. Do not use the appliance until it has been checked by a certified technician. Failure to follow these instructions will cause life-threatening risks.
- Never attempt to open the housing of the appliance by yourself.
- Do not insert objects into the housing of the appliance.
- Do not touch the plug with wet or damp hands.
The danger of electric shock! Do not attempt to repair the appliance y yourself, repairs are only to be conducted by qualified personnel.- Never use a damaged appliance! When it’s damaged, disconnect the appliance from the socket and contact the retailer.
- Warning! Do not immerse the electrical parts of the appliance in water or other liquids.
- Never hold the appliance under running water.
- Regularly check the power plug and cord for any damage. When damaged it must be replaced by a service agent or similarly qualified person in order to avoid danger or injury.
- Make sure the cord does not come in contact with sharp or hot objects and keep it away from open fire. Never pull the power cord to unplug it from the socket, always pull the plug instead.
- Make sure that the power cord and/or extension cord do not cause a trip hazard.
- Never leave the appliance unattended during use.
- Warning! As long as the plug is in the socket the appliance is connected to the power source.
- Turn off the appliance before unplugging it from the socket.
- Connect the power plug to an easily accessible electrical socket so that in case of emergency the appliance can be unplugged immediately.
- Never carry the appliance by the cord.
- Do not use any extra devices that are not supplied together with the appliance.
- Only connect the appliance to an electrical outlet with the voltage and frequency mentioned on the appliance label.
- Never use accessories other than those recommended by the manufacturer. Failure to do so could pose a safety risk to the user and could damage the appliance. Only use original parts and accessories.
- This appliance should not be operated by persons with reduced physical, sensory or mental capabilities, or persons that have a lack of experience and knowledge.
- This appliance should, under any circumstances, not be used by children.
- Keep the appliance and its power cord out of reach of children.
- WARNING: ALWAYS switch off the appliance and unplug from the power socket before cleaning, maintenance or storage.
Special safety precautions
- Use the appliance as described in the manual.
- This machine should be operated and installed by specialized trained personnel in the kitchen of the food industry.
- All maintenance, installation, and repair works should be performed by specialized trained authorized technicians.
- Do not place the machine on a heating object (gasoline, electric, charcoal cooker, etc.)
Keep the appliance away from any hot surfaces and open flames. Always operate the machine on a level, stable, clean, heat-resistant and dry surface. - Do not use the machine near explosive or flammable materials, credit cards, magnetic discs or radios.
- Wear protective clothing, mask, or protective glasses if necessary during operation.
- This machine is not intended to be operated by means of an external timer or separate remote-control system.
- Never bypass any safety interlocks on the machine.
- WARNING: Keep all ventilation openings in the appliance clear of obstruction.
- WARNING! ALWAYS keep hands, long hair, and clothing away from the moving parts.
- Allow at least 20 cm spacing around the appliance for ventilation purposes during use.
- Caution! Securely route the power cord if necessary in order to prevent unintentional pulling or contact with the heating surface.
- Do not wash the machine with water or a waterjet. Washing with water can cause leakage and increase the risk of electric shock. No parts are dishwasher safe.
- Do not clean or store the machine unless it is completely cooled down.
- Do not move the machine while it is under operation. Unplug the machine when moving the machine and hold it at the bottom.
- Do not operate the machine without ingredients to avoid overheating.
- The danger of injury! Care shall be taken when handling the sharp cutting blades, emptying the cutting tools, and cleaning.
- Warning! Never put your hands or any other object inside the feeding chute while the appliance is operating.
- Dry the appliance and all the parts/accessories before connecting to the power supply and prior to attaching the accessories.
- Never use a spoon, a spatula or something similar to remove ingredients out of the appliance during operation. In case, you have to remove something out of the feeding chute, always switch off the appliance and unplug it before you do so.
- Make sure the lid is attached properly and securely locked before operating the juicer. Do not unfasten the safety arm or remove the lid during operation.
Intended use
- The appliance is intended for professional use.
- This appliance is designed only for extracting juice from vegetables or hard fruits such as apples, etc. Any other use may lead to damage to the appliance or
personal injury. - Operating the appliance for any other purpose shall be deemed a misuse of the device. The user shall be solely liable for improper use of the device.
Grounding installation
This appliance is classified as protection class I and must be connected to a protective ground. Grounding reduces the risk of electric shock by providing an escape wire for the electric current.
This appliance is fitted with a power cord that has a grounding wire and grounded plug. The plug must be plugged into an outlet that is properly installed and grounded.
Before first use
- Remove all protective packaging and wrapping.
Make sure no packaging debris remains inside the appliance. - Check for completeness and transport damage.
In case of damages or incomplete delivery, please contact your supplier/importer. - Keep the packaging for storing your appliance when not in use for an extended period of time.
- Clean the appliance thoroughly (See → Cleaning and Maintenance).
WARNING!
- Unplug the appliance from the electrical power supply before cleaning.
- The danger of hand inquiry! Handle the blade with great care.
- Place the appliance on a dry, level, and stable surface with suction feet firmly standing with the surface.
- Always place a container under the spout and the pulp container under the ejector after switching your machine is on but before you start feeding the fruit or vegetables in.
Part list

Note: Three stoppers for the spout assembly are supplied to prevent the insects from entering.
Assembly
- WARNING! Never connect the power plug into an electrical outlet before the appliance is fully assembled.
- Make sure the spout assembly is closed.
1. Position the motor unit firmly so that the OFF / ON buttons are facing you.![]() | 2. Place the bowl on top of the motor unit.![]() |
4. Fit the flange onto the rim of the bowl. The ribs of the flange should be lined up with the flat panel of the bowl. Make sure that the flange is correctly fitted.![]() | 3. Lower the basket assembly into the correct place, holding it by the holders. Rotate it until its slots into the correct place. ![]() |
5. Line the lid with the feeding chute with the notches in the flange.![]() | IMPORTANT: Make sure that the pin on the motor shaft is correctly lined up with the corresponding notch in the basket hub. |
6. Correctly fit the pulp container with the hopper plate.![]() | 7. Close the safety arm correctly. The juicer will not start unless the safety arm has been closed properly (safety switch). Now, the appliance is assembled and ready for use. ![]() |
Operation
Notes:
- Due to the manufacturing process, this newly bought appliance may emit some odor when switched on for the first time. This odor might remain for the rest of the few operating cycles. This is normal and does not indicate any defect or hazard.
- Do not put your hand or fingers into the feeding chute to push food or remove clogged food. Use the pusher only. The danger of serious injury due to the rotating blade.
- Close the safety arm to operate.
- Always switch “OFF” the appliance and unplug it when not in use.
- Check regularly the flange and lid are correctly fitted especially when changing to another food.
Preparing fruits and vegetables
- This juicer can be used to make juices from many different types of fruit and vegetables, but some preparations are needed to create flavorful and tasty juices.
- Rinse fruits under fresh running water.
- Cut large fruit into small pieces that fit into the feeding chute.
- Remove large seeds, stones, ad pits from cherries, peaches, etc.
- Peel thick-skinned fruits (pineapples, oranges, melons, etc).
- Some foods are not suitable for processing in a juicer, due to their hard consistency (e.g. Coconuts).
NOTE: Never put ice cubes or frozen fruit in the feed tube.
Below instructions for fruits and vegetable preparation are just for reference only.
| Fruit and vegetable preparation | |
| Carrots | Peeled and left whole, topped and tailed. Feed-in 2 or 3 at a time. |
| Apples | Washed and left whole (remove the stalk and any labels). |
| Strawberry | Remove stalks for the taste. |
| Citrus fruit | Peel all citrus fruit. Oranges and lemons can be left whole. |
| Pineapples | Peel and cut into eight chunks (3 cuts) |
| Melons | Peel and cut into eight chunks. |
| Tomatoes | Washed and left whole (remove hard green core). Food in 2 or 3 at a time. |
| Peppers | Washed and cut into quarters lengthwise, according to shape. |
| Celeriac | Cut into 6 – 7 cm chunks |
| Cucumbers | Peeled. Cut into sections measuring approx. 15cm long |
| Fennel | Cut into 6 – 7 cm chunks |
| Ginger | Cut into pieces to make it easier to feed into the juicer. Do not put too many in at a time, to prevent a blockage. |
| Grapes | Remove stalks to avoid bitterness. |
Extracting juice
- Place a container (not supplied) under the spout assembly with the spout open.
- Remove the pusher from the feeding chute.
- Connect the power plug to a suitable electrical supply outlet.
- Switch ON the appliance by pressing the “ON” (green) button.
- Fill the prepared ingredients into the hopper plate gradually. Do not overload it. Add small pieces at a time. The fruit pulp is ejected into the pulp container while the extracted juice flows through the spout into the container (not supplied).
- Use the pusher to push & guide the ingredients through the lid with the feeding chute.
- Press the “OFF” button when all the food has been processed.
Safety protection
- This juicer will not start unless the lid with the feeding chute has been correctly positioned and the safety arm locked properly. The motor will be switched to OFF as soon as you unlock the safety arm or press the OFF button.
- This juicer is equipped with a powerful brake that will stop the appliance in less than a few seconds if you unlock the safety arm while the juicer is running.
- To switch your juicer ON again, simply lock the safety arm properly over the lid and press the I (ON) button.
Removing clogged foodstuff from the lid with feeding chute
- If food is clogged, use the pusher to push it down. If this fails to work, press the switch to the “OFF” position and wait a while until the blade stops runnings.
- Disconnect the power plug from the electrical supply outlet and remove the lid with the feeding chute.
- Wait until the juicer has come to a complete standstill and has fully cooled before disassembling.
- Clear all clogged foodstuff off the lid with the feeding chute.
Useful Hints
Follow these helpful hints to obtain the best results from your juicer.
- Do not put any fruit or vegetables in your juicer until power is turned ON and the motor starts spinning.
- Allow the juicer to run for a few seconds before starting juicing.
- Do not force the food into the juicer. Allow the food to drop through slowly & steadily using the pusher.
- Any fruit or vegetables that be fit will the feeding tube can put through the whole. Cut the food if it is too big in order to fit in the feeding tube.
- Remove large pits such as peach, mango, etc., as this will damage the blade and possibly the juicer.
- Let the juicer run for a few seconds before turning off to allow any excess juice to be extracted from the pulp. Once turned OFF, wait until the juicer has come to a complete standstill and has fully cooled before disassembling.
- Do not recommend using overripe fruit as it will leave too much pulp in the filter and clog the juice r.
- Do not pour liquids into the appliance at any time unless you are following instructions/recipe for making soy, rice, or nut milk.
- When using small or thin fruits or vegetables, add many of them at the same time. For example, insert 2 or 3 carrots at a time into the feeding tube for best results.
- When using herbs or wheatgrass, wrap them in larger leafed vegetables such as spinach, cabbage, etc., follow by fruit or vegetable that contains an abundance of juice such as pineapple, apple, etc.
- When juicing carrots that are not the same size, do not use a pusher until the largest carrot has been processed. Once they have the same size, you can use the pusher to continue until carrots have been processed.
- Denser vegetables (i.e. beets) and fibrous vegetables (i.e.celery) should be chopped and fed slowly into the feeding tube to reduce clogging.
Cleaning and Maintenance
- Warning! Always unplug the appliance from the electrical power outlet before cleaning & storage.
- It is NOT recommended to wash the different parts in the dishwasher.
- Immediately after use each time, use the brush (supplied) to thoroughly clean the fine mesh holes of the cutting blade in the basket. Be careful of the sharp edges! Brush the inside under running water, holding it up towards the light to ensure the fine mesh holes are not blocked.
- The danger of electric shock! Do not immerse the power cord with the plug or the motor base unit in the water or other liquids.
- Disassemble the juicer in the reverse order of assembly (See →Assembly)
- Clean the motor base unit with a soft damp cloth.
IMPORTANT! Check that your detergent is suitable for use with parts made from plastic or stainless
steel. Certain highly alkaline products (e.g. With a high concentration of ammonia or caustic soda) are totally incompatible with some plastics and cause them to deteriorate very.
| Parts | Description |
| Pusher | – Immerse the parts in warm, mild detergent for about 3 ~ 5 minutes. Never use abrasive cleaning detergent. – Rince under running water. – Danger of hand injury! Handle with geat care with the blade. |
| Lid with feeding chute | |
| Basket assembly with blade | |
| Bowl | |
| Pulp container |
- Dry all parts completely.
- Reassemble the juicer (See → Assembly)
Storage
- Always make sure the appliance has already been disconnected from the electrical wall outlet and cooled down completely.
- Store the appliance in a clean, dry, out of the reach of the children and pets.
Troubleshooting
If the appliance does not function properly, please check the below table for the solution.
If you are unable to solve the problem, please contact the supplier/service provider.
| Problem | Possible cause | Possible solution |
| The motor does not run after being turned ON. | The appliance does not plug in firmly with the electrical power outlet. | Check the plug to confirm the plugin firmly. |
| The motor is running with loud noises and great vibrations. | – The appliance is not well assembled. – Too many ingredients clogged inside the blade in the basket assembly – Suction feet do not have firm contact with the surface | – Unplug it and reassemble the appliance correctly (See 4 Assembly). – Unplug. Clear some food & restart. – Make sure the suction feet have contact with the surface firmly. |
| Inefficient juicing result | The cutting blade inside the basket is worn. | Replacement of the cutting blade inside the basket. |
Technical Specification
Item no.: 221105
Operating voltage and frequency: 220-240V~ 50/60Hz
Output power: 700W
Protection class: class I
Waterproof class: IPX1
Noise level: < 72 dB (A)(Under no-load operation)
Dimensions: 245 x 480 x (H) 530 mm
Rotation speed: approx. 3000 rpm
Net weight: approx. 13.1kg
Remarks: Technical specification is subject to change without prior notification.
Material of different parts
| Parts | Material |
| The housing of motor unit | Stainless steel AISI 304 |
| Bowl | Stainless steel AISI 304 |
| Basket assembly | Stainless steel AISI 304 |
| Grating disc | Stainless steel AISI 430 |
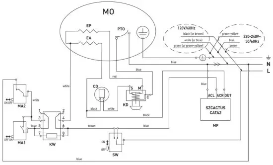
Electric diagram (220-240V~ 50/60Hz)
| EP | Main phase |
| EA | Starting phase |
| CD | Starting capacitor |
| KD | Starting relay |
| NO | Electromagnetic relay |
| MA1 | Start switch |
| MA2 | Stop switch |
| SW | Clamp safety switch |
| MF | Breaking module |
| MO | Single-phase Motor |
| PTO | Motor thermal protector |

RECIPES
Fruit and vegetables can be combined in an infinite number of ways to create exciting, colorful and totally natural drinks. Give your imagination free in mind these few golden rules for making cocktails:
- Always use untreated fruit.
- Using a shaker will make an opaque mixture more homogeneous.
- Fill the lower half of the shaker half-full with ice cubes.
Avoid shaking your cocktail for too long, otherwise, the ice will melt and spoil it.
Here is a selection of cocktail recipes, each for approximately four people.
Note: Below recipes are for reference only. Lots of recipes can be found in cooking books and on the internet.
PEACH SPARKLE
Ingredients (serves 3):
- 6 peaches
- 1/2 lemon
- 1 generous pinch of ground nutmeg
- 300ml soda water
- 1 thin slice of fresh ginger
Preparation: stone the peaches and peel the lemon. There is no need to peel the ginger. Process the peaches in your juicer first, followed by the ginger, then the lemon. Next, combine the ground nutmeg and sodawater with the juice. Divide between three glasses. Garnish: decorate the glasses with thin slices of peach.
APPLE-KIWI
Ingredients (serves 3):
- 3 Granny Smith apples
- 1/2 lime
- 3 kiwi fruit
Preparation: peel the lime. Peel the kiwis so that the cocktail retains a fresh green color.
Process all the ingredients in your juicer.
Stir with a spoon and serve immediately, before the apple starts to go brown,
Idea: if you find the taste too acidic, simply add a little honey or cane sugar syrup. You can also replace the kiwi fruit with a cucumber or a stick of celery.
MELLOW GRAPEFRUIT
Ingredients (serves 3):
- 250g orange
- 250g grapefruit
- 250g strawberries
Preparation: peel the oranges and grapefruit to avoid a bitter taste. Process all the ingredients in your juicer.
Stir well and divide between the glasses.
Idea: if you find the juice too acidic, simply add a little honey or cane syrup.
ORIENTAL
Ingredients (serves 3):
- 1/2 pineapple
- 3 oranges
- 1 tsp vanilla extract
Preparation: peel the fruit. Process the pineapple in your juicer first, followed by the oranges.
APPLE-CELERY
Ingredients (serves 4):
- 4 Granny Smith apples
- 2 sticks celery
- 1 thin slice of fresh ginger
- 1/2 lemon
- salt
Preparation: wash the celery sticks thoroughly and process in your juice, followed by the ginger, then the apples. Season with a little salt and serve immediately, before the apple starts to go brown. Idea: you can use pears instead of apples.
SCARLET COCKTAIL
Ingredients (serves 4):
- 1 cooked beetroot
- 2 carrots
- 2 small bunches of red grapes
- 2 Granny Smith apples
- Cayenne pepper
Preparation: process all the fruit and vegetables in your juicer. Season the juice with Cayenne pepper and serve chilled.
Garnish: decorate each glass with a slice of baby beetroot. Idea: you can use either white or yellow peaches for this juice.
HONEYED WATERMELON
Ingredients (serves 3):
- 750g watermelon
- 1/2 lemon
- 20g honey
- 20g water
Preparation: boil the honey and water together and allow to cool. Remove the watermelon rind and pips and cut the flesh into large chunks. Peel the lemon.
Process the fruit into large chunks. Peel the lemon.
Process the fruit in your juicer.
Pour the honey mixture into the glasses first, followed by the watermelon
juice. Garnish: serve with thinly sliced watermelon.
CARROT CAPRICE
Ingredients (serves 4):
- 4 carrots
- 4 oranges
- 1 thin slice of fresh ginger
- Ice cubes
Preparation: Wash and scrub the carrots (no need to peel them). Peel the oranges. Process all the ingredients except for the ice cubes in your juicer. Divide between four glasses, add the ice cubes, and serve immediately. Garnish: decorate with an olive and a slice of orange.
Stir the vanilla extract into the juice and serve in small shot glasses. Idea: replace the oranges with coconut milk.
CLASSIC
Ingredients (serves 3):
- 4 carrots
- 3 apples
- 1 lemon
Preparation: peel the lemon. Wash and scrub the carrots (no need to peel them).
Process all the ingredients in your juicer.
Stir well and serve. Idea: you can substitute pears for apples.
GAZPACHO
Ingredients (serves 3):
- 500g ripe tomatoes
- ½ small red pepper
- 1/2cucumber
- 1/2small stick celery
- 1 tbsp olive oil
- A drop of sherry vinegar
- Salt
- Pepper
Preparation: process all the vegetables in your juicer, then add the olive oil, sherry vinegar, and salt. Garnish: decorate with a twist of lemon peel and a slice of tomato.
Idea: as tomato opens the appetite, serve the gazpacho at the start of the meal.
ASPARAGUS SPEARS
Ingredients (serves 3):
- 1kg green asparagus
- 1pinch ground Espelette pepper
- 1 pinch flour dosel sea salt
Preparation: peel the asparagus spears and discard the tough ends of the stalks.
Process in your juicer. Season with a little Espelette pepper and sea salt.
Idea: use this cocktail to accompany a salmon dish.
CUCUMBER QUENCHER
Ingredients (serves 4):
- 1 cucumber
- 4 Granny Smith apples
- 3 tbsp dill
- 1/2 lemon
- Goat’s milk
Preparation: Wash the cucumber but do not peel it, as the skin contains vitamins and will also lend color to your cocktail. For this reason, use an organic cucumber, if possible. Peel the lemon.
Process the cucumber, apples, and dill in your juicer, followed by the lemon. Combine the goat’s milk with the juice.
PRETTY PINK
Ingredients (serves 4):
- 300 g strawberries
- 3 carrots
- 1/4 pineapple
Preparation: peel the pineapple and cut into chunks. You do not need to hull the strawberries, as their stalks will automatically be ejected into the pulp container.
Process the pineapple, strawberries and carrots in your juicer in that order. Stir well and divide between glasses decorated with sliced strawberries.
Idea: liven up your cocktail with a pinch of ground vanilla bean, cardamom, or ginger.
MELON MELODY
Ingredients (serves 3):
- 400 g green-skinned melon
- 1 Granny Smith apple
- 1/2 lemon
Preparation: remove the melon rind and pips and cut the flesh into large chunks. Peel the lemon. Process all the ingredients in your juicer. Stir with a spoon and serve immediately, flavored with a few mint leaves.
Idea: replace the melon with watermelon.
MELON-PEAR WITH TURMERIC
Ingredients (serves 4):
- 1400 g yellow honeydew melon
- 1 grapefruit
- 1/2 pear
- 1/2 Golden Delicious apple
- 1 thin slice of fresh ginger
- 1/2 lemongrass stalk
- 1 tiny pinch of turmeric
Preparation: peel the melon and grapefruit. Process the apple, ginger, lemon, and grapefruit in your juicer in that order. Stir well and divide between four glasses.
Warranty
Any defect affecting the functionality of the appliance which becomes apparent within one ear after purchase will be repaired by free repair or replacement provided the appliance has been used and maintained in accordance with the instructions and has not been abused or misused in any way. Your statutory rights
are not affected. If the appliance is claimed under warranty, state where and when it was purchased and include proof of purchase (e.g. receipt).
In line with our policy of continuous product development, we reserve the right to change the product, packaging, and documentation specifications without notice.
Discarding & Environment
When decommissioning the appliance, the product must not be disposed of with another household waste. Instead, it is your responsibility to dispose to your waste equipment by handing it over to a designated collection point. Failure to follow this rule may be penalized in accordance with applicable regulations on waste disposal. The separate collection and recycling of your waste equipment at the time of disposal will help conserve natural resources and ensure that it is recycled in a manner that protects human health and the environment.
For more information about where you can drop off your waste for recycling, please contact your local waste collection company. The manufacturers and importers do not take responsibility for recycling, treatment, and ecological disposal, either directly or through a public system.

Hendi B.V.
Innovatielaan 6
6745 XW De Klomp, The Netherlands
Tel: +31 317 681 040
Email: [email protected]
Hendi Polska Sp. z o.o.
ul. Firmowa 12
62-023 Robakowo, Poland
Tel: +48 61 658 7000
Email: [email protected]
Hendi Food Service Equipment GmbH
Ehring 15
5112 Lamprechtshausen, Austria
Tel: +43 6274 200 10 0
Email: [email protected]
Hendi Food Service Equipment Romania S.R.L.
Str. 13 decembrie 94A, Hala 14
Brașov, 500164, Romania
Tel: +40 268 320330
Email: [email protected]
Find Hendi on internet:
www.hendi.eu
www.facebook.com/HendiToolsforChefs
www.linkedin.com/company/hendi-food-service-equipment-b.v
www.youtube.com/HendiEquipment
– Changes, printing and typesetting errors reserved.
© 2021 Hendi BV Rhenen – The Netherlands
Ver: 16-04-2021





IMPORTANT: Make sure that the pin on the motor shaft is correctly lined up with the corresponding notch in the basket hub.


















