SLEIPNER 150000 Windlass Control Unit User Manual

Sleipner Motor AS P.O. Box 519, Arne Svendsensgt. 6-8 N-1612 Fredrikstad, Norway
Failure to follow the considerations and precautions can cause serious injury, damage and will render all warranties given by Sleipner Motor as VOID.
General Operation Considerations and Precautions Guidelines
For the operation of windlass control unit
- Follow the fault codes to identify issues during operation.
- Use the windlass user manual for the operation guide for how to use the system.
Features
- Automatic detection of 12V or 24V system.
- Programmable windlass type (Mini/Midi/Maxi/Maxi Chain)
- LEDs Power for program/failure/end stop indication.
- PWM speed control.
- Over-current limiting and motor overheat protecting algorithm protects motor from damage. Note that there is no physical temperature sensor in the motor.
- Motor Soft Start.
- Reduced speed and force limit after first end stop detection.
- Two end stop points can be detected (detected by metal wire spun around the rope at user selected positions). Maxi Chain windlass does not include the end stop function.
- Power relays disconnect motor power when the windlass is not in use or if a fault has been detected.
- Delayed start on operation “OUT” to safeguard against unwanted operation.
- Physically separated terminals reduce risk of short circuits.
Operations
Sleipner Windlass Control Unit is designed to control the Sleipner Mini, Midi and Maxi windlasses. These windlasses are equipped with a “Free fall” system allowing the anchor rope to wind out freely for a quick anchor drop and easy mooring bow/stern against peer or land. The free fall is initiated by pushing the “Down” bottom on your panel or remote control. The anchor weight and fitting of the anchor bracket must be selected so the anchor will drop/fall out when released.
The Sleipner Windlass Control Unit is compatible with Sleipner control panels and remote control systems. Special care have been taken to simplify installation, improve usability and the inherent features of this control unit. Additionally this controller has a range of new security features. Still, be aware that anchor loads may be very high, this equipment must be operated wisely, and only by responsible crew knowing how the system works.
IMPORTANT This manual contains information you need to know before installing the windlass. Please read it carefully.
- Keep your distance to the windlass, the anchor line, anchor and anchor brackets during operation.
- Keep the anchor line rope/chain under observation during anchor handling.
- Make sure anyone using the windlass knows how to operate it.
- Be aware when the anchor are raised as it can bring unwanted debris up from the bottom, potentially damaging your boat.
- If the windlass is straining as the anchor are raised, stop for a few seconds and let the boat pic up momentum before continuing
the raise. - If the anchor is stuck, release some rope/chain and attach it to a cleat before using the boat to pull the anchor free. The windlass
is not designed for loads beyond the specified pull capabilities. - The anchor must always be secured to the boat while sailing. Use the security line or other means to prevent unintentional
anchor drop. - Turn off the power to the windlass when not in use.
- Children must not operate the windlass.
- Careless use can cause damage or injury!
- Make sure to have good battery capacity, and keep the engine running windlass operation.
- Sleipner is not responsible for injury caused by the use of our windlass systems.
Technical Specifications



Configuring Windlass Type
- Press and hold “Config” button for 3 seconds, until Power and Fault LED starts blinking.
- Press “Config” button to cycle through types, until the Mode LEDs show the correct pattern.
- The controller returns to normal operation after 3 seconds of inactivity.
- Verify that the pattern shown is correct. This description can also be found on the back of the terminal covers.

NOT SET Press and hold “Config” button for 3 seconds, until Power and Fault LED starts blinking.
MINI ROPE Configuration set for using a MINI windlass utilizing a rope anchor lead.
MIDI ROPE Configuration set for using a MIDI windlass utilizing a rope anchor lead.
MAXI ROPE Configuration set for using a MAXI windlass utilizing a rope anchor lead.
MAXI CHAIN Configuration set for using a MAXI windlass utilizing a chain anchor lead.
………………
MHPP ROPE Configuration set for using a MHPP designed for specific installations.
If not required the MHPP configuration can damage the windlass system.
Fault Codes
“Fault” LED is lit: The last fault condition detected by the controller is indicated by the “Mode” LEDs, visible when the terminal cover is removed. Some faults will inhibit operation, while others allow continued use. See Troubleshooting table.

Troubleshooting
IMPORTANT Main switch/ braker must be disconnected whenever working on the windlass mechanical parts


IMPORTANT If the windlass still does not work normally after you have tried these procedures, the fault is in the windlass itself. Contact your nearest dealer.
Installation Guide
Failure to follow the considerations and precautions can cause serious injury, damage and will render all warranties given by Sleipner Motor as VOID.
Responsibility of the Installer
The installer must read this document to ensure necessary familiarity with the product before installation.
Instructions in this document cannot be guaranteed to comply with all international and national regulations. It is the responsibility of the installer to follow all applicable international and national regulations when installing Sleipner products.
The recommendations given in this document are guidelines ONLY, and Sleipner strongly recommends that advice is obtained from a person familiar with the particular vessel and applicable regulations.
This document contains general installation instructions intended to support experienced installers. If you are not skilled in this type of work, please contact professional installers for assistance.
If required by local regulation, electrical work must be done by a licensed professional.
Appropriate health and safety procedures must be followed during installation.
Faulty installation of Sleipner products will render all warranties given by Sleipner Motor AS.
General Installation Considerations and Precautions Guidelines
For the windlass control unit
- Do not mount windlass control unit in hazardous environments (I.e. flammable fumes or gasses).
- The control unit is NOT protected from water ingress, therefore it must be installed in a dry area and not exposed for water.
Measurements


Windlass Control Unit Installation
Pre Installation check
– The control unit is not water resistance and must be placed in a dry area close to the windlass motor.
– Use ring terminals of good quality with the correct size for the selected battery cables. Bolt hole should be 6mm.
– The control unit must be mounted with the the cables protruding downwards.
- Mount the control unit to a dry surface area. Ensure attached cables will protrude downwards. (NB: The control unit has mounts that ensures space between the control unit and it’s mounting surface. This to avoid condensation to enter the unit. It also ensures proper ventilation of the enclosure.)
- Remove the cable terminal cover.
- Attached cables. Pay attention to assemble the terminal spacers and washers in the correct order. Tighten the terminals to maximum 8 Nm.
- Remount the cable terminal cover.


Windlass Electrical Installation
! Please refer to the graphic for special considerations relating to your model ! All kind of wiring and electrical fixing must be done with Main switch/ miniature circuit breaker turned OFF and no battery cables attached.
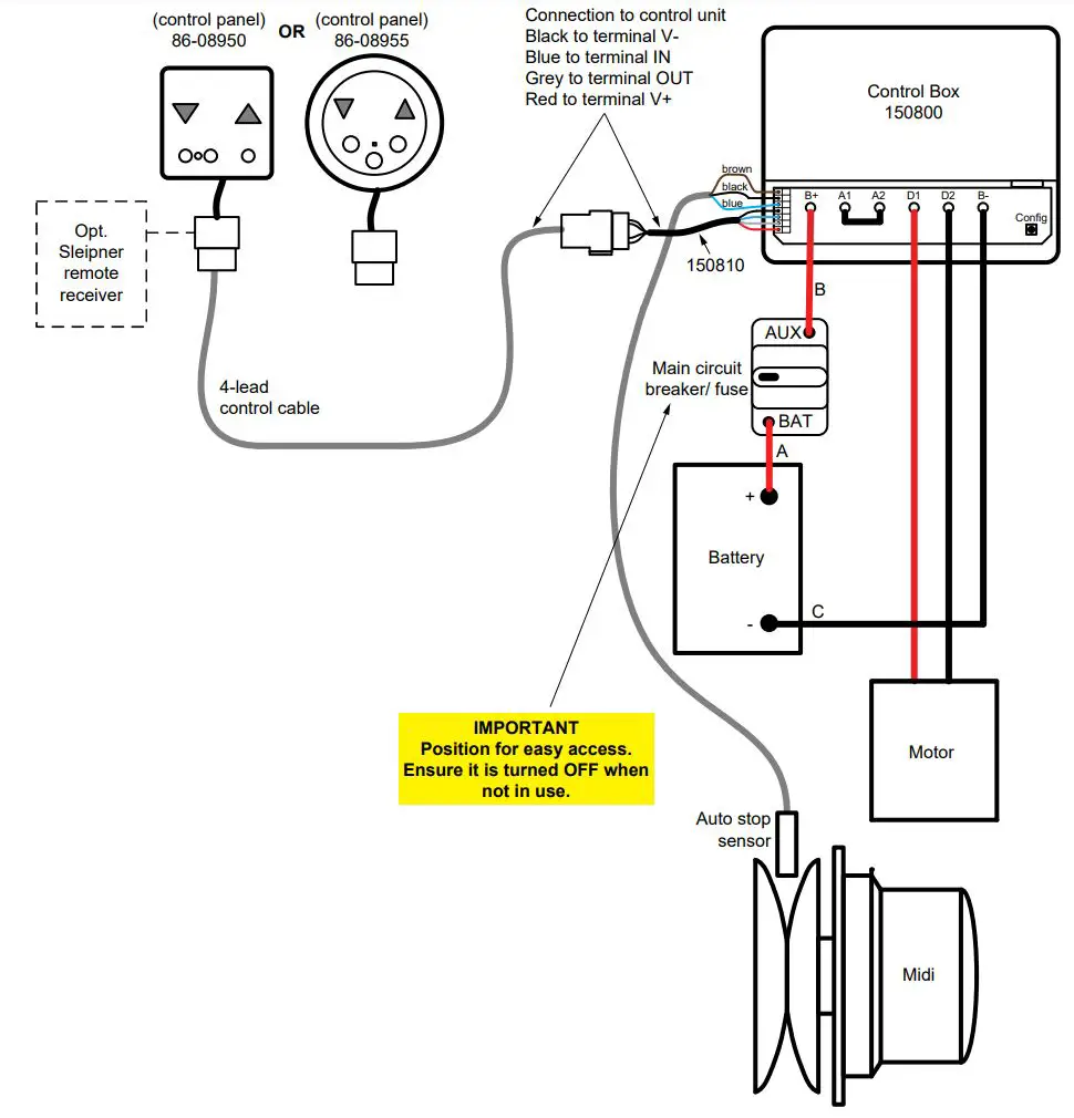
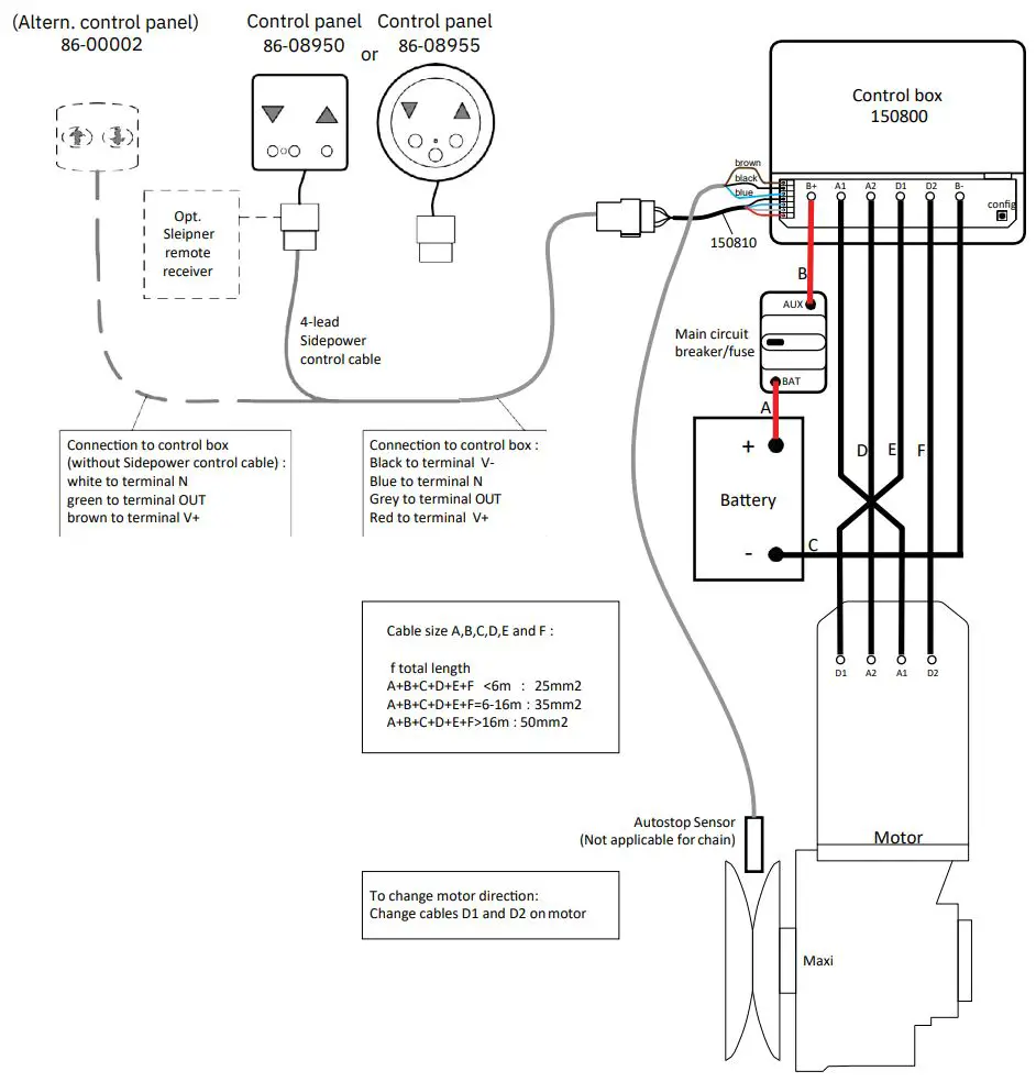
- Connecting switch panel 86-08950 or 86-08955
• 4-way Sleipner cable come in various lengths.
• 4-way Sleipner cable are easy attached to contacts on control box unit (150810).
• The cable must be attached to 150810 contact unit.
• See wiring diagram or control panel manuals for more details.
• Multiple panels can be fixed to the same control unit. - Connecting the auto stop sensor Cables are connected like this:
: Brown (BN)
: Black (BK)
: Blue (BU)

Visual Wiring Diagram
Cable size A, B and C:
if total length
A+B+C <10m: 25mm2
A+B+C >10m: 35mm2
To change motor direction:
Change cables D1 and D2 in control unit

Connecting the motor and battery cables on Maxi windlass
– Connect the four motor cables to the terminals masked A1/A2/D1/D2.
– Connect supply cable from battery negative to the terminal marked B-.
– Connect supply cable from breaker/fuse to the terminal marked B+. Connect beaker/fuse to battery main switch.
– Tighten all terminals properly, with a maximum torque of 5Nm. Over-tightening may damage the terminals.
– Leave breaker/fuse disconnected until the installation is completed.
IMPORTANT Position for easy access. Ensure it is turned OFF when
not in use.

Service and Support
Find your local professional dealer from our certified worldwide network for expert service and support. visit our website www.sleipnergroup.com/support
Product Spare Parts and Additional Resources
For additional supporting documentation, we advise you to visit our website www.sleipnergroup.com and find your Sleipner product.
Warranty statement
- Sleipner Motor AS (The “Warrantor”) warrants that the equipment (parts, materials, and embedded software of products) manufactured by the Warrantor is free from defects in workmanship and materials for purpose for which the equipment is intended and under normal use and maintenance service (the “Warranty”).
- This Warranty is in effect for two years (Leisure Use) or one year (Commercial and other Non-leisure Use) from the date of delivery/purchase by the end user, with the following exceptions; (a) For demonstration vessels, or vessels kept on the water, the dealer is considered as the end user from 6 months after their launch of the vessel; (b) The warranty period starts no later than 18 months after the first launch of the vessel. Please note that the boat manufacturer and dealer must pay particular attention to correct maintenance and service both by the products manuals as well as general good practice for the location the boat is kept in the period the boat is in their care. In cases where the 6 and 18 months grace periods for boat builders and dealers are passed, it is possible to obtain a full warranty upon inspection and approval of the warrantor or such representative.
- Certain parts, classified as wearable or service parts, are not covered by the warranty. A failure to follow the required maintenance and service work as described in the product manual render all warranty on parts or components directly or indirectly affected by this void. Please also note that for some parts, time is also a factor separately from actual operational hours.
- This Warranty is transferable and covers the equipment for the specified warranty period.
- The warranty does not apply to defects or damages caused by faulty installation or hook-up, abuse or misuse of the equipment including exposure to excessive heat, salt or fresh water spray, or water immersion except for equipment specifically designed as waterproof.
- In case the equipment seems to be defective, the warranty holder (the “Claimant”) must do the following to make a claim:
(a) Contact the dealer or service centre where the equipment was purchased and make the claim. Alternatively, the Claimant can make the claim to a dealer or service centre found at www.sleipnergroup.com. The Claimant must present a detailed written statement of the nature and circumstances of the defect, to the best of the Claimant’s knowledge, including product identification and serial nbr., the date and place of purchase and the name and address of the installer. Proof of purchase date should be included with the claim, to verify that the warranty period has not expired; (b) Make the equipment available for troubleshooting and repair, with direct and workable access, including dismantling of furnishings or similar, if any, either at the premises of the Warrantor or an authorised service representative approved by the Warrantor. Equipment can only be returned to the Warrantor or an authorised service representative for repair following a pre-approval by the Warrantor’s Help Desk and if so, with the Return Authorisation Number visible postage/shipping prepaid and at the expense of the Claimant. - Examination and handling of the warranty claim: (a) If upon the Warrantor’s or authorised service Representative’s examination, the defect is determined to result from defective material or workmanship in the warranty period, the equipment will be repaired or replaced at the Warrantor’s option without charge, and returned to the Purchaser at the Warrantor’s expense. If, on the other hand, the claim is determined to result from circumstances such as described in section 4 above or a result of wear and tear exceeding that for which the equipment is intended (e.g. commercial use of equipment intended for leisure use), the costs for the troubleshooting and repair shall be borne by the Claimant; (b) No refund of the purchase price will be granted to the Claimant, unless the Warrantor is unable to remedy the defect after having a reasonable number of opportunities to do so. In the event that attempts to remedy the defect have failed, the Claimant may claim a refund of the purchase price, provided that the Claimant submits a statement in writing from a professional boating equipment supplier that the installation instructions of the Installation and Operation Manual have been complied with and that the defect remains.
- Warranty service shall be performed only by the Warrantor, or an authorised service representative, and any attempt to remedy the defect by anyone else shall render this warranty void.
- No other warranty is given beyond those described above, implied or otherwise, including any implied warranty of merchantability, fitness for a particular purpose other than the purpose for which the equipment is intended, and any other obligations on the part of the Warrantor or its employees and representatives.
- There shall be no responsibility or liability whatsoever on the part of the Warrantor or its employees and representatives based on this Warranty for injury to any person or persons, or damage to property, loss of income or profit, or any other incidental, consequential or resulting damage or cost claimed to have been incurred through the use or sale of the equipment, including any possible failure or malfunction of the equipment or damages arising from collision with other vessels or objects.
- This warranty gives you specific legal rights, and you may also have other rights which vary from country to country.
Patents
At Sleipner we continually reinvest to develop and offer the latest technology in marine advancements. To see the many unique designs we have patented visit our website www.sleipnergroup.com/patents
Notes
________________________________________________________________________________________________________________________________________________________________________________________________________________________________________________________________________________________________________________________________________________________________________________________________________________________________________________________________________________________________________________________________________________
© Sleipner Motor AS, All rights reserved The information given in the document was right at the time it was published. However, Sleipner Group cannot accept liability for any inaccuracies or omissions it may contain. Continuous product improvement may change the product specifications without notice. Therefore, Sleipner Group cannot accept liability for any possible differences between product and document.
Register your product and learn more at www.sleipnergroup.com
SLEIPNER MOTOR AS P.O. Box 519 N-1612 Fredrikstad Norway www.sleipnergroup.com
Made in Norway



















