Quick Nautical Equipment DP1_P Vertical Windlass User Manual
Information about the product
BEFORE USING THE WINDLASS READ THESE INSTRUCTIONS CAREFULLY. IF IN DOUBT, CONTACT YOUR NEAREST “QUICK®” DEALER
QUICK® RESERVES THE RIGHT TO MODIFY THE TECHNICAL =CHARACTERISTICS OF THE EQUIPMENT AND THE CONTENTS OF THIS MANUAL WITHOUT PRIOR NOTICE. IN CASE OF DISCORDANCE OR ERRORS IN TRANSLATION BETWEEN THE TRANSLATED VERSION AND THE ORIGINAL TEXT IN THE ITALIAN LANGUAGE, REFERENCE WILL BE MADE TO THE ITALIAN TEXT.
Model code

DP1 Technical Data
| MODELS | DP1 P – / D | DP1 P HI SPEED (6) | |||
| MODEL POWER | 300W | 500W | 500W | ||
| Motor voltage | 12V | 12V | 24V | 12V | 24V |
| Maximum instantaneous pull | 370 kg (815.7 lb) | 660 kg (1455.0 lb) | 600 kg (1322.8 lb) | ||
| Maximum work load | 120 kg (264.5 lb) | 200 kg (440.9 lb) | 220 kg (485.0 lb) | 170 kg (374.8 lb) | 200 kg (440.9 lb) |
| Work load | 40 kg (88.2 lb) | 65 kg(143.3 lb) | 70 kg(154.3 lb) | 65 kg(143.3 lb) | 70 kg(154.3 lb) |
| Current consumption at work load (1) | 60 A | 80 A | 40 A | 100 A | 50 A |
| Maximum recovery speed (2) | 26.3 m/min (86.3 ft/min) | 25.2 m/min (83.0 ft/min) | 39.0 m/min (128.0 ft/min) | ||
| Recovery speed at work load (2) | 22.5 m/min (73.8 ft/min) | 18.5 m/min (60.7 ft/min) | 19.3 m/min (63.3 ft/min) | 28.5 m/min (93.5 ft/min) | 28.0 m/min (91.8 ft/min) |
| Minimum motor cable cross section (3) | 16 mm² (AWG5) | 10 mm² (AWG7) | 25 mm² (AWG3) | 10 mm² (AWG7) | |
| Circuit breaker (4) | 50 A | 60 A | 40 A | 80 A | 40 A |
| Deck thickness (5) | 20 ÷ 30 mm (25/32” ÷ 1” 3/16) | ||||
| Weight-model without drum | 8.3 Kg (18.3 lb) | ||||
| Weight-model with drum | 9.3 Kg (20.5 lb) | ||||
- After an initial period of use.
- Measurements taken with a gypsy for 6 mm chain
- Minimum recommended value for total length L= <20 m. Determine the cable cross section according to the length of the wiring.
- With specific circuit breaker for direct current (DC) and delayed circuit breaker (thermal-magnetic or hydraulic-magnetic).
- On request, shafts and studs can be supplied for greater deck thicknesses.
- Only on request.
| GYPSY (*) | 6 mm | 1/4” | |
| Chain size | 6mm | 6mm | 1/4” |
| DIN 766 | ISO | BBB | |
DP2 Technical Data
| MODELS | DP2 P – / D | HI SPEED (6) | |||
| MODEL POWER | 300W | 500W | 500W | ||
| Motor voltage | 12V | 12V | 24V | 12V | 24V |
| Maximum instantaneous pull | 370 kg (815.7 lb) | 660 kg (1455.0 lb) | 600 kg (1322.8 lb) | ||
| Maximum work load | 120 kg (264.5 lb) | 200 kg (440.9 lb) | 220 kg (485.0 lb) | 170 kg (374.8 lb) | 200 kg (440.9 lb) |
| Work load | 40 kg (88.2 lb) | 65 kg (143.3 lb) | 70 kg (154.3 lb) | 65 kg (143.3 lb) | 70 kg (154.3 lb) |
| Current consumption at work load (1) | 65 A | 80 A | 40 A | 100 A | 50 A |
| Maximum recovery speed (2) | 29.2 (m/min) (95.8 ft/min) | 28.9 (m/min) (94.8 ft/min) | 28.2 (m/min) (92.5 ft/min) | 43.0 (m/min) (141.1 ft/min) | 42.5 (m/min) (139.4 ft/min) |
| Recovery speed at work load (2) | 24.4 m/min (73.8 ft/min) | 24.3 m/min (60.7 ft/min) | 24.1 m/min (63.3 ft/min) | 34.5 m/min (93.5 ft/min) | 35 m/min(91.8 ft/min) |
| Minimum motor cable cross section (3) | 16 mm² (AWG5) | 10 mm² (AWG7) | 25 mm² (AWG3) | 10 mm² (AWG7) | |
| Circuit breaker (4) | 50 A | 60 A | 40 A | 80 A | 40 A |
| Deck thickness (5) | 25 ÷ 50 mm (63/64” ÷ 1” 31/32) | ||||
| Weight-model without drum | 9.0 Kg (19.8 lb) | ||||
| Weight-model with drum | 9.8 Kg (21.6 lb) | ||||
| MODELS | DP2 P – / D | ||||
| MODEL POWER | 700W | 1000W | |||
| Motor voltage | 12V | 24V | 12V | 24V | |
| Maximum instantaneous pull | 680 kg (1499 lb) | 930 kg (2050 lb) | |||
| Maximum work load | 300 kg (661 lb) | 320 kg (705 lb) | 420 kg (925 lb) | 480 kg (1058 lb) | |
| Work load | 100 kg (220 lb) | 170 kg (235 lb) | 140 kg (308 lb) | 160 kg (352 lb) | |
| Current consumption at work load (1) | 95 A | 50 A | 130 A | 75 A | |
| Maximum recovery speed (2) | 22.6 m/min (74.15 ft/min) | 25.3 m/min (83.0 ft/min) | 31.2 m/min (102.4 ft/min) | 30.1 m/min (98.8 ft/min) | |
| Recovery speed at work load (2) | 11.6 m/min (38 ft/min) | 14.4 m/min (47.2 ft/min) | 16.5 m/min (54 ft/min) | 19.1 m/min (62.6 ft/min) | |
| Minimum motor cable cross section (3) | 25 mm2 (AWG3) | 10 mm² (AWG7) | 35 mm² (AWG3) | 16 mm² (AWG7) | |
| Circuit breaker (4) | 50 A | 40 A | 80 A | 50 A | |
| Deck thickness (5) | 25 ÷ 50 mm (63/64” ÷ 1” 31/32) | ||||
| Weight-model without drum | 12.8 Kg (28.2 lb) | 14.2 Kg (31.3 lb) | |||
| Weight-model with drum | 13.7 Kg (30.2 lb) | 15.1 Kg (33.3 lb) | |||
- After an initial period of use.
- Measurements taken with a gypsy for 6 mm chain
- Minimum recommended value for total length L= <20 m. Determine the cable cross section according to the length of the wiring.
- With specific circuit breaker for direct current (DC) and delayed circuit breaker (thermal-magnetic or hydraulic-magnetic).
- On request, shafts and studs can be supplied for greater deck thicknesses.
- Only on request.
| GYPSY (*) | 6 mm | 7 mm – 1/4” | 8 mm | 5/6” | |||||
| Chain size | 6mm | 6mm | 7 mm | 7 mm | 1/4” | 1/4” | 8 mm | 8 mm | 5/6” |
| DIN 766 | ISO | DIN 766 | ISO | G4 | BBB | DIN 766 | ISO | G4 | |
| Rope size** | 1/2” | 1/2” | 1/2” | 1/2” | 1/2” | ||||
(*) For gypsy codes, see the exploded drawing on page 17.
**The values in the table apply to the combination of rope and chain according to the Quick® system, we do not guarantee the correct operation with other anchor-rode types.
DP3 Technical Data
| MODELS | DP3 P – / D | |||
| MODEL POWER | 700W | 1000W | ||
| Motor voltage | 12V | 24V | 12V | 24V |
| Maximum instantaneous pull | 850 kg (1873.9 lb) | 1000 kg (2204.6 lb) | ||
| Maximum work load | 250 kg (551.1 lb) | 300 kg (661.4 lb) | 370 kg (815.7 lb) | 450 kg (992 lb) |
| Work load | 80 kg (176.4 lb) | 100 kg (220.5 lb) | 120 kg (264.5 lb) | 150 kg (330.7 lb) |
| Current consumption at work load (1) | 90 A | 55 A | 140 A | 80 A |
| Maximum recovery speed (2) | 27.4 m/min (89.9 ft/min) | 26.4 m/min (86.6 ft/min) | 39.6 m/min (129.9 ft/min) | 40.9 m/min (134.2 ft/min) |
| Recovery speed at work load (2) | 14.4 m/min (47.2 ft/min) | 14.8 m/min (48.5 ft/min) | 20.4 m/min (66.9 ft/min) | 21.4 m/min (70.2 ft/min) |
| Minimum motor cable cross section (3) | 25 mm² (AWG3) | 10 mm² (AWG7) | 35 mm² (AWG2) | 16 mm² (AWG5) |
| Circuit breaker (4) | 50 A | 40 A | 80 A | 50 A |
| Deck thickness (5) | 25 ÷ 50 mm (63/64” ÷ 1” 31/32) | |||
| Weight-model without drum | 16.4 Kg (36 lb) | 17.4 Kg (38 lb) | ||
| Weight-model with drum | 18.4 Kg (40 lb) | 19.4 Kg (42.2 lb) | ||
| MODELS | DP3 – / D | |
| MODEL POWER | 1500W | |
| Motor voltage | 12V | 24V |
| Maximum instantaneous pull | 1100 Kg (2425.1 lb) | |
| Maximum work load | 470 kg (1036.2 lb) | 540 kg (1190.5 lb) |
| Work load | 160 Kg (352.7 lb) | 180 kg (396.8 lb) |
| Current consumption at work load (1) | 155 A | 85 A |
| Maximum recovery speed (2) | 29.2 m/min (95.8 ft/min) | 29.7 m/min (97.4 ft/min) |
| Recovery speed at work load (2) | 16.3 (53.5 ft/min) | 19.0 (62.3 ft/min) |
| Minimum motor cable cross section (3) | 50 mm² (AWG0) | 25 mm² (AWG7) |
| Circuit breaker (4) | 100 A | 50 A |
| Deck thickness (5) | 30 ÷ 50 mm (1” 3/16” ÷ 1” 31/32) | |
| Weight-model without drum | 21.3 Kg (46 lb) | |
| Weight-model with drum | 23.2 Kg (51 lb) | |
- After an initial period of use.
- Measurements taken with a gypsy for 8 mm chain
- Minimum recommended value for total length L= <20 m. Determine the cable cross section according to the length of the wiring.
- With specific circuit breaker for direct current (DC) and delayed circuit breaker (thermal-magnetic or hydraulic-magnetic).
- On request, shafts and studs can be supplied for greater deck thicknesses.
| GYPSY (*) | 8 mm – 5/16” | 10 mm- 3/8” | ||||
| Chain size | 8 mm | 8 mm | 5/16” | 5/16” | 10mm | 3/8” |
| DIN 766 | ISO | G4 | BBB | ISO (P.30) | G4 | |
| Rope size** | 1/2” (12.7 mm) – 9/16” (14.2 mm) – 5/8” (15.8 mm) | 5/8” (15.8 mm) | ||||
Supply and equipment
Standard supply and material included in the package
- Windlass (top+gearmotor)
- Reversing contactor box for DP1/DP2 300-500W
- Contactor box for DP2/DP3 700-1000W
Base gasket - Lever
- Screws for assembly, top/gearmotor
- Installation and user’s manual, Warranty
- Drilling template
Tools required for installation
DBP1
- Drill with bit: Ø 9 mm (23/64”) and Ø 11 mm (7/16”)
- Hole saw Ø 46 mm (1” 13/16) and Ø 62 mm (2” 7/16)
- Hex wrench: 13 mm
DP2
- Drill with bit: Ø 9 mm (23/64”) and Ø 11 mm (7/16”)
- Hole saw Ø 51 mm (2”) and Ø 64 mm (2” 1/2)
- Hex wrench: 13 mm
DP3
- Drill with bit: Ø 9 mm (23/64”) and Ø 16 mm (5/8”)
- Hole saw: Ø 65 mm (2”9/16) and Ø 67 mm (2”5/8)
- Hex wrench: 13 mm
Recommended Quick® accessories not included
- Controls for control board (WCS 820 – WCS B – WCS 830)
- Waterproof push-button panel (HRC 1002)
- Foot switch (900)
- Hydraulic-magnetic circuit breaker (WCB)
- Anchor chain counter (CHC 1103 – CHC 1203 – QNC CHC)
- Control system via RRC radio (R02 – P02 – H02)
Introduction
BEFORE USING THE PRODUCT, PLEASE READ THIS USER’S MANUAL CAREFULLY. IF IN DOUBT, PLEASE CONSULT YOUR QUICK® DEALER.
Important notes
This manual features Warning and/or Caution symbols that are important for safety. Please follow the instructions provided.
Warning symbol indicating dangerous situations.
Caution symbol to prevent direct or indirect damage to the product.
This manual provides boat manufacturers and nautical equipment installers with instructions on how to assemble the specified Quick® product and operate it correctly
Introduction
Precautions
Quick® windlasses are designed and manufactured to weigh the anchor.
- Do not use these products for any other type of operation.
- Quick® shall not be held liable for direct or indirect damage caused by
- mproper use of the product.
•The windlass is not designed to support loads generated in particular weather conditions (storm). - WEIGHING THE ANCHOR Turn on the engine
- Operate the product from a position where it is possible to supervise the work area.
- Always deactivate the windlass when not being used.
- Make sure that there are no bathers nearby before dropping the anchor.
- The splice between the rope and the chain must be tightly woven for the rope to slide easily into the gypsy shape. For any problem or request, feel free to contact Quick® Technical Service.
- For improved safety, we recommend installing at least two controls to operate the windlass in case one is damaged.
- We recommend the use of Quick® switch as motor safety device.
- Secure the chain with a retainer before sailing off.
- The reversing contactor box must be installed in a position protected from any water entry.
- After completing the anchorage, secure the chain to fixed points such as chain stopper or bollard.
- To prevent accidental releases, the anchor must be secured. The windlass must not be used as sole securing device.
- Isolate the windlass from the electrical system during navigation and secure the rope to a fixed point of the boat.
- This equipment is not intended for use by people (including children) with reduced physical, sensory or mental capabilities.
Precautions for the installer
CARRY OUT THE INSTALLATION IN GOOD LIGHTING CONDITIONS.
It is advisable to wear suitable clothing and personal protective equipment (PPE).
The product is not suitable for installation in potentially explosive environments and/or atmospheres. Installation and subsequent inspection or repair work must only be carried out by qualified personnel.
CARRY OUT INSTALLATION/MAINTENANCE WORK MAKING SURE THAT THE PRODUCT IS DISCONNECTED
FROM THE ELECTRICAL SYSTEM.
Quick® accepts no responsibility for inadequate connection of users to the electrical system and inadequate safety of the electrical system.
Installation
Installation requirements
A ROLLER ALIGNMENT
The windlass must be positioned by aligning the gypsy with the bow roller (fig. 1A / 2A). Precise alignment of the windlass is essential for the correct operation of the product. A positive chain tilt of up to 10° is allowed (fig. 2A). An excessive negative tilt of the chain could interfere with the windlass base (fig. 3A / 4A).
B DECK LEVEL
Ensure that the upper and lower surfaces of the deck are as parallel as possible. If this is not the case, compensate the difference appropriately (fig. B). A lack of parallelism could result in a loss of motor power. The deck thickness must be included among the figures listed in the table. In case of different thickness, please contact your Quick® dealer.
C PEAK DEPTH AND BOW ROLLER HEIGHT
There must be no obstacles to the passage of cables, rope and chain under deck (fig. 1C). Insufficient depth of the peak could cause chain jamming (fig. 2C). A positive tilt of the chain in relation to the deck level of up to 5° is allowed (fig. 1C). An excessive negative tilt of the chain could interfere with the windlass base (fig. 2C).
Installation procedures
A. Identify the ideal position and drill the holes using the drilling template supplied.
B. Remove the excess material from the rope/chain passage hole, finish it and smooth it with a specific product (marine paint, epoxy resin or gel) ensuring the free passage of the chain.
C. Position the upper section inserting the gasket between the deck and the base, and connect it to the lower section inserting the shaft into the gearbox. Fix the windlass by screwing the nuts onto the fixing studs. Connect the supply cables from the windlass to the reversing contactor unit.
Flange mounting DPSeries 700W – 1000W
Flange A can be fixed on both sides of gearbox B.
To change from mode 1 to mode 2 unscrew screws C and D and separate the two parts A and B, turn gearbox B by 180° and reassemble it with screws C and D.
The two modes allow greater versatility in mounting the motor gearbox, while maintaining the same overall dimensions.
Motorgearbox rotation
It is possible to rotate the motorgearbox every 45° in relation to the base of the windlass. Possible motorgearbox positions:
Motorgearbox 300/500W
Motorgearbox 700/1000W
Motorgearbox 1500W
Wiring diagram
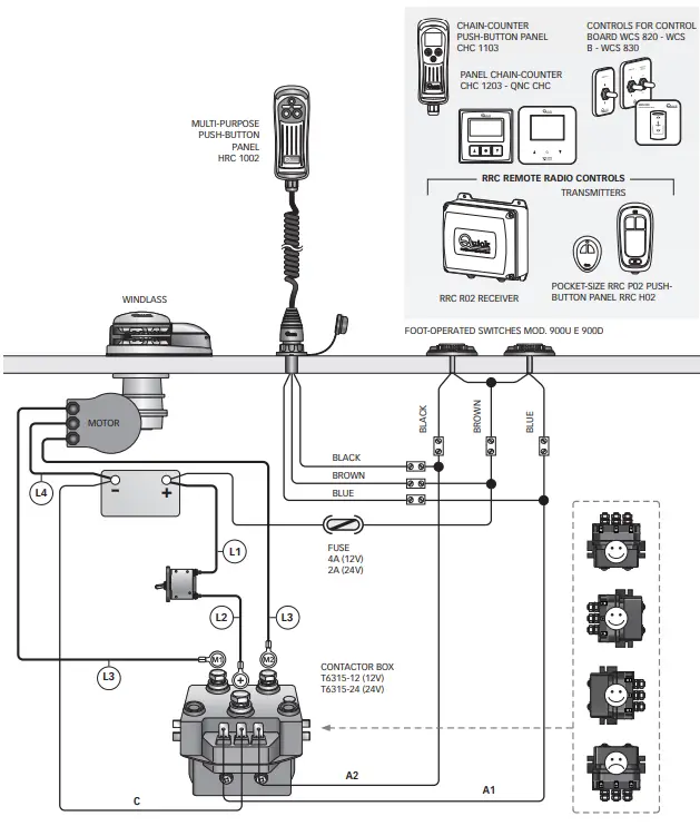
Example of connection DP1-DP2 P 300W – 500W with recommended Quick® accessories for the operation of the windlass
Example of connection DP2 P 700W – 1000W / DP3 1500W with recommended Quick® accessories for the operation of the windlass
Cautions & Use
Important cautions
Stay clear of chains, ropes and gypsy.- Operate the windlass from a position where it is possible to supervise the work area
- Make sure the electric motor is not powered when the windlass is used manually (even when using the handle to disengage the clutch), because people with windlass remote controls (remote push-button panel or radio control) might accidentally operate it.
- Secure the chain with a retainer before sailing off.
- DO NOT operate the windlass by using the electrical power when the handle is inserted in the drum or into the gypsy cover.
Quick® recommends using a suitable power fuse/thermal magnetic/hydraulic-magnetic protection for the motor used, to protect the motor from overheating or short circuits.- The circuit breaker can be used to isolate the windlass control circuit, thus avoiding accidental activation.
Clutch use
The clutch (B) provides a link between the gypsy and the main shaft (A). The clutch can be released (disengagement) by using handle (C) which, when inserted into bush (D) of the drum or into the gypsy cover (6), must be turned counter-clockwise. The clutch will be re-engaged by turning it clockwise.
WEIGHING THE ANCHOR
- A Turn on the boat engine.
- B Make sure the clutch is engaged and remove the handle.
- C Press the UP button on the control provided.
Check the upward movement of the chain for the last few meters in order to avoid damage to the bow.
CASTING THE ANCHOR
The anchor can be cast by using the electrical controls or manually
Manually
The clutch must be disengaged allowing the gypsy to revolve and letting the chain or rope fall into the water. To slow down the chain, the handle must be turned counter-clockwise.
Electrically
To cast the anchor by using the electrical power, press the DOWN button on the control provided. In this manner, anchor casting is under control and the chain unwinds evenly.
In order to avoid any stress on the windlass once the boat is anchored, fasten the chain or secure it to a firm hold with a rope.
Troubleshooting
If the windlass stops and the hydraulic magnetic (or thermal magnetic*) switch has not tripped, wait a few seconds and try again (avoid keeping the button pressed).
If the hydraulic magnetic switch, has tripped, reset it and wait a few minutes before weighing anchor once again.
If, after a number of attempts, the windlass is still blocked, we suggest to move the boat to release the anchor.
Maintenance
WARNING: make sure the electrical power to the motor is switched off when working manually on the windlass. Carefully remove the chain from the gypsy or the rope from the drum.
Quick® windlasses are made of materials resistant to the marine environment: it is essential, in any case, to periodically remove salt deposits that form on the external surfaces to avoid corrosion and consequently damage to the device. Thoroughly wash the surfaces and parts where salt can deposit with fresh water. nce a year, disassemble the gypsy and the drum according to the following sequence:
Drum version
- Use the handle (1) to loosen the bush (2); pull off the drum (3)
- Remove the top clutch cone (9)
- Open the chain guide cover (16)
- Undo the retaining screws (20) to remove the chain stripper (21)
- Remove the gypsy (10)
- Remove the bottom clutch cone (9)
No-drum version
- Use the handle (1) to remove the gypsy cover (6)
- Remove the top clutch cone (9)
- Open the chain guide cover (16)
- Undo the retaining screws (20) to remove the chain stripper (21)
- Remove the gypsy (10)
- Remove the bottom clutch cone (9)
Clean all the parts removed to avoid corrosion, and grease (with marine grease) the shaft thread and the gypsy where the
clutch cones rest.
Remove any oxide deposits from the terminals of the electric motor and the reversing contactor unit; grease them.
If required, windlass must be disassembled by qualified personnel. Make sure that the gearmotor is cold before disassembling it. The disposal must be carried out according to the regulations of the place where the work is carried out.
Product disposal
As with installation, at the end of this product life, dismantling must be carried out by qualified personnel.
This product is made up of various materials, some can be recycled and others must be suitably disposed of; enquire about the recycling or disposal systems provided for by local regulations for this product category. Some parts of the product may contain pollutants or hazardous substances that, if dispersed, may be harmful to the environment and human health.
As indicated by the symbol on the side, it is forbidden to dispose of this product as domestic waste. Separate the products for disposal in accordance with the regulations in force in your area or return the product to the seller when purchasing a new equivalent product. Local regulations may impose severe penalties for the improper disposal of this product.
List of components DP1

No. NAME
- STRAIGHT WINDLASS LEVER – NYLON
- BUSH
- DRUM
- SHAFT DP1 D
- KEY
- GYPSY COVER
- ALBERO DP1
- KEY
- CLUTCH CONE DP1
- GYPSY 500W
- OIL SEAL
- INTERNAL SNAP RING
- EXTERNAL SNAP RING
- BEARING
- OIL SEAL
- CHAIN GUIDE COVER DP1
- PLASTIC CHAIN PIPE DP1
- SCREW
- SCREW
- SCREW
- CHAIN STRIPPER DP1 STAINLESS STEEL
- PIN
- SCREW
- BASE COVER DP1 STAINLESS STEEL
- COVER INSERT DP1 PLASTIC
- NUT
- NUT
- BASE DP1 ANODIZED ALUM.
- GASKET
- SENSOR
- STUD
- WASHER
- SERRATED WASHER
- NUT
List of components DP2

No. NAME
- CURVED WINDLASS LEVER 700-1000W
- STRAIGHT WINDLASS LEVER 300-500W
- CHROMED DRUM BUSH DP2
- DRUM – 800W
- GYPSY COVER
- TOP CLUTCH CONE
- COMPLETE GYPSY DP2
- BOTTOM CLUTCH CONE
- SCREW
- SHAPED WASHER
- OIL SEAL
- INTERNAL SNAP RING
- EXTERNAL SNAP RING
- BEARING
- OIL SEAL
- SHAFT DP2 700/1000W
- HAFT DP2 D 700/1000W
- SHAFT DP2 300/500W
- SHAFT DP2 D 300/500W
- KEY
- KEY
- KEY
- CHAIN GUIDE COVER DP2
- CHAIN PIPE INSERT DP2 PLASTIC
- SCREW
- PRESSURE LEVER SPRING
- PRESSURE LEVER DP2
- CYLINDRICAL PIN
- SCREW
- SCREW
- SCREW
- CHAIN PIPE SERIES DP2 PLASTIC
- SCREW
- BASE COVER SERIES DP2 STAINLESS STEEL
- COVER INSERT DP2 PLASTIC
- WINDLASS GASKET DP2
- CYLINDRICAL REED SENSOR
- STUD
- WASHER
- SERRATED WASHER
- NUT
List of components DP3

No. NAME
- CURVED WINDLASS LEVER
- O-RING
- CHROMED DRUM BUSH DP3
- DRUM 1000W
- GYPSY COVER
- TOP CONE
- GYPSY
- BOTTOM CONE
- SCREW
- SHAPED WASHER
- OIL SEAL
- INTERNAL SNAP RING
- EXTERNAL SNAP RING
- BEARING
- ALBERO DP3
- OIL SEAL
- KEY
- SHAFT DP3 D
- CHAIN GUIDE COVER
- SCREW
- SCREW
- CHAIN PIPE INSERT
- PRESSURE LEVER SPRING
- PRESSURE LEVER
- CYLINDRICAL PIN
- SCREW
- SCREW
- SCREW
- SCREW
- CHAIN PIPE SERIES DP3
- SCREW
- BASE COVER DP3
- COVER INSERT DP3
- ROUND BASE DP3
- NUT
- NUT
- NUT
- GASKET/TEMPLATE DPR
- SENSOR
- STUD
- WASHER
- SERRATED WASHER
- NUT
List of motorgearbox components
MOTORGEARBOX 300/500W DP1 P – DP2 P
POS NAME
- GEARBOX FLANGE GASKET TOP TG50
- GEARBOX – QUICK TG50 1000W
- WASHER
- SELF-LOCKING NUT
- MOTORGEARBOX GASKET
- KEY
- A MOTOR 700W 12V 7B MOTOR 1000W 12V 7C MOTOR 700W 24V 7D MOTOR 1000W 24V
- A CARTER 700W 8B CARTER 1000W
- TERMINAL BOARD GASKET 700/1000W
- TERMINAL BOARD COVER 700/1000W
- SCREW
- BOTTOM GASKET 700/1000W
- BOTTOM COVER 700/1000W
- CABLE GLAND
MOTORGEARBOX 1500W DP3

POS NAME
- GEARBOX FLANGE GASKET TOP TG60
- WASHER
- SELF-LOCKING NUT
- O-RING
- GEARBOX – QUICK TG70 1500W
- KEY
- A MOTOR 1500W 12V 7A MOTOR 1500W 24V
- MOTOR CASING 1000/1400W
- ERMINAL BOARD GASKET
- TERMINAL BOARD COVER
- SCREW
- SCREW
- BOTTOM GASKET
- BOTTOM COVER
- CABLE GLAND
Spare parts
DP1
See exploded drawing on page 16 DP1
| CODE | DESCRIPTION | NUMB. OF PARTS |
| FVSSGMSDCP05000 | OSP DRUM BUSH DP1 | 2 |
| FVSSMSE04000A00 | OSP WINDLASS DRUM DP1 | 3 |
| FVSSCPBBA050A00 | OSP GYPSY COVER DP1 | 6 |
| FVSSCFDP1000A00 | OSP CLUTCH CONE KIT DP1 | 9 |
| FVSSB0401400A00 | OSP GYPSY 1/4″ DP1/E1 | 10 |
| FVSSB0406000A00 | OSP GYPSY 6mm DP1/E1 | |
| FVSSBDP10C00A00 | OSP WINDLASS BASE DP1 SERIES COMP | from 16 to 34 |
| FVSSADP10000A00 | OSP SHAFT KIT DP1 | 5 – 7 – 8 from 11 to 15 |
| FVSSADP100D0A00 | OSP SHAFT KIT DP1 D | 4 – 5 from 11 to 15 |
| FVSSPSCDP100A00 | OSP CHAIN PIPE KIT DP1 | 17 – 19 – 20 |
| FVSSCPSCDP10A00 | OSP CHAIN GUIDE COVER KIT DP1 | 16 |
| FVSSTDP1D001A00 | OSP TOP DP1 1/4” D | 2 – 3 – 4 – 5 from 9 to 34 |
| FVSSTDP1D006A00 | OSP TOP DP1 6mm D | |
| FVSSTDP10001A00 | OSP TOP DP1 1/4” | 5 – 6 – 7 – 8 from 9 to 34 |
| FVSSTDP10006A00 | OSP TOP DP1 6mm | 5 – 6 – 7 – 8 from 9 to 34 |
| FVSSLVSDN0000A00 | OSP STRAIGHT WINDLASS LEVER | 1 |
DP2
Refer to the exploded drawing on page 17 DP2
| CODE | DESCRIPTION | NUMB. OF PARTS |
| FVSSBDP20140A00 | OSP GYPSY DP2 1/4” | 7 – 9 |
| FVSSBDP20516A00 | OSP GYPSY DP2 5/16” | |
| FVSSBDP20600A00 | OSP GYPSY DP2 6MM | |
| FVSSBDP20800A00 | OSP GYPSY DP2 8MM | |
| FVSSBDP2LC00A00 | OSP WINDLASS BASE DP2 SERIES COMP | FROM 23 TO 41 |
| FVSSBDP2SC00A00 | OSP WINDLASS BASE DP2 SERIES COMP | |
| FVSSCPSCDP20A00 | OSP CHAIN GUIDE COVER KIT DP2 | 23 |
| FVSSTDP2DL01A00 | OSP TOP DP2 D L 1/4” | 3 – 4 FROM 6 TO 15 17 – 20 FROM22 TO 41 |
| FVSSTDP2DL05A00 | OSP TOP DP2 D L 5/16” | |
| FVSSTDP2DL06A00 | OSP TOP DP2 D L 6MM | |
| FVSSTDP2DL08A00 | OSP TOP DP2 D L 8MM | |
| FVSSTDP2DS01A00 | OSP TOP DP2 D S 1/4” | 3 – 4 FROM 6 TO 15 – 19 FROM 21TO 41 |
| FVSSTDP2DS05A00 | OSP TOP DP2 D S 5/16” | |
| FVSSTDP2DS06A00 | OSP TOP DP2 D S 6MM | |
| FVSSTDP2DS08A00 | OSP TOP DP2 D S 8MM | |
| FVSSTDP20L01A00 | OSP TOP DP2 L 1/4” | FROM 5 TO 16 – 20 – FROM 23 TO41 |
| FVSSTDP20L05A00 | OSP TOP DP2 L 5/16” | |
| FVSSTDP20L06A00 | OSP TOP DP2 L 6MM | |
| FVSSTDP20L08A00 | OSP TOP DP2 L 8MM | |
| FVSSTDP20S01A00 | OSP TOP DP2 S 1/4” | FROM 5 TO 15 – 18 – 21 FROM 23TO 41 |
| FVSSTDP20S05A00 | OSP TOP DP2 S 5/16” | |
| FVSSTDP20S06A00 | OSP TOP DP2 S 6MM | |
| FVSSTDP20S08A00 | OSP TOP DP2 S 8MM | |
| FVSSADP2000LA00 | OSP SHAFT KIT DP2 L | 11 FROM 13 TO 16 20 |
| FVSSADP2000SA00 | OSP SHAFT KIT DP2 S | 11 FROM 13 TO 15 18 – 21 |
| FVSSADP200DLA00 | OSP SHAFT KIT DP2 D L | 11 FROM 13 TO 15 17 – 20 – 22 |
| FVSSADP200DSA00 | OSP SHAFT KIT DP2 D S | 11 FROM 13 TO 15 19 – 21 – 22 |
| FVSSCFASC000A00 | OSP CLUTCH CONE KIT DP2 | 6 – 8 |
| FVSSCPBBASG0A00 | OSP GYPSY COVER DP2 | 5 |
| FVSSMSE0800XA00 | OSP WINDLASS DRUM DP2 | 4 |
| FVSSPSCDP200A00 | OSP CHAIN PIPE KIT DP2 | 24 – 25 – 29 – 30 – 32 |
| FVSSGMSDCP05000 | OSP DRUM BUSH DP2 | 3 |
| FVSSLVSDN000A00 | OSP STRAIGHT WINDLASS LEVER | 2 |
| FVSSLVSP00R2A00 | OSP CURVED WINDLASS LEVER R2 | 1 |
DP3
Refer to the exploded drawing on page 18
| CODE | DESCRIPTION | NUMB. OF PARTS |
| FVSSGMSDP300000 | OSP DRUM BUSH “SERIES DP3” | 2 – 3 |
| FVSSMSE10DP3A00 | OSP WINDLASS DRUM 1000W DP3 | 4 |
| FVSSTDP3D008A00 | OSP TOP DP3 D 8MM-5/16” | 2 -3 – 4 from 6 to 43 |
| FVSSTDP3D010A00 | OSP TOP DP3 D 10MM-3/8” | |
| FVSSADP300D0A00 | OSP SHAFT KIT DP3 D | from 11 to 14 – 16 – 17 – 18 |
| FVSSLVSP00R2A00 | OSP CURVED WINDLASS LEVER R2 | 1 |
| FVSSCPBBA100A00 | OSP GYPSY COVER DP3 | 5 |
| FVSSTDP30008A00 | OSP TOP DP3 8MM-5/16” | from 5 to 17 – from 19 to 43 |
| FVSSTDP30010A00 | OSP TOP DP3 10MM-3/8” | |
| FVSSADP30000A00 | OSP SHAFT KIT DP3 | from 11 to 17 |
| FVSSCPSCDP30A00 | OSP CHAIN GUIDE COVER KIT DP3 | 19 |
| FVSSTCDP3000A00 | OSP PRESSURE LEVER KIT DP3 | 23 – 24 -25 |
| FVSSPSCDP300A00 | OSP CHAIN PIPE KIT DP3 | 20 – 21 – 22 – from 26 to 30 |
| FVSSBDP38516A00 | OSP GYPSY DP3 8MM-5/16” | 7 – 9 |
| FVSSBDP31038A00 | OSP GYPSY DP3 10MM-3/8” | |
| FVSSCFANHC00A00 | OSP CLUTCH CONES DP3 | 6 – 8 |
| FVSSBDP310C00A00 | OSP WINDLASS BASE DP3 SERIES COMP | from 19 to 43 |
MOTORGEARBOX 300/500W DP1 P – DP2 P
See exploded drawing on page 19
| CODE | DESCRIPTION | NUMB. OF PARTS |
| FVSSMR05TG40B00 | OSP GEARBOX 500W WINDLASS QUICK TG40 R1 | 1 – 2a – 3 – 4 – 12 |
| FVSSMR0540HSB00 | OSP GEARBOX 500W WINDLASS QUICK TG40 HS R1 | 1 – 2b – 3 – 4 – 12 |
| FVSSR0312Q00B00 | OSP MOTORGEARBOX 300W 12V QUICK R1 | 1 – 2a from 3 to 12 |
| FVSSR0512Q00B00 | OSP MOTORGEARBOX 500W 12V QUICK R1 | |
| FVSSR0512QHSB00 | OSP MOTORGEARBOX 500W 12V QUICK HS R1 | 1 – 2b from 3 to 11 |
| FVSSR0524Q00B00 | OSP MOTORGEARBOX 500W 24V QUICK R1 | 1 – 2a from 3 to 11 |
| FVSSR0524QHSB00 | OSP MOTORGEARBOX 500W 24V QUICK HS R1 | 1 – 2b from 3 to 11 |
| FVSSM0312000A00 | OSP WINDLASS MOTOR 300W 12V | 3 – 4 from 6a to 11 |
| FVSSM0512000A00 | OSP WINDLASS MOTOR 500W 12V | 3 – 4 from 6b to 11 |
| FVSSM0512000A00 | OSP WINDLASS MOTOR 500W 24V | 3 – 4 from 6c to 11 |
MOTORGEARBOX 700/1000W DP2 P – DP3 P
See exploded drawing on page 19
| CODE | DESCRIPTION | NUMB. OF PARTS |
| FVSSMR10TG50B00 | OSP GEARBOX 1000W QUICK WINDLASS R1 | from 1 to 5 |
| FVSSR0712Q00B00 | OSP MOTORGEARBOX 700W 12V QUICK R1 | from 1 to 14 |
| FVSSR1012Q00B00 | OSP MOTORGEARBOX 1000W 12V QUICK R1 | |
| FVSSR0724Q00B00 | OSP MOTORGEARBOX 700W 24V QUICK R1 | |
| FVSSR1024Q00B00 | OSP MOTORGEARBOX 1000W 24V QUICK R1 | |
| FVSSM0712000A00 | OSP WINDLASS MOTOR 700W 12V | from 3 – 14 (with 7A) |
| FVSSM1012000A00 | OSP WINDLASS MOTOR 1000W 12V | from 3 – 14 (with 7B) |
| FVSSM0724000A00 | OSP WINDLASS MOTOR 700W 24V | from 3 – 14 (with 7C) |
| FVSSM1024000A00 | OSP WINDLASS MOTOR 1000W 24V | from 3 – 14 (with 7D) |
MOTORGEARBOX 1500W DP3
See exploded drawing on page 19
| CODE | DESCRIPTION | NUMB. OF PARTS |
| FVSSMR15TG70A00 | OSP GEARBOX 1500W QUICK WINDLASS | from 1 to 5 |
| FVSSR1512Q00A00 | OSP MOTORGEARBOX 1500W 12V QUICK | from 1 to 15 |
| FVSSR1524Q00A00 | OSP MOTORGEARBOX 1500W 24V QUICK | |
| FVSSM1512000A00 | OSP WINDLASS MOTOR 1500W 12V | 2-3-4 from 6 to 15 |
| FVSSM1524000A00 | OSP WINDLASS MOTOR 1500W 24V |
Dimensions

| DPSeries P (-/D) | DP1 P 300W 500W | DP2 P 300W 500W | DP2 P 700W | DP2 P 1000W | DP3 P 700W | DP3 P 1000W | DP3 1500W |
| A | 75.4 (2 31/32) | 84.4 (3 5/16) | 84 (3 5⁄16) | 99 (3 57/64) | |||
| B Drum | 134 (5 9/32) | 140 (5 33/64) | 140 (5 1/2) | 166 (6 17⁄32) | |||
| C | 127.5 (5 1/64) | 127.5 (5 1/64) | 155 (6 7⁄64) | 155.4 (6 1/8) | 170.4 (6 45/64) | ||
| D | 182 (7 5/32) | 196 (7 23/32) | 196 (7 23/32) | 247 (9 11/16) | |||
| E | 85 (3 11/32) | 85 (3 11/32) | — | — | — | — | — |
| F | — | — | 141.5 (5 9/16) | 141.5 (5 9/16) | 161.5 (6 23/64) | ||
| G | 281 (11 1/16) | —- | — | — | — | ||
| H | — | — | 340 (13 24/64) | 355 (13 31/32) | 340 (13 24/64) | 355 (13 31/32) | 385 (15 5/32) |
| I | 69 (2 23/32) | 78 (3 1/16) | 78 (2 3/16) | 92 (3 5/8) | |||
| L | 61 (2 13/32) | 68 (2 43/64) | 68 (2 43/64) | 82 (3 7/32) | |||
QUICK® S.p.A. – Via Piangipane, 120/A – 48124 Piangipane (RAVENNA) – ITALY Tel. +39.0544.415061 – Fax +39.0544.415047 – www.quickitaly.com – [email protected]![]()



















