INSTALLATION MANUAL




Questions, problems, need help?
Call our customer service department at 1-866-839-2888,
9 a.m. – 5 p.m., EST, Monday – Friday
PART LIST

PART# DESCRIPTION QUANTITY
A: Flush valve 1
B: Fill valve 1
C: Toilet 1
D Supply line (not supplied) 1
E: Flush leve 1
F: Tank lid 1
G: Seat hardware 2
H: Seat 1
I: Hole cover 2
J: Flange hardware 1
K: Toilet seal ring 1
TOOLS REQUIRED (not supplied)

INSTALLATION
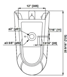
A. Ensure that your water inlet pipe and your floor discharge drain are installed according to bellow drawing. These are minimum measurements, the toilet can be installed if your actual measurements are longer than below.
TIP: Align 2 pieces of masking tape with the center of the drain, this will help you position the toilet in future steps.
B. Install the floor flange according to the manufacturer’s recommendations.
C. Position correctly the two fixing bolts of the floor flange. Then use the provided plastic nuts to help immobilize the bolts for subsequent steps.
D. Firmly push the seal ring onto the toilet’s drain, fixing the seal ring to the ceramic.

INSTALLATION
A. Position the toilet onto the floor flange, making sure the fixing bolts are aligned with the toilet’s holes.
B. Using an adjustable wrench, reach beside the toilet and tightly screw the nut to the fixing bolts. Cover the hole with the provided cover.
TIP: Soak the plastic cover in hot water (40°C) for 1min before installing it. It will soften the plastic and ease the installation.
C. Install the seat cover with its fixing hardware and with its decorative caps. Before tightening, move the pegs front and back to yield the desired seat position.
D. Insert the seat onto the toilet by pushing the two buttons and securing it to the fixing pegs.

INSTALLATION
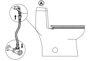
A. Connect the toilet to your water inlet valve, using the supply line (not supplied).
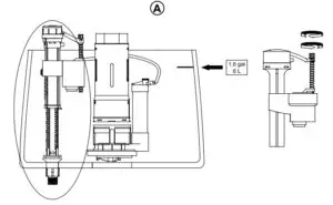
ADJUSTING THE WATER TANK LEVEL
A.Rotate the adjustable rod of the fill value to adjust the height of the floater.

REPAIRS
All replacement parts are available at any plumbing retailer. Please contact your local plumbing retailer for help.
MAINTENANCE AND CARE
For general cleaning, use mild, nonabrasive soap and warm water. Do not se abrasive cleaners (such cleaners contain sand or silica that will scratch the ceramic finish). Common bowl cleaners may be used on the ceramic surface. Do not use “in-tank” bowl cleaners because they contain corrosive chemicals that attack the tank’s components.
OVE LIMITED Product Warranty
Warranty Period: 5 years on fittings, 20 years on ceramic components.
Limited Warranty: OVE warrants to the original retail purchaser that within a reasonable time after notification from purchaser, OVE will repair or replace the Product, or any part or component of the covered Product,
distributed by OVE which is proven to the satisfaction of OVE to be defective in workmanship or materials, and which has failed during normal use and within the warranty period. This Limited Warranty does not
apply to Products that have been damaged, or which fail, as a result of causes other than manufacturing defects (such as but not limited to improper installation; lack of or improper care or maintenance; exposure
to elements including corrosive products, environments or water; alteration; abuse or misuse). This warranty does not cover damage to finishes. The warranty commences on the first date a Product is purchased
by the customer. This warranty applies exclusively to products purchased and used in the United States.
Warranty Claim Procedure: To make a claim please email OVE at [email protected] or call us at 1-866-839-2888 to trouble-shoot the issue and start the claim process. Products may be inspected
or evaluated by OVE and any Product, part or component found to meet the above warranty criteria will be repaired or replaced at OVE’s option. Replacement or repaired parts will be shipped at no cost to customer
via ground freight to US destinations only. Any expedited methods of shipments are customer’s expense.
DISCLAIMER AND EXCLUSION OF WARRANTIES: This warranty is meant to be a complete and exclusive statement of the terms of all limited warranties offered by OVE.
To the fullest extent permitted by law, other than the express warranty set forth in this instrument there are NO WARRANTIES, EXPRESS OR IMPLIED, INCLUDING ANY IMPLIED WARRANTIES OF
MERCHANTABILITY OR FITNESS FOR A PARTICULAR PURPOSE EXTENDED BY OVE. Some states do not allow the exclusion of, or limitations to the duration of, implied warranties so the above
limitation may not apply to you.
This warranty gives you specific legal rights. You may also have rights, which may vary under applicable state or national legislation, which cannot be disclaimed or modified by the above Disclaimer. Except as
permitted, the Disclaimer is not intended to waive, modify, release or limit the applicability of preemptive state or national legislation inconsistent with the terms of this Limited Warranty and Disclaimer. However,
to the extent permitted by law, no implied warranties of merchantability or fitness are intended or extended hereunder. Notwithstanding the Disclaimer if any implied warranty is imposed by operation of law, to the
extent permitted, the duration of such implied warranties is limited to the shorter of the term of the express warranty or the applicable statute of limitations.
The Products listed above are intended to be installed and used for personal, consumer residential use. Use of Products for any other purpose such as commercial purposes voids this warranty. The Limited Warranty
is applicable only to the Products listed herein, and no warranty is extended to products not distributed by OVE. The warranty is applicable only to the first retail purchaser.
Transferability: This warranty is not transferrable.
LIMITATION AND EXCLUSION OF REMEDIES AND DAMAGES: OVE’s sole responsibility under this Limited Warranty shall be to repair or replace, at its option, any defective Product, part and/
or component. In certain instances OVE reserves the right to provide refurbished parts. Purchaser agrees that this is the sole and exclusive remedy under this Limited Warranty. OVE will not be
responsible for any incidental, consequential, special or indirect damages, including loss of use as a result of any manufacturing defect in a Product. OVE will not be responsible for labor, or any
other fees associated with removal or installation of warranted Product, components and/or parts. Some states do not allow the exclusion or limitation of incidental or consequential damages, so
this limitation may not apply to you.
Product modification: OVE reserves the right to change, modify or improve the Products without obligation to incorporate such changes in Products previously sold or installed.
Authority and Modification: The retail seller is not the agent of OVE and is not authorized to vary or modify the terms of the Limited Warranty. In addition, the retail seller cannot bind OVE or make any representations
or promises about the Product that are binding on OVE.
OVE Zino 1-piece Dual Flush Toilet Instruction Manual – Optimized PDF
OVE Zino 1-piece Dual Flush Toilet Instruction Manual – Original PDF
















