User Manual
PX720
FULL MOTION TV MOUNT
Thank you for choosing Kanto
Read these instructions fully before assembly and installation. If you do not understand these directions, or have any doubts about the safety of the installation, please consult a qualified installation contractor. Make sure there are no defective or missing parts.
Do not use defective parts. Kanto cannot be liable for property damage or injury caused by incorrect mounting, incorrect assembly,
lifting or incorrect use of this product. If there is hardware missing, or if you are uncertain whether a part is defective, please contact Kanto directly using one of the methods below.
CAUTION
The maximum loading weight is 150 lb (68 kg). This mount is intended for use only with the maximum weights indicated.
Use with products heavier than the maximum weights indicated may result in instability causing possible injury. The wall you plan to affix the Kanto mount to must be able to support more than 5 times the weight of the television and the mount combined. Do not use this product for any purpose other than to mount a VESA compliant TV on a vertical surface as outlined in this manual. Improper installation may cause damage to your TV or serious injury. This product should not be mounted on steel stud walls or cinder block walls. Consult a qualified installation contractor if you are unsure about the type of wall you may have.
Supplied Parts and Hardware


Project Overview
- Select TV Screws and Spacers
- Select Spacers for Irregular TVs
- Attach TV Brackets
- Remove Covers
- Mount Wall Plate Assembly
- Hang and Secure TV
- Level TV
- Finalize Adjustments
- Manage Cables
1. Select TV Screws and Spacers

1.1 A–G Select Screws
The back of your TV has 4 screw holes in a square or rectangular pattern. This is where the mount will attach to your TV.
Kanto provides several sizes and lengths of screws. This guide will help you select the right screws for your TV. You will only use 4 of the provided screws to attach your TV – the rest are not needed.
2. Select Spacers for Irregular TVs

Spacers can be used to provide clearance around protrusions on the back of your TV, or to accommodate a curved TV. You may need to use longer screws.
3. Attach TV Brackets
WARNING:
Do not lay the TV face down on its front. Use a wall or TV stand.
3.1

3.2
†Only applicable if using M5 / M6 screw Applicable uniquement avec vis M5 / M6 Aplicable sólo con tornillos M5 / M6
3.3

3.4, 3.5

3.6

4. Remove Covers


4.1

4.2
5a. Mount Wall Plate Assembly (Wood Stud Wall)
5.1, 5.2
5.3
5b. Mount Wall Plate Assembly (Concrete Wall)
5.1
5.2
5.3, 5.4
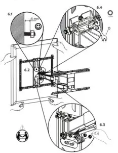
6. Hang and Secure TV
6.1, 6.2, 6.3, 6.4

7. Level TV
7.1, 7.2, 7.3
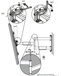
8. Finalize Adjustments
8.1, 8.2, 8.3, 8.4,

9. Manage Cables

Limited Warranty to Original Purchaser
Kanto Living Inc. (Kanto) warrants the equipment it manufactures to be free from defects in material for the limited warranty period of 5 years.
If equipment fails because of such defects and Kanto is notified within 5 years from the date of shipment with proof of original invoice from an authorized reseller, Kanto will, at its option, provide replacement parts or replace the equipment, provided that the equipment has not been subjected to mechanical, electrical, or other abuse or modifications. Any replacement parts or replacement units are warranted for 90 days from the day of reshipment to the original purchaser. Customers will be responsible for obtaining a Return Authorization Number and paying shipping costs to return product to a Kanto location or authorized depot. If the equipment is covered under the warranty provisions above, Kanto will replace parts or provide a replacement unit, and be responsible for shipping costs to the customer. Please keep the original packaging to prevent damage to the product during shipping. Insuring your shipment is also recommended.
The information in the manual has been carefully checked and is believed to be accurate. However, Kanto assumes no responsibility for any inaccuracies that may be contained in the manual. In no event will Kanto be liable for direct, indirect, special, incidental, or consequential damages resulting from any defect in the equipment, even if advised of the possibility of such damages. This warranty is in lieu of all other warranties expressed or implied, including without limitation, any implied warranty, including any warranty of merchant ability and fitness for any particular purpose, all of which are expressly disclaimed.
Kanto PX720 Full Motion TV Mount User Manual – Optimized PDF
Kanto PX720 Full Motion TV Mount User Manual – Original PDF


![Kanto Full Motion Tv Mount Ldx690 User Manual [french] Kanto Full Motion Tv Mount Ldx690 User Manual [french]](https://static-data1.manualsee.com/1/img/8/48098/2021/01/Kanto-Full-Motion-TV-Mount-LDX690-User-Manual-French-1568x1568.jpg)
















