iSMACONTROLLI SfAR-1M-2DI1AO Expansion Module 2 Digital Inputs 1 Analog Output

Introduction
Thank you for choosing our product.
This manual will help you with proper handling and operating of the device.
The information included in this manual have been prepared with utmost care by our professionals and serve as a description of the product without incurring any liability for the purposes of commercial law. This information does not discharge you from the liability of your own judgement and verification.
We reserve the right to change product specifications without notice.
Please read the instructions carefully and follow the recommendations concluded therein.
WARNING!
Failure to follow instructions can result in equipment damage or impede the use of the hardware or software.
Revision History
| Rev. | Date | Description |
| 3.1 | 25 May 2022 | Rebranded |
Safety Rules
- Improper wiring of the product can damage it and lead to other hazards. Make sure that the product has been correctly wired before turning the power on.
- Before wiring or removing/mounting the product, make sure to turn the power off. Failure to do so might cause an electric shock.
- Do not touch electrically charged parts such as power terminals. Doing so might cause an electric shock.
- Do not disassemble the product. Doing so might cause an electric shock or faulty
operation. - Use the product only within the operating ranges recommended in the specification
(temperature, humidity, voltage, shock, mounting direction, atmosphere, etc.). Failure to do so might cause a fire or faulty operation. - Firmly tighten the wires to the terminal. Failure to do so might cause a fire.
- Avoid installing the product in close proximity to high-power electrical devices and
cables, inductive loads, and switching devices. Proximity of such objects may cause an uncontrolled interference, resulting in an instable operation of the product. - Proper arrangement of the power and signal cabling affects the operation of the entire control system. Avoid laying the power and signal wiring in parallel cable trays. It can cause interferences in monitored and control signals.
- It is recommended to power controllers/modules with AC/DC power suppliers. They provide better and more stable insulation for devices compared to AC/AC transformer systems, which transmit disturbances and transient phenomena like surges and bursts to devices. They also isolate products from inductive phenomena from other transformers and loads.
- Power supply systems for the product should be protected by external devices limiting overvoltage and effects of lightning discharges.
- Avoid powering the product and its controlled/monitored devices, especially high
power and inductive loads, from a single power source. Powering devices from a single power source causes a risk of introducing disturbances from the loads to the control devices. - If an AC/AC transformer is used to supply control devices, it is strongly recommended to use a maximum 100 VA Class 2 transformer to avoid unwanted inductive effects, which are dangerous for devices.
- Long monitoring and control lines may cause loops in connection with the shared power supply, causing disturbances in the operation of devices, including external
communication. It is recommended to use galvanic separators. - To protect signal and communication lines against external electromagnetic interferences, use properly grounded shielded cables and ferrite beads.
- Switching the digital output relays of large (exceeding specification) inductive loads can cause interference pulses to the electronics installed inside the product. Therefore, it is recommended to use external relays/contactors, etc. to switch such loads. The use of controllers with triac outputs also limits similar overvoltage phenomena.
- Many cases of disturbances and overvoltage in control systems are generated by switched, inductive loads supplied by alternating mains voltage (AC 120/230 V). If they do not have appropriate built-in noise reduction circuits, it is recommended to use external circuits such as snubbers, varistors, or protection diodes to limit these effects.
Module Features
Purpose and Description of the Module
The SfAR-1M-2DI1AO module has 1 current analog output (0-20 mA or 4-20 mA) and 1 voltage analog output (0-10 V). Both outputs can be used at the same time. The module is equipped in two digital inputs. In addition, terminals IN1 and IN2 can be used to connect one encoder. Setting the output current or voltage value is done via RS485 (Modbus protocol), so the module can be easily integrated with popular PLCs, HMI, or PC equipped with an appropriate adapter.
This module is connected to the RS485 bus with a twisted-pair wire. Communication is via Modbus RTU or Modbus ASCII. The use of 32-bit ARM core processor provides fast processing and quick communication. The baud rate is configurable from 2400 to 115200.
The module is designed for mounting on a DIN rail in accordance with DIN EN 5002.
The module is equipped with a set of LEDs to indicate the status of inputs and outputs, which is useful for diagnostic purposes and helping to find errors.
Module configuration is done via USB by using a dedicated computer program. It also allows for changing the parameters using the Modbus protocol.
Technical Specification
| Power Supply | Voltage | 10-38 V DC; 10-28 V AC |
| Power consumption (with active Modbus transmission and high state on all inputs) | 1 W at 24 V DC | |
| 2 VA at 24 V AC | ||
| Isolation | Isolation between power supply and I/O | 1000 V DC |
| Analog Outputs | No. of outputs | 1 |
| Voltage output | 0 V – 10 V (resolution 1.5 mV) | |
| Max. load current 0-10 V 5 mA | ||
| Accuracy ± 2% | ||
| Current output | 0 mA – 20 mA (resolution 5 μA) | |
| 4 mA – 20 mA (value in ‰ – 1000 steps) (resolution 16 μA) | ||
| Max. resistance 500 ohm | ||
| Accuracy ±1% | ||
| Output resolution | 12 bits | |
| DAC time processing | 16 ms/channel |
| Digital Inputs | No. of inputs | 2 |
| Voltage range | 0-36 V | |
| Low state “0” | 0-3 V | |
| High state “1” | 6-36 V | |
| Input impedance | 4 kΩ | |
| Isolation | 1500 Vrms | |
| Input Type | PNP or NPN | |
| Counters | No. of counters | 2 |
| Resolution | 32-bit | |
| Frequency | 1 kHz (max.) | |
| Impulse width | 500 μs (min.) | |
| Temperature | Work | -20 °C to +65°C |
| Storage | -40 °C to +85°C | |
| Connectors | Power supply | 3 pin |
| Communication | 3 pin | |
| Inputs | 2 x 3 pin | |
| Configuration | mini USB | |
| Size | Height | 90 mm |
| Length | 56.4 mm | |
| Width | 17.5 mm | |
| Interface | RS485 | Up to 128 devices |
Dimensions
The appearance and dimensions of the module are shown below. The module is mounted directly to the rail in the DIN industry standard. Power connectors, communication and IOs are at the bottom and top of the module. USB connector configuration and indicators located on the front of the module.
- Figure 1. Dimensions

Communication
Grounding and Shielding
In most cases, I/O modules will be installed in an enclosure along with the other devices, which generate electromagnetic radiation. Relays, contactors, transformers, motor invertors, etc., are examples of such devices. Radiation can induce electrical noise into both power and signal lines, as well as direct radiation into the module. Whether or not the SfAR modules are immune to such effects, the interferences must be suppressed at
their source if possible to ensure the proper functioning of the entire system. Appropriate grounding, shielding and other protective steps should be taken at the installation stage to prevent these effects. It is recommended to at least follow the rules below:
- line power cables must be routed with spatial separation from signal and data transmission cables;
- analog and digital signal cables should also be separated;
- it is recommended to use shielded cables for analog signals, cable shields should not be interrupted by intermediate terminals;
- the shielding should be earthed directly after the cable enters the cabinet.
It is recommended to install interference suppressors when switching inductive loads (e.g., coils of contactors, relays, solenoid valves). RC snubbers or varistors are suitable for AC voltage and freewheeling diodes for DC voltage loads. The suppressing elements must be connected as close to the coil as possible.
Network Termination
Transmission line effects often present problems for data communication networks. These problems include reflections and signal attenuation. To eliminate the presence of reflections of signal from the end of the cable, the cable must be terminated at both ends
with a resistor across the line adequate to its characteristic impedance. Both ends must be terminated since the propagation is bidirectional. In case of an RS485 twisted pair cable, this termination is typically 120 Ω.
Types of Modbus Functions
There are 4 types of Modbus functions supported by the SfAR modules.
Table 3. Types of Modbus functions supported by the module
| Type | Beginning Address | Variable | Access | Modbus Command |
| 1 | 00001 | Digital Outputs | Bit Read/write | 1, 5, 15 |
| 2 | 10001 | Digital Inputs | Bit Read | 2 |
| 3 | 30001 | Input Registers | Registered Read | 3 |
| 4 | 40001 | Output Registers | Registered Read/write | 4, 6, 16 |
Communication Settings
The data stored in the module’s memory is given in the 16-bit registers. The access to registers is via Modbus RTU or Modbus ASCII.
Default Settings
Table 4. Default settings
| Parameter Name | Value |
| Address | 1 |
| Baud rate | 19200 |
| Parity | No |
| Data bits | 8 |
| Stop bits | 1 |
| Reply delay [ms] | 0 |
| Modbus type | RTU |
Configuration Registers
Table 5. Configuration registers
| Modbus Address | Decimal Address | Hex Address | Name | Values |
| 40003 | 2 | 0x02 | Baud Rate | 0 – 2400 1 – 4800 2 – 9600 3 – 19200 4 – 38400 5 – 57600 6 – 115200 other – value * 10 |
| 40005 | 4 | 0x04 | Parity | 0 – none 1 – odd 2 – even 3 – always 0 4 – always 1 |
| 40004 | 3 | 0x03 | Stop Bits | 1 – one stop bit 2 – two stop bits |
| 40004 | 3 | 0x03 | Data Bits | 7 – 7 data bits 8 – 8 data bits |
| 40006 | 5 | 0x05 | Response Delay | Time in ms |
| 40007 | 6 | 0x06 | Modbus Mode | 0 – RTU 1 – ASCII |
Watchdog
This 16-bits register specifies the time in milliseconds to watchdog reset. If the module does not receive any valid message within that time, all digital and analog outputs will be set to the default state.
This feature is useful if there is an interruption in data transmission and for security reasons. Output states must be set to the appropriate state in order to reassure the safety of persons or property.
The default value is 0 milliseconds, which means the watchdog function is disabled.
Indicators
Figure 2. Indicators

Table 6. Description of indicators
| Indicator | Description |
| ON | The LED indicates that the module is correctly powered |
| TX | The LED lights up when the unit received the correct packet and sends the answer |
| DI1, DI2 | The LED indicates that on the input is high state |
| DO1, DO2 | The LED indicates that the output is on |
Connections
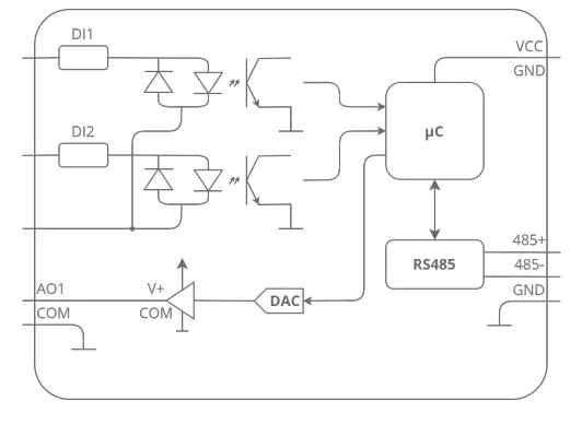
Block Diagram
Figure 3. Block diagram

Power Supply Connection
DC Power Connection
- Figure 4. DC power connection

AC Power Connection
- Figure 5. AC power connection

Communication Bus Connection
- Figure 6. Communication bus connection

Connection of Outputs
Connection of Voltage Output
- Figure 7. Connection of voltage output

Connection of Current Output
- Figure 8. Connection of current output

Connection of Digital Inputs
- Figure 9. Connection of digital inputs

Modules Registers
Registered Access
Table 7. Registered access
| Modbus Address | Decimal Address | Hex Address | Register Name | Access | Description |
| 30001 | 0 | 0x00 | Version/Type | Read | Version and type of the device |
| 30002 | 1 | 0x01 | Address | Read | Module address |
| 40003 | 2 | 0x02 | Baud Rate | Read/write | RS485 baud rate |
| 40004 | 3 | 0x03 | Stop Bits & Data Bits | Read/write | No. of stop bits & data bits |
| 40005 | 4 | 0x04 | Parity | Read/write | Parity bit |
| 40006 | 5 | 0x05 | Response Delay | Read/write | Response delay in ms |
| 40007 | 6 | 0x06 | Modbus Mode | Read/write | Modbus mode (ASCII or RTU) |
| 40009 | 8 | 0x08 | Watchdog | Read/write | Watchdog |
| 40013 | 12 | 0x0C | Default Output State | Read/write | Default output state (after power on or watchdog reset) |
| 40033 | 32 | 0x20 | Received Packets LSR (Least Significant Register) | Read/write | No. of received packets |
| 40034 | 33 | 0x21 | Received Packets MSR (Most Significant Register) | Read/write | |
| 40035 | 34 | 0x22 | Incorrect Packets LSR | Read/write | No. of received packets with error |
| 40036 | 35 | 0x23 | Incorrect Packets MSR | Read/write | |
| 40037 | 36 | 0x24 | Sent Packets LSR | Read/write | No. of sent packets |
| 40038 | 37 | 0x25 | Sent Packets MSR | Read/write | |
| 30051 | 50 | 0x32 | Inputs | Read | Inputs state |
| 40052 | 51 | 0x33 | Outputs | Read/write | Output state |
| 40053 | 52 | 0x34 | Counter 1 LSR | Read/write | 32-bit counter 1 |
| 40054 | 53 | 0x35 | Counter 1 MSR | Read/write | |
| 40055 | 54 | 0x36 | Counter 2 LSR | Read/write | 32-bit counter 2 |
| Modbus Address | Decimal Address | Hex Address | Register Name | Access | Description |
| 40056 | 55 | 0x37 | Counter 2 MSR | Read/write | |
| 40061 | 60 | 0x3C | CCounter 1 LSR | Read/write | 32-bit value of captured counter 1 |
| 40062 | 61 | 0x3D | CCounter 1 MSR | Read/write | |
| 40063 | 62 | 0x3E | CCounter 2 LSR | Read/write | 32-bit value of captured counter 2 |
| 40064 | 63 | 0x3F | CCounter 2 MSR | Read/write | |
| 40069 | 68 | 0x44 | Counter Config 1 | Read/write | Counter configuration +1 – time measurement (if 0 counting impulses) +2 – autocatch counter every 1 sec +4 – catch value when input low +8 – reset counter after catch +16 – reset counter if input low +32 – encoder |
| 40070 | 69 | 0x45 | Counter Config 2 | Read/write | |
| 40073 | 72 | 0x48 | Catch | Read/write | Catch counter |
| 40074 | 73 | 0x49 | Status | Read/write | Captured counter |
Bit Access
Table 8. Bit access
| Modbus Address | Decimal Address | Hex Address | Register Name | Access | Description |
| 193 | 192 | 0x0C0 | Default state of output 1 | Read/write | Default state of output 1 |
| 194 | 193 | 0x0C1 | Default state of output 2 | Read/write | Default state of output 2 |
| 10801 | 800 | 0x320 | Input 1 | Read | Input 1 state |
| 10802 | 801 | 0x321 | Input 2 | Read | Input 2 state |
| 817 | 816 | 0x330 | Output 1 | Read/write | Output 1 state |
| 818 | 817 | 0x331 | Output 2 | Read/write | Output 2 state |
| 1153 | 1152 | 0x480 | Capture 1 | Read/write | Capture counter 1 |
| 1154 | 1153 | 0x481 | Capture 2 | Read/write | Capture counter 2 |
| 1169 | 1168 | 0x490 | Captured 1 | Read/write | Captured value of counter 1 |
| 1170 | 1169 | 0x491 | Captured 2 | Read/write | Captured value of counter 2 |
Configuration Software
The SfAR Configurator is the type of software, which is designed to set the communication module registers over Modbus network as well as to read and write the current value of other registers of the module. It is a convenient way to test the system as well as to observe real-time changes in the registers.
Communication with the module is via the USB cable. The module does not require any drivers.
Figure 10. PC connection

The SfAR Configurator is a universal software, where it is possible to configure all available modules.
Figure 11. The SfAR Configurator

Customer Support
www.ismacontrolli.com
DMP266en | 3rd
Issue rev. 1 | 05/2022


























