SimpliFire SF-BI30-EB 30 Inch Electric Built In Fireplace

NOTICE
DO NOT DISCARD THIS MANUAL
- Important operating and maintenance instructions included.
- Read, understand and follow these instructions for safe installation and operation.
- Leave this manual with party responsible for use and operation.
Congratulations!
Congratulations on selecting a SimpliFire Electric Fireplace, an elegant and clean alternative to wood & gas burning fireplaces. The SimpliFire electric fireplace you have selected is designed to provide the utmost in safety, reliability, and efficiency.
READ CAREFULLY BEFORE ATTEMPTING TO ASSEMBLE, INSTALL, OPERATE, OR MAINTAIN THIS PRODUCT. PROTECT YOURSELF AND OTHERS BY OBSERVING ALL SAFETY INFORMATION. FAILURE TO COMPLY WITH INSTRUCTIONS COULD RESULT IN PERSONAL INJURY AND/OR PROPERTY DAMAGE..
WARNING: To reduce risk of fire, electrical shock, or personal injury, read all instructions before using appliance.
IMPORTANT INSTRUCTIONS
IMPORTANT SAFETY INSTRUCTIONS
WARNING! Risk of Fire! Risk of Burns!Risk of Electrical Shock!
DO NOT:
- Install or operate damaged heater
- Modify heater
- Operate the heater without fully assembling all components
Hearth & Home Technologies disclaims any responsibility for, and the warranty and agency listing will be voided by the above actions.
- WARNING! DO NOT operate appliance before read-ing and understanding operating instructions. Failure to operate appliance according to operating instructions could cause fire or injury.
- WARNING! Improper installation, adjustment, al-teration, service or maintenance can cause injury or property damage. Failure to install appliance accord-ing to Owner’s Manual could cause property damage or injury.
- NOTICE! This appliance is not intended for use as a pri-mary heat source and should not be factored as such in residential heating calculations.
When using electrical appliances, basic precautions should always be followed to reduce the risk of fire, electric shock, and injury to persons, including the following:
- Read all instructions before installing this appliance.
- This appliance is hot when in use. To avoid burns, do not let bare skin touch hot surfaces. Keep combustible materials such as furniture, pillows, bedding, papers, clothes, etc., and curtains at least 3 ft. (0.9 m) from the front of the appliance and keep them away from the sides and rear.
- Extreme caution is necessary when any appliance is used by or near children or other at risk individuals and whenever the appliance is left operating and unattended.
- Do not operate any appliance if it malfunctions. Disconnect power at service panel and have appliance inspected by a reputable electrician before reusing.
- Do not insert or allow foreign objects to enter any ventilation or exhaust opening as this may cause an electric shock, fire, or damage the appliance.
- To prevent a possible fire, do not block appliance fan air intakes or exhaust in any manner.
- A heater has hot and sparking parts inside. Do not use it in areas where gasoline, paint, flammable vapors or liquids are used or stored.
- Use this appliance only as described in this manual. Any other use not recommended by the manufacturer may cause fire, electric shock, or injury to persons.
- Do not operate any appliance with a damaged cord, plug after the appliance malfunctions, has been dropped or damaged in any manner. Return appliance to authorized service facility for examination, electrical or mechanical adjustment or repair.
- Do not use outdoors.
- Never locate appliance where it may fall into a bathtub or water container.
- Do not run cord under carpeting. Do not cover cord with throw rugs, runners, or the like. Arrange cord away from traffic areas and where it will not be tripped over. Do not tightly coil cord.
- Always use properly grounded, fused and polarized outlets.
- Always use ground fault protection where required by electrical code.
- To disconnect appliance, turn controls to “OFF” then remove plug from outlet.
- Always disconnect power before performing any cleaning, maintenance or relocation of the appliance.
- To prevent electrical shock or fire, always use a certified electrician should new circuits be required.
- When transporting or storing the appliance, keep in a dry place free from excess vibration to avoid damage.
- Avoid use of an extension cord because an extension cord may overheat and cause a fire. However if you have to use an extension cord, the cord should be No. 14 AWG minimum size and rated to not less than 1875 watts.
Safety Alert Key:
- WARNING! Indicates a hazardous situation which, if not avoided could result in death or serious injury.
- CAUTION! Indicates a hazardous situation which, if not avoided, could result in minor or moderate injury.
Warranty
LIMITED LIFETIME WARRANTY
Hearth & Home Technologies LLC (“HHT”) extends the following warranty for HHT gas, wood, pellet and electric hearth appliances (each a “Product” and collectively, the “Product(s)”) and certain component parts set forth in the table below (“Component Part(s)”) that are purchased from a HHT authorized dealer or distributor.
WARRANTY COVERAGE:
HHT warrants that the Products and their Component Parts will be free from defects in materials and workmanship for the applicable period of Warranty coverage set forth in the table below (“Warranty Period”). If a Product or Component Parts are found to be defective in materials or workmanship during the applicable Warranty Period, HHT will, at its option, repair the applicable Component Part(s), replace the applicable Component Part(s), or refund the purchase price of the applicable Product(s). The maximum amount recoverable under this Warranty is limited to the purchase price of the Product. This Warranty is transferable from the original purchaser to subsequent owners, but the Warranty Period will not be extended in duration or expanded in coverage for any such transfer. This Warranty is subject to conditions, exclusions, and limitations as described below.
WARRANTY PERIOD:
Warranty coverage begins at the date of installation. In the case of new home constructions, Warranty coverage begins on the date of first occupancy of the dwelling or six months after the sale of the Product(s) by an independent, authorized HHT dealer or distributor, whichever occurs earlier. However, the Warranty coverage shall commence no later than 24 months following the date of Product shipment from HHT, regardless of the installation or occupancy date. The term “Lifetime” in the table below is defined as: 20 years from the beginning date of warranty coverage for gas appliances, 10 years from the beginning date of warranty coverage for wood and pellet appliances, and 5 years from the beginning of warranty coverage for standalone gas log sets. These time periods reflect the minimum expected useful lives of the designated Component Parts under normal operating conditions.
WARRANTY CONDITIONS:
- Because HHT cannot control the quality of any Products sold by unauthorized sellers, this Warranty only covers Products that are purchased through an HHT authorized dealer or distributor unless otherwise prohibited by law; a list of HHT authorized dealers is available on the HHT branded websites.
- This Warranty is only valid while the applicable Product remains at the site of original installation.
- This Warranty is only valid in the country in which the HHT authorized dealer or distributor that sold the applicable Product is authorized to sell applicable Product.
- Contact your installing distributor or dealer for Warranty service. If the installing dealer or distributor is unable to provide necessary parts, contact the nearest HHT authorized dealer or supplier. Additional service fees may apply if you are seeking Warranty service from a dealer other than the dealer from whom you originally purchased the applicable Product.
- No HHT consumer should bear cost of warranty service or costs incurred while servicing warranty claims (i.e., travel, gas, or mileage) when the service is performed within the terms of this Warranty. Check with your dealer or distributor in advance for any costs to you when arranging a warranty call. Travel and shipping charges for parts are not covered by this Warranty.
WARRANTY EXCLUSIONS:
This Warranty does not cover the following:
- Changes in surface finishes as a result of normal use. As a heating appliance, some changes in color of interior and exterior surface finishes may occur. This is not a flaw and is not covered under the Warranty.
- Damage to printed, plated, or enameled surfaces caused by fingerprints, accidents, misuse, scratches, melted items or other external sources and residues left on the plated surfaces from the use of abrasive cleaners or polishes.
- Repair or replacement of parts that are subject to normal wear and tear during the Warranty Period are not covered. These parts include: paint, wood and pellet gaskets, firebricks, grates, flame guides, batteries and the discoloration of glass.
- Minor expansion, contraction, or movement of certain parts causing noise. These conditions are normal and complaints related to this noise are not covered by this Warranty.
- Damages resulting from: (1) failure to install, operate, or maintain the applicable Product in accordance with the installation instructions, operating instructions, and listing agent identification label furnished with the applicable Product; (2) failure to install the applicable Product in accordance with local building codes; (3) shipping or improper handling; (4) improper operation, abuse, misuse, continued operation with damaged, corroded or failed components, accident, or improperly/incorrectly performed repairs; (5) environmental conditions, inadequate ventilation, negative pressure, or drafting caused by tightly sealed constructions, insufficient make-up air supply, or handling devices such as exhaust fans or forced air furnaces or other such causes; (6) use of fuels other than those specified in the operation instructions; (7) installation or use of components not supplied with the applicable Product or any other components not expressly authorized and approved by HHT; (8) modification of the appliance not expressly authorized and approved by HHT in writing; and/or (9) interruptions or fluctuations of electrical power supply to the applicable Product.
- Non-HHT venting components, hearth connections or other accessories used in conjunction with the applicable Product.
- Any part of a pre-existing fireplace system in which an insert or a decorative gas applicable Product is installed.
- HHT’s obligation under this Warranty does not extend to the Product’s capability to heat the desired space. Information is provided to assist the consumer and the dealer in selecting the proper Product for the application. Consideration must be given to the Product location and configuration, environmental conditions, insulation and air tightness of the structure.
This warranty is void if:
- The applicable Product has been over-fired, operated in atmospheres contaminated by chlorine, fluorine, or other damaging chemicals. Over-firing can be identified by, but not limited to, warped plates or tubes, deformation/warping of interior cast iron structure or components, rust colored cast iron, bubbling, cracking and discoloration of steel or enamel finishes.
- The applicable Product is subjected to prolonged periods of dampness or condensation.
- There is any damage to the applicable Product due to water or weather damage which is the result of, but not limited to, improper chimney or venting installation.
LIMITATIONS OF REMEDIES AND LIABILITY
- EXCEPT TO THE EXTENT PROVIDED BY LAW, HHT MAKES NO EXPRESS WARRANTIES OTHER THAN THE WARRANTY SPECIFIED HEREIN. The owner’s exclusive remedy and HHT’s sole obligation under this Warranty or in contract, tort or otherwise, shall be limited to replacement of the Component Part(s), repair of the Component Part(s), or refund of the original purchase price of the applicable Product(s), as specified above; provided, however, that (i) if HHT is unable to provide replacement of the Component Part(s) and repair of the Component Part(s) is not commercially practicable or cannot be timely made, or (ii) the customer is willing to accept a refund of the purchase price of the applicable Product(s), HHT may discharge all such obligations by refunding the purchase price of the applicable Product. In no event will HHT be liable for any incidental or consequential damages caused by defects in the applicable Product. Some States do not allow the exclusion or limitation of incidental or consequential damages, so the above limitation or exclusion may not apply to you. This Warranty gives you specific legal rights and you may also have other rights which vary from State to State. THE DURATION OF ANY IMPLIED WARRANTY IS LIMITED TO DURATION OF THE EXPRESSED WARRANTY SPECIFIED ABOVE FOR THE APPLICABLE PRODUCT. Some States do not allow limitations on how long an implied warranty lasts, so the above limitation may not apply to you.
GENERAL INFORMATION
Appliance Certification
- MODELS: SF-BI30-EB, SF-BI36-EB
- LABORATORY: CSA International
- TYPE: Electric Air-Heaters Fixed and Location-Dedicated Electric Room Heaters
- STANDARD: UL 2021 (3rd Edition) CSA C22.2 No 46-13
NOTICE: This installation must conform with local codes.
NOT INTENDED FOR USE AS A PRIMARY HEAT SOURCE. This appliance is tested and approved as either supplemen-tal room heat or as a decorative appliance. It should not be factored as primary heat in residential heating calculations.
Note: The device complies with Part 15 of the FCC Rules. Operation is subject to the following two conditions:
- This device may not cause harmful interference, and
- This device must accept any interference received, including interference that may cause undesired operation.
California
WARNING: This product can expose you to Di-(2-ethyl hexyl) phthalate, which is known to the State of California to cause cancer and reproductive harm. For more information go to: www.P65Warnings.ca.gov.
Unpacking and Inspecting Appliance
WARNING! DO NOT use this Electric Fireplace if any part has been under water. Immediately call a qualified service technician to inspect and to replace any part of the electrical system if necessary. Keep plastic wrapping away from children.
- Carefully remove the appliance and components from the packaging. Discard packaging.
- Carefully inspect components for any damage.
- Reference parts list to verify all parts have been received.
- Report to your dealer any missing or damaged parts.
- Read all the instructions before starting the installation. Follow these instructions carefully during the installation to ensure maximum safety and benefit.
Model and Serial Number Information
The model and serial number information is located on the rating plate. The rating plate is located on the upper wall of the appliance behind glass front.
Homeowner Reference Information
We recommend that you record the following pertinent information about your fireplace.
- Model Name: ___________________________________________
- Date purchased/installed: __________________
- Serial Number: __________________________________________
- Location of fireplace: _____________________
- Dealership purchased from: _______________________________
- Dealer Phone: __________________________
- Notes: ________________________________
GETTING STARTED
Parts and Hardware
| Parts and Hardware List | |
| Part | Quantity |
| Fireplace | 1 |
| Instruction Manual | 1 |
| Remote Control | 1 |
| AAA Battery | 2 |
| Mounting Bracket | 4 |
| Rear Leveling Bracket | 2 |
| Screw ST4x8 | 8 |
| Screw ST4x12 | 4 |
| Power Cord Assembly (for 120V only) | 1 |
Tools and Supplies Needed
- Before beginning the installation be sure that the following tools and building supplies are available.
- Tape measure
- Pliers
- Hammer
- Gloves
- Phillips screwdriver
- Safety glasses
- Flat blade screwdriver
- Level
- Framing material
- Framing square
- Electric drill and bits (1/4 in.)
- Reciprocating saw
Appliance Dimensions

| MODEL | SHELL SIZE | TRIM SIZE | VIEWING AREA | ||||||||
| D1 | D2 | H1 | H4 | W1 | W4 | W5 | W2 | H2 | W3 | H3 | |
| SF-BI30-EB | 11-3/4 | 11 | 26-3/4 | 28-3/4 | 33 | 24 | 31 | 30 | 26-1/4 | 28-1/4 | 22-3/4 |
| SF-BI36-EB | 11-3/4 | 11 | 31-7/32 | 33-7/32 | 39 | 30 | 37 | 36 | 30-1/2 | 34-1/4 | 27-1/4 |
Location
When choosing a location for your fireplace ensure that the general rules are followed:
- For best results, install out of direct sunlight.
- Power supply service must be installed within proximity of electric fireplace prior to finishing to avoid reconstruction.
- See Figure 3.C for appliance dimensions and to determine location of appliance installation.
Clearance to Combustibles
The SimpliFire Built-in Series is a zero clearance design, with the exception of the top of the unit when hard-wired for 240V. Any insulation and vapor barrier should be placed a minimum of 2″ from the top of the firebox. Bend the supplied stand-offs to a vertical position to maintain this clearance.
Minimum Clearance to Combustibles
120V 240V
Sides…………………..0 in…………… 0 in
Floor……………………0 in…………… 0 in
Top……………………..0 in…………… 2 in
Back……………………0 in…………… 0 in
Front…………………..36 in…………. 36 in
Mantels……… See Figure 3.1
WARNING! Risk of Fire! Keep electrical cords, drapery, furnishings or other combustibles at least 3 ft. (0.9 m) from the front of the electric fireplace.
Electrical Supply Circuit Requirements
Plan the location of the appliance so that it will have ad-equate electric power. A 15 AMP, 60Hz circuit is required for both 120V and 240V installations. Additional appli-ances on the same circuit as this appliance may exceed the current rating of that circuit. A dedicated circuit is not required, but is preferred to prevent circuit breaker trips or fuse failure. Reference Section 4.F for more complete detail on com-pleting electrical installation.
Positioning of Top Stand-offs
When this unit is to be hard-wired for 240V, a clearance of 2 inches is required on the top of the unit. Bend the supplied stand-offs on the top of the unit to a vertical position to maintain this clearance. Confirm electrical connection switch is properly positioned to reflect 120V or 240V, depending on wiring choice.
INSTALLATION
Selecting Appliance Location
When selecting a location for the appliance it is important to consider the required clearances to walls (see Figure 4.1).
- WARNING! Risk of Fire or Burns! Provide adequate clearance around air openings and for service access. Due to high temperatures, the appliance should be locat-ed out of traffic and away from furniture and draperies.
- NOTICE: Illustrations reflect typical installations and are FOR DESIGN PURPOSES ONLY. Illustrations/diagrams are not drawn to scale. Actual installation may vary due to individual design preference.

Appliance Preparation
Install mounting brackets (4) by aligning them with the pre-drilled holes located on the side of the appliance . Use two screws (ST4 x 8) per bracket to secure to the appliance. See Figure 4.2 and 4.3. Installing leveling brackets (2) by aligning them to the preset holes at the base of the appliance. Use two screws (ST4 x 8) per bracket to secure the appliance. See Figure 4.2. Mounting brackets may be installed in the rear or forward positions using the pre-drilled holes. rear position may be desired if fastening directly to the framing. while the forward position allows for attaching over 1/2 in. wall sheathing.
Installation into Existing Fireplace
- Seal all drafts with non-fiberous insulation materials to prevent debris or water from falling from the chimney to electric fireplace.
- Close or seal off the chimney flue and close damper (if applicable) to prevent rain infiltration.
- Do not install in an existing fireplace that is prone to dampness.
- A provision must be made for the appliance to be connected to power within existing firebox, or on an adjacent wall.
Installation into New Construction
Position the fireplace within the opening in the framing. Level the fireplace with shims if necessary.
NOTE: If installing the appliance on a sub-floor, the ap-pliance must be shimmed to accommodate the finished flooring thickness. Attach the fireplace to the framing with the two provided brackets and screws or nails.
Constructing the Chase
A chase is a vertical box-like structure built to enclose the electrical appliance. Chases should be constructed in the manner of all outside walls of the home to prevent cold air drafting problems. The chase should not break the outside building envelope in any manner. Walls, ceiling, base plate and cantilever floor of the chase should be insulated. Vapor and air infiltration barriers should be installed in the chase as per regional codes for the rest of the home. Additionally, in regions where cold air infiltration may be an issue, the inside surfaces may be sheetrocked and taped for maximum air tightness.
Electrical Connection / Installation
Note: All wiring must be completed prior to finishing the unit.
All electrical connections shall be performed by a qualified electrician.
- WARNING! Risk of Fire, Electrical Shock and Injury! Electrical wiring must comply with local building electri-cal codes and the latest edition of the NFPA 70 National Electric Code (NEC) other applicable regulations.
- WARNING! Risk of Shock! Label all wires prior to dis-connection when servicing the appliance. Wiring errors can cause improper and dangerous operation. Verify proper operation after servicing.
This appliance is designed to be hard-wired for 120VAC or 240VAC. A supplied plug-in kit is also available for use with a 120VAC grounded receptacle. The AC voltage sup-ply wiring should be properly grounded. A dedicated cir-cuit is recommended. Other appliances on the circuit may cause the breaker to trip or fuse to blow when the appli-ance is operating.
Hard-Wired Installation:
A 15 AMP circuit with a properly grounded outlet is required for both 120VAC and 240VAC installations. Use minimum size 14AWG Romex cable for the AC sup-ply connection to 120 -240VAC, 60Hz, 15 AMP branch circuit. Use copper wire only.
Note: The appliance must be electrically connected and grounded in accordance with local building elec- trical codes.
- Remove terminal block cover plate located on the right end of the appliance.
- Install a wire strain relief bushing into the cover plate.
- Terminate type NM-B wire to the terminal block, ensure connections are secure, and tighten the strain relief. Use 3/32 slotted heat screwdriver, or equivalent, to depress the spring loaded terminals for the conductors. See Figure 4.5.
For 120VAC Applications:
The following instructions must be followed to install a 3-wire NM-B Romex cable to the terminal block shown on Figure 4.4.
- Connect the ground wire (green) to the ground terminal.
- Connect the line input neutral wire (white) to the N terminal.
- Connect the line input voltage wire (black) to the L1 terminal.
- Make sure that no wire is connected to the L2 terminal.
For 240VAC Applications:
The following instructions must be followed to install a 4-wire NM-B Romex cable to the terminal block shown on Figure 4.4.
- Connect the ground wire (green) to the ground terminal.
- Connect the line input neutral wire (white) to the N terminal.
- Connect the line input voltage wire (black) to the L1 terminal.
- Connect the line input voltage wire (red) to the L2 terminal.

- Ensure all connections are tight and there are no exposed wires. Tighten Romex strain relief and reattach junction box cover plate.
- Inspect that the correct voltage is selected on the selector switch located behind the glass on the ceiling of the unit. Failure to do so could damage the product. See Figure 4.7.
- Replace terminal block cover plate and retaining screws.
Power Cord Installation
The appliance power cord has a 3-pin NEMA-5-15P plug. The power cord should not be used unless a grounded receptacle is available.
- Remove the terminal block cover plate located on the right end of the appliance.
- Disconnect the terminal block from the four wires inside the appliance. Wires are released by disconnecting the conductor wire connector. Discard the terminal block cover plate.
- Connect the conductor wire connector to the connector on the block supplied with the power cord kit. See Figure 4.6.
- Inspect that the correct voltage is selected on the selector switch located behind the glass on the ceiling of the unit. Failure to do so could damage the product. See Figure 4.7.
- Replace cord kit terminal block cover plate and retaining screws.


Finishing Fireplace Wall
Finishing materials may be used to finish up to the fireplace decorative front. Ensure that you leave adequate room to remove and replace the decorative front. See Figure 4.8.
OPERATING INSTRUCTIONS
- WARNING! Do not operate the unit if it is damaged or has malfunctioned. If you suspect the unit is damaged, call a qualified service technician to inspect and replace any part of the electrical system if necessary.
- Note: A harmless slight brief odor may occur during first use or after prolonged period of storage.
Manual Switch Function:
The appliance can be operated by both remote control and manual button. Once the unit has been properly connected to a grounded electrical circuit, the unit can be turned ON by pressing the Flame button. In any ac-tive Flame mode, the Heater button function is available. If the Flame effect is OFF, there is no Heater button function. See Figure 5.1.
Flame Button
By pressing the FLAME button, the unit will cycle through four flame effects.
Heater Button
- Press the heater button to turn on heater. Appliance will beep and illuminate 2 red LEDs.
- Press second time turns heater off.
NOTE:
There is a brief delay between the heater command and the heating turning ON. When the appliance receives a heater ON command, the appliance blower will turn ON for 8 seconds before the heater turns ON. There is also an 8 second delay between heater off and blower shutdown.
Operating by Remote Control
- Make sure batteries are properly installed in Remote Control.
- Battery requirements 2 x AAA batteries (included)
- The effective range of the remote is up to 13 ft.
- The remote control must be within the 13 ft. range and also be pointed directly at the face of the appliance. For best results, position the remote control within 45 degrees of the face of the appliance
Resetting Temperature Cutoff Switch
The heater is protected with a safety device to prevent overheating. Should the heater overheat, an auto-matic cutoff will turn the heater OFF. It will not turn ON automatically without being reset. If it overheats for any reason, it can be reset by:
- Turn appliance to off
- Shut-off power at circuit breaker.
- Let appliance cool for 15 minutes.
- Turn on power at circuit breaker.
- Turn on appliance with touch pwer button or remote control.
CAUTION: If you need to continuously reset the heater, unplug the appliance and call your customer/technical support.
MAINTENANCE.
WARNING! Risk of Shock! Always unplug the cord before moving or servicing. Do not immerse appliance in water.
- Always turn OFF the appliance and disconnect the cord from the electrical outlet before cleaning your appliance.
- Light accumulated dust may be removed from the appliance with a soft cloth or vacuum cleaner.
- Wipe the exterior surfaces of the appliance occasionally with a slightly damp cloth using a solution of mild detergent and water. Dry thoroughly before operating the appliance.
CAUTION! Do not allow water to run into the interior of the appliance as this could create a fire or electric shock. Always disconnect electrical service before serving appliance.
- The fan motor is factory lubricated for life and will not require further lubrication.
- Store appliance in a clean dry place when not in use.
WARNING! Risk of Fire! To reduce risk of fire, do not store or use gasoline or any other flammable vapors or liquids in the vicinity of the appliance.
WARNING! Risk of Electrical Shock! Any other servicing needed must be performed by an authorized service representative. Do not attempt to service the unit yourself.
Cleaning
Cleaning Glass
Dust particles can be removed by buffing lightly with a clean dry cloth. Fingerprints and other marks can be cleaned with a cloth dampened with a quality household glass cleaner. The glass should be completely dried with a lint free cloth or paper towel. Do not use abrasive cleaners on glass surface. Do not spray liquids directly onto any surface.
Metal Surface
Dust particles can be removed by buffing lightly with a clean dry cloth. A damp cloth can be used to clean painted surfaces. Do not use abrasive cleaners. Do not spray liquids directly on to any surface,
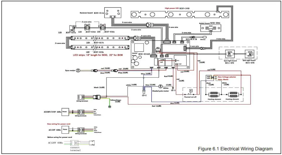
Electrical Wiring Diagram
See Figure 6.1.

Servicing
Except for installation and cleaning described in this manual, an authorized service representative should perform any other servicing.
WARNING! Risk of Electrical Shock! Any other servicing needed must be performed by an authorized service representative. Do not attempt to service the unit yourself.
SimpliFire Troubleshooting Guide
| Symptom | Possible Cause | Corrective Action |
| Circuit breaker trips or fuse blows when unit is turned on | Exceeding current rating of the circuit breaker or fuse, perhaps from operating other appliances on the same circuit as the fireplace | Install unit onto a dedicated 15 amp circuit. |
| Lights in room dim while the unit is on | Unit is drawing close to circuit current rating | Install unit onto a dedicated 15 amp circuit. |
|
Fireplace will not come on when using the manual controls on the unit | Appliance is not plugged into an electrical outlet | Ensure plug is connected to a working outlet. |
| Hard-wire connections not correct (if applicable) | Review wiring instructions to ensure correct connection. | |
| No incoming power from the electrical outlet or electrical box | Check fuse/breaker panel. | |
| Defect in control board (PCB) | Replace the control board (PCB). | |
|
Remote control does not work | Low/dead batteries | Replace batteries in the remote. |
| Remote receiver is blocked, or remote is not pointed directly at the receiver. | Ensure receiver is not blocked. Move closer to the appliance. | |
| Appliance power switch is in the off “O” position (if equipped) | Turn the power switch on, to the “I” position (if equipped). | |
| Control board (PCB) malfunction | Replace control board (PCB). | |
|
Heater will not turn on, but flame is functioning | Remote is in thermostat mode and room temperature (temperature at appliance thermistor) is higher than the set point on the remote | Increase thermostat set point on the remote, or exit thermostat mode (press the thermostat button until no temperature set point is displayed on the remote). See “Room Temperature and Thermostat Function” section of the manual. |
| Appliance has overheated and safety thermal switch has tripped | Unplug or turn off power at circuit breaker and allow it to cool for 15 minutes. Then plug in the unit or turn power back on at circuit breaker and turn unit back on. | |
| Defective main control board | Replace control board (PCB). | |
| Defective heater assembly | Replace heater assembly. | |
|
Heater shuts off automatically or won’t stay on | Room temperature (temperature at the appliance thermistor) is higher than the set point on the remote | Increase thermostat set point on the remote, or exit thermostat mode (toggle the thermostat button until no temperature set point is displayed on the remote). See “Room Temperature and Thermostat Function” section of the manual. |
| Appliance has overheated and safety thermal switch has tripped | Unplug or turn off power at circuit breaker and allow it to cool for 15 minutes. Then plug in the unit or turn power back on at circuit breaker and turn unit back on. | |
| Heater emits an odor | Normal operation | It is normal for the heater to emit an odor for a brief amount of time after turning on. It is burning off dust that has accumulated on the heater. |
| Flame does not move at all | Flame rotisserie motor is stalled or malfunctioning | Cycle unit on or off. If problem persists inspect rotisserie and motor for blockage or interference. If no interference, replace the control board (PCB) and rotisserie motor. |
| Flame shudder | Flame rotisserie contacting other internal components when spinning | Ensure rod is straight and mounted properly and is spinning freely without spindles hitting other components. |
| Defective flame rotisserie motor | Replace rotisserie motor. | |
|
Ember bed does not light up | Ember bed is turned off | Refer to operation section of the user manual. |
| Loose wiring | Check wiring to ember bed LEDs. | |
| Defective control board (PCB) | Replace control board (PCB). | |
| Defective LED lights | Replace ember bed LED lights. |
SimpliFire Troubleshooting Guide (continued)
| Symptom | Possible Cause | Corrective Action |
|
Fireplace turns on by itself | Defective control board (PCB) | Replace control board (PCB). |
| Similar infrared signal from another remote causing unit to turn on (pre- 2019 manufactured units only) | Some TV remotes may cause the fireplace to turn on for appliances manufactured before 2019. Replace control board (PCB). | |
| Excessive noise with heater on | Interference with fan blade | Inspect heater assembly and fan for obstructions or interference. |
| Defective blower motor | Replace heater assembly. | |
| Grinding or rubbing noise (when heater is off) | Rotisserie hitting or rubbing against internal components | Ensure rotisserie rod is straight and mounted properly and is spinning freely without spindles hitting other components. If sound is coming from friction with the rotisserie bracket, apply grease to contact point. |
Service Parts List
SF-BI30-EB

| ITEM | DESCRIPTION | COMMENTS | PART NUMBER | |
| 1 | Heater/Control Board Assembly | Control Board, Heater & Fan Included | HEATER-BI30-B | Y |
| 2 | Rotisserie Motor, Rod & 3 screws | ROTISS-BI30-EB | Y | |
| 3 | LED Strips, 3 Strips | LED-BI30-B | Y | |
| 4 | Log/Grate Assembly | LOGS-BI30-B | Y | |
| 5 | Refractory Kit | REFRACT-BI30-B | Y | |
| 6 | Flame Screen | FLAME-BI30-B | Y | |
| 7 | Front | FRONT-BI30-EB | Y | |
| 8 | Glass | GLA-BI30 | Y | |
| 9 | Remote | REMOTE-ELECT-B | Y | |
| Stand-off, Base | Set of 2 | STANDOFF-ELEC-B | ||
| Hardware Bag Includes: Mounting Brackets, Screw (ST4 x 8), Screws (ST4 x 12) | HRDW-BI | Y | ||
| Remote Receiver | RECEIVER-ELECT | |||
| Installation Manual | 2040-980 | |||
| Plug-in Kit | PLUGIN-ELECT-B | |||
IMPORTANT: THIS IS DATED INFORMATION. Parts must be ordered from a dealer or distributor. Hearth and Home Technologies does not sell directly to consumers. Provide model number and serial number when requesting service parts from your dealer or distributor.
Service Parts

SF-BI36-EB
| ITEM | DESCRIPTION | COMMENTS | PART NUMBER | |
| 1 | Heater/Control Board Assembly | Control Board, Heater & Fan Included | HEATER-BI36-B | Y |
| 2 | Rotisserie Motor, Rod & 3 Screws | ROTISS-BI36-EB | Y | |
| 3 | LED Strips, 3 Strips | LED-BI36-B | Y | |
| 4 | Log/Grate Assembly | LOGS-BI36-B | Y | |
| 5 | Refractory Kit | REFRACT-BI36-B | Y | |
| 6 | Flame Screen | FLAME-BI36-B | Y | |
| 7 | Front | FRONT-BI36-EB | Y | |
| 8 | Glass | GLA-BI36 | Y | |
| 9 | Remote | REMOTE-ELECT-B | Y | |
| Stand-off, Base | Set of 2 | STANDOFF-ELEC-B | ||
| Hardware Bag Includes: Mounting Brackets, Screw (ST4 x 8), Screws (ST4 x 12) | HRDW-BI | Y | ||
| Remote Receiver | RECEIVER-ELECT | |||
| Installation Manual | 2040-980 | |||
| Plug-in Kit | PLUGIN-ELECT-B | |||
Contact Information
SimpliFire, a brand of Hearth & Home Technologies 7571 215th Street West, Lakeville, MN 55044 www.hearthnhome.com Please contact your SimpliFire dealer or customer / technical support (877-320-0730) with any questions or concerns. For the location of your nearest SimpliFire dealer, please visit www.hearthnhome.com.



















