CELSI B-1004521 Electriflame XD 850 HOW Electric Fireplace
IMPORTANT
This appliance can be used by children aged from 8 years and above and persons with reduced physical, sensory or mental capabilities or lack of experience and knowledge if they have been given supervision or instruction concerning use of the appliance in a safe way and understand the hazards involved! Children shall not play with the appliance!
Cleaning and user maintenance shall not be made by children without supervision. Children of less than 3 years should be kept away unless continuously supervised.
Children aged from 3 years and less than 8 years shall only switch on/off the appliance provided that it has been placed or installed in its intended normal operation position and they have been given supervision or instruction concerning use of the appliance in a safe way and understand the hazards involved. Children aged from 3 years and less than 8 years shall not plug in, regulate and clean the appliance or perform user maintenance.
INSTRUCTIONS
PLEASE READ THE INSTRUCTIONS CAREFULLY BEFORE INSTALLATION AND/OR USE OF THIS ELECTRIC FIRE AND RETAIN FOR FUTURE REFERENCE. WHEN USING ELECTRICAL APPLIANCES, BASIC PRECAUTIONS SHOULD ALWAYS BE FOLLOWED TO REDUCE THE RISK OF FIRE, ELECTRIC SHOCK AND INJURY TO PERSONS, INCLUDING THE FOLLOWING IMPORTANT SAFETY ADVICE. READ ALL INSTRUCTIONS BEFORE USING THIS APPLIANCE.
Regarding installation of the appliance;
- This appliance is supplied with a rewirable plug fitted with a 13A fuse. Should the fuse or plug need replacing, and you are competent to do so, it must be replaced with a
13A fuse and the plug muse be a 13amp BS1363A approved fitted with a 13A fuse. - Connect this appliance to single-phase AC supply of the voltage specified on the rating plate.
- This heater must be earthed. If in any doubt consult a suitable competent person.
- Ensure that the plug socket-outlet connection for this appliance is accessible.
- It MUST be readily accessible for easy electrical isolation in the event of servicing and replacing components etc.
- This appliance MUST NOT be located immediately below an electrical socket-outlet.
- Avoid the use of an extension cord as this may overheat and cause a risk of fire.
- This appliance is fitted with an automatic thermal cut out to reduce the risk of damage in the event of abnormal operation e.g. when covered. If the heater stops operating whilst the flame effect continues normally this indicates that the cut out is in operation. If this occurs disconnect the power supply at the plug socket-outlet and ensure that any obstructions to the fan heater outlet or fan blades etc. are removed. The heater will automatically reset when cool enough. The thermal cut out WILL NOT RESET unless the obstruction is removed and the appliance cools. If the heater is still not operating after 10 minutes disconnect the appliance and seek expert advice.
- If the supply cord is damaged it must be replaced by the manufacturer, its service agent or a similarly qualified person in order to avoid a hazard. The cable used MUST be capable of handling 2.5kW of power at 240V and MUST contain an earth wire.
- To completely shut this appliance off turn all the controls to OFF and remove the plug from the socket-outlet.
- Use the heater in a well-ventilated area.
Regarding persons operating the appliance;
- This appliance is not intended for use by persons (including children) with reduced physical, sensory or learning disabilities, or lack of experience and knowledge, unless given supervision or instruction concerning use of the appliance by a person responsible for their safety.
- Children should be supervised at all times to ensure that they do not play with the appliance.
- Extreme caution is necessary when any heater is used by or near children, disabled or elderly persons and whenever the heater is left operating unattended.
- DO NOT leave the heater unattended while it is in use. Always turn the appliance to the OFF position and unplug it from the electrical outlet when not in use.
- DO NOT operate this appliance with a damaged cord or plug, or after the appliance malfunctions, has been dropped or damaged in any way.
- DO NOT use this appliance with a programmable timer or any other device that switches the appliance on and off automatically. In order to avoid a hazard due to inadvertent resetting of the thermal cut out., this appliance must not be supplied through an external switching device, such as a timer, or connected to a circuit that is regularly switched on and off by an utility.
- DO NOT use this appliance as a freestanding appliance. It must always be fixed to a wall, fireplace or floor etc.
- DO NOT insert or allow objects to enter any ventilation or exhaust openings on the appliance. To prevent a possible fire do not block air intakes or exhaust openings in any manner.
- DO NOT use this appliance on soft surfaces, such as beds, where openings may become blocked. Use the appliance on flat, dry surfaces only.
- DO NOT place this appliance near flammable materials, surfaces or substances, as there may be a risk of fire. Keep flammable materials, surfaces or substances at least 1 meter from the front of the product and keep them away from the sides and rear.
- DO NOT use this appliance in any areas where petrol, paint or other flammable liquids are stored e.g. a garage or a workshop as the appliance contains components capable of producing a spark.
- DO NOT use this appliance in the immediate surroundings of a bath, shower or swimming pool. Make sure it cannot fall into water. Never touch the appliance with wet hands.
- DO NOT let bare skin touch any hot surfaces to avoid burns and personal injury. This heater is hot when in use.
- DO NOT use outdoors.
- CAUTION- Some parts of this product can become very hot and cause burns. Particular attention has to be given where children and vulnerable people are present.
THIS APPLIANCE IS FOR HOUSEHOLD USE ONLY.
Do not use this heater in small rooms when they are occupied by persons not capable of leaving the room on their own, unless constant supervision is provided.
KEEP THESE INSTRUCTIONS IN A SAFE PLACE
- Supplier Name / Trademark CELSI
- Supplier Model Identifier B-1004521 Electriflame XD 850 HOW
- Voltage 230v AC 50HZ
- Fuse 13 Amp
- Nominal Heat Output (Measured) 1.5 kW
- Minimum Heat Output (Indicative) 0.75 kW
- Maximum Continuous Heat Output 1.5 kW
- Auxiliary Electricity Consumption at Nominal Heat Output NA
- Auxiliary Electricity Consumption at Minimum Heat Output NA
- Auxiliary Electricity Consumption at Standby Mode 0.00038 kW
- Type of heat Output / Room Temperature Control With electronic room temperature control plus week timer Other Control Options With open window detection
- Manufacturers Name and Address BFM Europe Ltd. Gordon Banks Drive, Trentham
- Lakes, Stoke-on-Trent, Staffs, ST4 4TJ
- Tel: 01782 339000
- Fire Dimensions (Heater only) H 465 mm x W 1000 mm x D 110mm BFM EUROPE
INSTALLATION PREPARATION
WARNING! DO NOT USE THIS APPLIANCE IF ANY PART HAS BEEN UNDER WATER. IMMEDIATELY CALL A QUALIFIED SERVICE TECHNICIAN TO INSPECT AND TO REPLACE ANY PART OF THE ELECTRICAL SYSTEM IF NECESSARY.
- Open the packaging carefully and remove the foam.
- Remove and discard the plastic bag.
- Be responsible when handling the packing materials.
- Keep the original packaging for future transportation and/or storage.
- Check all accessories are removed from the packaging before storing it away for future use.
TOOLS REQUIRED
LOCATING YOUR ELECTRIC FIREPLACE/HEATER
This appliance may be installed virtually anywhere in your home. However, when choosing a location please ensure that the general instructions are followed. For best results, install out of direct sunlight.Make sure that the plug or fused spur is accessible after the electric fire is fitted.Before connecting the appliance make sure that its rating corresponds to that of the mains supply and the fuse is the correct rating. The appliance should be located close to a suitable mains socket-outlet to enable connection. The electrical socket-outlet must be easily accessible to allow disconnection.NOTE: the appliance is fitted with an inlet plug and socket underneath the right side of the casing. Always make sure that it is fully pushed in and secure before operating the fire. Damage could occur if it is not fitted properly.
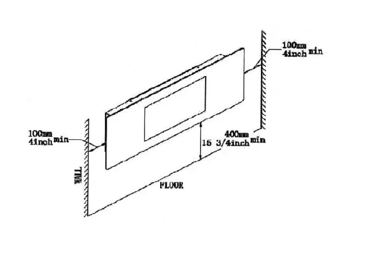
CLEARANCE TO NON-COMBUSTIBLES
- Sides…………… 4in. (100mm)
- Floor…………… 15 3/4 in. (400mm)
- Top…………….. 0 in. (0mm)
- Back…………… 0 in. (0mm)
Step 1: Using a screwdriver loosen the two screws that secure the wall mounting bracket to the top of the appliance and remove the wall mounting bracket as shown below (Figure 1).
Step 2: Choose a solid and plain wall. Position the mounting bracket where the appliance is to be installed on the wall and ensure that the bracket is level. Using a pen mark the 4 holes through the 4 holes on the mounting bracket as shown below (Figure 2)

Step 3: Take away the mounting bracket and then drill four 8mm diameter holes on the wall. Insert plastic wall plug into the drilled holes (Figure 3). If installing the appliance on a solid wood wall there is no need to drill the holes in the wood and no need for the plastic wall plug.
Step 4: Fix the mounting bracket using the four screws supplied (Figure 4).
Step 5: Hang the appliance on the hooks at the bottom of the bracket and push the top of the appliance into the mounting bracket. Now fix the appliance to the mounting bracket by refitting the two M4×8 screws which were removed in step 1 (Figure 5).
Step 6: Fit the glass front as shown as below. Then secure the glass front by two butterfly bolts.
CAUTION! THE UNIT’S POWER CORD MUST BE CONNECTED TO A PROPERLY EARTHED AND PROTECTED 230V OUTLET. ALWAYS USE EARTH FAULT PROTECTION WHERE REQUIRED BY THE ELECTRICAL CODE.
This appliance can be operated by both a remote control and a manual keypad. Once the unit has been properly connected to an earthed electrical socket-outlet ensure the manual On/Off switch, located on the right hand side of the appliance, is in the ‘ON’ position.
MAUNAL ON/OFF SWITCH
This switch turns the appliance on/off. The manual on/off switch must be in the ‘ON’ position when using both remote and manual operation.
WARNING! DO NOT OPERATE THE UNIT IF IT IS DAMAGED OR HAS MALFUNCTIONED. IF YOU SUSPECT THE UNIT IS DAMAGED PLEASE CALL A QUALIFIED SERVICE TECHNICIAN TO INSPECT AND TO REPLACE ANY PART OF THE ELECTRICAL SYSTEM IF NECESSARY.
The Fireplace/Heater Unit
On the top right side plate of the fireplace/heater unit is the control panel. This panel contains the buttons to properly operate the fireplace/heater unit. Refer to below figure for placement of the control buttons.
The first button on the control panel is the (1) Main Power button which is used to switch the appliance ON and OFF The next button is the (2) Flame Control button. Pressing this button controls the flame and fuel-bed lights. Further presses of the button will cycle through the available brightness settings as listed below and eventually back to OFF. The next button is the (2) Flame Control button. Pressing this button controls the flame and fuel-bed lights. Further presses of the button will cycle through the available brightness settings as listed below and eventually back to OFF.
Pressing the next button (3) L heat Control, cycles the low heat ON and OFF, whilst the (4) H_heat Control button cycles the high heat On and OFF. The fuel bed lights will flash one time to indicate that the heat function is ON or OFF.
Lock or unlock heat function mode:
When the appliance is ON, pressing and holding the (4) H_heat Control button for 10 seconds will flash the fuel bed lights 6 times to show the heater function has been locked. Each time you press either (3) L heat Control or (4) H heat Control buttons, the fuelbed lights will flash 6 times to show the heat mode is locked. To unlock the heat function, press and hold the (4) H_heat Control button for 10 seconds until the fuel bed lights flash 6 times to show the heater function has been unlocked. The final button is the (5) Decorative lights Control – not available on this fire
Remote Control Button Function
Remove the battery cover on the back of the handset by sliding downwards and insert 2 x AAA batteries ensuring that the batteries are fitted correctly. Refit the battery cover. Ensure that the ON / OFF Power Switch on the fire is in the ON position.
OPERATING INSTRUCTION WITH REMOTE CONTROL
Point the remote control handset directly towards the fire and press the appropriate button to operate the fire. The fire will respond with a beep to accept the new programmed setting. The handset has a memory function that will restart the fire with the last settings except for the Sleep timer function which will always reset to OFF.
POWER
The Power button turns the appliance ON or OFF.
MODE
The mode button is used to cycle through the 3 available setting modes – Flame, sleep timer, heat .
FLAME
When the flame icon is selected, the flame segment icon will blink for 5 seconds. During this period the flame settings can be changed using the or buttons to select the available brightness settings. ( High, Med, Low, Dynamic) or OFF. If no buttons are pressed within 5 seconds the flame segment icon will stop blinking and the flame brightness will be set to memory. To change the flame setting again press the cycle button again which will blink the flame segment icon allowing the flame setting to be changed.
SLEEP TIMER
When the timer icon is selected, the 00 icon will blink, pressing the or buttons within 5 seconds will adjust the sleep timer range from 1-8 hours. If no buttons are pressed within 5 seconds the timer icon will stop blinking and the timer will be set to memory. To change the timer again press the cycle button which will blink the timer icon allowing the duration to be changed. To switch off the timer function set this to 00.
HEAT
When the heat icon is selected and blinking, pressing the or buttons within 5 seconds will adjust the heat output between Low Heat (0.75kW) , High Heat (1.5kW) , and OFF (OF) options. If no buttons are pressed within 5 seconds the heat icon will stop blinking and the heat output will be set to memory. To adjust again press the cycle button which will blink the heat icon allowing the heat output to be changed. Pressing the cycle button switches between heat output and room temperature setting.
NOTE: If the set handset temperature is below the current room temperature then the heater will not operate until the room temperature has dropped. The product has a 10% tolerance on cycle temperature To switch the temperature display between Celsius and Fahrenheit, press and hold the 5 seconds.
SIDELIGHT
This is not available on this fire.
Setting the Clock
Press and hold the cycle button for 5 seconds until the day number flashes. Using the or buttons set this between 1 and 7 to represent the current day of the week (1 – Monday, 2 Tuesday, 3 Wednesday etc.) Press the cycle button to highlight the TIME hour display and set using the or Press the cycle button to highlight the TIME minute display and set using the or Leave for 5 seconds to lock in the settings.
Energy-saving function
If the heater detects a drop in temperature caused by an open window or door whilst in heat mode it will shut off the heater followed by 3 beeps. To restart the heater press the flashing heat button.
IMPORTANT
This appliance is fitted with an automatic thermal cut-out safety feature to reduce the risk of damage to the appliance in the event of overheating e.g. when covered. If the thermal cut out has detected an abnormal temperature rise within the appliance it will beep and shut off the fan heater preventing it from restarting. If this occurs switch off the fire using the ON/OFF switch, unplug from the socket and allow the appliance to cool. Ensure that there are no obstructions to the fan heater outlet or fan blades etc. Once cool, the thermal cut-out will have reset allowing you to continue safely using your fire. If the heater is still not operating correctly after 20 minutes disconnect the appliance and call customer service.
MAINTENANCE INSTRUCTIONS
- Always remove the plug from the socket outlet and allow the heater to cool down before cleaning it.
- Wipe the exterior surface of the appliance occasionally with a soft damp cloth (not dripping wet) and dry the exterior surface before operating the heater.
WARNING!
- Do not immerse the heater in water.
- Do not use any cleaning chemicals such as detergents and abrasives. Do not allow the interior to get wet as this could create a hazard.
- Light accumulated dust may be removed from the appliance with a soft dry cloth.
- To store away the appliance put it back in to its original packaging and store it in a clean dry place.
- In the event of malfunction do not try to repair the heater yourself as this may result in a fire hazard or electric shock.
NOTE: The blower motor and flame motor are pre-lubricated for a durable period of time and need no further lubrication or maintenance. As the dust particles will accumulate on/in the fireplace, so periodic cleaning/ vacuuming of the fireplace is recommended.
ENVIRONMENT
Do not dispose of electrical appliances as unsorted municipal waste. Use separate collection facilities. Contact your local government for information regarding the collection services available in your local area. If electrical appliances are disposed of in landfills or dumps hazardous substances can leak into the groundwater and get into the food chain, thus damaging your health and wellbeing. When replacing old appliances with new ones the retailer is legally obligated to take away your old appliance for disposal free of charge
QUALITY GUARANTEE
In the unlikely event of a problem occurring due to a manufacturing fault within 24 months from the date of purchase, the appliance will be repaired or replaced free of charge.
This warranty does not cover consumable items which have a limited lifespan. If a problem should occur, the nature of the problem together with the date of purchase and installer information should be immediately reported to the retailer that the appliance was purchased. Proof of purchase will be required so the original invoice should be retained.



















