PARAGON 8020 Pro Series Glass Drop Door
Important Owner Information
Record the model number, serial number, and voltage in the spaces below (the data plate is located on the operator’s side of the machine in the bottom right). Please have this information available when calling Paragon for service assistance.
SAFETY PRECAUTIONS
Paragon values your continued safety above all else. Please follow these guidelines when using your equipment to prevent injury and maximize product performance:
- No direct contact to equipment by the general public should be allowed when used in food service locations. Only trained personnel should operate this equipment.
- Carefully read any and all instructions before beginning operation of the equipment.
- Always wear safety glasses when servicing equipment.
- Avoid touching the cabinet surfaces which may have temperatures over 170° F. (77° C). Use caution when opening doors due to steam exiting out.
- Any repair made to this equipment by anyone other than qualified personnel will void warranty and may also create unsafe working conditions. NEVER make alterations to the equipment without first consulting Paragon’s customer service who will provide assistance or documentation for any electrical repairs.
- The machine must be properly grounded to prevent electrical shock.
- Do NOT immerse this unit in water. Doing so may damage equipment and prevent it from working properly.
- Always unplug equipment before cleaning or servicing to prevent electric shock.
INTRODUCTION
Our goal is to provide you with the best solutions to attract customers, expand your business, and improve your profits. That’s why this product has been specially-crafted to meet precise specifications for performance, efficiency, and output.
Your Paragon hot dog steamer features:
- Heavy-duty 20-gauge stainless steel construction plus tempered glass doors and panels for sanitary food environment and easy cleaning.
- Removable product trays make for simple easy clean up. Dishwasher safe!
- Low water indicator LED on 8020 and 8030 models and on/off power LED.
- Automatic shutoff feature when water gets below a certain level, plus, quick turn water release valve to empty reservoir.
- With a range of 85-175 degrees Fahrenheit, the adjustable thermostat can be set for accurate temperature control ensuring proper temperature for fresh, plump hot dogs.
- Large capacity water reservoir holds eight quarts (7.5 liters) for all day steaming.
- Submersible stainless steel 1300-watt element.
- Drain valve allows water to be removed from the water reservoir safely and quickly.
- Includes power cord & plug (NEMA 5-15p)
- NSF/ASNSI Standard 4 by ETL
- UL Listed
- CSA 22.2, NO. 109
- CE
- One year warranty
Should you have any questions about your equipment, or would like to know more about our other innovative concession equipment and supplies, please contact us at 1-800-433-0333 or visit us on the web at Manufacturedfun.com
ELECTRICAL REQUIREMENTS
This product requires a properly grounded 120 volt supply with a 15 amp circuit, and uses a NEMA style 5/15 plug. We recommend your Paragon hot dog steamer be plugged directly into a dedicated outlet. Extension cords may create a safety hazard and reduce its performance. Be sure outlet accepts three (3) prong grounded plug. DO NOT use a three (3) prong to two (2) prong adapter.
UNPACKING
Paragon carefully inspects each product during assembly and after completion to adhere to strict quality guidelines and packs it securely to ensure safe delivery to each of our customers. Be sure to carefully remove all packing material and adhesive before any operation. Please examine your product to guarantee all equipment has arrived complete and in good condition. If you believe that any damage may have occurred during shipment or parts may be missing, please contact Paragon immediately for a replacement.
OPERATING INSTRUCTIONS
Be sure equipment is connected to properly grounded 120 volt power supply with 15 amp circuit.
- Always clean unit before each use.
- Make sure the water release valve is turned to the off position. Fill the water pan with water, up to 8 quarts (7.5 liters) [see page 10]. For optimal performance, we recommend distilled water.
- Insert hotdog and bun trays.
- Plug cord in and turn the POWER switch to ON.
- Turn heat control to “HIGH” position and allow the unit to warm up for 45 minutes.
- Place hotdogs on the dog tray and steam accordingly. Always use pre-cooked hotdogs. Be sure to arrange hotdogs loosely to allow the steam to circulate freely between each of them. Hot dogs should reach an internal temperature of 170°F before serving. The time it takes to heat up the hot dogs will vary based on placement and quantity of the hot dogs.
- Once all hotdogs have reached serving temperature, turn the thermostat down to between 160°F-170°F to keep them warm. CAUTION: Use tongs to remove hotdogs from the steamer as the product will be hot to the touch.
- You can place several buns in the bun compartment as needed. This is a highly efficient steam generator and warmer, leaving the buns in too long will result in either soggy or overcooked buns.
- If the low water indicator light comes on, add up to 4 more quarts of water to restart the heating element.Steam is vaporized water; the visible mist is condensation as a result of boiling water mixing with the cooler air. This mist does consist of tiny droplets of liquid. Please take this into consideration when placing the hot dog steamer. There will be condensation, drops of water and possible pooling of water in, on and around the hot dog steamer and the surface on which it is placed. Paragon cannot be held responsible for any water damage resulting because of this.
CLEANING & MAINTENANCE
It is recommended that the steamer be cleaned out daily using suitable cleaners that may be used on food service equipment. WARNING: To reduce electrical shock or injury always make sure the machine is turned off and unplugged before cleaning.
- Empty the water pan using the quick turn water release valve located on the side of the unit. The water can get greasy, so it is essential that it be changed frequently. CAUTION: The water will be hot!
- Carefully remove doors (8020, 8030 and 8080 models) and all interior components (dog trays, bun trays and dividers).
- Wash all interior parts as well as hood, doors and water pan as necessary with soap and water. Use care to avoid damaging the float switch and thermostat bulb in the base.
- Heating Element Cleaning: The heating element should be cleaned on a regular schedule to avoid excessive lime build-up. This will vary depending on the hardness of the water. Excessive build-up will affect the steamer performance and shorten the life of the heating element. It is recommended to use a hand cleaning brush with brass bristles to scrub the element while it is immersed in warm to hot water. (In severe cases, “fine” steel wool could be used.) Please refer to the sheet regarding lime scale prevention which was included with your machine.
- The stainless steel body of the steamer is easy to keep clean. Usually a damp cloth will remove all dirt and grease spots. NEVER use abrasives on the stainless steel body or the vinyl labels. Clean gently with soap and water.
- Take special precautions when cleaning around electrical switches on control panel. Use a damp cloth. NEVER spray or allow any water to run near the seams on the control panel that may allow circuits to be damp or wet inside the component box. Use a sponge or cotton swab applicator to clean plastic knobs.NEVER use water on the electrical components in the control panel.
TROUBLESHOOTING AND HELPFUL HINTS
If the hot dog steamer will not warm up please check to ensure that the float switch (located in the water pan) is not stuck down. It is especially important to note that excessive door opening of the unit will decrease the cabinet temperature and the machine will need time to recover to get back to temperature. Every time the door opens the cabinet temperature will drop an average of 20ºF. Hot Dog bun placement is also crucial. We suggest wiping the condensation off the bun trays before putting buns on them. Buns will be ready to use after 5-10 minutes in the unit. Wrapping the buns in foil wrappers will help decrease the odds of having soggy/overcooked buns.
CONTROLS AND THEIR FUNCTIONS
Variable Adjustable Thermostat:
Infinite heat control. Controls the heavy-duty submersible heating element located in the base which controls the amount of heat going to the water pan to generate steam.
Illuminated ON/OFF switch (Models 8020, 8030 & 8080):
Provides a positive indication via green LED that the machine is turned on.
Low Water Indicator Light (Models 8020 and 8030):
The hot dog steamer has an automatic shutoff feature when the water level gets too low. When the low water indicator light turns on, the heating element will automatically shut off until more water is added. The water reservoir holds a maximum of 8 quarts, but the low water light will come on when it gets down to 4 quarts. We then recommend you add 4 more quarts to return it to full capacity.
Quick Turn Water Release Valve:
Located on the side of the unit, it eliminates burned fingers and spilt water, as well as allowing for easier cleaning. Paragon values your continued safety above all else. Please follow these guidelines when using your equipment to prevent injury and maximize product performance: WARNING: Always turn the POWER switch to OFF when the machine is not in use. Do not operate with a damaged cord or plug or after the machine malfunctions, has been dropped or damaged. This hot dog steamer is an electrical appliance and is not intended for use in wet location. Never locate the hot dog steamers where it may fall into a water container. Do not insert or allow foreign objects to enter any ventilation or exhaust opening as this may cause an electrical shock, fire or damage to the appliance.
Hot Dog Steamer Base (Water Pan)

Hot Dog Steamer Base (Water Pan)(8080)
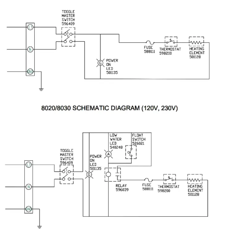
Wiring Diagrams
Replacement Parts
| Item Number | Part Number | Description | ||
| 1 | 596409 | Master Switch – Toggle | ||
| 2 | 501128 | Heating Element | ||
| 3 | 598200 | Thermostat | ||
| 4 | 596039 | Relay | ||
| 5 | 540248 | Low Water Indicator Light | ||
| 526021 | Float Switch | |||
| 7 | 501135 | Power Indicator Light | ||
| 8 | 588111 | Thermal Fuse | ||
| 9 | 596019 | Back Glass | ||
| 10 | 596046 | Ball Valve Drain | ||
| 11 | 512092 | Power Cord | ||
| Part Number | Description |
| 598025 | Brass Brush |
| 596025 | Bun Tray (Model 8020) |
| 596026 | Hot Dog Tray (Model 8020) |
| 596021 | Sliding Glass Doors (Model 8020) |
| 501129 | Upper Dog Tray (Model 8030) |
| 201130 | Lower Dog Tray (Model 8030) |
| 501131 | Bun Tray (Model 8030) |
| 501132 | Grease Pan (Model 8030) |
| 501133 | Divider (Model 8030) |
| 501168 | Drop Door (Model 8080) |
| 501127 | Bun Tray (Model 8080) |
| 501134 | Drop Down Glass Door (Model 8030) |
| 501126 | Hot Dog Tray (Model 8080) |
Assembling the Tong Hook

Inserting Trays (Model 8020)
Inserting Sliding Glass Doors (Model 8020)

Inserting Trays (Model 8030)

Inserting Dog Trays (Model 8080)

Inserting Drop Door (Model 8080)
References
PARAGON - Paragon is the leading manufacturer of concession equipment, popcorn machines, snow cone machines, cotton candy machines, other innovative products and concession supplies.
PARAGON - Paragon is the leading manufacturer of concession equipment, popcorn machines, snow cone machines, cotton candy machines, other innovative products and concession supplies.
PARAGON - Paragon is the leading manufacturer of concession equipment, popcorn machines, snow cone machines, cotton candy machines, other innovative products and concession supplies.






















