Owner’s Manual
BASIC SETUP DIMENSIONS & ASSEMBLY NOTES
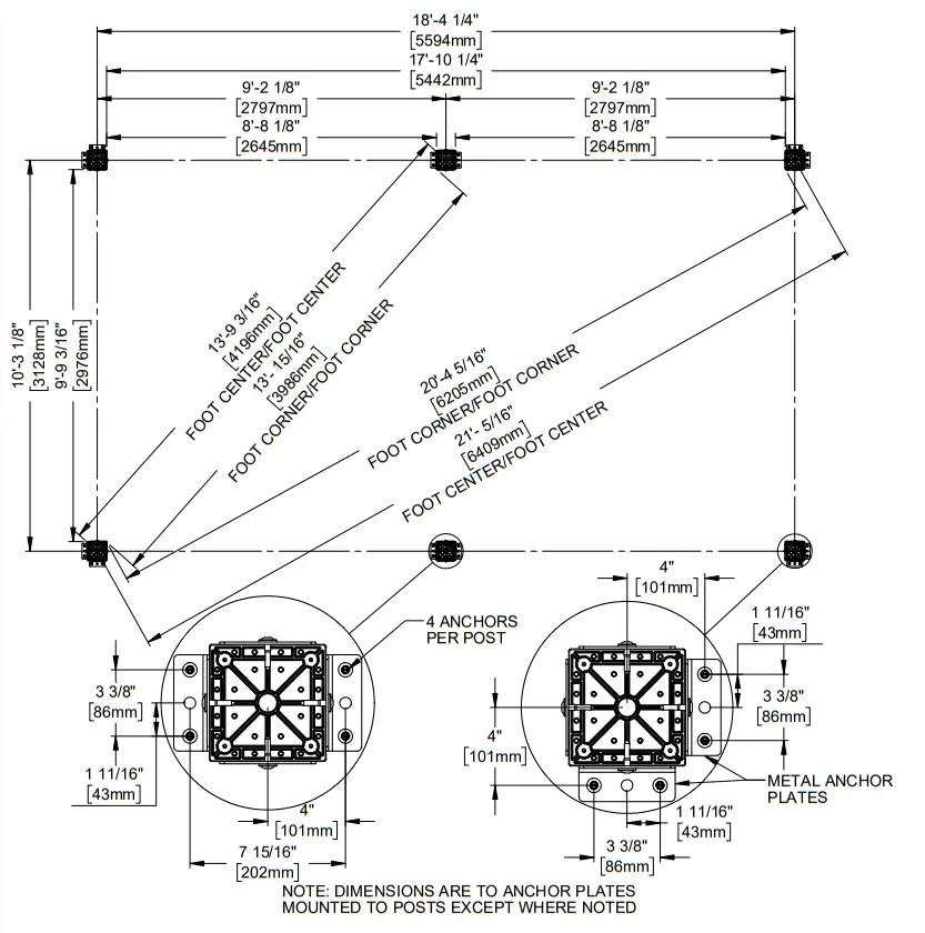
It is critically important that you start with square and level footings, a concrete pad, or a deck to attach your structure
- Pay close attention to the items needed for each step. Make sure you are using the correct hardware for each step. Using incorrect hardware may result in improper assembly
- Remember to double-check for underground utilities and overhead electrical lines
Post mounts are provided with your structure which allows you to permanently install your structure to a pre-existing or new wood or concrete surface. See Anchor Instructions for further details and recommendations.
- The hardware to attach the post mounts to the structure is included.
- The hardware to mount the structure permanently to a concrete surface is included.
- The hardware to mount the structure permanently to a wood deck is NOT included and will need to be purchased separately. You must ensure there is ample structural support under the deck before permanently attaching it.

ANCHORING LAYOUT
















