LENTON
Ultimate Position Splice
MT02 and PM09
CONNECT AND PROTECT
PM09 Ultimate Position Splice

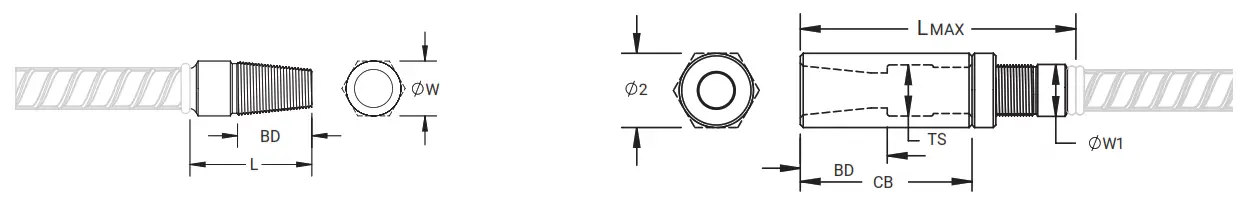
MT02 MALE TAPER STUD

Material: Steel | Finish: Plain
FEATURES
- Installs quickly and easily
- Utilizes the standard nVent LENTON taper profile
- Designed to splice two curved, bent or straight bars, when neither bar can be rotated and where the ongoing bar is free to move in its axial direction
- No special tools or skills required
- Generous axial adjustability
PM09 FEMALE POSITION ASSEMBLY
Material: Steel | Finish: Plain
| Part Number | Hex Width W | DiameterØ | Length L | Bar Depth BD | Unit Weight | Rebar Size Metric | Part Number | Hex WidthW | Hex Diameter 1 Ø1 | Hex Diameter 2 Ø2 | Coupler Body LCB | Length L | Bar Depth BD | Unit Weight |
| LU16MT02 | 27 mm | – | 58 mm | 39 mm | 0.16 kg | 16 mm | LU16PM09 | 27 mm | – | 35 mm | 95 mm | 156 mm Max | 39 mm | 0.82 kg |
| LU20MT02 | 30 mm | – | 67 mm | 44 mm | 0.28 kg | 20 mm | LU20PM09 | 30 mm | – | 40 mm | 109 mm | 180 mm Max | 44 mm | 1.12 kg |
| LU25MT02 | – | 35 mm | 78 mm | 49 mm | 0.49 kg | 25 mm | LU25PM09 | – | 35 mm | 50 mm | 116 mm | 187 mm Max | 49 mm | 1.89 kg |
| LU32MT02 | – | 45 mm | 95 mm | 61 mm | 0.93 kg | 32 mm | LU32PM09 | – | 45 mm | 60 mm | 136 mm | 223 mm Max | 61 mm | 3.93 kg |
| LU40TMT02 | – | 60 mm | 118 mm | 77 mm | 1.89 kg | 40 mm | LU40TPM09 | – | 60 mm | 75 mm | 162 mm | 263 mm Max | 77 mm | 6.24 kg |
Bar dimensions and weights listed may vary by region. Coupler sizes not shown may be available by special order.
Contact your nVent LENTON representative for more information.
PM09 Female Position Assembly is comprised of MS09 Male Parallel Stud, PT09 Parallel to Taper Coupler and NS09 Locking Nut.
Designed to Meet: AASHTO;ABNT NBR 8548:1984;ACI 318 Type 1 (125% Specified Yield);ACI 318 Type 2 (Specified Tensile);ACI 349;ACI 359;AS3600;BS EN 1992-1-1;BS EN 1992-2;CAN/CSA – N287.2/.3/.4;DIN EN 1992-1-1;Eurocode 2;IBC Type 1 (125% Specified Yield);IBC Type 2 (Specified Tensile);ISO 15835;NEN EN 1992-1-1;NF A 35-020-1;NF EN 1992-1-1;ÖNORM EN 1992-1-1;Sellafield Ltd. Std. ES_0_3110;US Army Corps of Engineers;CAN/CSA – A23.3
Our powerful portfolio of brands:
| CADDY | ERICO | HOFFMAN | RAYCHEM | SCHROFF | TRACER |
©2022 nVent. All nVent marks and logos are owned or licensed by nVent Services GmbH or its affiliates. All other trademarks are the property of their respective owners.
nVent reserves the right to change specifications without notice.
LENTON-DS-H87817-MT02PM09-EN-2204


















