ULINE Manual Carton Stapler User Guide

MANUAL CARTON STAPLER

MANUAL CARTON STAPLER
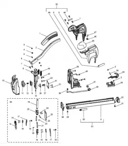
| # | DESCRIPTION | QTY. | ULINE PART NO. | MFG. PART NO. |
| 1 | Plastic Grip | 1 | ———– | 165126 |
| 2 | Handle | 1 | ———– | 165127 |
| 3 | Retainer | 4 | H-1335-41 | 951020 |
| 4 | Fix Ring | 2 | H-1993-95006 | 950006 |
| 5 | Axle | 1 | H-1993-AXLE | 145170 |
| 6 | Pin | 1 | ———– | 945117 |
| 7 | Screw | 6 | H-1440-94676 | 946767 |
| 8 | Casting | 1 | H-1993-CSTNG | 161367 |
| 9 | Cage | 1 | ———– | 150421 |
| 10 | Front Section | 1 | H-1335-13954 | 139542 |
| 11 | Penetration Control Knob | 1 | H-1440-CKNOB | 165124 |
| 12 | Spring | 1 | H-1440SPRING | 173155 |
| 13 | Screw | 1 | H-1440-SCREW | 946651 |
| 14 | Anvil Holder | 2 | H-1440-ANHLD | 176417 |
| 15 | Pin | 4 | H-1440-PIN | 945096 |
| 16 | Spacer | 2 | H-1440-SPACR | 147127 |
| 17 | Anvil Hook 15-18 | 2 | H-1440-58316 | 158316 |
| 18 | Link | 1 | ———– | 163325 |
| 19 | Screw | 2 | H-1335-SPCR | 946687 |
| 20 | Pin | 2 | H-1440-94511 | 945115 |
| 21 | Link | 2 | H-1440-LINK | 163326 |
| 22 | Connecting Yoke | 1 | ———– | 161357 |
| 23 | Axle | 1 | H-1993-PINAX | 145168 |
| 24 | Pin | 2 | ———– | 145171 |
| 25 | Driver Blade | 1 | H-1440-BLADE | 164296 |
| 26 | Bushing | 1 | H-1440BUSHING | 150420 |
| 27 | Penetration Eccentric | 1 | ———– | 163321 |
| 28 | Rear Nozzle Plate | 1 | H-1440-RNOZL | 166225 |
| 29 | Screw | 1 | ———– | 946696 |
| 30 | Label Magazines | 1 | ———– | 110324 |
| 31 | Screw | 3 | ———– | 946769 |
| 32 | Magazine Lid | 1 | H-1440-MAGZ | 170174 |
| 33 | Feeder Spring | 1 | H-1440-FEEDS | 174074 |
| 34 | Pusher | 1 | H-1440-PUSHR | 161354 |
| 35 | Finger Grip | 1 | H-1440-FGRIP | 165122 |
| # | DESCRIPTION | QTY. | ULINE PART NO. | MFG. PART NO. |
| 36 | Shaft | 1 | H-1440-SHAFT | 145166 |
| 37 | Roller | 1 | H-1440-44 | 150414 |
| 38 | Screw | 1 | ———– | 946518 |
| 39 | Rear Body | 1 | H-1440-RBODY | 155157 |
| 40 | Screw | 6 | H-1335-SCREW | 946780 |
| 41 | Front Nozzle Plate | 1 | H-1440-FRNZL | 162993 |
| 42 | Screw | 2 | H-1440-49 | 946761 |
| 43 | Washer | 2 | H-1440-50 | 947062 |
| 44 | Spring | 2 | H-1993-44SPR | 173178 |
| 45 | Handle | 1 | H-1993-45Q | 165123 |
| 46 | Nut | 1 | H-1993-46Q | 946003 |
| 47 | Screw | 1 | H-1993-47Q | 946773 |
| 48 | Label Magazines | 1 | ———– | 110316 |
| 49 | Label Magazines | 1 | ———– | 110318 |
| 50 | Clinch Unit Complete (Includes Parts 14-25) | 1 | H-1993-CLNCH | 134316 |
| 51 | Rail Assembly (Includes Parts 30 and X) | 1 | H-1440-RASSM | 132798 |
| 52 | Cap Complete (Includes Parts 48, 49, X and X) | 1 | H-1993-CAP | 139532 |


















