
samlexpower EVO-2212 Evolution Series Inverter/Charger Pure Sine Wave

Thank you for purchasing the Samlex EvolutionTM (EVOTM) Series Inverter Charger. We know you will enjoy many years of great service from this quality state-of-the-art product. Samlex Customer Service and Application Engineers are available to assist you with installation, setup, or operating instructions.
The EVOTM Inverter Charger is highly configurable for many different and specific applications. To get you up and running quickly, we have created this simple overview Reference Guide to assist you with the basic setup procedures so that you may later configure for your specific needs.
What’s in the Box
| EVO-2212 | EVO-2224 | EVO-3012 | EVO-4024 | |
| EVOTM Inverter Charger | 1 | 1 | 1 | 1 |
| EVOTM Owner’s Manual | 1 | 1 | 1 | 1 |
| EVOTM Quick Start Guide | 1 | 1 | 1 | 1 |
| EVO-RC Owner’s Manual | 1 | 1 | 1 | 1 |
| EVO-BCTS | 1 | 1 | 1 | 1 |
| Mating Connectors | 3 | 3 | 3 | 3 |
| Insulated Cord End Terminals AWG#10 | 3 | 3 | – | – |
| Insulated Cord End Terminals AWG#8 | 6 | 6 | 9 | 9 |
| Insulated Cord End Terminals AWG#6 | – | – | 6 | 6 |
- Contact your supplier if any of the items is missing. If any damage is observed, do not proceed with the installation of the EVOTM.
- Check that the model and specifications are correct (e.g. 12 or 24 Volt battery system, AC voltage and output power meets the load requirements).

Read the entire EVOTM Owner’s Manual as well as the Remote Control EVO-RC Owner’s Manual
- Familiarize yourself with its contents prior to installation or operation. This Guide will frequently refer to specific pages in the Owner’s Manual for detailed information.
WARNING! If there are any items in Sections 1, 2 or 3 of the Owner’s Manual that you do not understand, do not attempt to install the unit yourself. For a safe and code compliant installation, consult a Certified Electrician who is familiar with Local and National Electrical Codes.
CAUTION! All electrical systems, both DC and AC, must be disconnected from the source during installation.
- Use of isolated tools is recommended
- Re-read the safety instructions in Section 1 of the EVOTM Owner’s Manual
INFO
This Guide provides basic steps required for planning the installing and operating EVOTM Series Inverter Charger based on the following typical installations:
- Typical Shore Based Installation: Fig 1
- Typical Mobile Installation: Figs 2A and 2B
Select the appropriate installation diagram for your application. Based on the specific application, actual installation procedure will vary. Plan the installation accordingly.
EVO INVERTER/CHARGER

DC SIDE OF EVO
- Battery Positive
- Battery Negative
- External Charger Positive
- External Charger Negative
- Grounding Terminal
- RF-45 Jack for Temperature Sensor
- RJ-45 Jack for Optional Remote Control EVO-RC
- Status Relay Terminals for initiating automatic generator start/stop
AC SIDE OF EVO
- GRID LINE
- GRID GND
- GRID NEUTRAL
- GEN LINE
- GEN GND
- GRID NEUTRAL
- GEN LINE
- GEN GND
- GEN NEUTRAL
- OUTPUT LINE
- OUTPUT GND
- OUTPUT NEUTRAL
OTHER
- Circuit breaker
- 120 VAC Leg A
- 120 VAC Leg B(Legs A&B are split phases)
- Neutral Bus Bar
- System Bonding Jumper
- Grounded Bus Bar
- Grounding Electrode (Ground Rod) Grounding Electrode Conductor
- Earth Connector on generator (bonded to frame/chassis of the generator)
- Neutral terminal of generator output
- Line terminal of generator output
- Grounding terminal of generator output
CAUTIONS!
- When both the Grid and Generator are connected to the EVOTM simultaneously as shown in this Fig 3.14, please ensure that:
- The generator chassis/frame is grounded to the Earth Ground through Ground Rod of the Grid Electrical Panel and
- The Neutral conductor of the generator is NOT bonded to the chassis/frame of the generator. Please refer to Section 3.14.2.1 for details.
- If only Generator is connected (no Grid connection), the Neutral of the Generator SHOULD BE BONDED to its metal frame. Please refer to Section 3.14.2.2
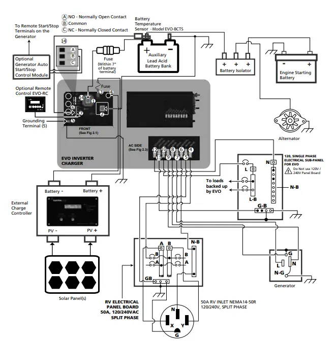
EVO INVERTER/CHARGER
Fig 2A A Typical Mobile Installation Using 30A,120 VAC, Single Phase RV Service Inlet
Fig 2B Typical Mobile Installation Using 50A, 120/240 VAC Split Phase RV Service Inle
Layout of the EVOTM
- Refer to Section 2 starting at page 30 of the EVOTM Owner’s manual to become familiar with all the relevant connection points and components.
Mounting the Units
- Refer to mounting information at Section 3.3 starting at page 34 of the EVOTM Owner’s Manual
- Plan a safe location and routing of wiring for the associated components
- Ensure the mounting surface is strong enough to support the weight of at least 60Kg/132lbs
- Ensure that the mounting location is cool, dry and allows unobstructed air flow for cooling
- Mounting requires four (quantity 4) M6 or ¼” bolts to secure the inverter horizontally or vertically on a wall with at least 8”/200 mm clearance around the unit. All dimensional information is shown in Fig 3.1 at page 34 of the EVOTM Owner’s Manual.
CAUTION! PLAN SYSTEM GROUND AND GROUND FAULT PROTECTION PRIOR TO INSTALLATION
- Ensure that the entire installation is properly grounded to meet Local and National Electrical Codes.
- Refer to typical grounding arrangement at Fig 3.12 at page 54 of the EVOTM Owner’s Manual.
- Ensure that the AC Neutral is bonded to the Earth Ground at only one point.
Plan the Battery Bank
- Select the type and size of the battery bank and bank configuration. Refer to Section 3.4 starting at page 36 of the EVOTM Owner’s Manual regarding installation of batteries.
- Determine the overall Ah capacity (C) of the battery bank.
- Check with the battery manufacturer regarding maximum recommended charging current. The factory default “Bulk Current” parameter is set to 40A.
- Locate an appropriate area for the battery bank and cable routing to the EVOTM.
- The EVOTM comes with a battery temperature sensor model EVO-BTS. This sensor provides battery temperature information to the charging algorithm to ensure a proper and safe charge to the battery. Refer to Section 2.5 starting at page 33 of the EVOTM Owner’s Manual.
- An appropriately sized DC disconnect switch is recommended.
Select and procure the appropriate wire size and lengths for the intended type of installation along with the appropriate breaker/fuse sizes
- For sizing the AC input wiring and breakers, refer to TABLE 3.2 at page 50 of the EVOTM Owner’s Manual.
- For sizing the AC output wiring and breaker, refer to TABLE 3.3 at page 52 of the EVOTM Owner’s Manual.
- For sizing the DC (Battery side) wiring and fuse, refer to TABLE 3.1 at page 44 of the EVOTM Owner’s Manual.
Determine whether the optional EVO-RC remote control is necessary for your application
- The Optional EVO-RC Remote Control provides useful functional information such as battery voltage, battery charging status, and AC output power. EVO-RC Remote Control is also capable of logging events to an SD card to create a history record of usage and performance.
- EVO-RC Remote Control is required to adjust any of the programmable parameters to customize its functionality to your specific requirements. For all programming instructions, please refer to the EVO-RC Owner’s Manual
- If the factory defaults are adequate for your requirements or once parameters are adjusted to meet your requirements, it is not necessary to keep the EVO-RC attached to the EVOTM Inverter Charger to maintain functionality.
- If the user would like to have the EVO-RC Remote Control installed, there is a 1:1 wall cutout template in the EVO-RC box for a flush-mounted installation with basic installation instructions.
WARNING!
If there are any items in Sections 1, 2 or 3 of the Owner’s Manual that you do not understand, do not attempt to install the unit yourself. For a safe and code compliant installation, please consult a Certified Electrician that is familiar with Local and National electrical codes.
All electrical systems both DC and AC must be disconnected from the source during the installation. Use of isolated tools is recommended.
You are now ready to install the EVOTM Inverter Charger
- Re-read Section 3, starting page 34 of the EVOTM Owner’s Manual
- Mount the EVOTM in the planned location
- Mount, cable, and attach the optional EVO-RC Remote Control, if desired
- Install AC Input and AC output wiring and breakers
- Install the battery bank in the planned configuration
- Connect the battery bank to the EVOTM Inverter Charger
- Recheck all wiring, grounding, and connections
If all wiring, grounding, and connections are correct, complete the installation
- Tighten cable glands
- Install DC terminal covers
- Replace AC access cover
- Place DC fuse in fuse holder. When placing this fuse a spark can occur.
- Switch on the DC
- Switch on the AC
Switch on the EVOTM Inverter Charger. Refer to Section 6 starting at page 109 of the EVOTM Owner’s Manual
- Press and hold the ON/OFF Button.
- Green LED labeled “ON” will flash 3 times, will go off momentarily, then resume ON steady. Now release the ON/OFF Button (This procedure takes around 2 sec).
- If the EVO does not start immediately, switch OFF the DC and AC power.
- Investigate the cause of the malfunction by referring to “Fault Messages and Troubleshooting Guide” in Table 7.1 of Section 7 of the EVO-RC Owner’s Manual.
INFO
The optional EVO-RC Remote Control provides the user with the ability to modify the EVOTM Inverter Charger’s operating parameters. The default settings in EVOTM Inverter Charger are adequate for some installations but may have to be modified for others. It is strongly recommended that the user review the EVOTM Owner’s Manual/ EVO-RC Remote Control Manual before putting any load or charging batteries.
Your EVOTM inverter Charger is delivered with various default configurations
The default values will depend on the model you have. Refer to Section 6.4.1 starting at Pages 113 through 117 for a listing of programmable parameters and factory default values. The Remote Control EVO-RC can be used to change these values.
The following parameters are the very basic parameters which may require modification depending on your configuration:
- Date and time
- Charging Voltages (Absorption, Equalization, Float)
- Charging current
- Power Saving Function
CAUTION!
If you are not sure of what parameters you need to change or what values to change to, consult your point of purchase or call Samlex Tech Support. You should also consult a Certified Electrician who is familiar with Local and National Electrical Codes to ensure a safe and code-compliant installation.
The first parameter you should change is the Date and Time
Refer to Section 4.10 of the EVO-RC Owner’s Manual). To set time and date (no password required):
- Press Enter fr Up Key x 5om any Operating Mode Screen.
- Screen
will appear. Press Up Key 6 times. - Screen
will appear. Date and time syntax is YYYY/MM/DD HR:MM - The cursor will blink on value to be changed.
- Press Up/Down to change value.
- Press Enter momentarily to move to next value.
- When Date and time is correct, press and hold Enter Key for a few seconds to write your settings.
You are done setting the time and date.
This Quick Start Guide provides basic steps required for planning the installing and operating EVOTM Series Inverter Charger. Based on the specific application, actual installation procedure will vary. Plan your installation accordingly. Please read the entire EVOTM Owner’s Manual. Samlex Customer Service and Application Engineers are available to assist you with installation, setup, and operating instructions.
Contact Information
- Toll Free Numbers
- Ph: 1 800 561 5885
- Fax: 1 888 814 5210
- Local Numbers
- Ph: 604 525 3836
- Fax: 604 525 5221
Website
www.samlexamerica.com
USA Shipping Warehouses Kent, WA
Plymouth, MI
Canadian Shipping Warehouse Richmond, BC
Email purchase orders to [email protected]


will appear. Press Up Key 6 times.
will appear. Date and time syntax is YYYY/MM/DD HR:MM

















