COTEK SL Series Pure Sine Wave Inverter Charger

Legal Provisions
Copyrights 2017 COTEK Electronic IND. CO. All Rights Reserved. Any part of this document may not be reproduced in any form for any purpose without the prior written permission of COTEK Electronic IND. CO. For the conditions of the permission to use this manual for publication, contact COTEK Electronic IND. CO., LTD. In all related COTEK product activities, Neither COTEK Electronic IND. CO., LTD. nor its distributors or dealers be liable to anyone for indirect, incidental, or consequential damages under any circumstances. Specifications are subject to change without notice. Every attempt has been made to make this document complete, accurate and up-to-date. COTEK Electronic IND. CO., LTD reserve the right to make changes without notice and shall not be responsible for any damages, including indirect, incidental or consequential damages, caused by reliance on the material presented, including, but not limited to, omissions, typographical errors, arithmetical errors or listing errors in the content material. All trademarks are recognized even if these are not marked separately. Missing designations do not mean that a product or brand is not a registered trademark.
Safety Introductions
General Safety Precautions
This manual contains important safety and operating instructions SL series.
WARNING
To reduce risk of injury, charge only Lead-acid type rechargeable batteries. Other types of batteries may burst causing personal injury and damage.
- Do not expose the inverter to rain, snow, spray or dust. To reduce the risk of fire hazard, do not cover or obstruct the ventilation openings and do not install the inverter in a zero-clearance compartment.
- To avoid the risk of fire and electric shock, make sure that the existing wiring is in good electrical condition, and the wire size is not undersized.
- To reduce risk of electric shock, unplug power unit from outlet before attempting any maintenance or cleaning. Turning off controls will not reduce this risk.
- This equipment contains components which can produce arcs or sparks. To prevent fire or explosion do not install in compartment containing batteries or flammable materials or in location which require ignition protected equipment. This includes any space containing gasoline-powered machinery, fuel tanks, or joints, fittings, or other connection between components of the fuel system.
- Depending on the user scenario, the AC output of the inverter may require user installed breaker or fuse. In AC output hardwire application, AC socket will not been provided. The inverter incorporates standard AC short circuit protection.
- An over current protection at the time of installation shall be provided by others for the AC output circuit.
Personal Precautions
- Someone should be within range of your voice or close enough to come to your aid when you work near a lead-acid battery.
- Have plenty of fresh water and soap nearby in case battery acid contacts skin, clothing, or eyes.
- Wear complete eye protection and clothing protection. Avoid touching eyes while working near battery.
- If battery acid contacts skin or clothing, wash immediately with soap and water. If acid enters eye, immediately flood eye with running cold water for at least 10 min and get medical attention immediately.
- EVER smoke or allow a spark or flame in vicinity of battery or engine.
- Be extra cautious to reduce risk of dropping a metal tool onto battery. It might spark or short-circuit battery or other electrical part that may cause explosion.
- Remove personal metal items such as rings, bracelets, necklaces, and watches when working with a lead-acid battery. A lead-acid battery can produce a short-circuit current high enough to weld a ring or the like to metal, causing a severe burn.
- NEVER charge a frozen battery.
- If necessary to remove battery from vessel, always remove grounded terminal from battery first. Make sure all accessories in the vessels are off, so as not to cause an arc.
- Be sure area around battery is well ventilated.
- Clean battery terminals. Be careful to keep corrosion from coming in contact with eyes.
- Study all battery manufacturer’s specific precautions such as removing or not removing cell caps while charging and recommended rates of charge.
- Add distilled water in each cell until battery acid reaches level specified by battery manufacturer. This helps purge excessive gas from cells. Do not overfill. For a battery without cell caps, carefully follow manufacturer’s recharging instructions.
Other Safety Notes
- DC CONNECTION PRECAUTIONS Connect and disconnect DC output connections only after setting the power unit switches to off position and removing AC cord from electric outlet or opening AC disconnect.
- GROUNDING INSTRUCTIONS – This power unit should be connected to a grounded, metal, permanent wiring system; or an equipment-grounding conductor should be run with circuit conductors and connected to equipment-grounding terminal or lead on unit. Connections to unit should comply with all local codes and ordinances.
- Upon receipt, examine the carton box for damage. If you have found any damage on the carton box please notify the company you purchased this unit from.
- Do not operate near water or in excessive humidity.
- Do not open or disassemble the inverter, and warranty may be voided.
- The DC side connections should be firm and tight.
- Install the inverter in a well-ventilated area. Do not block the front air vents, or the rear air exhausts of the unit.
- Wiring: Adequate input power must be supplied to the inverter for proper use; correct wiring sizes must be ensured.
- Do not operate appliances that may feed power back into the inverter.
- Temperature: The inverter should be operated in an ambient temperature range of -20℃ to 40℃ otherwise the output efficiency may be affected. Air flow to the inverter must not be blocked.
- RECOMMEND GFCI CONNECTOR
a) HUBBELL INC WIRING DEVICE DIV, Type GFRST20. Rated 125V, 20A
b) COOPER WIRING DEVICES, Type SGF20. Rated 125V, 20A
c) Leviton Mfg. Co. Ltd, Type GFNT2. Rated 125V, 20A - WARNING REGARDING THE USE OF BATTERIES
Excessive battery discharge and / or high charging voltage can cause serious damage to batteries. Do not exceed the recommended limits of discharge level of your batteries. Avoid short circuiting batteries, as this may result in explosion and fire hazard. Installation of the batteries and adjustments of the unit should only be undertaken by authorized personnel!
Function Characteristics Introduction
System Overview
The SL Series is an inverter / charger system, designed with advanced power electronic and microprocessor technology offering the following features:

- The unit is equipped with a self diagnosis microprocessor that is able to identify and show all failure messages on the LED, with associated visual/audio alarms.
- Battery charger current 100A max for SL-2000,125A max for SL-3000,@12VDC
- Equalization charging function for the batteries.
- Adjustable up to 50A @120VAC bypass function.
- Power Sharing / Generator function.
- RS-232 protocol communication for power management.
- Fan controls by load and temperature.
- Remote management and control.
- Dry contact terminal for power on/off faulty signal.
- Over temperature protection Inverter / Battery / Key parts
Electrical Specification
| Electrical | Specification | Model No. | |||
| Item | SL-2000-112 | SL-3000-112 | |||
| Inverter Mode | Input | DC Voltage | 12 VDC | ||
| Input Voltage Range | 9~17 VDC±0.3V | ||||
| Input Over-Voltage Protection | Default 17 VDC , 16.5 ~ 17 VDC | ||||
| Input Under-Voltage Protection | Default 9 VDC , 9 ~ 10.5 VDC | ||||
| Max. DC input current | 267A | 400A | |||
| AC Relay Transfer Time | <16ms | ||||
| No Load Power Consumption | 25W | 40W | |||
| Saving Power Consumption | < 5W | < 8W | |||
| Output | Continuous Output Power | 2000 VA ± 3% | 3000 VA ± 3% | ||
| Surge Power (real watts) | <5 sec. | >3200VA, <3400VA | >4800VA, <5100VA | ||
| <30 sec. | >2900VA, <3200VA | >4350VA, <4800VA | |||
| <5 min. | >2300VA, <2900VA | >3450VA, <4350VA | |||
| <30 min. | >2000VA, <2300VA | >3000VA, <3450VA | |||
| Frequency | 60 Hz ± 0.1Hz | ||||
| Output Voltage | 120 VAC ± 5% (≦Continuous Power) | ||||
| Max. Efficiency | >90% | ||||
| Output Waveform | Pure Sine Wave (THD < 5%@12.5VDC Full Load) | ||||
| Signal and Control | Remote Controller Panel Unit | CR-20 (optional) | |||
| LED Indicator | Red / Orange / Green LED | ||||
| Dry Contact Terminal | By a relay | ||||
| Protection | Input Protection | Over / Under Voltage, Reverse Polarity (Internal Fuse) | |||
| AC Output Protection | Short-Circuit, Overload | ||||
| Others | Over / Under Temperature Protection | ||||
| Charger Mode | Charger | Battery Temperature protection | By a RJ-11 connector to battery temperature sensor | ||
| AC Input Voltage Range | 80 ~ 140 VAC ± 5% (120VAC nominal) | ||||
| AC Input Frequency Range | 50 ~ 70 Hz | ||||
| AC Input Current Range | 5 ~ 50A * | ||||
| Charger | AC Nominal Current | 15A | 18A | ||
| Charger efficiency (peak) | 85% | ||||
| Power Factor Correction (PFC) | > 0.97 (50% Load) | ||||
| Charging Current Range | 0 ~ 100A | 0 ~ 125A | |||
| Battery Temperature Compensation | 25 mV per ℃ | ||||
| Four-stage charging | Bulk, Absorption, Final, Equalize* | ||||
| Equalization | Max. output Voltage | 16VDC | |||
| Max. output Current | 10A | ||||
| Bypass Switch | Switch Specification (Max. each input) | AC 50Amp | |||
*Setting by remote control
| Electrical | Specification | Model No. | |
| Item | SL-2000-112 | SL-3000-112 | |
| Operating Temp. Range | Full Load | -20 ℃ ~ 40 ℃ | |
| Power de-rating | 60 W per ℃, 41~60 ℃ | ||
| Storage | -30 ℃~70 ℃ | ||
| Over-temperature Protection | Sensor on Transformer, MOSFETs, Battery, and Internal ambient | ||
| Operating Humidity Range | 0~95% Non-condensing | ||
| Ground Relay | Default setting is closed. User may Neutral to ground at inviter mode if necessary, as ground relay is included in SL series. | ||
| Mechanical Specification | Dimension (W x H x D) | 321X203X349mm / 12.64×7.99×13.74 inch | |
| Net Weight | 17.6 Kg (38.71 Lbs) | 22.6 Kg (49.82 Lbs) | |
| Safety and EMS | Safety Standards | UL458 for Vehicle & Marine , Supplement SA | |
| EMC Standards | FCC Class B | ||
Table 1:SL-2000 / 3000 Specification
Mechanical Drawings (Unit mm [inch])

Installation and Maintenance
Unpacking the product
The package of SL inverter charger includes:
- SL inverter charger
- Battery temperature sensor
- DC Terminal cover ( Red / Black)
- Screw x 8 pcs
- Ring Lug x 2 pcs
- Quick Guide Instruction
After unpacking, check the contents for possible damage. Do not use the product if it is damaged. In case of the contents damaged, please contact your supplier.
Check from the identification label whether the battery voltage is the same as the DC-input voltage of the unit (e.g. 12V battery set for a 12V input voltage). Also check that the AC output voltage and output power of the unit satisfies loading requirements.
Front Panel Introduction

| Front panel | ||
| ① | DC Input Connection(-) | Follow the instructions to connect the battery cables to the DC input terminals of the unit. The cables should be as short as possible (less than 6 feet / 1.8 meters ideally) so that they can handle the required current in accordance with the Electrical Codes and Regulations. The size of the cable should be thick enough to limit the voltage drop to less than 2% when carrying the maximum input current to prevent frequent low-input voltage warnings, and shutdown. UVP (Under Voltage Protection) warning may result if there is excessive voltage drop across the DC cables between the batteries and the unit. Increasing your DC cable size will help improve the situation. Batteries are capable of providing very large currents in case of short circuit. In case there is a short circuit in the cable run between the batteries and the input terminals of the unit, it will result in overheating / melting of the cables and consequent risk of fire and injury, to prevent possibility of this hazard, use Very Fast Acting DC Fuse in line with the positive cable. The fuse should be as close to the positive battery terminal as possible. The following sizes of cables and fuses are recommended for up to 6 ft. distance between the batteries and the unit. (Applies to both 120 VAC and 240 VAC versions): Model No. Wire AWG Inline Fuse SL2000-112 # 2 / 0 400 A SL3000-112 #4 / 0 700A Connect DC input terminals to 12V battery or other DC power source. [ + ] is positive, [ – ] is negative. Reverse polarity connection can blow the internal fuse and may damage the unit. WARNING! Make sure that all the DC connections are tight (torque to 2.2 – 2.5 ft-lbs, 3 – 3.5 Nm). Loose connections could result in overheating and can be a potential hazard. CAUTION The recommended inline fuse should be installed as close to the battery positive terminal as possible failure to use a fuse on the “+” cable running between the unit and battery may cause damage to the cable / unit. Also, only use high quality copper wire and keep the cable length short which is as maximum of 3 – 6 feet. |
| ② | DC Input Connection(+) | |
| ③ | Power Switch | A momentary push-button switch that alternately turns the inverter On / Off. |
| ④ | INV./CHR. Mode LED Indicator | LED status Status Solid Green Blink Green |
| ⑤ | STATUS LED Indicator | LED status Status Solid Green Solid Red Red Blink Red Fast Blink Orange Fast Blink |
| ⑥ | DIP Switch | Factory Setting only |
| ⑦ | RS-232 / Remote control port | RS-232 Port:Serial port monitoring and control through computer interface. Remo control port:connector to CR-20. |
| ⑧ | Battery Temperature Sensor port | The unit is delivered with a battery temperature sensor. When the battery temperature is high, the charge voltage is automatically decreased. |
| ⑨ | AC Input Connections | Two 1 inch knockouts provided with cable-clamp strain reliefs to allow and hold the AC input and output field wiring. |
| ⑩ | AC Output Connections | |
| ⑪ | Chassis Ground | This connection is used to tie the exposed chassis of the inverter to the DC grounding system. This terminal accepts CU/AL conductors from #14 to #2 AWG (2.1 to 33.6 mm2).
|
| ⑫ | Remote control green terminal | Use 20 ~ 24 #AWG wire to connect the remote control terminals. |
| ⑬ | Dry Contact Green Terminal | Dry contact terminals can be connected to a Form C relay for “FAULT” indication. |
WARNING!
An inverter warning label should be installed in a visible location on the breaker panel that is being powered by the SL2000/3000. This label should state that that the panel may still be “LIVE” after grid AC power is turned off, To ensure that no power is present or feeding when the inverter switches off.
Green Terminal ⑫⑬
⑫ Remote Control Green Terminal:
Caution! Please follow the following steps for the installation
- Before installing the inverter, make sure the main switch is at “OFF” position.
- Before using the remote function, make sure the main switch pressed toward “REMOTE”
- Use 20 ~ 24 #AWG wire to connect the remote control terminals

NOTE:
For the toggle switch type, please must use the tact switch. Other switches like One-stage switch or two-stage switch will not be compatible with the SL power on/off design.
Tact switch
One-stage / Two-stage switch 
⑬ Dry Contact Green Terminal may be connected to a Form C relay for “FAULT” indication. When “FAULT” occurs, the relay switches

AC wiring installation
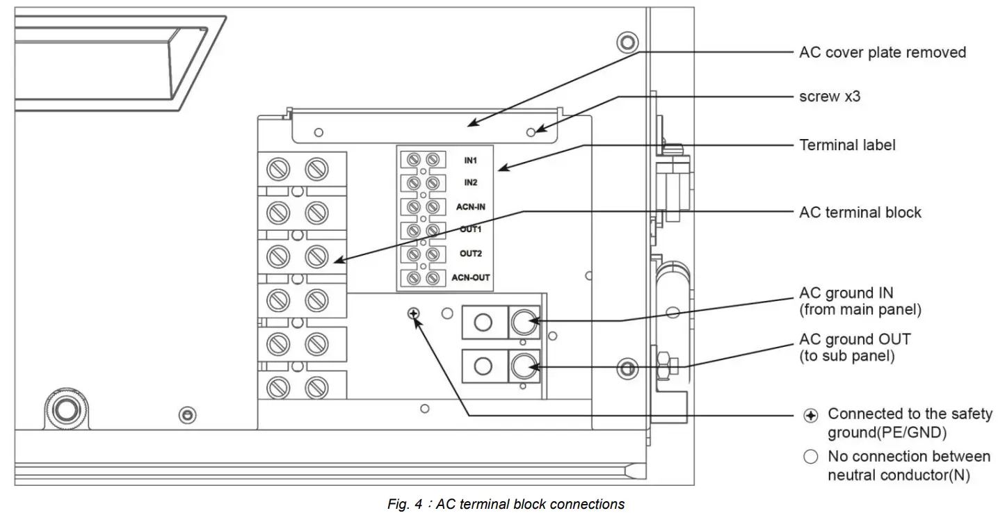
AC Terminal Block Connections

WARNING!
The AC neutral should be only be connected to one safety ground at a time. If more than one connection between the neutral and ground is made, the current circulation could cause ground loops, trip GCFI and then cause electric shock hazard.
Single Phase, Single IN / Single OUT

Split Phase, Dual IN / Dual OUT

Mounting Instruction
Wall Mount ( For Marine )
Step 1. Use the screws to mount the Drip shield on the wall.
Step 2. Use the screws to mount the product under the Drip shield. Please make sure the height from the ground to product at least 70 cm.

Ceiling Mount ( For Vehicle and Marine )

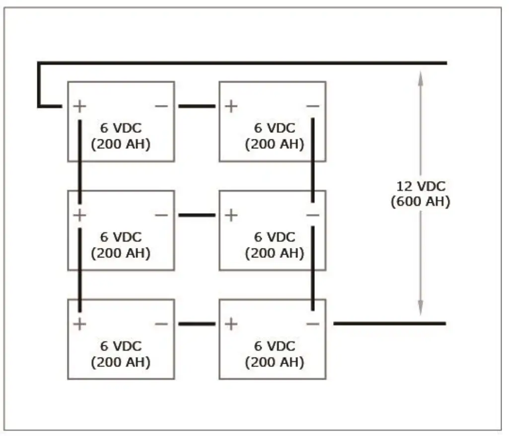
Battery Bank Configuration

12 Volt, 200 Amp Hour Battery Bank Series, 2 x 6V Batteries

12 Volt, 400 Amp Hour Battery Bank Series & Parallel, 4 x 6V Batteries

12 Volt, 600 Amp Hour Battery Bank Series & Parallel, 6 x 6V Batteries

System Function Introduction
SL series is a battery charger, a pure sine wave inverter and an AC transfer system in one compact enclosure. The three-step charging function guarantees that the batteries are always charged 100%. The pure sine wave inverter assures that the AC output voltage is perfectly reliable even when limited external AC power is available. External AC power can be supplied by a public grid or a generator. DC power can be delivered by charged batteries.
Battery Charger Introduction
SL series can connect many types of battery (default setting is Gel), and user can adjust the parameters by remote control or RS-232 to meet battery charging characteristics. The following table shows some battery type charging setting as example.
CAUTION
Safety instruction: The setting for traction battery should never be used with a battery bank that consists of 2V GEL cells.
Table 2:Battery type charging setting I
| Battery Type Stage | Gel | Flooded |
| @12VDC | @12VDC | |
| Absorption Voltage | 14.1VDC | 14.6VDC |
| Float Voltage | 13.6VDC | 13.4VDC |
Table 3:Battery type charging setting II
| Battery Type Stage | AGM 1 | AGM 2 |
| @12VDC | @12VDC | |
| Absorption Voltage | 14.3VDC | 14.5VDC |
| Float Voltage | 13.1VDC | 13.5VDC |
Table 3:Battery type charging setting III
| Battery Type Stage | Custom |
| @12VDC | |
| Absorption Voltage | 12~16VDC |
| Float Voltage | 12~16VDC |
Battery Charging Function Description
SL series is equipped with a PFC (Power Factor Corrected) and PI (Proportional-Integral) multistage battery charger. The PFC feature controls the amount of power used to charge the batteries to obtain a power factor as close as possible to 1 (or unity).. The PI feature allows the charger voltage and current to change independently. These two features maximize the real power available from the AC power source (i.e., utility or generator), which leads to less power wasted and greater charging capabilities than most chargers today. When an AC source is connected to the AC input, the inverter begins monitoring AC voltage. Once the AC voltage is accepted, charge mode begins. After the charge mode begins, the inverter’s battery voltage is monitored to determine the charging stage. If the battery voltage is low (≤12.8 VDC/12-volt), the charger begins Bulk charging. If the DC voltage is high (>12.8 VDC/12-volt), the charger will skip Bulk and Absorb stages and go directly to Final charging. However, if the incoming AC power is lost and returns within 2 minutes the charge mode returns to the charge stage it was in prior to losing AC input—regardless of the battery voltage. There are 4 charging stages in SL series, including an automatic 3-stage charging process (see Fig. 1): Bulk, Absorb, and Final Charge; and a manual Equalization (EQ) charge stage. The automatic 3-stage charge process provides complete recharging and monitoring of the batteries without damage due to overcharging. The EQ stage (requires a remote display to enable) is used to stir up stratified electrolyte and to reverse any battery plate solation that may have occurred. If the AC input voltage falls below 90 VAC – the charger will stop charging to help stabilize the incoming AC voltage.
Bulk Charging
While bulk charging, the charger supplies the battery with controlled constant current. The charger will remain in bulk charge until the absorption charge voltage (determined by the Battery Type selection) is achieved.
Absorption Charging
This is the second charging stage and begins after the absorb voltage has been reached. Absorb charging provides the batteries with a constant voltage and reduces the DC charging current in order to maintain the absorb voltage setting.
Final Charging
The third charging stage starts at the end of the absorb charging . While final charging, the charge voltage is reduced to the final charge voltage (determined by the Battery Type selection*). In this stage, the batteries are kept fully charged and ready if needed by the inverter. The Float Charging stage reduces battery gassing, minimizes watering requirements (for flooded batteries), and ensures the batteries are maintained at optimum capacity

Equalization Charging
The intent of this charging procedure is active between abs and final is to remove solation that formed as a result of the batteries being undercharged. Another objective is to bring all cells to an equal state of charge. While Equalization charging the charge voltage increase to 14.1V continue a cycle is 240 minute(automatic shutdown). During equalizing charge, check the changes in the SG reading every hour and disconnect the charge when the gravity no longer rises. This is the time when no further improvement is possible and a continued charge would have a negative effect on the battery. The frequency of the equalizing charge is something that each battery manufacturer differs on. For example, some will recommend be applied every month or every ten cycles, while another will recommend every six months or every 20 cycles
Temperature Compensated Charging
The unit is delivered with a battery temperature sensor (BTS). By installing this battery temperature sensor the charge voltages are automatically adapted for deviating temperature. With a BTS installed, if the temperature around the BTS is below 20°C the absorb and float charge voltage increases, If the temperature around the BTS is higher than 20°C, the absorb and float charge voltage decreases. See Fig. 11 to determine how much the charge voltage changes (increases or decreases) depending on the temperature reading of the BTS. For example, the nominal absorb charge voltage for a flooded battery at 20°C on a 12-volt model is 14.6 VDC. If the battery temperature is 35°C, the absorb charge voltage would decrease to 14.225 VDC (14.6 VDC – 0.375 change). If the temperature sensor is NOT installed, the charge voltages will not be automatically adjusted by temperature, but will be maintained at a temperature of 20°C. The life of the batteries may be reduced if they are subjected to large temperature changes when the BTS is not installed.

Charger Setting for various battery types
The following table gives the Absorption, Float and Equalization voltage settings for batteries commonly used:
| Battery Type | Inverter Voltage | Absorption Voltage | Float Voltage | Equalization Voltage |
| Gel | 12 VDC | 14.1VDC | 13.6VDC | NOTE! |
| Flooded | 14.6VDC | 13.4VDC | 15.5VDC | |
| AGM 1 | 14.3VDC | 13.1VDC | 15.5VDC | |
| AGM 2 | 14.5VDC | 13.5VDC | NOTE! | |
| Custom* | 12~16VDC | 12~16VDC | 12~16VDC | |
| *User can be setting the custom function voltage, but must use LCD remote control or RS-232. | ||||
Table 4:Various battery type charging setting
NOTE
Gel and the AGM 2 Group (East Penn / Deka / Discover / Trojan brand) batteries are not equalized. Hence, their Equalization Voltages are same as the Absorption Voltages.
WARNING!
When using the Custom setting, the Equalization voltage setting should not allow voltage lower than the Absorption Voltage setting. Also, the Equalization Voltage setting should not allow a setting higher than 2-volts (for 12V systems) above the Absorb Voltage setting.
Operation mode introduction
There are four Operation mode : 1.Basic 2.Charger 3.Power sharing 4.Generator operation modes.
Basic Mode
When there is no external “AC input” power available, the inverter of the unit provides AC power output load from the batteries. There is no AC power available on the “AC output load”. See Fig. 12.

Charger Mode
When external AC power comes available, the transfer relay switches on. See Fig. 13.. The batteries are being recharged now. (If only one phase AC input is available, please connect to IN1 and ACN-IN)

Power Sharing Mode
If the available power at the AC-input is limited, and the load connected to the AC output load increases, the external AC circuit breaker may trip accordingly. To avoid this, SL series can automatically reduce the battery charger output, and thus the AC power consumption. This Power sharing feature constantly senses the incoming AC current which is used to supply both the battery charger and the appliances connected to the AC output load.
The Power Sharing level should be set to match the value of the external circuit breaker, which protects the incoming AC power.

Example:
In Fig.14, Input AC current level is set to a 20 Amps while the AC output loads consume a total of 10Amps. This means that only 20 – 10 = 10 Amps is left over for charging. The input AC current level can be set only by remote control. When the total connected AC load reaches the level of the Power Sharing setting (20A), there will be no power left over to charge the battery. This means that the charge current of the unit will be reduced to 0A. See Fig.15.

Generator Mode
If the demand for AC power still increases, the external AC circuit breaker may still trip if nothing is done. This problem can be solved by the Generator function. If the total demand for energy exceeds the maximum external power supply, energy can be added to the AC outputs load by means of the inverter
Example
See Fig. 16, Input AC current is still limited to 20 Amps. This is not enough to supply the total load (30A) connected to the AC output load, and the current form battery (Inverter) will supply the remaining 30 – 20 = 10A. This means that the restricted amount of external AC power will be supported by energy from batteries.

CAUTION
For safety unit the transfer relay is immediately switched off when incoming AC power fails in operation so that there will never be a high voltage on the shore cable inlet when it is not connected.
Trouble Shooting
| LED Status | BUZZER Status | Description | Solution |
| Solid Red | Power off | Check power switch | |
| Red Blink | Three Short | Over Voltage Protection (Input DC voltage over spec) | Check input voltage. reduce input voltage |
| Red Fast Blink | Two Short | Under Voltage Protection (Input DC voltage under spec) |
|
| Orange solid | Five Short | Over Load Protect /Short-circuit Protect | Reduce load in case of restart failed, please turn on the unit manually |
| Orange Blink | One Short | Over Temp. Protect | Improve ventilation. Make sure ventilation openings in inverter are not obstructed. Reduce ambient temperature |
| Orange Fast Blink | Four Short | Under Temp. Protect | increase ambient temperature |
Warranty
Warning!
Do not open or disassemble the Inverter. Attempting to do so may cause risk of electrical shock or fire. We guarantee this product against defects in materials and workmanship for a period of 24 months from the date of purchase. In case you need to repair or replace any defective power inverters, please contact COTEK local distributor. This warranty will be considered void if the unit has been misused, altered, or accidentally damaged. COTEK is not liable for anything that occurs as a result of the user’s fault.
CUSTOMER SUPPORT
No.33, Sec. 2, Renhe Rd., Daxi Dist., Taoyuan City 33548, Taiwan
Phone:+886-3-3891999 FAX:+886-3-3802333
http//www.cotek.com.tw
2022.03

















