samlex power EVO-4248SP Split Phase Pure Sine Wave Inverter

Thank you for purchasing the Samlex EVO-4248SP Inverter/Charger. We know you will enjoymany years of great service from this quality state-of-the-art product. Samlex Customer Service is available to assist you with installation, setup, or operating instructions. The EVO-4248SP Inverter/Charger is highly configurable for many different and specific applications. To get you up and running quickly, we have created this simple overview Reference Guide to assist Byou with the basic setup procedures so that you may later configure for your specific needs.
What’s in the Box


- Contact your supplier if any of the items are missing. If any damage is observed, do not proceed with the installation of the EVO-4248SP.
- Check that the model and specifications are correct (e.g. 48 Volt battery system, AC voltage and output power meets the load requirements).

CAUTION!
If you are not sure of what parameters you need to change, consult your point of purchase or call Samlex Tech Support. You should also consult a Certified Electrician who is familiar with Local and National Electrical Codes to ensure a safe and code compliant installation.
Read the entire EVO-4248SP Owner’s Manual as well as the Remote Control EVO-RC-PLUS Manual
Familiarize yourself with its contents prior to installation or operation. This Guide will frequently refer to specific sections in the Owner’s Manual for details
WARNING!
If there are any items in Sections 1, 2 or 3 of the Owner’s Manual that you do not understand, do not attempt to install the unit yourself. For a safe and code compliant installation, consult a Certified Electrician who is familiar with Local and National Electrical Codes.
CAUTION!
All electrical systems, both DC and AC, must be disconnected from the source during installation.
- Use of isolated tools is recommended
- Read the safety instructions in Section 1.1 of the EVO-4248SP Owner’s Manual
INFO
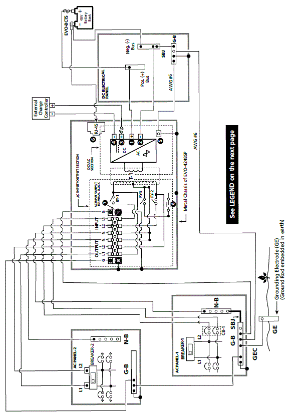
This Guide provides basic steps required for planning the installing and operating EVO-4248SP Inverter/ Charger based on the following typical installations: Typical Shore Based Installation: Fig 1 Based on the specific application, actual installation procedure will vary. Plan the installation accordingly.

CAUTION!
If you are not sure of what parameters you need to change or what values to change to, consult your point of purchase or call Samlex Tech Support. You should also consult a Certified Electrician who is familiar with Local and National Electrical Codes to ensure a safe and code compliant installation.
LEGEND FOR FIG 1
NOTES: For sizing of wiring and fuses, refer to the following in the EVO-4248SP Owner’s Manual
- DC side wiring: Table 3.1
- AC side wiring: Table 3.2 for AC input and Table 3.3 for AC output
- For details regarding 120 VAC Single Phase Input, see Section 3.6.1.2
- AC Panel 1. Main Grid Electrical Panel / Service Entrance Panel : 120 / 240 VAC Split Phase
- AC Panel 2. Sub Panel for distributing AC output from EVO™: 120 / 240 VAC with 30A Breaker
- Breaker 1. Breaker for Main Panel / Service Entrance Panel, “Panel-1”
- Breaker 2. 30A Breaker for Sub-Panel, “Panel-2”
- CB-1 2-Pole Circuit Breaker feeding 120/240 VAC to EVO-4248SP
- T-1. Bi-directional AC input / output transformer
- N-B. Neutral Bus Bar
- G-B. Grounded Bus Bar
- GE. Grounding Electrode. Also called “Ground Rod” of the premises
- GEC Grounding Electrode Conductor
- SBJ. System Bonding Jumper for creating N-G bond in the Main Panel/Service Entrance – “AC Panel 1”
- RY-1,RY-2,RY-5. Transfer Relays
- EVO-BCTS. Battery Charger Temperature Sensor EVO-BCTS
- Battery Positive Input Connector
- Battery Negative Input Connector
- Positive Input Connector for External Charge Controller
- Negative Input Connector for External Charge Controller
- DC Side Grounding Terminal on EVO™
- RJ-45 Jack for Temperature Sensor
- AC Input/Output Terminals
- Refer to AC Input / Output Connections at Fig 3.9
- Refer to Section 3.6.1.2 regarding connection details for 120 VAC Single Phase input
- Quick Disconnect to disconnect Neutral to Ground bond (Fig 3.9) Circuit breaker
- L1. Line 1
- L2. Line 2
- N Neutral
- N-B. Neutral Bus Bar
WARNING!
In case a Generator is used to feed AC input, please ensure that the Neutral conductor of the Generator is bonded to the chassis / frame of the Generator and the chassis / frame of the Generator is firmly grounded to the Earth Ground through Ground Rod. Please refer to Section 3.14.1of the EVO-4248SP Manual for details
Layout of the EVO-4248SP
Refer to Section 2 of the Owner’s manual to become familiar with all the relevant connection points and components
Mounting the Units
- Refer to mounting information at Section 3.3 starting at page 35 of the Owner’s Manual
- Plan a safe location and routing of wiring for the associated components
- The mounting surface should be able to support a weight of 3 times the weight of the Ninverter for 1 minute.
- Ensure that the mounting location is cool, dry and allows unobstructed air flow for cooling
- Use 4 pcs of ¼”or M6 mounting bolts and washers. All dimensional information is shown in Fig 3.1 of the Owner’s Manual.
CAUTION!
PLAN SYSTEM GROUND AND GROUND FAULT PROTECTION PRIOR TO INSTALLATION
- Ensure that the entire installation is properly grounded to meet Local and National Electrical Codes.
- Refer to grounding at Fig 3.12 at page 53 of the Owner’s Manual.
- Ensure that the AC Neutral is bonded to the Earth Ground at only one point.
Plan the Battery Bank
- Select the type and size of the battery bank and bank configuration. Refer to Section 3.4 of the Owner’s Manual regarding installation of batteries.
- Determine the overall Ah capacity (C) of the battery bank.
- Check with the battery manufacturer regarding maximum recommended charging current. The factory default “Bulk Current” parameter is set to 20A.
- Locate an appropriate area for the battery bank and cable routing to the EVO-4248SP.
- The EVO-4248SP comes with a battery temperature sensor model EVO-BCTS. This sensor provides battery temperature information to the charging algorithm to ensure a proper and safe charge to the battery. Refer to Section 2.5 of the Owner’s Manual.
- An appropriately sized DC disconnect switch is recommended.
Select and procure the appropriate wire size and lengths for the intended type of installation along with the appropriate breaker/fuse sizes
- For sizing the AC input wiring and breakers, refer to Table 3.2 of the Owner’s Manual.
- For sizing the AC output wiring and breaker, refer to Table 3.3 of the Owner’s Manual.
- For sizing the DC (Battery side) wiring and fuse, refer to Table 3.1 of the Owner’s Manual.
Determine whether the optional EVO-RC-PLUS remote control is necessary for your application
- The Optional EVO-RC-PLUS Remote Control provides useful functional information such as battery voltage, battery charging status, and AC output power. EVO-RC-PLUS Remote Control is also capable of logging events to an SD card to create a history record of usage and performance.
- EVO-RC-PLUS Remote Control is required to adjust any of the programmable parameters to customize its functionality to your specific requirements. For all programming instructions, please refer to the Owner’s Manual for Remote Control EVO-RC-PLUS.
- If the factory defaults are adequate for your requirements or once parameters are adjusted to meet your requirements, it is not necessary to keep the EVO-RC-PLUS attached to the EVO-4248SP Inverter/Charger to maintain functionality.
- If the user would like to have the EVO-RC-PLUS Remote Control installed, there is a 1:1 wall cutout template in the EVO-RC-PLUS box for a flush mounted installation with basic installation instructions.
WARNING!
If there are any items in Sections 1, 2 or 3 of the Owner’s Manual that you do not understand, do not attempt to install the unit yourself. For a safe and code compliant installation, please consult a Certified Electrician that is familiar with Local and National electrical codes. All electrical systems both DC and AC must be disconnected from the source during the installation. Use of isolated tools is recommended.
You are now ready to install the EVO-4248SP Inverter/Charger
- Re-read Section 3 of the Owner’s Manual
- Mount the EVO-4248SP in the planned location
- Mount, cable, and attach the optional EVO-RC-PLUS Remote Control, if desired
- Install AC Input and AC output wiring and breakers
- Install the battery bank in the planned configuration
- Connect the battery bank to the EVO-4248SP Inverter/Charger
- Recheck all wiring, grounding, and connections
If all wiring, grounding, and connections are correct, complete the installation
- Tighten cable glands
- Install DC terminal covers
- Replace AC access cover
- Place DC fuse in fuse holder. When placing this fuse, a spark can occur.
- Switch on the DC
- Switch on the AC
Switch on the EVO-4248SP Inverter/Charger.
Refer to Section 6 starting at page 101 of the EVO-4248SP Owner’s Manual
- Press and hold the ON/OFF Button.
- Green LED labeled “ON” will flash 3 times, will go off momentarily, then resume ON steady. Now release the ON/OFF Button (This procedure takes around 2 sec).
- If the EVO-4248SP does not start immediately, switch OFF the DC and AC power.
- Investigate the cause of the malfunction by referring to “Fault Messages and Troubleshooting Guide” in Table 7.1 of Section 7 of Owner’s Manual for Remote Control EVO-RC-PLUS.
INFO
The optional EVO-RC-PLUS Remote Control provides the user with the ability to modify the EVO-4248SP Inverter/Charger’s operating parameters. The default settings in EVO-4248SP Inverter/Charger are adequate for some installations but may have to be modified for others. It is strongly recommended that the user review the EVO-4248SP Owner’s Manual / EVO-RC-PLUS Remote Control Manual, before putting any load or charging batteries
Your EVO-4248SP Inverter/Charger is delivered with default configurations
Refer to Section 6.4.1 for a listing of programmable parameters and factory default values in the EVO-4248SP Owner’s manual.
The following parameters are the very basic parameters which may require modification depending on your configuration:
- Date and Time
- Charging Voltages (Absorption, Equalization, Float)
- Charging Current
- Power Saving Function

CAUTION!
If you are not sure of what parameters you need to change or what values to change to, consult your point of purchase or call Samlex Tech Support. You should also consult a Certified Electrician who is familiar with Local and National Electrical Codes to ensure a safe and code compliant installation This Quick Start Guide provides basic steps required for planning , installing, and operating your new EVO-4248SP Inverter/Charger. Based on the specific application, actual installation procedure will vary. Plan your installation accordingly. Read the entire EVO-4248SP Owner’s Manual. Samlex Customer Service is available to assist you with installation, setup, and operating instructions. For proper and safe installation of the unit consult a certified Electrician who is familiar with local and National Electrical codes.
CAUTION!
If you are not sure of what parameters you need to change or what values to change to, consult your point of purchase or call Samlex Tech Support. You should also consult a Certified Electrician who is familiar with Local and National Electrical Codes to ensure a safe and code compliant installation.
Contact Information
- Toll Free Numbers
- Ph: 1 800 561 5885
- Fax: 1 888 814 5210
- Local Numbers
- Ph: 604 525 3836
- Fax: 604 525 5221
- Website www.samlexamerica.com
- USA Shipping Warehouses
- Kent, WA Plymouth, MI
- Canadian Shipping Warehouse Delta, BC
- Email purchase orders to [email protected]


















