YHDC HK3106 Hall Open Loop Current Sensor

Hall open loop current sensor
Pressure plate installation, terminal output. Detect DC,AC and pulls current, High insulation between primary side and the vice side circuit.

Product features
- Light weight
- Low power consumption
- Good linearity
- No insertion loss
- Fast response time
- Good anti-interference ability
Installation diagram

Product application
- Railway
- Metallurgical
- Welding machine
- Robot
- Motor
- Inverter power supply
- Variable frequency governor
- Uninterrupted power supply and communication power supply

Electrical parameters:(The following parameters are typical values and actual values will be subject to product testing): Remarks:
| I PN Ipm Vout | Rated input Input measurement range Rated output | ±100A ±150A | ±200A ±300A | ±300A ±500A ±450A ±750A ±4V | ±600A ±800A | ±800A ±800A | Standard input Default is 1.5 times of rated input, and maximum ≤800A (saturation) Standard output | ||
| X | Accuracy | 1% | I=I PN | ||||||
| εL | Linearity | 1% | I=0~±I PN | ||||||
| Vc | Supply voltage | ±12V/±15V | One or the other Supply voltage range±5% | ||||||
| Ic | Current consumption | ≤±15mA | Reference will be subject to the measured | ||||||
| Rl Voe Tr N.w Ta Ts Bw Vd | Load impedance Zero offset voltage Response time Weight Operation temperature Storage temperature Band width Delectric strength | ≥10KΩ ≤±15mV ≤5μs 100g -10~+70℃ -25~+70℃ DC~25KHz 2.5 KV 50Hz 1min | Collection port impedance while lower voltage affect accuracy TA=25℃ Reference will be subject to the measured Reference will be subject to the measured
Factory test according to DC | ||||||
Instructions for use
- According to the connection mode of correct connection
- The direction shown by the arrow is positive
- With hole measurement, response time and following the speed for the best
- Faulty wiring can lead to product damage and output uncertainty
Safe operation
- Please read this specification carefully before use.
- When you need to move the product, please be sure to disconnect the power and all the connected cables.
- If found shell, devices attached to the fixed parts, wire, or have any damaged, please immediately deal with hidden dangers.
- If there is any doubt about the safe operation of the equipment, the equipment and the corresponding accessories should be closed immediately, and the fastest time for troubleshooting.
Proclamations
As our products are constantly being improved and updated, we reserve the right to modify the content of this specification at any time without prior notice.
Dimensions(in mm±0.5)

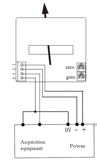
Wiring diagram

Connector Illustration
Quick plug which spacing 2.54 mm
Terminal definition:
- +V
- -V
- Vout
- 0V
Potentiometer definition:
- Up:zero
- Down:gain
Detection:
- Choose the auxiliary power supply with small ripple (≤10mV)
- Switch on auxiliary power
- The auxiliary power is connected to the sensor
- The sensor detects the primary current


















