iO-LL LEAD/LAG Controller

INTRODUCTION
The iO-LL is a versatile, 24VAC powered lead/lag controller offering true dual-stage control to balance the operating run time between HVAC equipment as well as other redundant devices. The controller has dedicated terminals for 24VAC power, 2 inputs, and 2 outputs. LEDs provide a visual indication for power and output status.
SEQUENCE OF OPERATION
When 24-volt power is first applied to the 24VAC terminals 7 and 8 on the iO-LL, Unit 1 and Unit 2 output contacts remain open. When 24 volts is applied to input terminal 1, Unit 1 output contacts go closed and Unit 2 contacts remain open. When 24 volts is removed from terminal 1 for at least 10 seconds, Unit 1 output contacts open. When 24 volts is reapplied to terminal 1, Unit 1 output contacts remain open and Unit 2 output contacts go closed. The lead/lag sequence is reversed every time 24 Volts is removed from terminal 1 for more than 10 seconds and then reapplied. In a dual-stage application, 24 volts applied to terminal 2 will close the lag output contacts. As long as 24 volts is maintained on terminal 1, the lag output can be cycled on and off. The iO-LL Lead/Lag Controller must be powered from the same 24 volts as the Unit 1 control circuit or a relay will be required.
WIRING DIAGRAMS
The wiring diagrams illustrated in this installation manual represent a sampling of the many ways the iO-LL can be applied for lead/lag control. The iO-LL is an operating controller only and depending on the application, it is the responsibility of the installer to verify that the iO-LL complies with all electrical and/or plumbing codes.
LEAD/LAG CONTROLLER STAND-ALONE APPLICATIONS
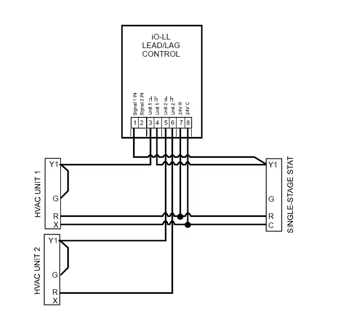
WIRING DIAGRAM USING iO-LL LEAD/LAG CONTROLLER WITH SINGLE-STAGE COOLING UNITS IN PARALLEL
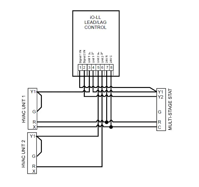
WIRING DIAGRAM USING iO-LL LEAD/LAG CONTROLLER WITH SINGLE-STAGE COOLING UNITS IN PARALLEL WITH UPSTAGING
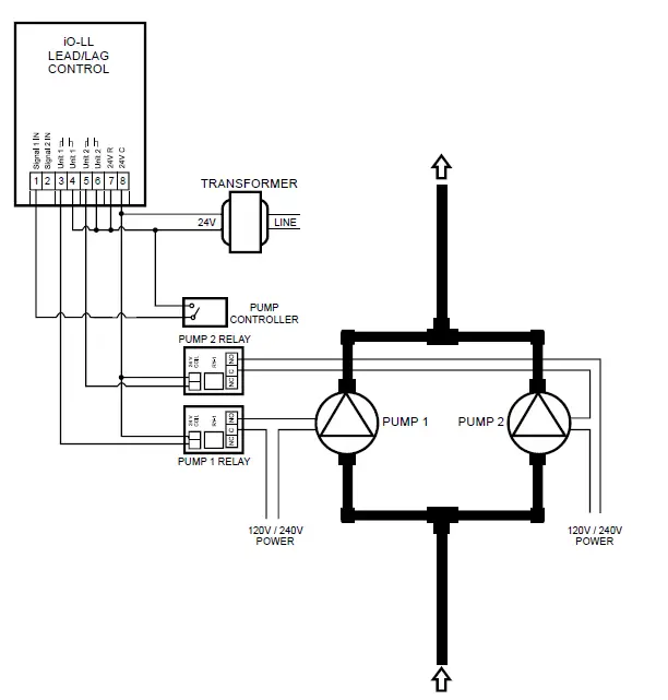
WIRING DIAGRAM USING iO-LL LEAD/LAG CONTROLLER FOR 2 PUMP SYSTEM WITH A RELAY TO TRIGGER LEAD/LAG
LEAD/LAG CONTROLLER USED WITH iO-TWIN TWINNING AND PARALLELING KIT
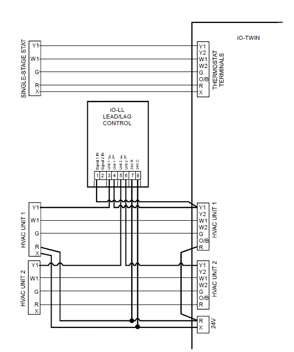
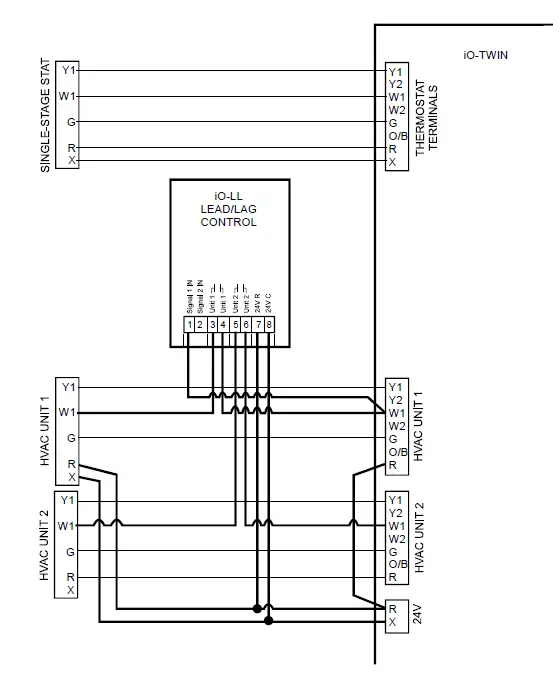
WIRING DIAGRAM USING iO-LL LEAD/LAG CONTROLLER AND iO-TWIN TWINNING KIT FOR COOLING LEAD/LAG
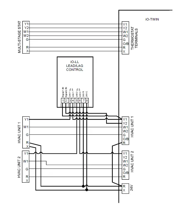
WIRING DIAGRAM USING iO-LL LEAD/LAG CONTROLLER AND iO-TWIN TWINNING KIT FOR COOLING LEAD/LAG WITH UPSTAGING
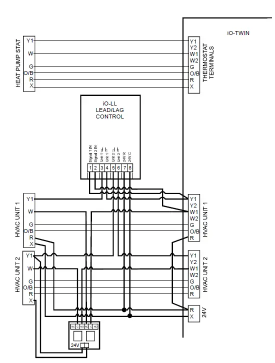
WIRING DIAGRAM USING iO-LL LEAD/LAG CONTROLLER AND iO-TWIN TWINNING KIT FOR HEATING LEAD/LAG
WIRING DIAGRAM USING iO-LL LEAD/LAG CONTROLLER AND iO-TWIN TWINNING KIT HEATING LEAD/LAG WITH UPSTAGING
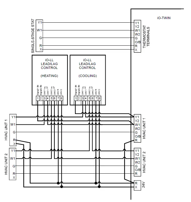
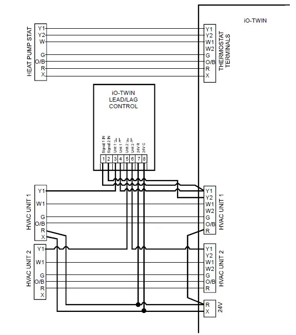
WIRING DIAGRAM USING iO-LL LEAD/LAG CONTROLLERS AND iO-TWIN TWINNING KIT FOR HEATING AND COOLING LEAD/LAG
WIRING DIAGRAM USING iO-LL LEAD/LAG CONTROLLERS AND iO-TWIN TWINNING KIT FOR HEATING AND COOLING LEAD/LAG WITH UPSTAGING
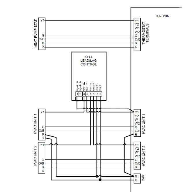
WIRING DIAGRAM USING iO-LL LEAD/LAG CONTROLLERS AND iO-TWIN TWINNING KIT FOR 1 HEAT / 1 COOL HEAT PUMP




















