Trane® Symbio™ 500 Programmable Controller Installation Guide

The Symbio 500 multi-purpose programmable controller is used in a range of terminal applications.
SAFETY WARNING
Only qualified personnel should install and service the equipment. The installation, starting up, and servicing of heating, ventilating, and air-conditioning equipment can be hazardous and requires specific knowledge and training. Improperly installed, adjusted or altered equipment by an unqualified person could result in death or serious injury. When working on the equipment, observe all precautions in the literature and on the tags, stickers, and labels that are attached to the equipment.
September 2022
BAS-SVN231B-EN
© 2022 Trane
Warnings, Cautions, and Notices
Read this manual thoroughly before operating or servicing this unit. Safety advisories appear throughout this manual as required. Your personal safety and the proper operation of this machine depend upon the strict observance of these precautions.
The three types of advisories are defined as follows:
WARNING
Indicates a potentially hazardous situation which, if not avoided, could result in death or serious injury.
CAUTION
Indicates a potentially hazardous situation which, if not avoided, could result in minor or moderate injury. It could also be used to alert against unsafe
NOTICE
Indicates a situation that could result in equipment or property-damage only accidents.
Important Environmental Concerns
Scientific research has shown that certain man-made chemicals can affect the earth’s naturally occurring stratospheric ozone layer when released to the atmosphere. In particular, several of the identified chemicals that may affect the ozone layer are refrigerants that contain Chlorine, Fluorine and Carbon (CFCs) and those containing Hydrogen, Chlorine, Fluorine and Carbon (HCFCs). Not all refrigerants containing these compounds have the same potential impact to the environment. Trane advocates the responsible handling of all refrigerants-including industry replacements for CFCs such as HCFCs and HFCs.
Important Responsible Refrigerant Practices
Trane believes that responsible refrigerant practices are important to the environment, our customers, and the air conditioning industry. All technicians who handle refrigerants must be certified according to local rules. For the USA, the Federal Clean Air Act (Section 608) sets forth the requirements for handling, reclaiming, recovering and recycling of certain refrigerants and the equipment that is used in these service procedures. In addition, some states or municipalities may have additional requirements that must also be adhered to for responsible management of refrigerants. Know the applicable laws and follow them.
WARNING
Proper Field Wiring and Grounding Required!
Failure to follow code could result in death or serious injury. All field wiring MUST be performed by qualified personnel. Improperly installed and grounded field wiring poses FIRE and ELECTROCUTION hazards. To avoid these hazards, you MUST follow requirements for field wiring installation and grounding as described in NEC and your local/state/national electrical codes.
WARNING
Personal Protective Equipment (PPE) Required!
Failure to wear proper PPE for the job being undertaken could result in death or serious injury. Technicians, in order to protect themselves from potential electrical, mechanical, and chemical hazards, MUST follow precautions in this manual and on the tags, stickers, and labels, as well as the instructions below:
- Before installing/servicing this unit, technicians MUST put on all PPE required for the work being undertaken (Examples; cut resistant gloves/sleeves, butyl gloves, safety glasses, hard hat/bump cap, fall protection, electrical PPE and arc flash clothing). ALWAYS refer to appropriate Safety Data Sheets (SDS) and OSHA guidelines for proper PPE.
- When working with or around hazardous chemicals, ALWAYS refer to the appropriate SDS and OSHA/GHS (Global Harmonized System of Classification and Labeling of Chemicals) guidelines for information on allowable personal exposure levels, proper respiratory protection and handling instructions.
- If there is a risk of energized electrical contact, arc, or flash, technicians MUST put on all PPE in accordance with OSHA, NFPA 70E, or other country-specific requirements for arc flash protection, PRIOR to servicing the unit. NEVER PERFORM ANY SWITCHING, DISCONNECTING, OR VOLTAGE TESTING WITHOUT PROPER ELECTRICAL PPE AND ARC FLASH CLOTHING. ENSURE ELECTRICAL METERS AND EQUIPMENT ARE PROPERLY RATED FOR INTENDED VOLTAGE.
WARNING
Follow EHS Policies!
Failure to follow instructions below could result in death or serious injury.
- All Trane personnel must follow the company’s Environmental, Health and Safety (EHS) policies when performing work such as hot work, electrical, fall protection, lockout/tagout, refrigerant handling, etc. Where local regulations are more stringent than these policies, those regulations supersede these policies.
- Non-Trane personnel should always follow local regulations.
Copyright
This document and the information in it are the property of Trane, and may not be used or reproduced in whole or in part without written permission. Trane reserves the right to revise this publication at any time, and to make changes to its content without obligation to notify any person of such revision or change.
Trademarks
All trademarks referenced in this document are the trademarks of their respective owners.
Ordering Numbers

Storage/Operating Specifications

Agency Compliance
- UL60730-1 PAZX (Open Energy Management Equipment)
- UL94-5V Flammability
- CE Marked
- UKCA Marked
- FCC Part 15, Subpart B, Class B Limit
- VCCI-CISPR 32:2016: Class B Limit
- AS/NZS CISPR 32:2015: Class B Limit
- CAN ICES-003(B)/NMB-003(B)
Dimensions/Mounting/Removing the Controller

To mount device:

- Hook device over top of DIN rail.
- Gently push on lower half of device in the direction of arrow until the release clip clicks into place.
To remove/reposition device:

- Disconnect all connectors before removing or repositioning.
- Insert screwdriver into slotted release clip and gently pry upward with the screwdriver to disengage the clip.
- While holding tension on the clip, lift device upward to remove or reposition.
- If repositioned, push on the device until the release clip clicks back into place to secure the device on the DIN rail.
NOTICE
Equipment Damage!
Do not use excessive force to install the controller on the DIN rail. Excessive force could result in damage to the plastic enclosure. If using another manufacturer’s DIN rail, follow their recommended installation.
WARNING
Hazard Voltage!
Disconnect all electric power, including remote disconnects, before servicing. Follow proper lockout/tag out procedures to ensure the power cannot be inadvertently energized. Failure to disconnect power before servicing could result in serious injury or death.
CAUTION
Personal Injury and Equipment Damage!
After installation, ensure to check that the 24 Vac transformer is grounded through the controller. Failure to check could result in personal injury and/or damage to equipment. Measure the voltage between chassis ground and any ground terminal on the controller. Expected result: Vac ≤4.0 volt.
Wiring Requirements
To ensure proper operation of the controller, install the power supply circuit in accordance with the following guidelines:
- The controller must receive AC power from a dedicated power circuit; failure to comply may cause the controller to malfunction.
- A dedicated power circuit disconnect switch must be near the controller, easily accessible by the operator, and marked as the disconnecting device for the controller.
- DO NOT run AC power wires in the same wire bundle with input/output wires; failure to comply may cause the controller to malfunction due to electrical noise.
- 18 AWG copper wire is recommended for the circuit between the transformer and the controller.
Transformer Recommendations
The controller can be powered with 24 Vac. Use of a 24 Vac power supply is recommended in order to use the spare 24 Vac outputs for powering relays and TRIACs.
- AC transformer requirements: UL listed, Class 2 power transformer, 24 Vac ±15%, device max load 24 VA. The transformer must be sized to provide adequate power to the controller and outputs.
- CE-compliant installations: The transformer must be CE marked and SELV compliant per IEC standards.
NOTICE
Equipment Damage!
Sharing 24 Vac power between controllers could result in equipment damage.
A separate transformer is recommended for each controller. The line input to the transformer must be equipped with a circuit breaker sized to handle the maximum transformer line current. If a single transformer is shared by multiple controllers:
- The transformer must have sufficient capacity
- Polarity must be maintained for every controller powered by the transformer
Important: If a technician inadvertently reverses polarity between controllers powered by the same transformer, a difference of 24 Vac will occur between the grounds of each controller. The following symptoms could result:
- Partial or full loss of communication on the entire BACnet® link
- Improper function of controller outputs
- Damage to the transformer or a blown transformer fuse
Wiring AC Power
To wire AC power:
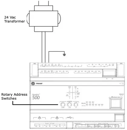
- Connect both secondary wires from the 24 Vac transformer to the XFMR terminals on the device.
- Ensure the device is properly grounded.
Important: This device must be grounded for proper operation! The factorysupplied ground wire must be connected from any chassis ground connection on the device (
) to an appropriate earth ground (
). The chassis ground connection used may be the 24 Vac transformer input at the device, or any other chassis ground connection on the device.
Note: The device is not grounded through the DIN rail connection.
Note: A pigtail connection should be used between the chassis ground on the device and an earth ground, if the device is not grounded through one leg of the transformer wiring.

Startup and Power Check
- Verify that the 24 Vac connector and the chassis ground are properly wired.
- Each device must have a unique and valid address. The address is set by using the rotary address switches. Valid addresses are 001 through 127 for BACnet MS/TP applications and 001 through 980 for Trane Air-Fi and BACnet IP applications.
Important: A duplicate address or a 000 address will cause communication problems in a BACnet link: The Tracer SC+ will not discover all devices on the link and the installation process will fail after discovery. - Remove the lockout/tagout from the line voltage power to the electrical cabinet.
- Apply power to the controller and observe the power check sequence that follows:
The power LED lights red for 1 second. Then it changes to green, indicating that the unit is properly booted and ready for application code. Flashing red indicates that a fault conditions exists. The Tracer® TU service tool can be used to check for fault conditions after application code and TGP2 programming have been loaded.
Input/Output Wiring
NOTICE
Equipment Damage!
Remove power to the controller before making input/output connections. Failure to do so may cause damage to the controller, power transformer, or input/output devices due to inadvertent connections to power circuits.
Pre-power checks of input/output devices should be performed according to the Symbio 500 IOM (BAS-SVX090). Maximum wire lengths are as follows:

Tug Test for Terminal Connectors
If using terminal connectors for wiring, strip the wires to expose 0.28 in (7 mm) of bare wire. Insert each wire into a terminal connector and tighten the terminal screws. A tug test is recommended after tightening terminal screws to ensure that all wires are secure.
BACnet MS/TP Link Wiring
BACnet MS/TP link wiring must be field-supplied and installed in compliance with NEC and local codes. In addition, the wire must be the following type: low capacitance, 18 gauge, stranded, tinned copper, shielded, twisted pair. Polarity must be maintained between all devices on the link.
BACnet IP Wiring
The Symbio 500 supports BACnet IP. The device requires a category 5E or newer Ethernet cable with an RJ-45 plug connector. The cable can be plugged into either port on the controller.
Examples of Wiring

TRIAC Supply Wiring

Input/Output Specifications

Note: Symbio 500 binary outputs are not compatible with voltages over 24Vac.
Expansion Modules
If additional inputs/outputs are needed, the Symbio 500 will support an additional 110 (133 total) inputs/outputs.
See Tracer XM30, XM32, XM70, and XM90 Expansion Modules IOM (BASSVX46) for more information.
Trane – by Trane Technologies (NYSE: TT), a global climate innovator – creates comfortable, energy efficient indoor environments for commercial and residential applications. For more information, please visit trane.com or tranetechnologies.com.
Trane has a policy of continuous product and product data improvement and reserves the right to change design and specifications without notice. We are committed to using environmentally conscious print practices.
BAS-SVN231B-EN 09 Sep 2022
Supersedes BAS-SVN213A-EN (Jun 2022)
© 2022 Trane



















