Rockwood 495 Fantom Door Stop Instruction Manual
Introduction
The Rockwood 495 is a fully concealed magnetic door stop that includes a hold-open function.
This system provides a high-quality, innovative solution for all project application requirements, alleviating tripping hazards whilst maintaining a modern, desirable finish.
The Rockwood 495’s concealed rare-earth magnet technology ensures exceptional mechanical functionality and is ideal for use in healthcare, hospitality, multi-family and commercial applications.
The ASSA ABLOY Group is the global leader in access solutions. Every day we help people feel safe, secure and experience a more open world.
ROCKWOOD 495 FANTOM DOOR STOP
Base Material:
Brass, Low Carbon Steel, Stainless Steel, and Polycarbonate with Magnet.
Applications:
- Healthcare
- Hospitality
- Multi-Family
- Commercial
Overview

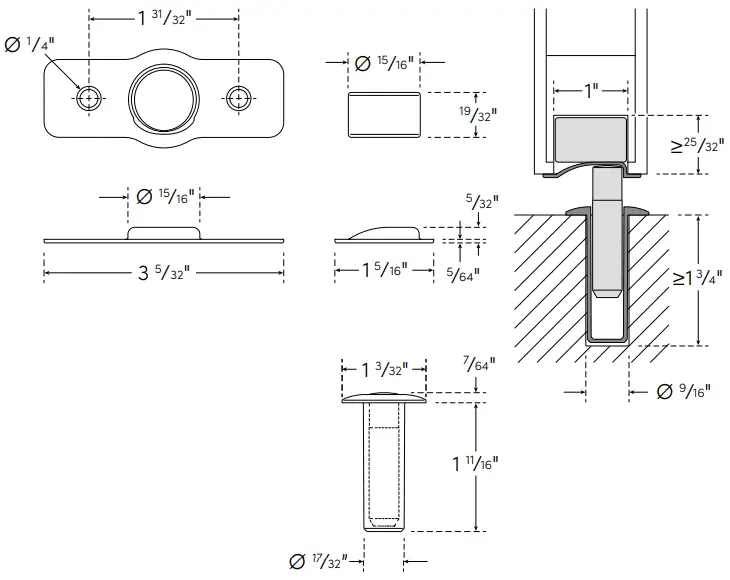
Diagram

Package Content
- 495.26D
Satin Chrome
- 495.BLK
Black
- 495.CLEAR
Clear
Copyright
Copyright © 2021, ASSA ABLOY Accessories and Door Controls Group, Inc. All rights reserved.
Reproduction in whole or in part without the express written permission of ASSA ABLOY Accessories and Door Controls Group, Inc. is prohibited. Printed in the U.S.A.
CUSTOMER SUPPORT
Rockwood Manufacturing Company
300 Main St.
Rockwood, PA 15557
www.rockwoodmfg.com
[email protected]
1 800 458 2424

















