
Installation Guide
ProFace X (DS)
Version: 1.0
Due to regular upgrades of systems and products, ZKTeco could not guarantee exact consistency between the actual product and the written information in this manual.
How to Install the Device?
Please refer to the following recommendations for installation.
![]() | |||
| KEEP DISTANCE | AVOID GLASS REFRACTION | AVOID DIRECT SUNLIGHT AND EXPOSURE | KEEP EFFECTIVE DISTANCE 0.3-2.5m |
Install on the wall
- Attach the mounting template sticker to the wall, and drill holes according to the mounting paper.
- Fix the backplate on the wall using wall mounting screws.
- Attach the device to the backplate.
- Fasten the device to the backplate with a security screw.

Install on the barrier gate
Please thread the wire through the bracket before installation.
- Drill a hole on the barrier gate, insert the bracket into the hole and fix it with a nut.
- Adjust the angle of the device.


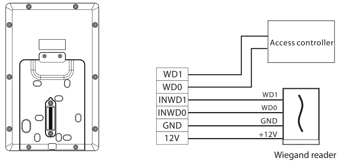
Wiegand Reader Connection

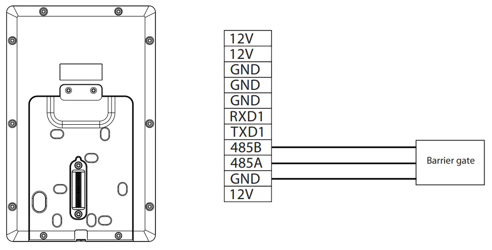
Barrier Connection

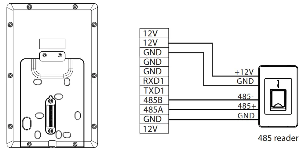
RS485 Connection

Note: 485A and 485B can be connected to the Barrier gate or the 485 Reader, separately, but cannot be connected to the gate and reader at the same time.
Power Connection

- Recommended power supply: 12V – 3A
- To share the power with other devices, use a power supply with higher current ratings.
Ethernet Connection
Connect the device and computer software over an Ethernet cable. An example is shown below:
![]() | |
| Default IP address: 192.168.1.201 Subnet mask: 255.255.255.0 | IP address: 192.168.1.130 Subnet mask: 255.255.255.0 |
Note: In LAN, the IP addresses of the server (PC) and the device must be in the same network segment when connecting to ZKBioSecurity software.
Click on [Comm.] > [Ethernet] > [IP Address], input the IP address and click on [OK].
Printer Connection

Download Center
Scan the QR Code to download the User Manual, Installation Guide, and Quick Start Guide.
https://www.zkteco.com/en/download_catgory/41.html
ZKTeco Industrial Park, No. 32, Industrial Road,
Tangxia Town, Dongguan, China.
Phone : +86 769 – 82109991
Fax : +86 755 – 89602394
www.zkteco.com
https://www.zkteco.com/en/
Copyright@2022 ZKTECO CO., LTD. All Rights Reserved.





















