ProFace X Body Temperature and Facial Recognition
User Guide
Due to regular upgrades of systems and products, ZKTeco could not guarantee exact consistency between the actual product and the written information in this manual.
Overview

Installation Environment
Please refer to the following recommendations for installation.

Device Installation
Install on the wall
- Attach the mounting template sticker to the wall, and drill holes according to the mounting paper.
- Fix the backplate on the wall using wall mounting screws.
- Attach the device to the backplate.
- Fasten the device to the backplate with a security screw.

Please thread the wire through the bracket before installation.
- Drill a hole in the barrier gate, insert the bracket into the hole and fix it with a nut.
- Adjust the angle of the device.

Standalone Installation


Lock Relay Connection
The system supports Normally Opened Lock and Normally Closed Lock.
The NO LOCK (normally unlocked when power-on) is connected with ‘NO’ and ‘COM’ terminals, and the NC LOCK (normally locked when power-on) is connected with ‘NC’ and ‘COM’ terminals.
Take NC Lock as an example below:

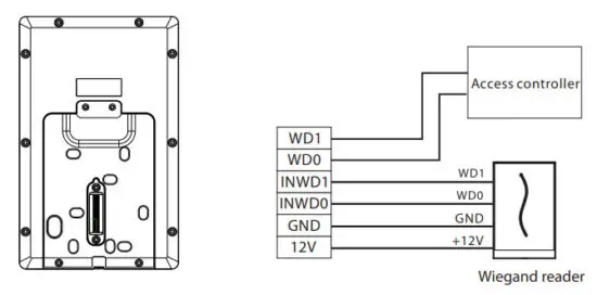
Wiegand Reader Connection

Barrier Connection

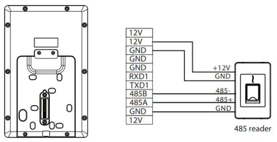
RS485 Connection

Note: 485A and 485B can be connected to the Barrier gate or the 485 Reader, separately, but cannot be connected to the gate and reader at the same time.
Power Connection

- Recommended power supply: 12V – 3A
- To share the power with other devices, use a power supply with higher current ratings.
Ethernet Connection
Connect the device and computer software over an Ethernet cable. An example is shown below:

Note: In LAN, the IP addresses of the server (PC) and the device must be in the same network segment when connecting to ZKBioSecurity software.
Click on [Comm.] > [Ethernet] > [IP Address], input the IP address and click on [OK].
User Registration
When there is no super administrator set in the device, click on
to enter the menu. After setting the super administrator, the system will request the administrator’s verification before entering the menu. For security purposes, it is recommended to register a super administrator at the first time you use the device.
Method1: Register on the device
Click on
> [User Mgt.] > [New User] to register a new user. Settings include entering user ID and name, face, password, and profile photo, setting user role, and access control role.

Method2: Register on ZKBioSecurity software
Please set the IP address and cloud service server address in the Comm. Menu option on the device.
- Click [Access] > [Access Device] > [Device] > [Search Device] to search the device on the software. When an appropriate server address and port is set on the device, the searched devices are displayed automatically.

- Click [Add] in the operation column, and a new window will pop up. Select Icon type, Area, and Add to Level from each dropdown and click [OK] to add the device.
- Click [Personnel] > [Person] > [New] and fill in all the required fields to register a new user in the software.
- Click [Access] > [Device] > [Device Control] > [Synchronize All Data to Devices] to synchronize all the data to the device including the new users.
For more details, please refer to the ZKBioSecurity User Manual.
Method 3: Register on the phone
Once ZKBioSecurity software is installed, users could enroll face via a browser application on their own mobile phone.
- Click [Personnel] > [Parameters], input ‘’http://Server address: Port’’ in the QR Code UGL bar. The software will automatically generate a QR code. Scan the QR code or login onto ‘’http://Server address: Port/app/v1/address’’ by the mobile phone to register users.

- The users will be displayed in [Personnel] > [Temporary Personnel], click [Review].

Access Control Settings
Click on
> [Access Control] to enter the access control management interface and set relevant parameters of access control.

Ethernet and Cloud Server Settings
Click on
> [Comm.] > [Ethernet] to set the network parameters. If the TCP/IP communication of the device is successful, the icon
will be displayed in the upper right corner of the standby interface.
Click on
> [Comm.] > [Cloud Server Setting] to set the server address and server port, that is, the IP address and port number of the server after the software are installed. If the device communicates with the server successfully, the icon
will be displayed in the upper right corner of the standby interface.


ZKTeco Industrial Park, No. 32, Industrial Road,
Tangxia Town, Dongguan, China.
Phone : +86 769 – 82109991
Fax : +86 755 – 89602394
www.zkteco.com














![Zkteco Speedface-v5l[qr] Series Visible Light Facial Recognition Terminal User Guide Zkteco Speedface-v5l[qr] Series Visible Light Facial Recognition Terminal User Guide](https://static-data1.manualsee.com/1/img/411/2395082/2022/03/ZKTeco-SpeedFace-V5LQR-Series-Visible-Light-Facial-Recognition-Terminal-fea.png)







