ZKTeco ProFace X DS User Guide
Overview

2 Installation Environment
Please refer to the following recommendations for installation.

3 Device Installation
Install on the wall
- Attach the mounting template sticker to the wall, and drill holes according to the mounting paper.
- Fix the backplate on the wall using wall mounting screws.
- Attach the device to the backplate.
- Fasten the device to the backplate with a security screw.

3 Device Installation
Install on the barrier gate
Please thread the wire through the bracket before installation.
- Drill a hole on the barrier gate, insert the bracket into the hole and fix it with a nut.
- Adjust the angle of the device.


4 Standalone Installation


6 Lock Relay Connection
The system supports Normally Opened Lock and Normally Closed Lock.
The NO LOCK (normally unlocked when power-on) is connected with ‘NO’ and ‘COM’ terminals, and the NC LOCK (normally locked when power-on) is connected with ‘NC’ and ‘COM’ terminals. Take NC Lock as an example below:

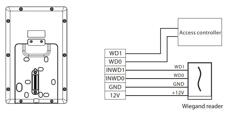
7 Wiegand Reader Connection

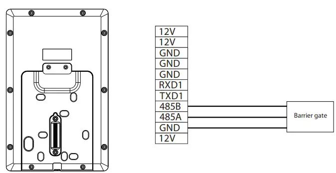
8 Barrier Connection

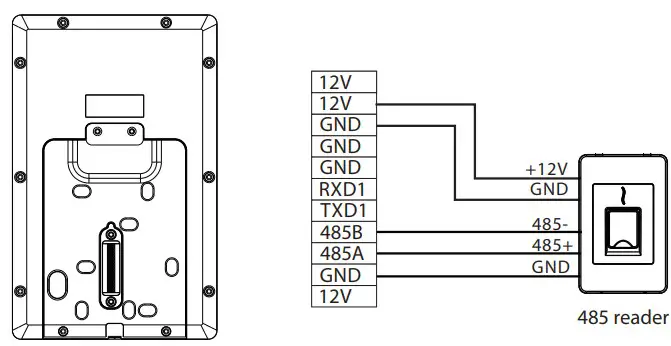
9 RS485 Connection

Note: 485A and 485B can be connected to the Barrier gate or the 485 Reader, separately, but cannot be connected to the gate and reader at the same time.
10 Power Connection

- Recommended power supply: 12V – 3A
- To share the power with other devices, use a power supply with higher current rating
11 Ethernet Connection
Connect the device and computer software over an Ethernet cable. An example is shown below:

Note: In LAN, IP addresses of the server (PC) and the device must be in the same network segment when connecting to ZKBioSecurity software. Click on [Comm.] > [Ethernet] > [IP Address], input the IP address and click on [OK].
12 User Registration
When there is no super administrator set in the device, click on to enter the menu. After setting the super administrator, the system will request for the administrator’s verification before entering the menu. For the security purpose, it is recommended to register a super administrator at the first time you use the device. Click on > [User Mgt.] > [New User] to register a new user. Settings include entering user ID and name, face, card, password and profile photo, setting user role and access control role.


Method2: Register on ZKBioSecurity software
Please set the IP address and cloud service server address in the Comm. Menu option on the device.
Click [Access] > [Access Device] > [Device] > [Search Device] to search the device on the software. When an appropriate server address and port is set on the device, the searched devices are displayed automatically

- Click [Add]in operation column, a new window will pop-up. Select Icon type, Area, and Add to Level from each dropdowns and click [OK] to add the device.
- Click [Personnel] > [Person] > [New] and fill in all the required fields to register a new users in the software.
- Click [Access] > [Device] > [Device Control] > [Synchronize All Data to Devices] to synchronize all the data to the device including the new users.
13 Access Control Settings
Click on > [Access Control] to enter the access control management interface and set relevant parameters of access control.

14 Ethernet and Cloud Server Settings
Click on > [Comm.] > [Ethernet] to set the network parameters. If the TCP/IP communication of the device is successful, the icon will be displayed in the upper right corner of the standby interface. Click on > [Comm.] > [Cloud Server Setting] to set the server address and server port, that is, the IP address and port number of the server after the software is installed. If the device communicates with the server successfully, the icon will be displayed in the upper right corner of the standby interface

15 Detection Management
Click on > [Detection Management] to enter the setting interface. Main Menu User Mgt. User Role COMM. System Personalize Data Mgt. Attendance Search Autotest System Info Access Control Print L
- You can enable mask detection function, and enable the Deny Access Without Mask and the
Trigger External Alarm, the device will send an alarm prompt when the user doesn’t wear a mask,
meanwhile the user will be forbidden to access, as shown in the following figure. - When the Allow Unregistered People to Access is enabled, you can also set Enable Capture of Unregistered Personto save the user photo.


16 Multi-face Identifying Settings
Click on > [System] > [Face] > [Face Identifying Settings] > [Identifying Mode] > [Multi-face Identifying] to enter the setting interface
When the Multi-face Identifying is enabled, the device can perform facial recognition of multiple people at once. For more details, please refer to the User Manual.


17 Video Door Phone Connection
Visitors click the on the main interface of the device to call and the phone will ring. The user can select accept or decline the call. After the user accepting, it will enter the video door phone interface.
- On the device, click on > [System] > [Video Intercom Parameters] > [QR Code Binding].
- Download and install the ZSmart APP on the phone, open the APP and add the device by scanning the QRcode.


18 QR Code as the Mobile Credential
- In [System] > [Basic Management]> [Parameters] of ZKBioSecurity software, set Enable QR Code to “Yes”, and select the QR code status according to the actual situation.
- On the server, choose [System] > [Authority Management] > [Client Register] to add a registered App client.
- Open the APP, enter the IP address or domain name of the server, and its port number, scan the Register QR-code. After the connection is successful, tap on Employee to switch to the Employee Login screen. Enter the Employee ID and Password (Default: 123456) to login.
- Tap [Mobile Credential] on the APP, and a QR code will appear. Place the phone screen right in front of the device QR code scanner. For details, please refer to the ProFace x (DS) User Manual.


![Zkteco Proface X [td] User Guide Zkteco Proface X [td] User Guide](https://static-data1.manualsee.com/1/img/494/665424/2021/09/ZKTeco-ProFace-X-TD-0-Featured-Image.jpg)



![Zkteco Elite Series [ti] Instruction Manual Zkteco Elite Series [ti] Instruction Manual](https://static-data1.manualsee.com/1/img/320/5146398/2022/11/fb4f414223137c521cec43028c1d4580.jpg)














