
Quick Start Guide
ProFace X [TD]
Version: 1.0 Date: April 2020
Overview
![ZKTeco ProFace X [TD] -](https://static-data1.manualsee.com/1/img/494/665424/2021/09/ZKTeco-ProFace-X-TD-.png)
Installation Environment
Please refer to the following recommendations for installation.
![ZKTeco ProFace X [TD] - Environment](https://static-data1.manualsee.com/1/img/494/665424/2021/09/ZKTeco-ProFace-X-TD-Environment.png)
Device Installation
Install on the wall
- Attach the mounting template sticker to the wall, and drill holes according to the mounting paper.
- Fix the backplate on the wall using wall mounting screws.
- Attach the device to the backplate.
- Fasten the device to the backplate with a security screw.
![ZKTeco ProFace X [TD] - security screw](https://static-data1.manualsee.com/1/img/494/665424/2021/09/ZKTeco-ProFace-X-TD-security-screw.png)
Device Installation
Install on the barrier gate
Please thread the wire through the bracket before installation.
- Drill a hole on the barrier gate, insert the bracket into the hole and fix it with a nut.
- Adjust the angle of the device.
![ZKTeco ProFace X [TD] - Installation](https://static-data1.manualsee.com/1/img/494/665424/2021/09/ZKTeco-ProFace-X-TD-Installation.png)
Standalone Installation
![ZKTeco ProFace X [TD] - Standalone Installation](https://static-data1.manualsee.com/1/img/494/665424/2021/09/ZKTeco-ProFace-X-TD-Standalone-Installation.png)
![ZKTeco ProFace X [TD] - Alarm Connection](https://static-data1.manualsee.com/1/img/494/665424/2021/09/ZKTeco-ProFace-X-TD-Alarm-Connection.png)
Lock Relay Connection
The system supports Normally Opened Lock and Normally Closed Lock.
The NO LOCK (normally unlocked when power-on) is connected with ‘NO’ and ‘COM’ terminals, and the NC LOCK (normally locked when power-on) is connected with ‘NC’ and ‘COM’ terminals.
Take NC Lock as an example below:
![ZKTeco ProFace X [TD] - the lock](https://static-data1.manualsee.com/1/img/494/665424/2021/09/ZKTeco-ProFace-X-TD-the-lock.png)
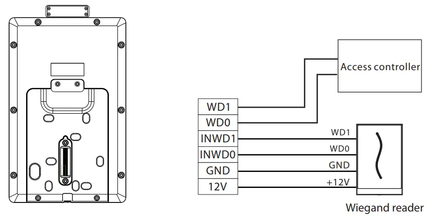
Wiegand Reader Connection
![ZKTeco ProFace X [TD] - d Reader Connection](https://static-data1.manualsee.com/1/img/494/665424/2021/09/ZKTeco-ProFace-X-TD-d-Reader-Connection.png)
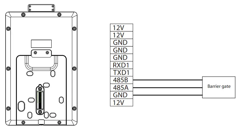
Barrier Connection
![ZKTeco ProFace X [TD] - Barrier Connection](https://static-data1.manualsee.com/1/img/494/665424/2021/09/ZKTeco-ProFace-X-TD-Barrier-Connection.png)
RS485 Connection
![ZKTeco ProFace X [TD] - Connection](https://static-data1.manualsee.com/1/img/494/665424/2021/09/ZKTeco-ProFace-X-TD-Connection.png)
Note: 485A and 485B can be connected to the barrier gate or the 485 readers, but cannot be connected to the gate and the reader at the same time.
Power Connection
![ZKTeco ProFace X [TD] - Connection2](https://static-data1.manualsee.com/1/img/494/665424/2021/09/ZKTeco-ProFace-X-TD-Connection2.png)
- Recommended power supply: 12V – 3A
- To share the power with other devices, use a power supply with higher current ratings.
Ethernet Connection
Connect the device and computer software over an Ethernet cable. An example is shown below:
![ZKTeco ProFace X [TD] - Ethernet Connection](https://static-data1.manualsee.com/1/img/494/665424/2021/09/ZKTeco-ProFace-X-TD-Ethernet-Connection.png)
Note: In LAN, IP addresses of the server (PC) and the device must be in the same network segment when connecting to ZKBioAccess EP software.
Click on [Comm.] > [Ethernet] > [IP Address], input the IP address and click on [OK].
User Registration
When there is no super administrator set in the device, click on
to enter the menu. After setting the super administrator, the system will request for the administrator’s verification before entering the menu.
For security purposes, it is recommended to register a super administrator at the first time you use the device.
Method1: Register on the device
Click on
> [User Mgt.] > [New User] to register a new user. Settings include entering a user ID and name, registering palm, face, password, and user photo, setting user role, and access control role.
![ZKTeco ProFace X [TD] - Register on the device](https://static-data1.manualsee.com/1/img/494/665424/2021/09/ZKTeco-ProFace-X-TD-Register-on-the-device.png)
Method 2: Register on ZKBioAccess EP software
Please set the IP address and cloud service server address on the device.
- Click [Access] > [Access Device] > [Device] > [Search Device] to add the device to the software.
When the device has set the server address and port, it can be added automatically.![ZKTeco ProFace X [TD] - EP software](data:image/svg+xml,%3Csvg%20xmlns=%22http://www.w3.org/2000/svg%22%20width=%22843%22%20height=%22594%22%3E%3C/svg%3E)
- Click [Personnel] > [Person] > [New] to register users in the software.
- Add users to access levels.
- Click [Access] > [Device] > [Device Control] > [Synchronize All Data to Devices].
For more details, please refer to the ZKBioAccess EP User Manual.
Method 3: Register on the phone
Once ZKBioAccess EP software is installed, users could enroll face via a browser application on their own mobile phone.
- Click [Personnel] > [Parameters], input ‘’http://Server address:Port’’ in the QR Code UGL bar. The software will automatically generate a QR code. Scan the QR code or login onto ‘’http://Server address: Port/app/v1/address’’ by the mobile phone to register users.
![ZKTeco ProFace X [TD] - register users.](data:image/svg+xml,%3Csvg%20xmlns=%22http://www.w3.org/2000/svg%22%20width=%22849%22%20height=%22452%22%3E%3C/svg%3E)
- The users will display in [Personnel] > [Temporary Personnel], click [Review].
![ZKTeco ProFace X [TD] - The users will display](data:image/svg+xml,%3Csvg%20xmlns=%22http://www.w3.org/2000/svg%22%20width=%22605%22%20height=%22343%22%3E%3C/svg%3E)
Access Control Settings
Click on
to enter the access control management interface and set relevant > [Access Control] parameters of access control.![ZKTeco ProFace X [TD] - Control Settings](https://static-data1.manualsee.com/1/img/494/665424/2021/09/ZKTeco-ProFace-X-TD-Control-Settings.png)
Ethernet and Cloud Server Settings
Click on
> [Comm.] > [Ethernet] to set the network parameters. If the TCP/IP communication of the device is successful, the icon
will be displayed in the upper right corner of the standby interface.
Click on
> [Comm.] > [Cloud Server Setting] to set the server address and server port, address, and port number of the server after the software is installed. If the device communicates with the server successfully, the icon
will be displayed in the upper right corner of the standby interface.
![ZKTeco ProFace X [TD] - Server Settings](https://static-data1.manualsee.com/1/img/494/665424/2021/09/ZKTeco-ProFace-X-TD-Server-Settings.png)
Detection Management Settings
Click on enter the management interface
> [System] > [Detection Management] to detection . You can set the value of the High-temperature alarm threshold. The device will send an alarm prompt when the temperature of the user detected exceeds this value. When the Temperature is over the range;
access denied is enabled, the user will be forbidden to access, as shown in the following figure.
![ZKTeco ProFace X [TD] - following figure](https://static-data1.manualsee.com/1/img/494/665424/2021/09/ZKTeco-ProFace-X-TD-following-figure.png)
Note:
- The effective distance for temperature detection is within 50cm.
- Recommended for indoor use.
- Temperature measurement data is for reference only, not for medical use.
- Remove the mask to register the face, wear a mask to recognize the face, the type of mask, the size of the face covered by the mask, and bangs will affect the facial recognition effect.
- Facial verification for masked individuals will increase FAR. Palm verification for masked individuals is recommended.
![ZKTeco ProFace X [TD] - recommended](https://static-data1.manualsee.com/1/img/494/665424/2021/09/ZKTeco-ProFace-X-TD-recommended.png)
Real-time monitoring on ZKBioAccess EP software
Once ZKBioAccess EP software is installed, users could perform epidemic management on the browser.
Please set the IP address and cloud service server address on the device and add the device to the software.
- Click [Prevention] > [Epidemic] > [Real-time monitoring] to view all the events include the user whose temperature is over the range. When the Alarm temperature setting has been set, the abnormal body temperature will be marked red automatically.
- Click [Prevention] > [Epidemic] > [Real-time monitoring] to view all the events include the user whose temperature is over the range. When the Alarm temperature setting has been set, the abnormal body temperature will be marked red automatically.
- Click [Epidemic] > [Statistics panel] to view the analysis of statistical data and view the personnel with normal temperature.
As shown in the following figure.
![ZKTeco ProFace X [TD] -1](https://static-data1.manualsee.com/1/img/494/665424/2021/09/ZKTeco-ProFace-X-TD-1.png)
![ZKTeco ProFace X [TD] - 2](https://static-data1.manualsee.com/1/img/494/665424/2021/09/ZKTeco-ProFace-X-TD-2.png)
For more details, please refer to the ZKBioAccess EP User Manual.
Method for Enrolling Palm
![ZKTeco ProFace X [TD] - Enrolling Palm](https://static-data1.manualsee.com/1/img/494/665424/2021/09/ZKTeco-ProFace-X-TD-Enrolling-Palm.png)
Note:
- Place your palm within 30-50cm of the device.
- Place your palm in the palm collection area, such that the palm is placed parallel to the device.
- Make sure to keep space between your fingers.

www.zkteco.eu
Copyright©2020 ZKTeco CO., LTD. All rights reserved.
![ZKTeco ProFace X [TD] - EP software](https://static-data1.manualsee.com/1/img/494/665424/2021/09/ZKTeco-ProFace-X-TD-EP-software.png)
![ZKTeco ProFace X [TD] - register users.](https://static-data1.manualsee.com/1/img/494/665424/2021/09/ZKTeco-ProFace-X-TD-register-users..png)
![ZKTeco ProFace X [TD] - The users will display](https://static-data1.manualsee.com/1/img/494/665424/2021/09/ZKTeco-ProFace-X-TD-The-users-will-display.png)




![Zkteco Elite Series [ti] Instruction Manual Zkteco Elite Series [ti] Instruction Manual](https://static-data1.manualsee.com/1/img/320/5146398/2022/11/fb4f414223137c521cec43028c1d4580.jpg)




![Zkteco Revface15[t1] Version: 2.0 User Guide Zkteco Revface15[t1] Version: 2.0 User Guide](https://static-data1.manualsee.com/1/img/305/2978662/2022/05/ZKTeco-RevFace15-T1-Version-Featured-Image.png)









