SW-BLE03 single-chip low-power Bluetooth
User Manual
Overview
The SW-BLE03 is a single-chip low-power Bluetooth (BLE) solution. It has the characteristics of low cost, low power consumption, and fewer peripheral components.
The SW-BLE03 supports a flexible memory architecture for storing Bluetooth profiles and custom application code. The qualified Bluetooth Smart protocol stack is stored in a dedicated ROM. All software runs on the enhanced 32bit RISC CPU processor via a simple scheduler.
Functional Block Diagram

1.1 Features:
- Complies with Bluetooth V5.1
- -94 dBm sensitivity in 1 Mbps BLE mode
- +10 dBm TX power (down to -20 dBm)
- Single-ended antenna output (Integrated balun)
- 8 mA peak current in TX (0 dBm)
- 9.7 mA peak current in RX
- 1.8V-4.3V supply voltage range
- 128KB ROM, 48KB RAM, and 256KB or 512KB FLASH depending on different part number
- Embedded multi-protocols and profiles in ROM
1.2 Applications:
- Advanced wearable devices
Health/fitness sensor and monitor devices - Internet of things (IOT)
Smart home sensors and controllers
Industrial IOT sensors and controllers
Data transmission model - Interactive entertainment devices
Remote controllers
Gaming controllers
Model define
2.1 Dimensions

2.2 PIN Description

| Name | NO. | Fusion |
| VCC | 1 | 5V Input |
| RXD | 2 | Data receive |
| TXD | 3 | Data send |
| GND | 4 | GND |
Electrical Characteristics
3.1 Absolute Maximum Ratings
Continuous operation at or beyond these conditions may permanently damage the device
| Rating | Min | Max | Unit |
| Storage Temperature | -40 | 125 | ℃ |
| Core Supply Voltage | 0.9 | 1.3 | V |
| I/O Voltage | 2.1 | 3.5 | V |
| Supply Voltage | 4.75 | 5.25 | V |
3.2 Crystal oscillator
| CLOCK SOURCE | Min | Typ | Max | Unit |
| Clock Frequency | 24 | 24 | 24 | MHz |
| Digital rim range | 7.5 | pf | ||
| Trim step size | 0.1 | pf | ||
| Tolerance | -10 | ppm | ||
| Note: Main Crystal OSC(24Mhz) for Bluetooth RF application,XTAL Load capacitance = 7.5pf | ||||
3.3 BT Characteristics
| Parameter | Min | Typ | Max | Unit | Test Conditions |
| RF frequency range | 2402 | 2480 | MHz | 25, ℃ Power Supply Voltage=3.3V 2440MHz | |
| RF Transmit Power | -20 | 0 | 10 | dBm | |
| Receiver sensitivity | -98 | dBm | |||
| Receiver sensitivity(1Mbps) | -94 | dBm |
3.4 Power Consumption
| Operation Mode | Average | Maximum | Unit |
| TX peek current (0dB) | 8 | mA | |
| RX peek current | 9.7 | mA | |
| Work current | 5 | mA |
FCC Declaration
This device complies with Part 15 of the FCC Rules. Operation is subject to the following two conditions:
- This device may not cause harmful interference.
- This device must accept any interference received, including interference that may cause undesired operation.
NOTE: This equipment has been tested and found to comply with the limits for a Class B digital device, pursuant to part 15 of the FCC Rules. These limits are designed to provide reasonable protection against harmful interference in a residential installation.
This equipment generates uses and can radiate radio frequency energy and, if not installed and used in accordance with the instructions, may cause harmful interference to radio communications. However, there is no guarantee that interference will not occur in a particular installation. If this equipment does cause harmful interference to radio or television reception, which can be determined by turning the equipment off and on, the user is encouraged to try to correct the interference by one or more of the following measures:
- Reorient or relocate the receiving antenna.
- Increase the separation between the equipment and receiver.
- Connect the equipment into an outlet on a circuit different from that to which the receiver is connected.
- Consult the dealer or an experienced radio/TV technician for help
NOTE: The manufacturer is not responsible for any radio or TV interference caused by unauthorized modifications to this equipment. Such modifications could void the user’s
authority to operate the equipment.
This equipment complies with FCC radiation exposure limits set forth for an uncontrolled environment. This equipment should be installed and operated with a minimum distance of 20 cm between the radiator and your body. This transmitter must not be co-located or operating in conjunction with any other antenna or transmitter.
ORIGINAL EQUIPMENT MANUFACTURER (OEM) NOTES
The OEM must certify the final end product to comply with unintentional radiators before declaring compliance of the final product to Part 15 of the FCC rules and regulations. Integration into devices that are directly or indirectly connected to AC lines must add with Class II Permissive Change.
The OEM must comply with the FCC labeling requirements. If the module’s label is not visible when installed, then an additional permanent label must be applied on the outside of the finished product which states:
“Contains transmitter module FCC ID: 2AWOV-SW-BLE03. Additionally, the following statement should be included on the label and in the final product’s user manual: “This device complies with Part 15 of the FCC Rules.
Operation is subject to the following two conditions:
- This device may not cause harmful interferences, and
- This device must accept any interference received, including interference that may cause undesired operation.”
The module is limited to installation in mobile or fixed applications. Separate approval is required for all other operating configurations, including portable configuration with respect to Part 2.1093 and different antenna configurations.*****
The requirement for KDB 996369 D03:
List of applicable FCC rules
FCC CFR Title 47 Part 15 Subpart C Section 15.247
Summarize the specific operational use conditions
This module has been granted Single Modular Approval for mobile applications. OEM integrators for host products may use the module in their final products without additional FCC certifications if they meet the following conditions. Otherwise, additional FCC approvals must be obtained.
The host product with the module installed must be evaluated for simultaneous transmission requirements The user’s manual for the host product must clearly indicate the operating requirements and conditions that must be observed to ensure compliance with current FCC RF exposure guidelines.
To comply with FCC regulations limiting both maximum RF output power and human exposure to RF radiation, the maximum antenna gain including cable loss in a mobile-only exposure condition must not exceed the 0dBi.
A label must be affixed to the outside of the host product with the following statement: This device contains FCC ID: 2AWOV-SW-BLE03
The final host/Module combinations may also need to be evaluated against the FCC Part 15B criteria for unintentional radiators in order to be properly authorized for operation as a Part 15 digital device.
Information on test modes and additional testing requirements
The data transfer module demo board can control the EUT work in RF test mode at a specified test channel.
Additional testing, Part 15 Subpart B disclaimer
The module is without an unintentional-radiator digital circuit, so the module does not require
an evaluation by FCC Part 15 Subpart B. The host is evaluated by the FCC Subpart B.
Single module procedures
The module has met the requirements to satisfy the conditions.
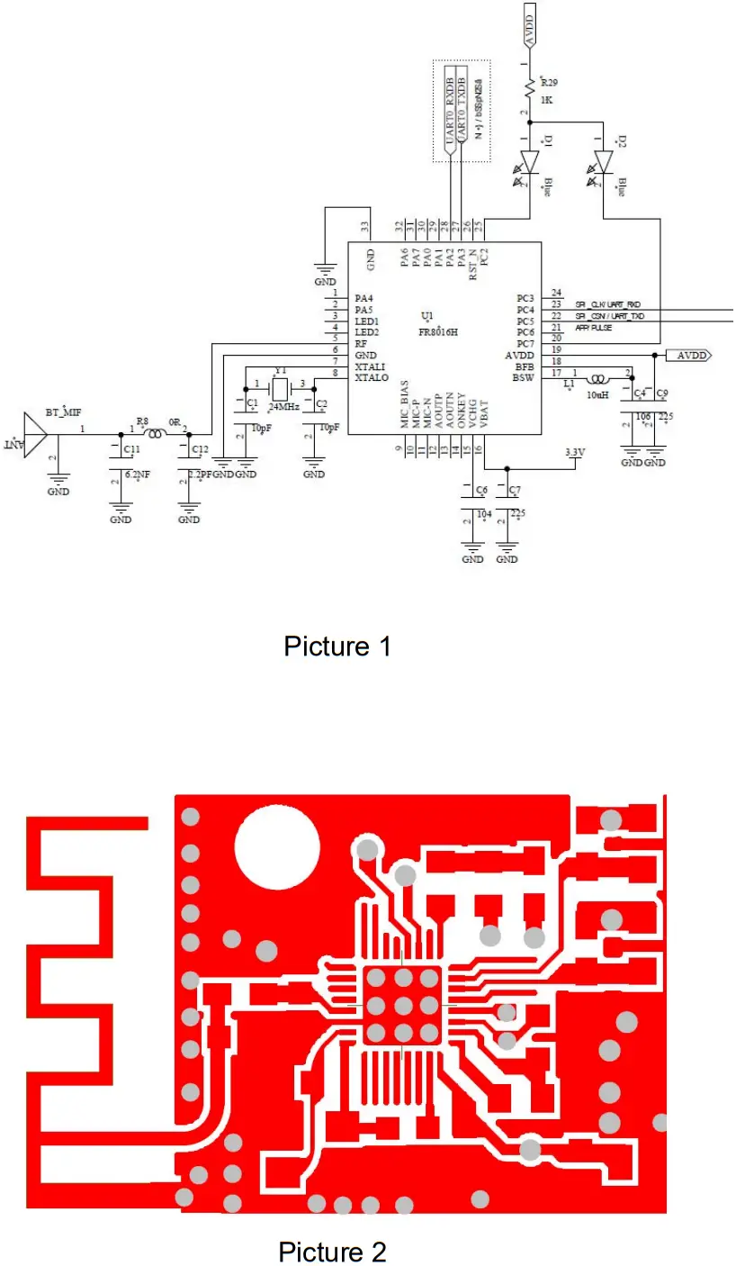
Trace antenna designs
Please refer to Picture 1 for the RF Link’s schematic diagram and refer to Picture 2 for PCB Layout. The designed antenna meets the wifi hardware module’s requirements via the connection between the Ipex connector and module.

RF exposure considerations
The host device manufacturer should confirm that a separation distance of 20cm or more should be maintained between the antenna of this host device and persons during the host device operation.
Antennas
The device itself has an antenna, customer can use the PCB antenna with an antenna gain that isn’t greater than 0 dBi.
Lable and compliance information
If this certified module is installed inside the host device, then the outside of the host must be labeled with ”Contains FCC ID: 2AWOV-SW-BLE03 “


















