USER MANUAL
MPPT100-48HV
MPPT CHARGER
100A 48VDC
MPPT100-48HV MPPT ![]()
ABOUT THIS MANUAL
Purpose
This manual describes the assembly, installation, operation, and troubleshooting for this unit. Please read this manual carefully before installation and operation.
Scope
This manual provides safety and installation guidelines as well as information on tools and wiring.
SAFETY INSTRUCTIONS
WARNING: This chapter contains important safety and operating instructions.
Read and keep this manual for future reference.
- Before using the unit, read all instructions and cautionary markings on the unit, the batteries and all appropriate sections of this manual.
- CAUTION – To reduce the risk of injury, charge only deep-cycle, lead acid, or Li-Ion type rechargeable batteries. Other types of batteries may burst, causing personal injury and damage.
- Do not disassemble the unit. When service or repair is required, take it to a qualified service center. Incorrect re-assembly may result in a risk of electric shock or fire.
- To reduce the risk of electric shock, disconnect all wirings before attempting any maintenance or cleaning. Turning off the unit will not reduce this risk.
- CAUTION – Only qualified persons should install this device.
- NEVER charge a frozen battery.
- For optimum operation of this MPPT charger, please follow the required specs to select the appropriate cable size.
- Be very cautious when working with metal tools on or around batteries. A potential risk exists for a dropped tool to spark or short circuit batteries or other electrical parts causing a fire.
- Strictly follow installation procedures when connecting DC terminals. Please refer to the installation section of this manual for details.
- Breaker is required as over-current protection for the battery supply.
- GROUNDING INSTRUCTIONS – This charger should be connected to a permanent grounded wiring system. Be sure to comply with local requirements and regulations when installing this charger.
- NEVER short DC inputs.
- Warning!! Only qualified professionals are permitted to service this device. If errors persist after following the troubleshooting table, please contact the tech department of the distributor where you purchased your product.
DISCLAIMER
EG4 reserves the right to make changes to the material herein at any time without notice. You may refer to the EG4 website at www.eg4electronics.com for the most updated version of our manual.
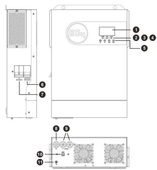
PRODUCT OVERVIEW

- LCD screen
- Power indicator
- Charging indicator
- Fault indicator
- Function buttons
- Battery breaker
- PV breaker
- PV wiring hole
- Battery wiring hole
- RS485 BMS communication port
- Grounding
INSTALLATION
Unpacking and Inspection
Before installation, please inspect the unit. Be sure that nothing inside the package is damaged. You should have received the following items inside of the package:
- The unit × 1
- User manual × 1
- RS485 BMS communication cable × 1
Preparation
Before installation, please take off bottom cover by removing the two screws.

Mounting the Unit
Consider the following points before selecting where to install:
- Do not mount the charger on flammable construction materials.
- It is recommended to mount the unit on a solid surface, preferably a wall.
- Install this charger at eye level to allow the LCD screen to be read at all times.
- The ambient temperature should be between 32°F to 131°F (0°C to 55°C) to ensure optimal operation.
- Please ensure sufficient spacing as shown in the diagram to the right to guarantee proper heat dissipation and to have enough space for removing wires.

SUITABLE FOR MOUNTING ON CONCRETE OR OTHER NON-COMBUSTIBLE SURFACE ONLY.
Mount the unit by attaching with two screws. It is recommended to use M4 or M5 screws.

Battery and PV Connections:
NOTE: This MPPT charger has a built-in battery breaker on the side panel of the unit for added safety, protection, and to assist with code compliance. (For local codes, check with your local AHJ.)
Ensure the battery breaker is in the off position before installing battery cables.
Stripping Length:

WARNING! We recommend all wiring be performed under the guidance of a licensed professional.
WARNING! It is very important for system safety and efficient operation to use the appropriate cable size for battery connections. To reduce the risk of injury, please use the recommended cable, stripping length (L2), and tinning length (L1) in the table below.
Recommended battery cable, stripping length (L2), and tinning length (Ll):
| Model | Maximum Amperage | Battery capacity | Wire Size AWG/Max | Recommended Wire Lenqth | L1{mm/in.) | L2 {mm/in.) | Torque value |
| MPPT100-48 | 100A | 100AH | 3AWG/2AWG | 6’/l.8m up to 15’/4.6m | 3/0.1″ | 18/0.7″ | 2~ 3 Nm |
Please follow these steps to ensure proper battery connection:
- Remove insulation sleeve 18 mm (0.7“) for positive and negative cables based on recommended stripping length.
- Connect all the batteries to the system. Insert the battery cable into the battery connector of the charger and make sure the bolts are tightened with a torque of 2-3 Nm.
- Make sure the polarity at both the battery and the charger is correct. Verify that the battery cables are torqued to the proper value of the battery terminals to avoid loose connections.
NOTE: This MPPT charger has a built-in PV breaker on the side panel of the unit for added safety, protection and to assist with code compliance. (For local codes, check with your local AHJ.)
Ensure the PV breaker is in the off position prior to installing PV wires.
WARNING We recommend all wiring be performed under the guidance of a licensed professional.
PV Wire Installation:
- Remove insulation sleeve 10 mm/0.4″ for positive and negative conductors.
- Check correct polarity of connection cable from PV modules and PV input connectors. Then, connect positive pole (+) of connection cable to positive pole (+) of PV input connector. Connect negative pole (-) of connection cable to negative pole (-) of PV input connector.
- Ensure PV cables are tightened to the proper torque specifications in the chart below.
| Model | Maximum Draw | Cable Size* | Torque |
| MPPT100-48HV | 18A | 10 AWG up to 50’/15.2m | 1.4,v1.6 Nm |
PV Module Selection:
When selecting PV modules, please be sure to take into account that the temperature-adjusted open circuit voltage (VOC) of the PV modules should not exceed the max PV array open circuit voltage of the charger.
Operation and Display Panel
The operation and display panel, shown in the chart below, is located on the front panel of the MPPT charger. It includes three indicators, four function keys and a LCD screen, indicating the operating status and the input/output power information of the charger.
LED Indicator
| LED Indicator | Messages | ||
| Power | Green | Solid On | The unit is powered on |
| CHG | Green | Solid On | Battery is fully charged |
| Flashing | Battery is charging | ||
| Fault | Red | Solid On | Fault has occurred in the charger |
| Flashing | Warning condition has occurred in the charger | ||
Function Keys
| Function Key | Description |
| ESC | To exit setting mode |
| UP | To go to previous selection |
| DOWN | To go to next selection |
| ENTER | To confirm the selection in setting mode or enter setting mode |
OPERATION
Power ON/OFF
- Make sure the unit has been properly installed and the batteries are connected securely.
- Verify that the PV modules are connected securely and within safe MPPT voltage range.
- Turn on the battery breaker on the unit and then turn on the battery breakers/switches.
- Turn on the PV breaker. When the modules produce sufficient power, the unit will power on and operate normally.
Note:
• Only when both batteries and PV modules are properly wired and producing sufficient power will the unit power on and operate normally.
• When the PV power is lost,the unit will go into standby mode and power off after about 2 minutes. Only when the PV power returns to MPPT voltage range will the unit power on and work normally.
LCD Setting
After pressing and holding the ENTER button for 3 seconds, the unit will enter the settings mode. Press the “UP” or “DOWN” button to select the proper settings program. Finally, press the “ENTER” button to confirm the selection or the ESC button to exit.
Setting Programs:
| Program | Description | Selectable option | |
| 01 | Bulk charging voltage (C.V voltage) | Default value is 56.0V and the setting range is 48V – 62.0V. Please note that the setting value must be greater than or equal the value of program 2. | |
| 02 | Float charging voltage | Default value is 56.0V. Setting range is from 48.0V – the value of program 1. | |
| 03 | Maximum charging current | Default value is 80A. Setting range is from 5A – 100A. | |
| 04 | Modbus ID Setting | Modbus ID Setting Range:001(default)-247 | |
| 05 | Backlight control | Backlight on (default) | Backlight off |
| 06 | Buzzer mode | Mode1 | Buzzer mute |
| Mode2 | The buzzer sounds when the input source changes or there is a specific warning or fault. | ||
| Mode3 | The buzzer sounds when there is a specific warning or fault. | ||
| Mode4 (default) | The buzzer sounds when there is a fault. | ||
| 07 | Battery type | User-defined (default) | If “User-Defined” is selected, battery charge voltage can be set up in program 01 and 02. |
| LI | EG4 battery protocol | ||
Setup for lithium battery without communication
These settings are used for lithium battery applications without BMS communication. Please follow these setting suggestions:
- Before setting, please obtain the following battery BMS specifications:
a) Max charging voltage
b) Max charging current - Set battery type (Program 07) as user-defined.
- Set C.V voltage (Program 01) as the max charging voltage of your battery.
- Set float charging voltage (Program 02) as C.V voltage minus 0.5V.
- Set the max charging current (Program 03), which must be less than the max charging current of the BMS. (Please refer to the battery specifications for the recommended charging current.)
Caution:
When the charger and inverter are communicating to the battery system simultaneously, the system may be unstable. It is best to connect the BMS of the battery to the inverter and disconnect the MPPT charger communication. Then let the charger work without communication in user-defined mode.
Lithium Battery Connection
If you are using an EG4 lithium battery for the MPPT charger, you can use the preconfigured lithium battery protocol. The EG4 battery has RS485 connections to connect to the BMS port of the charger.
Please follow the steps below to implement lithium battery communication:
- Locate your included RS485 BMS communication cable.
- Connect the end of RS485 port of battery to BMS (RS485) communication port of charger.
- Finish setting program 07 as LI.
- If communication between the charger and battery is successful, the charger will work normally.
The charger RS485 port pin assignment is shown below:
| Pin number | RS485 Port | Wire color |
| PIN1 | RS485-B | Red |
| PIN2 | RS485-A | White |
| PIN3 | GND | Green |
| PIN4 | GND | Yellow |
| PIN5 | NC | NC |

Fault Reference Codes
| Fault Code | Fault Event |
| 01 | Bus soft start failed |
| 02 | PV voltage is too high |
| 03 | Over temperature of DCDC module |
| 05 | PV current offset is too high |
| 06 | Bus voltage is too high |
| 07 | Battery voltage is too high |
| 08 | Battery current offset is too high |
| 09 | Lithium battery communication is abnormal |
SPECIFICATIONS
| MPPT Charging Mode | |
| CHARGER MODEL | 5KW |
| Max Charging Current | 100Amp |
| Bulk Charging Voltage | 56.4Vdc |
| Floating Charging Voltage | 54Vdc |
| Overcharge Protection | 63Vdc |
| Charging Algorithm | 3-step |
| Charging Curve | ![]() |
| Charger Specifications | |
| Battery Voltage | 48Vdc nominal |
| Charge Current | 5-100A (default 80A) |
| Bulk Charging Voltage | 48-62Vdc (default 56Vdc) |
| Float Charging Voltage | 48Vdc to bulk charging voltage (default 56Vdc) |
| Overcharge Protection | 63Vdc |
| Max Efficiency | 94% |
| Self-Consumption | <25W |
| Solar Specifications | |
| Max PV Array Open Circuit Voltage | 500Vdc |
| PV Array MPPT Operating Voltage Range | 120-450Vdc |
| Number of Trackers | 1 |
| Max Solar Current Draw | 18A |
| Max PV String Current | 22A |
| Max Usable PV Array Power | 5500W |
| Environmental Specifications | |
| Operating Temperature Range | 14°F to 131°F (-10°C to 55°C) |
| Storage Temperature | 5°F to 140°F (-15°C to 60°C) |
| Humidity | 5% to 95% relative humidity (non-condensing) |
| IP Rating | IP21 |
| Operating Altitude | 0~4921 ft. (0~1500 m) |
| Physical Specifications | |
| Dimensions H×W×D | 17.2×11.6×4.7 in. (43.8×29.5×12.0 cm) |
| Net Weight | 17.8 lbs. (8.1 kg) |
Version 1.0.0 – Information subject to change without notice.


















