VOXNAN


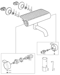
Installation must be performed in compliance with current local construction and plumbing regulations. If in doubt, contact a professional.

Switch off the main shut-off valve before changing the mixer tap.





Before connecting the product to the water supply system, water should be flushed through the system to remove all debris.


NOTE! Silicone is not included.

IMPORTANT! Do not tighten too hard: this can damage hoses/pipes and washers.




Depending on your individual supply system it might be necessary to adjust the mixer to supply the correct and safe water temperature.


Check at regular intervals to make sure that the installation is not leaking.

© Inter IKEA Systems B.V. 2017 2021-03-11 AA-2008735-4















