hansgrohe Ecostat 1001 SL Care Thermostatic Bath and Shower Mixer

If there are any queries regarding this product or its installation, please contact the Hansgrohe technical hotline: 0870 7701975
Safety and Important Information
Hansgrohe products are safe provided they are installed, used and maintained in accordance with these instructions and recornrnendations.
Please read these instructions thoroughly and retain for future use.
The plumbing installation of this shower must comply with the requirements of UK
Water Regulations/Bylaws (Scotland), Building Regulations or any other regulations specified by the local Water Authority and supplier.
We strongly recommend that you use a plumber registered with or a member of an Association:
Institute of Plumbing (IOP) – throughout the UK
National Association of Plumbing, Heating and Mechanical Services Contractors
(NAPH & MSC) – England & Wales
Water Industry Approved Plumber Scheme (WIAPS)
- Dispose of plastic bags carefully
- Keep children well away from the work area.
- Check for hidden pipes and cables in the wall before drilling holes.
- The unit must be mounted on a finished waterproofed wall surface (usually tiles).
- If you are using power tools (e.g. to drill holes) wear safety glasses and always disconnect tools from the power supply after use.
- Do not operate the shower unit if the hand shower or spray hose has been damaged or is blocked.
- Do not block the flow of water from the hand shower, by placing it on your hand or any other part of your body or foreign object.
- The thermostatic unit should be serviced annually by a qualified person to ensure maximum safety during use.
- The mixer incorporates check valves (page 14 pos. 4) and filters (page 14 pos 7).
- The fitting of isolation valves is required (preferred location page 6 and 7 Installation Requirements)
Pack Contents
Please check that you have been supplied with the following:
Ecostat 1001 SL Care 13284000
- Ecostat 1001 SL
- Mesh washers
- Escutcheons
- S-unions

Ecostat 1001 SL Care 13282000
- Ecostat 1001 SL
- Mesh washers
- Escutcheons
- S-unions

Dimensions
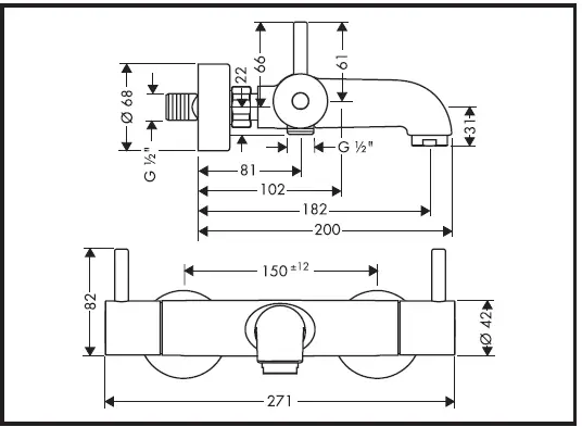
Ecostat 1001 SL Care 13284000

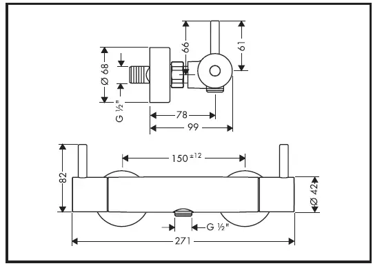
Ecostat 1001 SL Care 13282000

Technical Data
Ecostat 1001 SL Care
This thermostatic valve will suit supplies of: HIGH PRESSURE (HP-S)
- Operating pressure: max. 10 bar
- Recommended operating pressure: 0.2 – 5 bar
- Test pressure: 16 bar
- Hot water temperature: max. 80°C
- Recommended hot water temp.: 65°C
- Rate of flow from bath spout: 20 l/min. @ 3 bar
- Rate of flow from shower outlet:18 l/min. @ 3 bar
- Maximum outlet temperature: 43°C +/-*
- Safety check: 40°C
- Hot water connection: Left hand
- Cold water connection: Right hand
- Minimum difference between hot water and mixed water temperature: 6 K
- Hot and cold supply pressure should be balanced
Mixed water temperature
- Application Mixed water temperature (at point of discharge)
- Bidet 38°C max.
- Shower 41°C max.
- Washbasin 41°C max.
- Bath (44°C fill) 44°C max.
- Bath (46°C fill) 46°C max.
For preset outlet temperature adjustment – „Commisioning“.
NB. If a water supply is fed by gravity then the supply pressure should be verified to ensure the conditions of use are appropriate for the valve.
Valves operating outside of these supply conditions cannot be guaranteed to operate as a TMV2 or TMV3 valve.
The following models are TMV3 approved for high pressure shower (HP-S) application: 13282000
Supply Conditions TMV2
Operating pressure range High pressure
- Maximum static pressure – bar 10
- Flow pressure, hot and cold – bar 1 to 5
- Hot supply temperature – °C 55 to 65
- Cold supply temperature – °C 5 to 25
Supply Conditions TMV3
Operating pressure range High pressure
- Maximum static pressure – bar 10
- Flow pressure, hot and cold – bar 1 to 5
- Hot supply temperature – °C 52 to 65
- Cold supply temperature – °C 5 to 20
Installation Requirements
This thermostatic mixer valve must be installed in compliance with current Water Regulations. If you have any doubts about the Water Regulation requirements contact your local water services provider or use the services of a professional plumber.
This mixer valve is suitable for use with the following water supply systems:
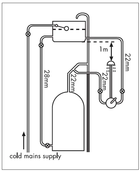
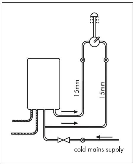
Gravity Fed Hot and Cold (pressure balanced) 0.1 – 1.0 bar Gas Combination Boiler (multi-point) 1.0 – 10 bar* Unvented System (pressure balanced) 1.0 – 10 bar Pumped System 1.0 – 10 bar
IMPORTANT: If you install this mixer with a gravity fed system, there must be a minimum head (vertical distance) from the underside of tlie cold water storage tank to the showerhead position of at least 1 metre.
Before connecting the mixer, water should be flushed through the system to remove all debris that might otherwise damage the valve.
If pressure is in excess of 3.5 bar, a pressure-reducing valve should be fitted.

Gravity Fed Hot and Cold (pressure balanced)

Gas Combination Boiler (multi-point)

Unvented System (pressure balanced)

Pumped System

Installation
Shower Thermostat

- The hot and cold water outlets should be 150mm apart (plus or minus 12mm). Hot on the left and cold on the right (fig. 1). The recommended plumbing fittings are 1⁄2“ back plate elbows (not supplied).
- Flush through the hot and cold water supplies.
- Wrap PTFE tape round the S-unions and screw into the backplate elbows. The S-unions must protrude beyond the tiled surface between 32 and 41mm (figs.2-3).
- Seal the gap between the S-unions and the tiles (fig.3).
- Screw the escutcheons onto the S-unions.
- Fasten the thermostatic mixer onto the S-unions using the union nuts. Align the unit and tighten the nuts (be careful not to damage the chrome finish). The S-unions allow inaccuracies to be compensated for.
Bath/Shower Thermostat
As the shower thermostat above (positioned over a bath).

Commissioning and in-service tests
Commissioning
Purpose
Since the installed supply conditions are likely to be different from those applied in the laboratory tests it is appropriate, at commissioning, to carry out some simple checks and tests on each mixing valve to provide a performance reference point for future in-service tests.
Procedure
- Check that:
a) the designation of the thermostatic mixing valve matches the intended application
b) the supply pressures are within the range of operating pressures for the designation of the valve
c) the supply temperatures are within the range permitted for the valve and by guidance information on the prevention of legionella etc. - Adjust the temperature of the mixed water in accordance with the manufacturer’s instructions and the requirement of the application and then carry out the following sequence:
a) record the temperature of the hot and cold water supplies
b) record the temperature of the mixed water at the largest draw-off flow rate
c) record the temperature of the mixed water at a smaller draw-off flow rate, which shall be measured
d) isolate the cold water supply to the mixing valve and monitor the mixed water temperature
e) record the maximum temperature achieved as a result of (d) and the final stabilised temperature
NOTE: The final stabilised mixed water temperature should not exceed the values in Table A.
f) record the equipment, thermometer etc. used for the measurements
Table A: Guide to maximum stabilised temperatures recorded during site tests
Application Mixed water temperature
- Shower 43°C
- Washbasin 43°C
- Bath (44°C fill) 46°C
- Bath (46°C fill) 48°C
In-service tests
Purpose
The purpose of in-service tests is to regularly monitor and record the performance of the thermostatic mixing valve. Deterioration in performance can indicate the need for service work on the valve and/or the water supplies.
Procedure
- Carry out the procedure 2. (a) to (c) on page 10 using the same measuring equipment, or equipment to the same specifications.
- If the mixed water temperature has changed significantly from the previous test results (e.g. > 1 K), record the change and before re-adjusting the mixed water temperature check:
- that any in-line or integral strainers are clean
- any in-line or integral check valves or other anti-backsiphonage devices are in good working order
- any isolating valves are fully open
- With an acceptable mixed water temperature, complete the procedure 2. (a) to (c) on page 9.
- If at step 2. (e) on page 10 the final mixed water temperature is greater than the values in Table A and/or the maximum temperature exceeds the corresponding value from the previous test results by more than about 2 K, the need for service work is indicated.
NOTE: In-service tests should be carried out with a frequency which identifies a need for service work before an unsafe water temperature can result. In the absence of any other instruction or guidance, the procedure described in „Frequency of in-service tests“ may be used.
Frequency of in-service tests TMV3*
General
In the absence of any other instruction or guidance on the means of determining the appropriate frequency of in-service testing, the following procedure may be used:
- 6 to 8 weeks after commissioning carry out the tests given in 2. on page 9.
- 12 to 15 weeks after commissioning carry out the tests given in 2. on page 9.
- Depending on the results of 1. and 4. several possibilities exist:
- If no significant changes (e.g. < 1 K) in mixed water temperatures are recorded between commissioning and 1., or between commissioning and 4. the next in-service test can be deferred to 24 to 28 weeks after commissioning.
- If small changes (e.g. 1 to 2 K) in mixed water temperatures are recorded in only one of these periods, necessitating adjustment of the mixed water temperature, then the next in-service test can be deferred to 24 to 28 weeks after commissioning.
- If small changes (e.g. 1 to 2 K) in mixed water temperatures are recorded in both of these periods, necessitating adjustment of the mixed water temperature, then the next in-service test should be carried out at 18 to 21 weeks after commissioning.
- If significant changes (e.g. > 2 K) in mixed water temperatures are recorded in either of these periods, necessitating service work, then the next in-service test should be carried out at 18 to 21 weeks after commissioning.
- The general principle to be observed after the first 2 or 3 in-service tests is that the intervals of future tests should be set to those which previous tests have shown can be achieved with no more than a small change in mixed water temperature.
TMV2: The frequency of performing the in-service tests is 1 year maximum.
Thermostatic Adjustment
Temperature Limitation
The temperature is limited by the safety stop to 40°C. If a higher temperature is required, it is possible to over ride the safety stop by depressing the safety button.
NB. It is recommended that for private domestic use the maximum mixed water temperature be set at the following factory set values:
- Shower Mixer 43°C
- Bath/Shower 46°C
The desired maximum temperature (43°C) can be pre-set using the safety function.
Proceed as follows:
- Remove the handle end cap, undo the screw and pull off the handle and safety set disk. Remove the circlip from the spindle and slide off the locking ring (fig.1).

- Turn the spindle until the required maximum temperature is reached (43°C). You will need to use a thermometer (fig.2).
- Replace the locking ring back onto the spindle as shown. Refit the circlip (fig.3).
- Refit the safety set disk as shown. Replace the handle, screw and end cap (fig.4).

To guarantee a smooth running of the thermostatic element, it is necessary from time to time to turn the thermostat from total hot to total cold. The thermostatic mixer valve should be checked annually by a qualified person to ensure correct operation.
The mixer is fitted with check valves (page 14 pos. 4) and filters (page 14 pos 7). If the water flow drops the filters need to be cleaned. For that purpose the mixer has to be removed from the wall.
Operating your Shower
Ecostat 1001 SL Care Flow ON/OFF Control
Turn the flow control handle (fig.1a) anti-clockwise to turn the water on and to increase the flow. Turn it clockwise to decrease the flow and turn off.
Temperature Control
Turn the temperature control handle (fig. 1b) anti-clockwise to increase the water temperature and clockwise to decrease the water temperature.
Thermostat
The valve automatically adjusts for changes in flow supply and maintains the outlet set water temperature.
Ecostat 1001 SL Care
Flow ON/OFF Control Shower
Turn the flow control handle (fig.2a) anti-clockwise to turn the water on and to increase the flow for the shower outlet. Turn it clockwise to decrease the flow and turn off.
Flow ON/OFF Control Shower
Turn the flow control handle (fig.3a) clockwise to turn the water on and to increase the flow for the bath outlet. Turn it anti-clockwise to decrease the flow and turn off.

Temperature Control
Turn the temperature control handle (fig. 1b) anti-clockwise to increase the water temperature and clockwise to decrease the water temperature.
Thermostat
The valve automatically adjusts for changes in flow supply and maintains the outlet set water temperature.

Cleaning
Cleaning materials for Mixers and Showers
Acids are necessary ingredients of cleaning materials for removing lime. However please pay particular attention to the following points when cleaning mixers and showers:
Only use cleaning material specifically intended for this type of cleaning – such as Hansgrohe’s Decalcifying Agent, available through the specialist sanitary trade.
Never use cleaning materials which contain hydrochloric, formic or acetic acid, as they cause considerable damage.
Never use Phosphoric acid as it can cause damage.
Never mix any cleaning material with another. Never use cleaning materials on appliances with an abrasive effect, such as unsuitable cleaning powders, sponge pads or micro fibre cloths.
Cleaning Instructions for Mixers and Showers
Please follow the cleaning materials manufacturer’s inistructions. In addition pay attention to tlie following points:
Clean the mixers and showers as and when required.
The cleaning dosage and time the cleaner needs to take effect should be adjusted according to the product and the cleaner should not be left longer than necessary.
Regular cleaning can prevent calcification. When using spray cleaner, spray first into a cloth or sponge never directly onto the sanitary tapware, as drops could enter openings and gaps and cause damage.
After cleaning, rinse thoroughly with clean water to revove any cleaner residue.
Important
Residues of liquid soaps, shampoos and shower foams can also cause damage, so rinse with clean water after use.
If the surface is already damaged, the effect of cleaning materials will cause further damage.
Damage caused by improper treatment will not be covered by our guarantee.
Spare Parts
Bath/Shower Thermostat

- Thermostatic element 94282000
- Shut off and diverter unit 96509000
- Handle tor shut ott and diverter unit and temperature control 98664000
- Check valve NV15/ DN15 967370000
- Sunions 94140000
- Escutcheon 96467000
- Filter packing 96922000
- Noise reduction 964290000
- Aerator cpl. 13485000
Shower Thermostat

- Thermostatic element 94282000
- Shut off unit 94149000
- Handle tor shut oft unit and temperature control 98664000
- Check valve NV15/ DN15 96737000
- S-unions 94140000
- Escutcheon 9646/000
- Filter packing 96922000
- Noise reduction 96429000
Trouble Shooting
| Trouble Shooting | ||
| Fault | Cause | Remedy |
| Insuffient water flow | Supply pressure inadequate | Check mains pressure |
| Shower filter seal dirty | Clean filter seal between shower | |
| and hose | ||
| Thermostat cartridge filters dirty | Remove cartridge & clean | |
| the filters on the barrel | ||
| ‚Crossflow‘, hot water is forced | check valves dirty or | Clean check valves – |
| into cold water pipe, or vice | leaking | replace if necessary |
| versa | ||
| Spout temperature does not | Thermostat has not been | Calibrate thermostat |
| correspond wlth the temperature | adjusted | |
| set | ||
| Hot water temperature too low | Increase hot water temperature | |
| No temperature control | Thermostat cartridge failure or | Check/clean filters |
| blocked filters | Replace cartridge | |
| Shower or spout dripping | Dirt in the flow valve or ‚shut off‘ | Clean or replace shut-off unit |
| unit damaged | ||
Warranty
You have purchased a quality product from Hansgrohe. All parts which show any kind of fault as far as construction, material or assembly are concerned within the first 24 months after installation, we will repair or exchange the part in question free of charge. Faulty items become our property.
We do not grant warranty for faults caused by: unsuitable or improper use; incorrect assembly; installation started and/or completed by a non-qualified plumber, natural wear out, improper or careless treatment, lack of maintenance; unsuitable usage; chemical, electro-chemical or electrical influences.
Hansgrohe Units D1 & D2 Sandown Park Trading Estate Royal Mills Esher Surrey KT10 8BL Technical Hotline 0870 77o 1975
E-Mail: [email protected]
Internet: www.hansgrohe.com





















