hansgrohe 31741180 Concealed Basic Set Bath-Shower Mixers

Product Information
The product is a multi-language user manual for a specific product. It includes instructions and information in various
languages such as German, French, English, Italian, Spanish, Dutch, Danish, Polish, Chinese, Russian, Swedish, Lithuanian, Croatian, Romanian, Greek, Slovenian, Estonian, Latvian, Serbian, Norwegian, Bulgarian, Japanese, Arabic, and Turkish.
The manual provides safety instructions, installation instructions, adjustment guidelines, flow diagrams, examples of installation, technical specifications, and information about spare parts and special accessories.
Product Usage Instructions
Safety Notes:
- Wear gloves during installation to prevent crushing and cutting injuries.
- The product is intended for bathing, hygiene, and body cleaning purposes only.
- The hot and cold water supplies must have equal pressures.
Installation Instructions:
- Follow the provided installation instructions to avoid damages.
- Ensure that the product is properly installed and tested according to applicable standards.
- Observe the regulations and requirements of different countries.
- If necessary, use sound insulation during installation.
Technical Data:
- Operating pressure: Maximum 1 MPa
- Recommended operating pressure: 0.1 – 0.5 MPa
- Test pressure: 1.6 MPa
- Hot water temperature: Check the thermal disinfection
guidelines
Flow Diagram:
- Refer to the provided flow diagram to understand the water flow from the tub outlet and shower outlet.
Examples of Installation:
- Refer to the examples of installation on page 35 for different mounting options.
Spare Parts and Special Accessories:
- Refer to page 36 for information on spare parts.
- Order any special accessories separately if required.
Make sure to read the complete user manual for detailed instructions and information regarding safety, installation, and usage of the product.
Safety Notes
- Gloves should be worn during installation to prevent crushing and cutting injuries.
- The product may only be used for bathing, hygienic and body cleaning purposes.
- The hot and cold supplies must be of equal pressures.
Installation Instructions
- Prior to installation, inspect the product for transport damages. After it has been installed, no transport or surface damage will be honoured.
- The pipes and the fixture must be installed, flushed and tested as per the applicable standards.
- The plumbing codes applicable in the respective countries must be observed.
- The fittings must be mounted in an insulated manner and with sound insulation.
Assembly
- Install body with G 3/4 outlet pointing downwards.
- Depth of fitting: 68 mm to 96 mm.
Note: When installation is complete ensure that the mixer is turned off! - A Direct wall installation.
- B Direct wall installation with 10 mm adjustable mounting studs.
- C Brick wall installation.
Technical Data
- Operating pressure: max. 1 MPa
- Recommended operating pressure: 0,1 – 0,5 MPa
- Test pressure: 1,6 MPa (1 MPa = 10 bar = 147 PSI)
- Hot water temperature: max. 60°C
- Thermal disinfection: 70°C / 4 min
- The product is exclusively designed for drinking water!
Symbol description
Do not use silicone containing acetic acid!
Adjustment
To adjust the hot water limiter. Using a hot water limiter in combination with a continuous flow water heater is not recommended.
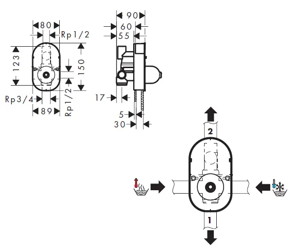
Dimensions
- Flow diagram free flow
- Tub outlet
- Shower outlet
Spare parts
Special accessories (order as an extra) extension set 28 mm #32498000
Installation example
Assembly Procedure


dimension

Flow Diagram

Adjustment



Installation example



Spare parts

Hansgrohe · Auestraße 5 – 9 · D-77761 Schiltach
Telefon +49 (0) 78 36/51-1282
Telefax +49 (0) 7836/511440
E-Mail: [email protected]
Internet: www.hansgrohe.com


















