
CentraRotary Valves DRR
3-way Rotary Valve PN10 and HE25 Extension
APPLICATION
The DRR Three-Way Rotary Valve provides water temperature control in heating and air-conditioning applications. These valves are designed for accurate mixing control of supply water temperature and return-flow temperature. The housing is made out of red brass which enables especially the use in surface heating systems (floor or wall heating) with an oxygen diffusion problem. The sturdy construction and red brass material ensure long operating life and high reliability when used in combination with M6061/VMM and M7061/VRM actuators. The special inner form of the housing and the all-around changeable rotary plug allow the valve to be adapted to each possible application without having to drain the system. The DRR Three-Way Rotary Valve is especially designed for applications with sludge deposition and for panel heating (e.g. underfloor and ceiling heating systems) with oxygen diffusion.
In combination with the distance-adjustable H-Extension, use in a wide range of pre-piped systems is possible.
SPECIAL FEATURES
- The housing is made out of red brass which enables especially the use in surface heating systems (floor or wall heating) with an oxygen diffusion problem
- Chrome-plated plug for long life
- Optimized characteristic for supply water temperature control
- All around changeable rotary plug
- Reliable and easy mounting of electrical actuators
- Wide range of flow rates in two housing sizes
- Compact design
- Use for manifolds by accessory H-Extension
- Thermal insulation package included
TECHNICAL DATA
| Media | |
| Medium: | Heating water according to VDI 2035 Oxygen concentration: < 0.2 g/m3 , pH 8…9.5 |
| Pressure values | |
| Nominal static pressure: | 1000 kPa (10 bar) |
| Max. pressure drop: | dependent on type |
| Operating temperatures | |
| Water temperature: | 2 to 130 °C, non-condensing |
| Specifications | |
| Leakage rate: | < 1% of Kvs |
| Ports: | External threads with cap nuts |
| Angle of rotation: | 90° |
| Packaging: | Double O-ring lined |
| Flow characteristic: | equal percentage |
| Weight: | dependent on type |
CONSTRUCTION
| Overview | Components | Materials | |
![]() | 1 | Housing HE25 | Cast iron (GG20) |
| 2 | Housing DRR | Red brass | |
| Not depicted components: | |||
| Inner parts DRR | Chrome-plated cast iron | ||
METHOD OF OPERATION
The valve controls a mixing water temperature with a rotating plug. The plug adjusts with two control curves the water flow of two inputs. The required flow water
Suitable Actuators
Torque (Nm) | Order number 24 Vac floating | Order number 230 Vac floating | Order number 0/2…10 V |
20 | M6061A1021 | M6061L1027 | M7061E1020 |
| VMM20-24 | VMM20 | VRM20 |
Valve dimensioning
Rotary Valves are employed mainly in hydraulic systems corresponding to the examples. The rotary valve can be set quite easily. In order to obtain good control characteristics, the pressure drop in the rotary valve should be about the same as the pressure drop in the “volume-variable” part of the pipe system, i.e. about 1.5…4.0 kPA or 15…40 mbar. The following dimensioning diagram is based on this interrelationship. The setting is obtained as follows:
- Find heat flow Q in the diagram.
- ove vertically upwards to the intersection with the corresponding line. On the vertical axis, the volume flow V can be read off on the left in liters per hour.
- Move horizontally to the right from the intersection with the
line into the shaded section (1.5-4.0 kPa). Here you will find the nominal rotary valve size to be selected. - From this intersection, go vertically downwards. Read off the pressure drop in the rotary valve in kPa (mbar).

| Example | Given: | Heat flow Q = 10 kW, = 15 K (z.B. 70/55 °C) | |
| Required: | Nominal rotary valve size and pressure drop | ||
| Volume flow: | ![]() | ||
| Result: | According to the diagram, the correct valve size is DN25, kvs 4.0 The pressure drop is 2 kPa or 20 mbar or 200 mm water column (The factor 1.163 contains the water density of 1000 kg/m3 and the specific heat capacity of 4.19 kJ/kgK. is the temperature difference, in Kelvin, between the supply and the return flow.) | ||
| Unit Conversion | 1 kW = 3600 kJ/h = 860 kcal/h 1.000 kcal/h = 1.163 kW | 1 bar = 100 kPa = 10 m water column 1 mbar = 10 mm water column | |
INSTALLATION GUIDELINES
Installation Example
Adjustments for Mixing Applications
Mounting Actuator
Hydraulic function
TECHNICAL CHARACTERISTICS
Pressure drop characteristics
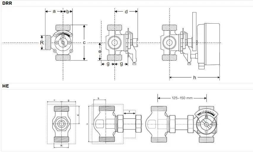
DIMENSIONS
Overview
DN | a | b | c | d | e | f | g | h | R | Weight | Order number |
25 | 55 | 32 | 110 | 89 | 55 | – | 51 | 182 | 1 1/2 | 2.5 kg | DRR25-2.5 |
| 25 | 55 | 32 | 110 | 89 | 55 | – | 51 | 182 | 1 1/2 | 2.5 kg | DRR25-4.0 |
25 | 55 | 32 | 110 | 89 | 55 | – | 51 | 182 | 1 1/2 | 2.5 kg | DRR25-6.3 |
| 25 | 55 | 32 | 110 | 89 | 55 | – | 51 | 182 | 1 1/2 | 2.5 kg | DRR25-10 |
25 | 55 | 32 | 110 | 89 | 55 | – | 51 | 182 | 1 1/2 | 2.5 kg | DRR25-16 |
| 25 | – | 42 | 110 | – | 55 | 0-25 | 51 | – | 1 1/2 | 1.7 kg | HE25 |
Note: All dimensions in mm unless stated otherwise.
ORDERING INFORMATION
The following tables contain all the information you need to make an order of an item of your choice. When ordering, please always state the type, the ordering or the part number.
Options
| DN | kvs-value (m3/h) | Heat flow (kW) | Nominal torque | Op (kPa) | Order number |
| (Nm) | |||||
| 25 | 3. | 3. | 100 | 20 | DRR25-2.5 |
| 25 | 4.0 | 4.0 | 100 | 20 | DRR25-4.0 |
| 25 | 6. | 6. | 100 | 20 | DRR25-6.3 |
| 25 | 10.0 | 10.0 | 100 | 20 | DRR25-10 |
| 25 | 16.0 | 16.0 | 100 | 20 | DRR25-16 |
| 25 | — | — | — | — | HE25 |
Accessories
| Description | Dimension | Part No. | ||
| WTU25 | Welding sockets with gasket and cap nut | |||
| DN25, Pipe size 25 mm | WTU25 | |||
| LSU25 | Soldering sockets with gasket and cap nut | |||
| DN25, Pipe size 18 mm | LSU25-18 | |||
| DN25, Pipe size 22 mm | LSU25-22 | |||
| DN25, Pipe size 28 mm | LSU25-28 | |||
| STU25 | Internal threaded sockets with gasket and cap nut | |||
| DN25, Pipe size 25 mm | STU25 | |||
Spare Parts
3-way rotary valve DRR, from 2008 onwards
Overview
| Description | Dimension | Part No. | |
| 2 | Rotary plug | ||
| DN 25 (kvs 2.5) | 030000434 | ||
| DN 25 (kvs 4.0) | 030000435 | ||
| DN 25 (kvs 6.3) | 030000436 | ||
| DN 25 (kvs 10) | 030000437 | ||
| 1,3, 4,5, 6,7, 9,10 | Valve cover with o-ring and screws | ||
| 030000105 | |||
| 1, 3, 4, 7 | Seal kit complete | ||
| 019001030 | |||
| 9,10 | O-ring cover with screws | ||
| 7 | O-ring | ||
| 071099535 | |||

Manufactured for and on behalf of
Pittway Sàrl, Z.A.,La Pièce 4
1180 Rolle, Switzerland
© 2021 Resideo Technologies, Inc. All rights reserved.
For more information
homecomfort.resideo.com/europe
Subject to change. EN0H-1753GE23 R0221






















