
3010003010_31-H3010_00_01
148 × 210 mm
H3010 | EM-10AHD
Colour Video Doryphone Set
H3010 Colour Video Doorphone Set


Colour Video Doorphone Set
Safety Instructions and Warnings
Read the user manual before using the device.
Follow the safety instructions stated in the manual.
The product is designed to serve reliably for many years if used properly.
- Read the manual carefully before using this product.
- Do not place the product in locations prone to vibration and shocks – these may cause damage.
- Do not expose the product to excessive force, impacts, dust, high temperatures, rain or humidity – these may cause malfunction, shorten energy life and deform plastic parts.
- Do not place any open flame sources on the product, e.g. a lit candle, etc.
- Do not cover up or insert any objects in the product‘s vents.
- Do not use the product if the power cable or plug is damaged or if the connection of the plug to the socket is loose. Doing so may cause injury by electric current or cause fire due to a short circuit.
- Do not exceed the input voltage or use voltage other than specified for the product. Make sure the voltage listed on the product is identical to the voltage in your area.
- Do not disassemble, repair or modify the product. Have it repaired by the retailer you bought it from.
- Do not tamper with the internal electrical circuits of the product – doing so may damage the product and will automatically void the warranty.
- Do not replace any components of the product with non-original spare parts.
- To clean the product, use a slightly moistened soft cloth. Do not use solvents or cleaning agents – they could scratch the plastic parts and cause corrosion of the electrical circuits.
- Do not immerse the product in water or other liquids.
- Keep the product and its power cord out of reach of children. This product may be used by persons with impaired physical, sensory or mental capabilities or persons without experience and knowledge only if they are supervised or instructed in the safe use of the product and understand the risks that may occur.
- Do not leave the product running unsupervised. Always disconnect the product from power if you are about to leave it unsupervised.
Delivery Contents
1× video monitor
1× mounting frame for video monitor
1× door camera unit
1× covering hood
1× power supply unit mounting screws Connecting cables
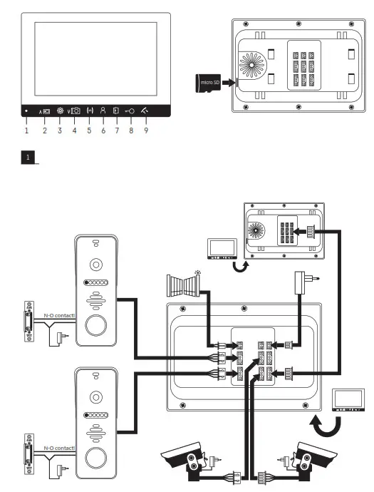
Technical Description of the Video Monitor
see Fig. 1
1 – microphone
2 – start/stop manual recording, navigation in the menu
3 – menu, confirm selection in the menu
4 – manually take a picture, navigation in the menu
5 – intercom
6 – call up the image from camera unit 1-2, CCTV camera 1-2
7 – activate the sliding gate
8 – activate the door lock
9 – speak/hang up
Description of Terminals
see Fig. 3
Door camera unit
1 – red – 12 V
2 – white – audio
3 – black – GND
4 – yellow – video
5 – green – normally-closed (NC) relay contact
6 – blue – common (COM) relay contact
7 – brown – normally-open (NO) relay contact
8 – orange – exit button (makes contact with the GND terminal)
External CCTV camera
1 – red – 12 V
2 – white – alarm
3 – black – GND
4 – yellow – video
Installation
Choosing a Place for Installing the Monitor
Take into account the need for cables when choosing a place to install the device. It is recommended that the device be placed at eye level of the user.
Installation of Mounting Frame under Video Monitor
Place the frame on the mounting spot, mark out the locations for mounting holes and drill them into the wall. Sufficient space must remain in the centre of the frame for cables to the monitor (cable from the camera, power supply cable). Attach the frame using screws.
Connecting the Cables
Connect the door camera units or additional CCTV cameras to the monitor by plugging the cables into the labelled terminals on the monitor – DOOR 1, DOOR 2, CAM 1, CAM 2
Hanging the Monitor
Gently press the monitor to the frame so that the protrusions lock into the opening at the rear of the monitor. Pushing the monitor slightly downwards will fix it in place.
Connecting the Device to the Power Grid
Connect the power supply to a grid which meets the 230 V/50 Hz parameters of the device.
Plug the power supply connector (output) into the prescribed socket at the rear of the video monitor.
Multiple Monitors in the System
If the system includes multiple monitors, each monitor must be assigned its own ID.
Menu –
– Set device ID
Installation of the Door Camera Unit see Fig. 4
Choose a suitable mounting spot and install the mounting frame.
Pull the power supply cable through the mounting opening and connect it to the terminal at the rear of the door camera unit.
Mount the connected door camera unit onto the mounting frame using the enclosed screws.
Door Camera Unit on Plaster
Apply a layer of silicone between the wall and the door camera unit to prevent ingress of humidity under the door camera unit. The silicone should be applied on the top and the sides. The bottom side must be left open to allow humid air from exiting the space under the door camera unit.
Setting Door Camera Unit Volume and Lock Relay Contact Time when Activated by the Exit Button see Fig. 5
Values are set using the turn knobs on the back of the door camera unit (covered by a rubber seal).
Parameters of Interlinking Cables
For distances under 20 m, use a high-quality shielded FTP CAT.5 cable (optimally CAT.6). For distances over 20 m, we recommend a SYKFY 5 × 2 × 0.5 or 10 × 2 × 0.5
cable.
To achieve a higher cross-section, the cables can be doubled or tripled.
The resulting diameter of the conductors is as shown in the table:
| Conductor core diameter [mm] | Distance [m] |
| 0.5 | 20 |
| 0.65 | 50 |
| 0.8 | 70 |
| 1 | 115 |
In basic implementation, there is no need to use a coaxial cable to transmit the video component.
Such a cable is only recommended for distances over 100 m.
For long ground cabling, you can use a telecommunication cable of category TCEPKPFLE.
Basic Operation of the Device
To ring the bell and call up the image from the door camera unit on the videophone, press the button on the door camera unit.
Audio from outside will also be transmitted to the monitor.
To accept a call, press this button on the monitor:
To immediately call up the image from the door camera unit and CCTV camera, press this button: ![]()
Press the UNLOCK button to unlock the corresponding door or to open the gate
For a private call between monitors, press the INTERCOM button ![]()
You can manually activate video recording or take pictures during a call![]()
Setting image zoom:
The setting can be changed by long-pressing the
icon
and adjusting the value using the arrows.
Setting view height while the zoom feature is active:
The setting can be changed by long-pressing the
icon and adjusting the value using the arrows.
Device Menu
– System settings
Set time, date, language, reset to factory settings
– Door unit
Set automatic recording, duration for video, relay connection, motion detection
– External CCTV cameras
Set alarms, duration for video, alarm sensors and motion detection on secondary CCTV cameras
– Ringtone setting
Timing, duration and volume of the ringtone, selection of ringtone types. You can also set your own ringtone from a memory card. The ringtone files must be stored on the
memory card in the Ring folder.
Enter the menu by pressing:
Speaker Volume Settings
Settings are changed by pressing and
adjusting the value using arrows while a video image is active
Setting image brightness:
The setting can be changed by long-pressing the
icon and adjusting the value using the arrows.
Setting image contrast:
The setting can be changed by long-pressing the
icon and adjusting the value using the arrows.
Setting image colour temperature: The setting can be changed by long-pressing the
icon and adjusting the value using the arrows.
– Play recordings
Play recordings and browse photos from door units and CCTV cameras. A memory card must be inserted for this feature to function!
SD – Memory card
Browse files stored on the memory card
– Digital picture frame
Setting for the LCD in standby mode. Allows displaying a clock, or showing pictures from a memory card. The files must be stored on the memory card in the DigitalFrame
folder.
– Mode setting
Selection of modes – at home, do not disturb, not at home Settings for image signals
Maintenance of the Device
The device is low-maintenance. It is recommended, based on the condition of the device, to occasionally wipe the device down with a moistened cloth.
Attention!
Before cleaning, the device must be disconnected from power!
FAQ
The device does not work
– Check the cables and the connection of the power supply to the grid.
-If you used an extension cable on the power supply cord, check that the polarity is correct. Measure the power supply with a multimeter. The output voltage on the connector should be 12 V DC (+/- 1 V).
The image/sound is not clear, the device does not ring
– Remove the monitor or the door camera unit and connect it using a short cable to eliminate the possibility of a interrupted conductor in the house.
– Then check the image and sound settings (brightness, contrast, colour, volume).
The lens steams up
– This occurs mainly during cold weather, where condensation occurs due to the temperature difference between the wall and the door camera unit itself. If water condenses on the lens, we recommend thoroughly drying the door camera unit and adjusting the installation.
Spontaneous ringing
– Spontaneous ringing is caused by moisture entering the door camera unit. Water short-circuits the contacts on the lock switch and the device will start ringing on its own. – – – We recommend dismounting the door camera unit, drying it thoroughly and spraying it with a water repellent for electronics.
High-pitched noise (feedback)
– The source of feedback is the scattering of output sound from the door camera unit. The sound scatters and is fed back into the microphone, where it is further amplified.
– You can solve this by decreasing the microphone sensitivity and speaker volume.
– In door units with adjustable elements, you can do this by turning the potentiometers.
– In units without these control elements, you can reduce the microphone volume mechanically by a piece of soft foam.
The device does not open the lock
– Check that the cabling is intact.
– Measure the voltage on the lock terminals using a multimeter.
– The lock requires a voltage of 12 V to trigger. If the value is lower, use stronger conductors for the lock control.
Sudden decrease in microphone sensitivity
– Check the cleanliness of the microphone opening, or clean it gently with a thin, blunt object.
Be careful not to damage the microphone!
Do not dispose with domestic waste. Use special collection points for sorted waste. Contact local authorities for information about collection points. If the electronic devices would be disposed on landfill, dangerous substances may reach groundwater and subsequently food chain, where it could affect human health.
EMOS spol. s r. o. declares that the EM-10AHD (H3010) is in compliance with the essential requirements and other relevant provisions of Directive. The device can be
freely operated in the EU. The Declaration of Conformity can be found at http://www.emos.eu/download.


















