FILL-RITE NX25-120NB-AG AC Fuel Transfer Pump

Product Information
The NX25-120 & NX25-240 SERIES AC FUEL TRANSFER PUMPS are high-quality pumps manufactured by FillRite Company. These pumps are designed to transfer flammable fluids such as gasoline, diesel, and kerosene from one container to another. The pumps come equipped with electronic protection from thermal overload, which ensures safe operation. The materials of construction are not food grade and, hence, not suitable for use with fluids intended for human consumption or fluids containing water. Water can cause rust and corrosion in the pump housing, and if water enters the pump, it should be flushed immediately with petroleum products.
Unique Features of the Nextec Pump
The next fuel transfer pump is an intelligent pump that performs differently from nonintelligent pumps on startup and while operating. It is essential to keep the following in mind while using and learning how the nextec Intelligence pump operates.
Your Nextec fuel transfer pump will perform differently from non‑intelligent pumps on start‑up and while operating. You will want to keep the following in mind as you begin to use and learn how your nextec Intelligence pump operates.
- On initial start up, the pump may rev momentarily, but will slow down, as if idling, as it responds to the load it senses. This is a normal condition, and it will continue at this low speed until you squeeze the handle on the dispensing nozzle to begin fluid flow.
- When you squeeze the nozzle handle to begin flow, the microprocessor in the pump will sense the change and will raise the RPM’s to meet the load.
It is not uncommon for the pump to change RPMs during operation. It will do this as it senses performance parameters are changing; for example, if you increase or decrease the flow at the nozzle, the electronics controlling the motor will sense the changes and adjust the motor speed to optimize performance. - If the pump senses a condition that is outside normal operating parameters (e.g. low input voltage), it will sound a series of tones to alert you to the condition, and to help you diagnose it. See the “Intelligent Tones” section of the Troubleshooting Guide on page 14 for greater detail on this feature.
- Your next pump has a Continuous Duty Cycle, meaning it does not have to be shut off to “rest” after a specific period of use. This allows you to move from fueling one piece of equipment to another without having to shut the pump off. The next Intelligence does, however, have an automatic shut-off if the pump is left running in bypass mode (without dispensing any fluid) for 20 minutes. This features protects from unnecessary power consumption and excessive wear to the pump in the event you forget to shut the pump off. Should the pump turn itself off under these conditions, simply cycle the power switch off, then back on to restore pump operation.
- The next Intelligence will also shut the motor down if:
- Pump temperature exceeds threshold parameters
- Input voltage is outside threshold parameters
- Rotor is locked
Safety Information
It is critical to read and adhere to all safety warnings and precautions to ensure safe and proper operation of the equipment.
Failure to follow the instructions below, improper installation, or use of this product can cause serious bodily injury or death.
- Danger: To minimize static electricity build-up and possible explosion, use only static wire conductive hose when pumping flammable fluids, and keep the fill nozzle in contact with the container being filled during the filling process. Spark/static discharge may cause explosions.
- Warning: Threaded pipe joints and connections should be sealed with the appropriate sealant or sealant tape to minimize the possibility of leaks. Leaking fuel may cause the potential for fire and explosion.
- Caution: The pump motor is equipped with electronic protection from thermal overload; if overheated, the motor will slow down. After the motor has cooled, you may cycle power or the switch to reset this safety feature and continue use. The pump will not restart until properly cooled.
- Notice: This product is not suited for use with fluids intended for human consumption or fluids containing water. Materials of construction are not food grade. Water will cause rust and corrosion in the pump housing. If water enters the pump, flush immediately with a petroleum product (gasoline, diesel, kerosene, etc.) to eradicate residual water. A FillRite filter should be used on the pump outlet to ensure no foreign material is transferred to the fuel tank. Foreign material can damage the equipment being fueled.
Fueling Safety
DANGER
Fumes accumulated while fueling create an Explosive Atmosphere. It is CRITICAL that all possible sources of ignition be removed to a safe distance or extinguished. Sources of ignition would include (but not limited to) open flames, cigarettes, static discharge, or electrical connections that can create a spark. Explosion, fire, and severe injury or death will occur if the explosive vapors are ignited.
As a tank is being filled, air is displaced and exits via the fuel tank vent creating fumes, which when accumulated create an Explosive Atmosphere. To avoid possible explosion of accumulated vapors, it is critical to keep possible sources of spark/ignition at safe distances from the fuel vapors.
The accompanying diagram shows the minimum safe distances between the storage tank, dispenser, and power source.
WARNING
static electric spark can occur when filling portable containers sitting on truck bed liners, or on any vehicle’s carpeting or floor matting. This spark will explosively ignite a gasoline vapor fire and cause SERIOUS INJURY or DEATH.
- • STATIC ELECTRIC SPARK EXPLOSION HAZARD.
• NEVER fill portable containers that are in or on vehicles.
• ALWAYS PLACE CONTAINERS ON THE GROUND.
• Keep nozzle in contact with the container while filling.
Product Usage Instructions
Before using the NX25-120 & NX25-240 SERIES AC FUEL TRANSFER PUMPS, please read the Installation and Operation Manual carefully. Follow all safety warnings and precautions to ensure safe and proper operation of the equipment.
- Ensure that all possible sources of ignition are removed to a
safe distance or extinguished before fueling, including open
flames, cigarettes, static discharge, or electrical connections
that can create a spark. - Connect the pump to a suitable power source and ensure that the power is switched off before connecting the pump to the fuel container.
- Use only static wire conductive hose when pumping flammable fluids, and keep the fill nozzle in contact with the container being filled during the filling process to minimize static electricity build-up and possible explosion.
- Threaded pipe joints and connections should be sealed with the appropriate sealant or sealant tape to minimize the possibility of leaks. Leaking fuel may cause the potential for fire and explosion.
- Do not use the pump with fluids intended for human consumption or fluids containing water. Water will cause rust and corrosion in the pump housing. If water enters the pump, flush immediately with a petroleum product to eradicate residual water.
- Use a FillRite filter on the pump outlet to ensure no foreign material is transferred to the fuel tank. Foreign material can damage the equipment being fueled.
- If the pump motor overheats, it will slow down. After the motor has cooled, you may cycle power or switch to reset this safety feature and continue use. The pump will not restart until properly cooled.
Installation
NX25‑120 and NX25‑240 pumps are designed to offer several different mounting configurations. It can be mounted on a skid tank using the tank adapter supplied with the pump (see attached diagrams), or mounted on a concrete island using an optional pedestal adapter (model FRPA125 is available through your Fill‑Rite distributor). Regardless of mounting style, all tanks must be properly vented.
CAUTION Do not use check valves or foot valves unless they have a proper pressure relief valve built into them. Note that check valves will reduce rate of flow.
Nozzle Boot Installation
Install the nozzle boot using the supplied attaching bolt. Note that the bolt is inserted through the hole closest to the nozzle opening, and the boot is then positioned so the peg on the pump mounting surface inserts in the top second hole of the boot. This allows for correct alignment of the nozzle when inserted into the boot.
Foot Mount Installation
The mounting foot is bolted to the bottom of the pump using the four supplied socket head cap screws. Mount the foot with the bolt flanges inboard of the mounts on the pump as illustrated. Torque to 50 in‑lbs with 4mm hex key. 
Anti-Siphon Device
NX25‑120 and NX25‑240 pumps comes from the factory ready to install an anti‑siphon tube back to the tank. An anti‑siphon device (a.k.a. vacuum breaker) is important because it will break a liquid siphon if there is an open nozzle or a leaking hose below the fluid level in the tank when the pump is turned off. Fill‑Rite recommends an anti‑siphon kit
#KIT321ASN be installed from the pump outlet back to the vapor space in the tank.
This illustration shows where to install the tube so that it terminates in the vapor space at the top of the tank. The tube must terminate in the vapor space; if it terminates below the fluid level in the tank, it will not prevent siphoning. It is very important there are no liquid traps in the tubing; it must have a continuous slope from the pump down to the tank, and can be connected into any opening in the top of the tank if the tank adapter is not used. Use reducer bushings as required for proper fit and seal.
The ¼” NPT opening in the side of the tank adapter terminates in the vapor space of the tank. Make liquid‑tight connections using the appropriate sealant from the adapter to the anti‑siphon outlet using a minimum of ¼” metal tubing that is compatible with whatever liquid is being pumped. If the anti‑siphon tank adapter is being used and the ¼” NPT opening is not used for the tubing, leave the factory-installed plug in place.
Fill‑Rite offers Anti‑Siphon kit #KIT321ASN (available through your Fill‑Rite distributor). This kit contains the necessary fittings and tubing to complete the installation as pictured in this section. NOTE: This kit ONLY works for tank top installations.
Tank Installation
NX25‑120 and NX25‑240 pumps mount to the bung of a tank by way of the tank adapter that is bolted to the inlet flange. The suction tube threads into the bottom of the tank adapter, and must be cut to a length that positions it at least 3″ from the bottom of the tank. The tank must be equipped with a vent cap.
Materials
- • 1‑1/4″ steel pipe cut to a length at least 3″ above of the bottom of the tank when screwed into the tank adapter, with the tank adapter screwed into the bung connection on top of the tank.
• Thread pipe joint sealant appropriate for the application.
Installation Procedure
- Thread the 1‑1/4″ pipe into the tank adapter. Seal threads liquid‑tight with the appropriate sealant (Figure 1).
- Screw the tank adapter (with suction pipe) into the tank bung; seal threads liquid‑tight with appropriate thread sealant (Figure 2).
- Mount the pump on the adapter; making sure the seal and screen are installed as shown (Figure 3).
NOTE: Tank adapters come in either NPT or BSP threads, depending on the model you purchase (see page 11 for model-specific information).

NOTICE Be certain the screen is properly seated in the indentation in the tank adapter before installing seal and tank adapter to the pump. Failure to properly seat the screen can result in fluid leakage.
Electrical Wiring
WARNING
Electrical wiring should be performed ONLY by a licensed electrician in compliance with local, state, and national electrical code NEC/ANSI/NFPA 70, NFPA30, and NFPA 30A, as appropriate to the intended use of the pump. Threaded rigid conduit, sealed fittings, and conductor seal should be used. The pump must be properly grounded. Improper installation or use of this pump can result in serious bodily injury, or death!
CAUTION
All pumps should be operated at the Rated Nameplate Voltage. Power should be supplied to the pump from a dedicated 20 amp circuit breaker. No other equipment should be powered by this circuit. Wiring must be of sufficient size to carry the correct current for the pump. Voltage drop will vary with the distance to pump and size of wire; refer to the National Electrical Code (NEC), or local codes, for Voltage Drop Compensation to be sure you are using the correct size wire for your application.
Wiring Procedure
NOTICE
Be certain the gasket for the cover is in place, and the screws draw the cover down tight over the junction box. There must be no gap between the junction box and it’s cover.
- Remove the junction box cover and straighten the wires to make sure the stripped wire ends are accessible outside the junction box.
- Connect the pump wires to the power supply lines according to the diagram.
Be certain to properly insulate the connections with the appropriate wire nuts or other connectors. Note that the ground wire MUST be connected. The conduit connection is ½” NPT threading. (For all NX25‑240B models, single location, entry threads are M20 x 1.5). - Fold the wires back into the junction box and replace the cover, making sure the cover gasket is in place. Torque fasteners to 44 in‑lbs with 4mm hex key.
WARNING
NX25‑120 & NX25‑240 pumps are NOT dual voltage. Wire according to voltage on motor tag. 
Operational Safety
- DANGER DO NOT use pump in enclosed areas when pumping hazardous or explosive fluids. Pumping area should be well ventilated. Concentrated vapors in an enclosed area are noxious and highly explosive!
WARNING - NEVER disconnect the power wiring from the pump while pump is switched on or connected to a power source. ALWAYS switch the pump off and disconnect the power source PRIOR to disconnecting the power wiring from the pump. Electrical shorts, sparks, or unexpected start up can occur.
- Use caution when operating the pump. The hoses can be a trip hazard; caution should be exercised while moving around the hoses to avoid tripping or entanglement.
- Pump assembly can become hot with extended use. Use caution if you have to touch the pump after e
Operating Instructions
NOTICE
The motor has power at all times when connected to a power source. The switch does not apply or interrupt power to the motor. High voltage may still be present inside the pump after power is removed.
CAUTION
Always keep the nozzle in contact with the container being filled during the filling process to minimize the possibility of static e
- Remove the dispensing nozzle from nozzle boot.
- Move the switch lever to the “ON” (raised) position to start the motor. The pump should start and settle into a slow idle.
- Insert the dispensing nozzle into the container to be filled.
- Operate the nozzle to dispense fluid; release the nozzle when the desired amount of fluid has been dispensed.
- Move switch lever to the “OFF” (lowered) position to stop the motor.
- Remove the dispensing nozzle from the container being filled and store it in the nozzle boot.

Pad Locking
Your Fill‑Rite nozzle can be pad locked to the pump for added security. With the pump turned off, and the nozzle in the stored position, a pad lock can be inserted through the locking link and the nozzle handle opening. This configuration prevents the nozzle from being removed from the nozzle boot.
The locking link is located on the nozzle side of the pump, and can be pivoted into position to work with the nozzle listed on the barrel label of your NX25‑120 or NX25‑240 pump. Use the appropriate position and hole to lock your nozzle securely to your NX25‑120 or NX25‑240 series pump. 
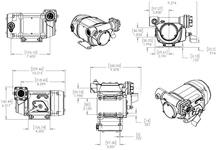
Dimensional Information
Bung Mount Dimensional Information
Foot Mount Dimensional Information
Technical Information
| Motor | Specification |
| Power | 120V AC / 240V AC 50/60 Hz |
| HP (horsepower) rating | 1/3 |
| Amps (FLA) | 4.9 / 2.5 |
| RPM | Variable 400 ‑ 3500 |
| Duty cycle | Continuous for Fuel Transfer |
| Thermal protection | Electronically Protected |
| Certification | UL / cUL Motor |
| Pump | Specification |
| Design | Rotary Vane |
| GPM in Supplied Configuration | 25 GPM / 95 LPM* |
| Bypass Pressure Rating (PSI) ‑ Max | 25 PSI |
| Dry vac (in. Hg) | 11 |
| Head – Max | 48.5′ |
| Inlet – size / thread | 1‑1/4″ Bung Mount / 1″ Foot Mount (NPT and BSP available) |
| Outlet – size / thread | 1″ NPT (BSP available) |
| Inlet ‑ Material | Cast Iron |
| Mount | 2″ NPT Bung 2″ BSP Bung / Foot |
| Material – Pump Housing | Cast Iron |
| Materials – Wetted Material | Phenolic, Stainless Steel, Steel, Acetal, Thermoset , BUNA‑N, Fluorocarbon, Ceramic |
| Rotor Material | Powdered Iron |
| Rotor Vane Material | Acetal |
| Compatible Fluids | Diesel, Gasoline, Bio‑Diesel up to B20, E15, Kerosene, Mineral Spirits, Methanol (up to 15%) |
| Strainer Mesh Size | 20 x 20 |
| Warranty | 2 Years |
| Minimum Rated Temperature | ‑40° F / ‑40° C |
Accessories
| Accessories | Description |
| N100DAU13 | 1″ Ultra High‑Flow Automatic Nozzle |
| N100DAU13G | 1″ Ultra High‑Flow Automatic Nozzle (Diesel) |
| N100DAU12 | 1″ High‑Flow Automatic Nozzle |
| 900CD | Digital Meter |
| 900CDP | Digital Meter with Pulser |
| FRH10020 | 20′ x 1″ Static Discharge Hose |
| FRH10012 | 12′ x 1″ Static Discharge Hose |
| S100H1315 | 1″ Multi‑Plane Swivel |
| TT10AN | 1″ Digital In‑Line Turbine Meter |
Servicing the Bypass Valve (Disassembly)
WARNING
Disconnect electrical power and relieve any pressure in the lines prior to servicing this pump! Failure to do so can result in damage to the equipment and personal injury or death!
NOTICE
Removal of the bypass valve in the NX25‑120 or NX25‑240 series pump requires special attention; please adhere to the replacement procedure in the kit instructions to minimize the possibility of damaging the pump housing during the removal and re‑installation process. Kit instructions are available at fillrite.com.
The bypass valve is located inside the pump housing. It is accessed through the inlet and outlet openings.
It consists of three main components (Figure 1):
- A. Bypass Valve Retainer
- B. Bypass Valve Spring
- C. Bypass Valve
- Unbolt the pump from the tank adapter.
- Using a blunt object approximately 4″ long (i.e. a deep well socket on an extension) inserted in the inlet opening, push the bypass valve firmly in place against the seat it seals on (Figure 2).
- While holding the bypass valve firmly in place with the socket, insert needle nose pliers (at least 4″ long) into the outlet opening and grasp the bypass valve retainer (Figure 2 & 3).
- Push the bypass valve retainer down slightly and rotate it 90 degrees counter‑clockwise. This will align the slot in the retainer with the key on the valve, allowing you to remove the retainer (Figure 2 & 3).
Servicing the Bypass Valve (Reassembly)
WARNING Always wear eye protection anytime you look into the Pump Outlet; a mispositioned or improperly installed valve spring retainer can pop up unexpectedly. Note that use of a small flashlight can help you better see and more easily align the components in this task.
- Using needle nose pliers, place the bypass valve retainer on top of the bypass valve spring. Carefully align the slot in the top of the bypass valve retainer with the locking tab on top of the bypass valve (Figure 4).
- Push the bypass valve retainer down over the locking tab on the bypass valve. Push the retainer down (compressing the spring) until it is completely below the locking tab
(Figure 5). - Rotate the bypass valve retainer 90 degrees counterclockwise and allow the spring to gently push it back up to contact the locking tab. The locking tab MUST be seated in the indentation in the bypass valve retainer (Figure 6).
WARNING It is critical that the locking tab be seated in the indentation in the bypass valve retainer as illustrated. Failure to do so can cause the retainer to come off when operating in bypass mode, potentially damaging the pump, or ejecting upward through the pump outlet while servicing.
Model Specific Information
| Model | Voltage | Mount | Threads | Accessory Package | Hose | Nozzle | Meter | Certification |
| NX25‑120NB‑PX | 120V | 2″ NPT Bung | NPT | PX | ‑ | ‑ | ‑ | UL/cUL |
| NX25‑120NB‑AA | 120V | 2″ NPT Bung | NPT | AA | 1″ X 18′ | 1″ Ultra Hi‑Flow Automatic | ‑ | UL/cUL |
| NX25‑120NB‑AB | 120V | 2″ NPT Bung | NPT | AB | 1″ X 18′ | 1″ Ultra Hi‑Flow Automatic | 900CD | UL/cUL |
| NX25‑120NB‑AC | 120V | 2″ NPT Bung | NPT | AC | 1″ X 18′ | 1″ Ultra Hi‑Flow Automatic | 900CDP | UL/cUL |
| NX25‑120NB‑AG | 120V | 2″ NPT Bung | NPT | AG | ¾” x 12′ | ¾” Unleaded Automatic Nozzle | ‑ | UL/cUL |
| NX25‑120NB‑AH | 120V | 2″ NPT Bung | NPT | AH | ¾” x 12′ | ¾” Unleaded Automatic Nozzle | 901C | UL/cUL |
| NX25‑120NB‑AJ | 120V | 2″ NPT Bung | NPT | AJ | 1″ X 18′ | 1″ Ultra Hi‑Flow Automatic | 901C | UL/cUL |
| NX25‑120NF‑PX | 120V | Foot | NPT | PX | ‑ | ‑ | ‑ | UL/cUL |
| NX25‑120NF‑AA | 120V | Foot | NPT | AA | 1″ X 18′ | 1″ Ultra Hi‑Flow Automatic | ‑ | UL/cUL |
| NX25‑240NF‑PX | 240V | Foot | NPT | PX | ‑ | ‑ | ‑ | UL/cUL |
| NX25‑240NB‑PX | 240V | 2″ NPT Bung | NPT | PX | ‑ | ‑ | ‑ | UL/cUL |
| NX25‑240BF‑PX | 240V | Foot | BSP | PX | ‑ | ‑ | ‑ | ATEX IECEx |
| NX25‑240BB‑PX | 240V | 2″ BSP Bung | BSP | PX | ‑ | ‑ | ‑ | ATEX IECEx |
Available Accessory Packages
| Accessory Package | ||||||||
| Accessory Type | Accessory Item | PX | AA | AB | AC | AG | AH | AJ |
| Pump Only | No Accessories | X | ||||||
| Hose | ¾” X 12′ Static Wire Hose | X | X | |||||
| 1″ X 18′ Static Wire Hose | X | X | X | X | ||||
|
Meter | 901C Mechanical Meter, 1″ NPT | X | X | |||||
| 900CD Digital Meter, 1″ NPT | X | |||||||
| 900CDP Digital Meter, 1″ NPT | X | |||||||
| Nozzle | ¾” Auto Unleaded Nozzle, Red Cover | X | X | |||||
| 1″ Ultra High‑Flow Nozzle, Red Cover | X | X | X | X | ||||
Replacement Parts Information
For repairs or routine maintenance, Fill‑Rite offers the parts you need. The following parts diagram and list covers all applicable parts for your Fill‑Rite product. These parts can be obtained through any authorized Fill‑Rite dealer. Be sure to use only genuine Fill‑Rite replacement parts for your service and maintenance needs. For a list of authorized dealers, please visit fillrite.com..
WARNING
DO NOT open or attempt to repair the motor on your NX25‑120 & NX25‑240 series pump. Opening the motor case can compromise the integrity of the Explosion Proof construction and will void any existing warranty and certification (UL listing). Please refer to the Warranty Policy located on page 2.
Servicing Rotor, Vanes, and Shaft Seals
The rotor, vanes, and shaft seals are inside the pump housing and are accessed through the rotor cover located on the face of the pump. It is held in place with three 4mm hex drive attaching bolts. You can access the rotor and vanes for inspection and cleaning, but DO NOT attempt to remove the shaft seals without a new seal kit to install.
Always inspect the rotor cover seal and mating surface (groove) for nicks or damage prior to reassembly. Be certain o‑ring is not pinched to prevent leakage. Torque the attaching hardware to 44 in‑lbs.
Exploded View
Bung Mount Configuration
Foot Mount Configuration
Troubleshooting
DANGER Disconnect all power prior to performing any service or maintenance. Failure to disconnect the power may cause electrical shock, or unexpected starting of the motor, resulting in injury or death.
WARNING DO NOT open or attempt to repair the motor on your NX25‑120 or NX25‑240 series pump. Opening the motor case can compromise the integrity of the Explosion Proof construction and will void any existing warranty and certification (UL listing). Please refer to the Warranty Policy located on page 2.
This Troubleshooting Guide provides basic diagnostic assistance. If you have further questions, contact us at 1 (800) 720‑5192 (M‑F 8 AM–5 PM ET), or at fillrite.com.
| Symptom | Cause | Solution |
|
Pump will not prime | 1. Suction line problem | Check suction line for leaks or restrictions; it may be too small in diameter, too long, or not air‑tight |
| 2. Vanes sticking | Check vanes for nicks, damage, obstructions, or excess wear; replace as necessary | |
| 3. Excessive rotor, vane, rotor cover, or housing wear | Inspect rotor, vanes, rotor cover, and housing for excess wear; replace as necessary | |
| 4. Inlet / Outlet blocked | Check pump, hose, nozzle, and filter / strainer for blockage | |
| 5. Excessive vertical or horizontal inlet plumbing | Reduce vertical or horizontal distance from pump to liquid | |
| 6. Bypass valve stuck | Open valve, remove debris | |
|
Low capacity | 1. Excessive dirt in screen | Remove and clean screen |
| 2. Suction line problem | Check suction line for leaks or restrictions; it may be too small in diameter, too long, not air‑tight, or too low vertically | |
| 3. Excessive rotor, vane, rotor cover, or housing wear | Inspect rotor, vanes, rotor cover, and housing for excess wear; replace as necessary | |
| 4. Hose or nozzle damage | Replace hose or nozzle | |
| 5. Low fluid level | Refill tank | |
| 6. Clogged outlet filter | Replace filter | |
|
Pump runs slowly | 1. Pump in bypass | Normal operation; pump naturally reduces speed in bypass mode |
| 2. Vanes sticking | Check vanes for nicks, damage, obstructions, or excess wear; replace as necessary | |
| 3. Motor problem* | Refer to Warranty Policy | |
| 4. Excessive outlet restrictions | Reduce outlet restrictions (e.g. use shorter hose, remove swivel) | |
|
Motor stalls / breaker trips | 1. Short in wiring | Inspect electrical wiring for shorts and replace as necessary |
| 2. Excess rotor or vane wear | Check vanes for nicks, damage, obstructions, or excess wear; replace as necessary | |
| 3. Pump rotor lock‑up* | Clean and inspect rotor and vanes; replace as necessary | |
| 4. Debris in pump cavity | Clean debris from pump cavity |
Bold text indicates repairs that are not serviceable by the owner; please refer to our Warranty Policy on page 2 for further instructions. *This condition will shut the motor off.
Intelligent Tones
Your nextec pump features a self‑diagnostic system that will aid you in troubleshooting should the need arise. The pump will emit a series of tones; note the order and number of high and low-pitched tones to determine the fault condition.
Depending on the condition the pump senses, it will generate either a 3-tone code, or a 4-tone code:
- 3-Tone codes indicate an application fault; something dealing with the installation of the pump, like a priming or supply voltage concern.
- 4-Tone codes indicate a pump fault; a condition outside the operating parameters of the pump, like an over‑temperature condition, or something dealing with the pumps internal electronics.
Refer to the table below to determine which condition your pump is detecting, and how to resolve it. In the chart below, arrows pointing up (↑) indicate high tones, arrows pointing down (↓) indicate low tones. Conditions listed in BOLD are not field serviceable and require the pump to be returned to the manufacturer.
3-Tone Faults (Application / Installation faults)
| Tones | Condition | Solution |
| ↑ ↓ ↓ | Low input voltage (auto shut‑off) | Check input wiring gauge, length, and connections |
| ↑ ↓ ↑ | High input voltage (auto shut‑off) | Check incoming voltage |
| ↓ ↑ ↑ | Locked rotor (auto shut‑off) | Turn switch off and inspect rotor and vanes* |
| ↓ ↑ ↓ | Priming / Suction / Lift failure | Check for leaks in suction tube, inlet connections, inside tank plumbing restrictions, excessive vertical suction lift, empty tank |
4-Tone Faults (Hardware faults)
| Tones | Condition | Solution |
| ↓ ↑ ↑ ↑ | Hardware fault (auto shut-off) | Troubleshoot as described below** |
| ↓ ↑ ↓ ↓ | Hardware over temperature (auto shut‑off) | Turn switch off and allow pump to cool* |
| ↓ ↓ ↑ ↑ | Motor over temperature (auto shut‑off) | Turn the switch off and allow pump to cool* |
| ↓ ↓ ↑ ↓ | Motor overvoltage (auto shut-off) | Troubleshoot as described below** |
| ↓ ↓ ↓ ↑ | Motor Undervoltage(auto shut-off) | Troubleshoot as described below** |
*This condition will shut the motor off. To restart the motor, cycle the switch off, then back on, or cycle power to motor.
** Prior to returning pump to place of purchase, perform this procedure: cycle the switch off and disconnect power for at least one minute. Reconnect power, and cycle the switch back on. Verify proper pump operation. If this procedure does not restart the pump, or if you have additional questions, contact Technical Support at 1 (800) 720-5192.
ATTENTION!
The following information is for the NX25‑240B series pumps and meters (designed for use outside the United States and Canada)! Refer to the information label applied to your pump to see if it is applicable.
Materials of Construction
Materials of construction of the external surface of the unit are: plated steel
painted cast iron, plated powdered metal, painted aluminum, thermo‑plastic, anodized aluminum.
Materials of the construction of the wetted parts are: cast iron, coated steel, stainless steel, fluorocarbon, nitrile, cork, powdered metal, thermo‑set plastic, thermo‑plastic, ceramic.
Repair and Maintenance
Contact the place of purchase for warranty repair and maintenance.
Specific Conditions of Use
- Consult the manufacturer for information on the dimensions of the flameproof joints if necessary.
- The special fasteners used a securing bolts for the end bell are made of Class 12.9 type fasteners. The special fasteners used for the cover plate attachment are made of Class I0.9 type fasteners.
Installation
Pump must be installed in compliance with EN 60079‑14 or IEC 60079‑14, as applicable.
Certificates for Compliance of Safety have been obtained from the following agencies for products sold outside the US and Canada. Please refer to the tag on your particular product for its particular compliance data.
The following standards were used to show compliance in the European Union:
EN IEC 60079‑0:2018, Ed 7 “Explosive atmospheres – Part 0: Equipment –
General requirements.”
EN 60079‑1:2014, Ed 7 “Explosive atmospheres – Part 1: Equipment protection
by flameproof enclosures “d”.”
EN ISO 80079‑36:2016, Ed 1 “Explosive atmospheres – Part 36: Non‑electrical equipment for explosive atmospheres – Basic method and requirements.”
EN ISO 80079‑37:2016, Ed 1 “Explosive atmospheres – Part 37: Non‑electrical equipment for explosive atmospheres – Non electrical type of protection constructional safety “c”, control of ignition source “b”, liquid immersion “k”.”
Directive 2014/34/EU – “Equipment and protective systems intended for use in potentially explosive atmospheres.”
Directive 2011/65/EU – “Restrictions of the use of certain hazardous substances in electrical and electronic equipment.”
2006/42/EC ‑ “Machinery.”
ISO 12100:2010 ‑ “Safety of machinery ‑ General principles for design ‑ Risk assessment and risk reduction.”
BS EN 809:1998+A1:2009 ‑ “Pumps and pump units for liquids. Common
safety requirements.”
The following standards were used to show compliance for IECEx certification:
IEC 60079‑0:2017, Ed 7
IEC 60079‑1:2014, Ed 7
The following standards were used to show compliance for IECEx certification:
IEC 60079-0:2017, Ed 7
IEC 60079-1:2014, Ed 7
Motor Plate Information
MODEL: NX25-240B
VOLT: 230AC
HP: 1/3
1.8 AMP
CONTINUOUS DUTY
RPM:3500
OPERATING TEMP T6
-40° C ≤ Ta ≤ +40° C
INS:B
SEE THE INSTALLATION DOCUMENT INSTRUCTION
CE2809
SERIAL # AND MANUFACTURING DATE
Fill-Rite Trademark
8825 Aviation Drive
Fort Wayne, IN 46809 USA
Fill-Rite Company
8825 Aviation Drive
Fort Wayne, Indiana 46809 USA
T 1 (800) 720-5192
1 (260) 747-7524
F 1 (800) 866-4681



















