FR1600 SERIES DIESEL FUEL TRANSFER PUMPS
Installation and Operation Manual 
FR1600 Series Diesel Fuel Transfer Pumps
Thank You!
Thank you for your purchase of the Fill-Rite® FR1600. Your Fill-Rite product comes with decades of pump manufacturing experience behind it, providing you the value that comes with superior performance, user friendly design, outstanding durability, and solid, simple engineering. Protect yourself as well as those around you by observing all safety instructions and adhering to all danger, warning, and caution symbols. Please register your Fill-Rite ® product via info.fillrite.com/product-registration.
IMPORTANT RETURN POLICY
Please do not return this product to the store. For all warranty and product questions, please contact Fill-Rite Technical Support at 1 (800) 720-5192 or via email at [email protected] (M-F, 8 AM – 5 PM ET).
| MODEL # | |
| SERIAL # | |
| PURCHASE DATE: |
General Description
The Fill-Rite FR1612 is a positive displacement, rotary vane pump. The pump is designed to run on 12V DC power and supply a flow rate of up to 10 GPM (40 LPM) with diesel fuel. The FR1614 and FR1616 systems consist of the FR1612 pump with accessories.
About This Manual
From initial concept and design through its final production, your Fill-Rite pump is built to give you years of trouble-free use. To ensure it provides that service, and to avoid injury or death, it is critical that you read this entire manual prior to attempting to install or operate your new pump. Become familiar with the terms and diagrams, and pay close attention to the highlighted areas with the following labels:
Indicates a hazardous situation which, if not avoided, will result in death or serious injury.
Indicates a hazardous situation which, if not avoided, could result in death or serious injury.
Indicates a hazardous situation which, if not avoided, could result in moderate or minor injury.
Indicates information considered important but not directly hazard related.
At Fill-Rite, your satisfaction with our products is paramount to us. If you have questions or need assistance with your product, please contact us at 1 (800) 720-5192 or via email at [email protected] (M-F, 8 AM – 5 PM ET).
Safety Instructions
![]()
- Electrical shock hazard!
- Improper use or installation of this product can cause serious bodily injury or death!
- Electrical wiring should be done by a licensed electrician in compliance with the local, state, and national electrical code, ANSI/NFPA 70, 30, 30A as appropriate.
![]()
- NOT FOR USE WITH GASOLINE OR ALCOHOL!
- Not for use in hazardous locations.
- Improper use or installation of this product can cause serious bodily injury or death!
- Do NOT smoke near pump or use pump near open flame.
- Do not use this product for fluid transfer into aircraft.
- This product is not suited for use with fluids for human consumption or fluids containing water.
- Do not dispense fluid that is thicker than diesel fuel. Motor may overheat!
- Disconnect power connections PRIOR to replacing fuse!
- Noise emission during bypass mode generates up to 81 dB(A) within one meter distance of the pump.
To ensure safe operation safe and efficient operation, it is essential to read and follow each of these warnings and precautions.
![]()
- Disconnect power to pump before servicing.
- The pump power cable is equipped with an electrical fuse. If the fuse burns out switch the pump off, disconnect from power, and look for the cause of the failure. Once the cause of failure has been remedied, replace with a 30 amp fuse.
![]()
- A diesel compatible filter should be used on pump outlet to ensure that no foreign material is transferred to the fuel tank.
- Tank or barrel should be anchored to prevent tipping in both the full and empty conditions.
- The pump should never be left unattended while running. Once the nozzle lever is closed, the pump should be shut off immediately.

Mechanical Installation Instructions
- DO NOT install additional foot valves or check valves unless they have a pressure relief valve set at 50 psi or less.
- Use oil resistant pipe sealant or PTFE tape on all pipe threads.
Model FR1612
- Select inlet and outlet hoses or pipes compatible with diesel that can withstand at least 50 psi. Ports are 3/4″ NPT. Tighten fittings securely to a liquid tight seal.
- Install the strainer provided at the inlet to the suction hose to prevent debris from being drawn into the pump.
- Use a nozzle or valve at the end of the discharge hose that can be shut off tightly to prevent accidental siphoning when the pump is not in use.
Model FR1614
- Install components as shown in Figure 2. Note the direction of flow cast into the front of the pump to determine inlet and outlet.
- If it is difficult to press the hoses over the barbs, soften the hose by soaking it in hot water for 20 seconds, then slip it over the barbs.
- Tighten hose clamps securely to provide a liquid tight seal.
Model FR1616
- Install components as shown in Figure 3. Note the direction of flow cast into the front of the pump to determine inlet and outlet.
- If it is difficult to press the hoses over the barbs, soften the hose by soaking it in hot water for 20 seconds, then slip it over the barbs.
- Tighten hose clamps securely to provide a liquid tight seal. Tighten the suction tube into the pump (use PTFE sealant tape).
- Extend the poly suction tube to a length that will place it a minimum of 3″ from the bottom of the tank or barrel.
- Thread the poly bung into the opening and tighten securely.
Electrical Installation for All Models
- Connect the battery clips provided to a suitable 12 Volt DC supply capable of delivering the necessary current and voltage.
- The red clip is attached to the positive (+) battery terminal.
- Black clip is attached to the negative (-) battery terminal or the vehicle frame.
- DO NOT employ a patch cord to extend the cables. If the cable provided is not long enough, have it replaced by an authorized electrician.
- The pump may be powered by a battery charger of suitable voltage. To prevent possible fire from sparks, never connect the terminals from the battery charger to the pump directly. Always connect the battery clips from the pump to the terminals on the charger.
Operating Instructions
- Insert nozzle into container to be filled.
- Switch pump on.
- Operate nozzle lever to dispense fluid.
- When the desired amount of fluid has been dispensed, release nozzle lever, remove nozzle form container, and switch pump off.
- Nozzle should be kept clean and dry, and securely stored when not in use.
Pump Characteristics
The flow curve below is a guide for pump performance only. Attachment of accessories, changes in fluid pumped, and temperature will affect flow rate delivered.
Troubleshooting
IF PUMP FAILS TO PRIME:
- Check suction line for leaks or obstructions.
- Check bypass valve for dirt. The valve should slide freely.
- Check electrical connections; the pump will run backwards if the red and black wires are reversed.
- Open nozzle to allow air to be removed from the system.
PUMP IS BOUND:
If the motor hums but the pump does not start, the possible cause is a stuck rotor. Remove rotor cover and check rotor and vanes for dirt.
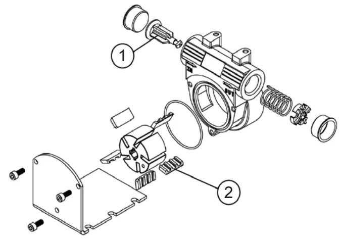
LOW PUMPING CAPACITY:
- Strainer screen clogged (strainer screen is in top of poly suction tube).
- Bypass valve not seating properly (1).
- Obstruction in suction line.
- Make sure all five vanes slide easily in their slots (2).

Parts List

NOTE: Repair kits are available from the manufacturer. Contact Technical Support at 1-800-720-5192.
FR1612 | ||
| # | Description | Qty. |
| 1 | FR1612 Pump | 1 |
| 2 | 6.5′ Electrical Cable with Battery Clips | 1 |
| 3 | 30 Amp Fuse | 1 |
| 4 | End of Hose strainer (3/4″) | 1 |
| 5 | Owners Manual | 1 |
| 6 | 3/4 NPT x 3/4″ Barb Fitting | 2 |

FR1614 | ||
| # | Description | Qty. |
| 1 | FR1612 Pump | 1 |
| 2 | 6.5′ Electrical Cable with Battery Clips | 1 |
| 3 | 30 Amp Fuse | 1 |
| 4 | End of Hose strainer (3/4″) | 1 |
| 5 | Owners Manual | 1 |
| 6 | 8′ x 3/4″ PVC Hose | 2 |
| 7 | 3/4 NPT x 3/4″ Barb Fitting | 2 |
| 8 | Polypropylene Nozzle w/Integral Swivel | 1 |
| 9 | Hose Clamp | 4 |

FR1616 | ||
| # | Description | Qty. |
| 1 | FR1612 Pump | 1 |
| 2 | 6.5′ Electrical Cable with Battery Clips | 1 |
| 3 | 30 Amp Fuse | 1 |
| 4 | Owners Manual | 1 |
| 5 | Polypropylene Nozzle w/Integral Swivel | 1 |
| 6 | Extendable Polypropylene Suction Pipe | 1 |
| 7 | 8′ x 3/4″ PVC Hose | 1 |
| 8 | 3/4 NPT x 3/4″ Barb Fitting | 1 |
| 9 | 3/4 NPT x 3/4″ Elbow | 1 |
| 10 | Hose Clamp | 2 |
| 11 | 3/4″ NPT Pump to Suction Pipe Fitting | 1 |
Product Specifications
| Model Number | FR1612 | FR1614 | FR1616 |
| Description | 12V DC rotary vane pump only and strainer | 12V DC rotary vane pump with hoses, nozzle, strainer, clamps, barbed inlet and outlet adapters. | 12V DC rotary vane pump with hose, nozzle, adjustable poly suction pipe, strainer, clamps, barbed outlet adapter. |
| Warranty | 1 Year | 1 Year | 1 Year |
| Construction—Pump Housing | Cast Iron | Cast Iron | Cast Iron |
| Maximum flow rate (with factory supplied hose & nozzle) | Up to 10 GPM | Up to 10 GPM | Up to 10 GPM |
| Rotor Composition | Iron | Iron | Iron |
| Motor Horsepower | 1/5 HP | 1/5 HP | 1/5 HP |
| Amp Draw | 17 Amp | 17 Amp | 17 Amp |
| RPM | 3800 | 3800 | 3800 |
| Voltage | 12V DC | 12V DC | 12V DC |
| Fuse in power cable | 30 Amp | 30 Amp | 30 Amp |
| Inlet | 3/4″ NPT | 3/4″ NPT | 3/4″ NPT |
| Outlet | 3/4″ NPT | 3/4″ NPT | 3/4″ NPT |
| Vane Material | Acetal | Acetal | Acetal |
| Duty Cycle | 30 Minutes | 30 Minutes | 30 Minutes |
| Internal Bypass valve | Yes | Yes | Yes |
| Seal Material (Rotor Cover Seal / Shaft Seal) | NBR / HNBR | NBR / HNBR | NBR / HNBR |
| Box Contents | FR1612 | FR1614 | FR1616 |
| Nozzle | No | Yes | Yes |
| Hoses | No | Yes | Yes |
| Poly Suction Tube | No | No | Yes (3/4″ NPT) |
| Strainer for Inlet | Yes | Yes | Yes |
| Power Cable | 6.5′ cable with fuse and battery clips | 6.5′ cable with fuse and battery clips | 6.5′ cable with fuse and battery clips |
The FR1600 series pump has been tested and complies with the European Community Directive 2006/42/EC, Directive on Machinery. The following standards were used to verify conformance.
EN 809 “Pumps and pump units for liquids – Common safety requirements”
EN ISO 12100 “Safety of Machinery – Basic concepts, general principles for design”
2004/108/EC “Electromagnetic compatibility”
2011/65/EU “Restrictions of the use of certain hazardous substances in electrical and electronic equipment”
Product Warranty
Fill-Rite (“Manufacturer”) warrants to each consumer buyer of its products (the “Buyer ”), from the date of invoice or sales receipt, that goods of its manufacture (“Goods”) will be free from defects of material and workmanship. Duration of this warranty is as follows:
Standard Duty Products – One year
Manufacturer’s sole obligation under the foregoing warranties will be limited to either, at Manufacturer’s option, replacing or repairing defective Goods (subject to limitations hereinafter provided) or refunding the purchase price for such Goods theretofore paid by the Buyer, and Buyer’s exclusive remedy for breach of any such warranties will be enforcement of such obligations of Manufacturer. If Manufacturer so requests the return of the Goods, the Goods will be redelivered to Manufacturer in accordance with Manufacturer’s instructions F.O.B. Factory. The remedies contained herein shall constitute the sole recourse of the Buyer against Manufacturer for breach of warranty. IN NO EVENT SHALL MANUFACTURER’S LIABILITY ON ANY CLAIM FOR DAMAGES ARISING OUT OF THE MANUFACTURE, SALE, DELIVERY, OR USE OF THE GOODS EXCEED THE PURCHASE PRICE OF THE GOODS.
The foregoing warranties will not extend to Goods subjected to misuse, neglect, accident or improper installation or maintenance, or which have been altered or repaired by anyone other than Manufacturer or its authorized representative. THE FOREGOING WARRANTIES ARE EXCLUSIVE AND IN LIEU OF ALL OTHER WARRANTIES OF MERCHANTABILITY, FITNESS FOR PURPOSE OF ANY OTHER TYPE, WHETHER EXPRESS OR IMPLIED. No person may vary the foregoing warranties and remedies except in writing signed by a duly authorized officer of Manufacturer. Warranties or remedies that differ from the foregoing shall nototherwise be binding on Manufacturer. The Buyer’s acceptance of delivery of the Goods constitutes acceptance of the foregoing warranties and remedies, and all conditions and limitations thereof.
Fill-Rite Company
8825 Aviation Drive
Fort Wayne, Indiana 46809 USA
T 1 (800) 720-5192
1 (260) 747-7524
F 1 (800) 866-4681
fillrite.com | sotera.com | gormanrupp.com

















