golmar TS5110 1P Wi-Fi Kit Soul

RECOMMENDATIONS
- Preferably use a Golmar RAP-GTWIN/HF cable (2x1mm²).
- The wiring must run at least 40cm away from any other wiring.
- Always disconnect the power supply before making modifications to the device.
- The installation and handling of these devices must be carried out by authorized personnel.
- Check all connections before starting the device.
- Always follow the instructions contained in this manual.
SYSTEM OPERATION
- To make a call, the visitor needs to press the door panel button: an audible tone indicates that the call is being made and LED on the door panel illuminates.At this moment, the apartment’s monitor(s) receive(s) the call.
- In systems with two access doors, the other door panel automatically disconnects; if another visitor attempts to call, a number of tones will indicate that the system is busy and LED on the door panel will illuminate.
- Upon receiving the call, the image will appear on the screen of the master monitor (and slave 1, if it exists) without the visitor knowing and icon displayed on the screen will blink green. To view the image from slave monitors 2 or 3, press one of the buttons (located above the raised dots for the visually impaired) of themonitor to display the image. If the call is not answeredwithin 45 seconds, door panel LED will turn off and the systemwill become free.
- To establish communication, press the button below the off-the-hook icon shown on the screen. Door panel LED will illuminate. Communication will last for 90 seconds or until the button below on-the-hook icon shown on the screen is pressed. When communication has ended, door panel LED will turn off and the system will become free.
- To open door or activate auxiliary output of the door panel, press the button below the icon or press the hidden push button below the icon displayed on the screen.Asingle press activates the lock release or auxiliary output for 3 seconds, and LED on the door panel illuminates.
- Detailed operation of themonitor is described on pp. 8 to 20.
FA-G2+/LITE POWER SUPPLY
Description

A. Monitor Bus connection terminals.
B. Door panel Bus connection terminals.
C. Protective cover for the current input.
D. Current input connection terminals.
E. Detail of the current input terminals without protective cover.

Installation
- The fitting and handling of the power supply must be carried out by authorised personnel in the absence of electrical current.
- Install the power supply in a dry, protected and ventilated location. Make sure that the vents are not obstructed. Use aDIN46277 rail for fastening (4 elements).
- Note that current regulations stipulate that the power supply must be protected by a circuit breaker.
- To prevent electric shock, do not remove the protective cover without first disconnecting the power supply. Replace it once all connections have been made.
- Connect the wires to the installation terminals following the instructions in the diagrams.

SOUL PANEL-7/LITE
Description

- A. System status icons:
Call in progress.
Communication established.
Lock release activated.
System busy. - B. System status indicator lights.
- C. Ambient lighting sensor.
- D. Night viewing lighting.
- E. Protective polycarbonate.
- F. Nameplate label.
- G. Speaker grill.
- H. Colour camera.
- I. Call button(s).
- J. Microphone hole.
- K. Front fixing screw.
- L. Illumination module.
- M. Wall fixing hole (x3). Do not overtighten the fixing screws.
- N. Illumination module gasket.
- O. Installation terminals.
- P. Cable grommet.
- Q. Illumination module connector.
- R. Configuration switches.
- S. Volume control potentiometer.
- T. No function.

Installation
The door panel has been designed to withstand diverse environmental conditions. It is however advisable to take extra precautions to prolong its service life, such as locating it in a covered area.
For optimum image quality, avoid direct contact from light sources (sunshine, street lights, etc.).
For correct installation: (locate the top of the door panel at a height of 1.65m).
- Remove the metal front piece of the door panel by loosening the bottom screw with the Allen key supplied. On the back of the front piece, you will find the button personalization label.
- Remove the screws that secure the Illumination module.
- Present the door panel to the wall, positioning the top at 1.65m. Pass the installation cables through the cable grommet.
- Drill three 6mm holes at the indicated points (M), see p. 5. Insert the plugs supplied and fix the door panel to the wall using the screws supplied.
- Connect the cables to the removable terminals following the instructions in the installation diagrams.
Before replacing the illumination module and closing the door panel, perform the necessary settings (address door panel, audio level setting, etc.), as indicated throughout this manual. Make sure that the illumination module gasket is properly fitted.
Installation terminals (O)
For ease of installation, the installation terminals are removable and supplied in a separate bag. Once the terminals are wired, place them in position.
BUS, BUS: communications bus (non-polarised).
CV-, CV+: lock release output 12Vdc (maximum 270mA).
AP+, AP-: remote activation button connection. Note: For correct operation, the monitor’s address 1 must be connected to the Bus.
IMPORTANT: Installation with 2 access door panels and AP button on both door panels, one of the door panels must connect the AC lock release (instead of DC lock release). SAR-12/24 relay & a TF-104 transformer required, see pages 23 to 24.
C, NA: potential-free relay output (maximum 6A/24V).
GND, CCTV: input for external analogue camera.
Configuration switches (R)
Configuration changes should be made with the equipment turned off. If they are performed with the equipment turned on, disconnect it for 10 seconds after any modification.
All switches are factory set to OFF.
Switch 1.
Defines the door panel address.
Switch 2, must be OFF.
Switches 3 and 4 must be OFF.
Setting the audio level
If the audio volume on the door panel after starting up the device is not adequate, use the volume control potentiometer (S). This setting affects the communication and confirmation tone audio level.
ART 7 LITE/G2+ MONITOR
Description

- A. Speaker.
- B. Notification icons:
- Power on indicator.
- Do not disturb.
- Auxiliary relay activated.
- Door opening.
- C. Hidden button indicator LEDs
- To access the main menu (monitor in standby), press either of the 2 buttons / located above the raised dots for the visually impaired (see page 10).
- In call/ communication: press button to start or end the communication.
- In call/ communication: one press will activate the lock release 1 for 3 seconds.
- In call/ communication: an LED shows the location of each of the hidden buttons.
- The function of each button/hidden button is shown on the monitor screen with an icon located just above each button (see pp. 10 to 20).
- D. Raised dots for the visually impaired.
- In standby:
Above the raised dots for the visually impaired /the push buttons that access the main menu.
In call : Above this raised dot is the ‘Start/end communication’ button .
- In standby:
- E. 7” TFT colour screen.
- F. Golmar use.
- G. Microphone.
- H. Wall mounting connector fixing (x4).
- I. Configuration switches.
- J. Installation terminals.
Installation
Avoid dusty or smoky environments or locations near sources of heat. For proper installation, use the template supplied with the product.
- Position the top of the template at a height of 1.65m.
- If you are going to use an embedding box to pass the wiring through, make sure that it is in line with the holes corresponding to the box model chosen and fix the connector. If you prefer to fix the connector directly to the wall, make four 6mm holes at the points indicated (A), insert the wall plugs supplied and screw in the connector.
- Pass the installation wires through the middle hole and connect them to the removable terminals as shown in the wiring diagrams. Before connecting the removable terminals to the monitor, configure the switch as indicated below.
- Connect the removable terminals to the monitor and place the monitor in front of the connector, making sure the fixings line up. Move the monitor downwards to secure it.
Installation terminals (J)
For ease of installation, the installation terminals are removable and supplied in a separate bag. Once the terminals are wired, place them in position.
BUS IN: Communication bus input to monitor (non-polarised).
BUS OUT: Communication bus output to the additional monitor (non-polarised).
SA, GND: Auxiliary call repeater output (max 50mA/12V), relay SAR-12/24.
HZ, HZ: Apartment front door button input: Connect only on the master monitor. The signal received is then transmitted to the slave monitors in the same apartment through the BUS.
Note: HZ push-button function mode: When the HZ push button is pressed will be call tone and activate the output of auxiliary call repeater with standby monitor, call process, communication process (HZ tone with lower audio level), intercom process and “Do not disturb” mode.
Configuration switches (I)
Switches 1 to 7.
These assign the address of the corresponding monitor to its call button on the door panel. Switches 2 to 7 must remain in the OFF position.

Switch 8.
This activates the end-of-line resistance in the ON position. Activate it in monitors where the bus cable ends. Deactivate it only in intermediate monitors.

To define whether the monitor is master or slave:
To define whether the monitor is master or slave (see special codes page 25 to 26). Each apartment must have one master monitor, and only one.






To enable the automatic door opening (after 3 seconds of receiving a call from the door panel),go to the option with icon by pressing the button/ hidden button below corresponding icon / and select the option by pressing the hidden button below icon . Press the button below icon to return to the settings menu.
If you wish disable the automatic door opening , go to the option with icon by pressing the button/ hidden button below corresponding icon / and, deselect the option by pressing the hidden button belowicon .Press the button belowicon to return to the settings menu. (This function is disabled by default. To enable it, see pp. 25 to 26).

Press the button below icon to return to the main menu. If the ‘automatic door opening’ mode is enable (see pages 12 to 13) in the top left of the screen the icon will be displayed in the main menu and the notification icon will blink.

Door panel call screen
Communication screen
Image and communication settings
WIRING DIAGRAMS
Cross-sections and distances
- Maximum 1 apartment.
- The maximum number of monitors in the apartment is 4.
- The maximum number of monitors in cascade is 4.
- Maximum two access door panels.

Type of cable A B C 2 x 0,75mm² (AWG18) 30m 30m 15m CAT5 (*) 60m 60m 30m RAP-GTWIN/HF 60m 60m 30m - A. Distance between power supply and furthest door panel.
- B. Distance between power supply and furthest monitor (or distributor).
- C. Distance between a distributor and the furthest monitor connected to one of its outputs.
(*). Use two twisted pairs for each bus line.
One apartment with one access panel and one monitor

( )* Note: Monitor set to master (factory setting), see page 9.
One apartment with two access panels and one monitor
( )* Note: Monitor set to master (factory setting), see page 9.
One apartment with up to two access panels and up to four monitors in cascade

( )* Note: To define whether the monitor is master (factory setting) or slave, see page 9.
One apartment with up to two access panels and up to four monitors in distribution
( )* Note: To define whether the monitor is master (factory setting) or slave, see page 9.
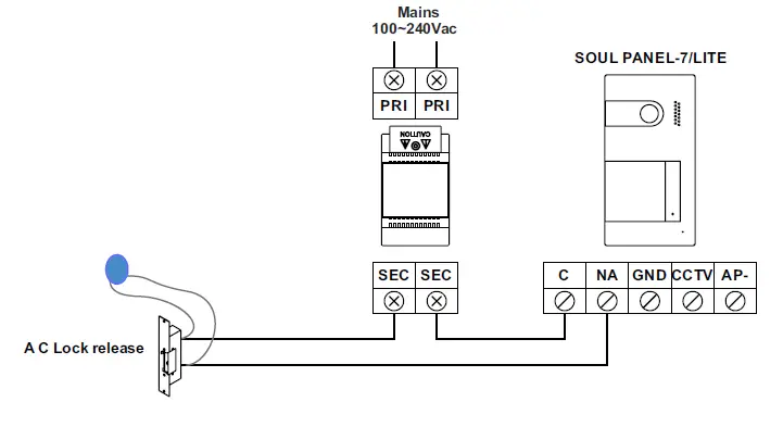
Connection of a lock release
The drawing shows the connection of a 12Vdc lock release, with a maximum consumption of 270mA. The use of Golmar CV-14/DC, CV-24/DC, CV-14P/UNI or CV-24P/UNI models is recommended. Activation is carried out through icon .
The activation time is 3 seconds, with the possibility of setting it to between 0.5 and 10 seconds (see pp. 25-26).
If the lock release to be used is alternating current, use a relay and transformer suitable for the consumption, as well as the varistor supplied. The example shows a Golmar SAR-12/24 relay and a TF-104 transformer (12Vac/1.5A).
IMPORTANT: Installation with 2 access door panels and AP button on both door panels (see page 24), one of the door panels must connect theAC lock release (instead of DC lock release).
Connection of an auxiliary device at the relay output
The drawing, by way of example, shows the connection of a second AC lock release. The relay can switch 6A/24V loads.Activation is carried out through icon .
The activation time is 3 seconds, with the possibility of setting it to between 0.5 and 10 seconds (see pp. 25-26).
The output button allows remote activation of the lock release connected between the CV- and CV+ terminals (by default) or the relay output (see pp. 25-26). The delay time in carrying out the activation is 2 seconds, with the possibility of setting it to between 0.5 and 10 seconds (see pp. 25-26).
IMPORTANT: Installation with 2 access door panels and AP button on both door panels, one of the door panels must connect the AC lock release (instead of DC lock release) with a SAR-12/24 relay and a transformer TF-104, (see page 23).
Connection of an external camera
It is possible to connect a Golmar AHD4-3601x analogue CCTV camera to each of the door panels, which can be viewed (see pp. 25-26) from the monitor. The camera needs to have a local PSU-121 power supply.
Only connect the apartment door button to the master monitor of the apartment that will be receiving the call (see note “HZ” page 9). The signal received is then transmitted to the slave monitors in the same apartment.
SPECIAL CODES
The enabling of some functions, as well as the modification of some factory parameters, can be carried out by entering special codes. To do so, the installer menu must be accessed from the monitor. Go to the ‘About’ screen in the Settings menu (p. 11) and press five times on the button located above the raised dot for the visually impaired 
The ‘special codes’ screen will then be displayed. Press the button/ hidden button below icons / to select the field to be modified and press the hidden buttons below icons / to enter the desired code. Once the code has been entered, press the hidden button below icon to validate it. If the code entered is valid, icon will be displayed; if it is not, icon will be shown.
Use icon to return to the ‘About’ screen.

Video sources available on a monitor (only setting on master monitor).
| Visible | No Visible | Factory setting | |
| Door panel 1 | 0111 | 0110 | 0111 |
| Door panel 2 | 0121 | 0120 | 0120 |
| Camera 1 | 0141 | 0140 | 0140 |
| Camera 2 | 0181 | 0180 | 0180 |
| Do not display Display | Factory setting |
| 0481 0480 | 0480 (enable) |
| Enable/ disable the icon of the main menu in all monitors. | |
| Enable Disable | Factory setting |
| 0541 0540 | 0541 (habilitado) |
CLEANING
CLEANING THE MONITOR
- Do not use solvents, detergents or cleaning products that contain acids, vinegar or abrasive components.
- Use a soft damp cloth (not wet) that sheds no fibres.
- Always wipe the monitor in the same direction, from top to bottom.
- After cleaning the monitor, remove any moisture with a soft dry cloth that sheds no fibres.

CLEANING THE DOOR PANEL
– Do not use solvents, detergents or cleaning products that contain acids, vinegar or abrasive components.
– Use a soft damp cloth (not wet) that sheds no fibres.
– Always wipe the door panel in the same direction, from top to bottom.
– After cleaning the door panel, remove any moisture with a soft dry cloth that sheds no fibres.
COMPLIANCE:
Este producto es conforme con las disposiciones de las Directivas Europeas aplicables respecto a la Seguridad Eléctrica 2014 3/ 5/CEE y la Compatibilidad Electromagnética 2014/30/CEE.
This product meets the essentials requirements of applicable European Directives regarding Electrical Safety 2014 3/ 5/ECC and Electromagnetic Compatibility 2014/30/ECC.
NOTE: Operation is subject to the following conditions:
- This device may not cause harmful interference, and
- this device must accept any received interference, including the ones that may cause undesired operation.

























