dewenwils HOWT01D Outdoor Wi-Fi Smart Box

Please pay attention to the warning signs.
Read the instructions with caution before operating and keep it properly.
WARNING: This Smart Box should be installed by a licensed electrician.Turn power off at main panel before servicing this switch or the equipment it controls.
IMPORTANT: For outdoor use. Rain-tight or wet location conduit, hubs, tubing, and cable fittings that comply with requirements of UL 514B must be used for installation.
READ ALL INSTRUCTIONS before using the Smart Box.
Product Illustration

Specifications
Input: 120-277VAC 60Hz
Output:
40A Resistive 120 to 277 VAC;
30A General purpose 120 to 277 VAC;
20A Resistive, 30VDC;
1HP, 120 VAC;
2HP, 240VAC;
20A Ballasted load 120 to 277 VAC;
15A Tungsten, 120 VAC;
5A Tungsten, 250VAC;
800VA, Pilot Duty, 120VAC;
720VA, Pilot Duty, 240 VAC;
TV-5, 120VAC
Installation Instructions
- Read Important Safety Information below before beginning installation.
- Open outer cover by pressing the clip.
- Remove the interior protection cover by removing the two screws holding the cover in place (Figure 1 ).

- Select the knockouts to be used. If you use the 1/2″ knockout, carefully cut off the inner ring of the rubber plug with a knife (Figure 2). If you use the 3/4″ knockout, please remove the entire rubber plug (Figure 3).


- Place and mark the Smart Box in the desired mounting position. Install two screws at the mark and partially drive into place. Attach Smart Box by placing screws over keyholes, then tighten screws.
- Remove the screw to demount the motherboard (Figure 4).

- Wire in accordance with national and local codes (see wiring diagrams below). Use copper wire AWG 8-18 suitable for 90°C(194 ·p ).Tighten all connections to minimum 10.6 lb. in. torque.
- Grounding: Connect all grounding wires to the grounding lug at the bottom of the enclosure.
- Reassemble the motherboard and interior protection cover.
- Close outer cover. Smart Box now is ready to be connected to the WiFi router via the app.
Important Safety Information
WARNING: Risk of Fire or Electric Shock. Read instructions thoroughly before installation and preserve for future reference.
Disconnect power at circuit breaker and test if power is off before installing (or servicing) the Smart Box (more than one circuit breaker or disconnect switch may be required to fully disconnect power).
Wiring must be in accordance with all national and local electrical code requirements. Inspect all terminals and wires with voltage meter before touching. The maximum total load to be controlled must not exceed Smart Box capacity.
The Smart Box enclosure does not provide grounding between conduit connectors. When metallic conduit is used, you must also i nstall grounding type bushings and jumper wires in accordance with National Electrical Code (NEC) requirements.
SMART BOX TERMINAL DESIGNATIONS
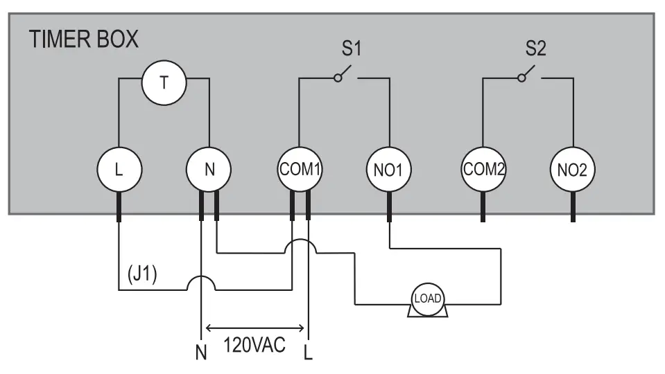
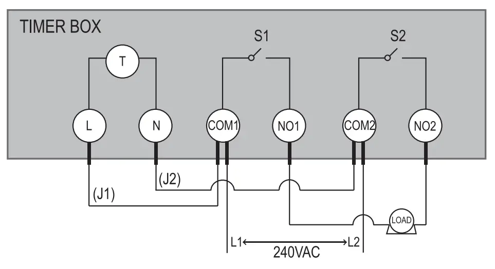
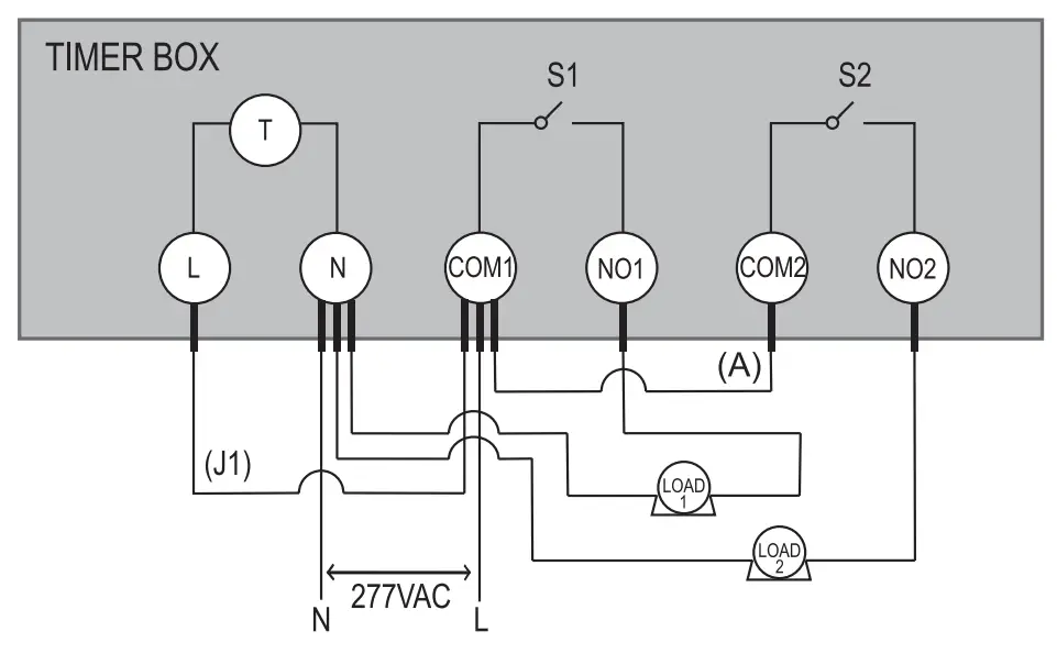
L = Line | N = Neutral | NO = Normally Open | COM = Common Terminal | J = Jumper Wire | T = Timer
TIMER BOX TYPICAL APPLICATION WIRING DIAGRAMS
Note: Timer Box is capable of being configured for 120 VAC, 240VAC or 277VAC.
*J1 & J2 are jumper wire for the timer power supply.
120VAC Application Controlling One 120VAC Load

120VAC Application Controlling Two 120VAC Loads

Note: (A) The wire connecting COM1 with COM2 should use the same gauge as the load wire.
240VAC Application Controlling One 240VAC Load

277VAC Application Controlling Two 277VAC Loads

Note: (A) The wire connecting COM1 with COM2 should use the same gauge as the load wire.
HOT WATER HEATER TYPICAL WIRING DIAGRAM

IMPORTANT: Please refer to INSTALLATION INSTRUCTION SHEET before proceeding with Wi-Fi router connection. Smart Box must be installed before connecting to Wi-Fi router.
Software Installation Guide
![]() | ![]() | |
![]() | ![]() | |
Download the “dewenwils” App: Scan QR Code or search “dewenwils” in Google Play or the App Store to download and install the app.
Note: All pictures shown are for illustration purpose only, the APP will be updated continuously, please refer to the latest APP interface to operate.
Log in or Sign up

Note: Each device can only be connected to one account. If anyone else needs to control it, please share your device via the app.
Add device
Launch the “dewenwils” app and connect your Smart Box to your network.
Note: The Smart Box only support 2.4GHz network.
| LED Status | Function |
| Blue Load LED is on | Power is on |
| Blue Load LED is off | Power is off |
| Blue WiFi LED blinks rapidly | Resetting/Enter into network configuration |
| Blue WiFi LED blinks slowly until off | Configuration is success |
For Optimal Use:
- If the Blue Wi-Fi LED indicator on Smart Box doesn’t flash at the first connection, please press and hold the power button for about 5-10 seconds to see if it starts flashing (2 times per second);
- If the Smart Box can’t be connected to WiFi, please long press power button for 5-10 seconds to reset;
- The Smart Box only work with 2.4GHz network. If your router broadcasts both 2.4GHz and 5GHz, please select the 2.4GHz network with the app. If connection still failed, we recommend you call your ISP and had them completely shut off the 5GHz network on the router. You are free to change the network to 5GHz again after connecting.
- Please try to make the Smart Box and router as close as possible.
Add the Smart Box
- Auto Add Mode (Bluetooth Mode)
• Turn on the smartphone’s Bluetooth.
• Open the “dewenwils” APP and click the “+” at the top right list, it will find the smart box automatically.
• If the smart box is not automatically discovered, select Auto Scan to automatically search for the smart box.
• Follow the steps in the APP to complete the pairing.
- Add Manually Mode
• Click the “+” sign at the right corner and then choose the “Smart Timer Box”.
• Follow ① ② ③ on the app to confirm in turn( in③ step, tick”Confirm indicator rapidly blink”, and click “Next”).
• Select 2.4GHz Wi-Fi Network and enter password, then click “NEXT”. Wait for the connection to complete.
• Smart Box has been added successfully.

Note:Please attention “location information” on mobile needs to be turned on.
Timer Function
Select the”Countdown”, “Schedule”, “Circulate”, “Random” or “Astronomical” to meet your needs.

- Countdown: Tap “Countdown” to set the hours and minutes, and then tap the”
” button. The Smart Box will maintain the current state (on or off) until the end of the countdown. It will exit countdown mode automatically if you turn on/off manually.
- Schedule: You can set the Start/End time in a 7-day period with a 1 minute interval according to your needs. Every program you set repeats weekly.

- Circulate: You can set the duration of each ON and OFF, the Start and End time according to your needs. The ON/OFF schedule will repeat between the Start and End time. For example: You set a period from 9:00 to 15:00 on Monday to Friday, turn on your light for 1 hour , and off for 30 minutes. The outlet will repeat ON/OFF from 9:00 to 15:00.

- Random: Either +/-30 minutes than setting ON/OFF lime, randomly control device when you are away from home.

- Astronomical: The controlled device will tum on or off at (before or after) sunset or sunrise.

Work with Amazon Alexa
Link dewensils account to Alexa
- Open your Alexa app, tap “Skills” in the menu, and then search “Smart Life” Select “Smart Life ” and tap “Enable” to enable the Smart Life skills.
- You will be directed to the account link page. Type in your “dewenwils ” account and password, don’t forget to select your country/ region where your account belongs to. And then tap “Link Now” to link your dewensils account.
Control your smart devices
Discover devices: Echo needs to discover your smart devices before controlling them.You say “Alexa. discover devices” to Echo. Echo will discover devices that have already been added in “dewenwils “app.You can also tap “discover devices” to discover the smart devices. Discovered devices will be shown in the list.
Note : Every time you change the device’s name on the Smart Life app, Echo must re-discover before you control them.
Work with Google Home
- Make sure the smart device has been added to the dewenwils App and the device is online.
- Make sure the Google Home App is installed.
Start
- Click Me in the bottom right corner, click Google Assistant, click Link with Google Assistant.
- TheApp will pull up the Google Home App, click Link.
- Click agree Link.
- Wait for it to finish loading, your smart devices will be synced to Google Assistant or Google Home App that can control them. Next, you can assign rooms to your devices in the Google Home App.
Other functions

FCC STATEMENT
This device complies with Part 15 of the FCC rules. Operation is subject to the following two conditions:
- this device may not cause harmful interference, and
- this device must accept any interference received, including interference that may cause undesired operation.
FCC Caution: Any changes or modifications not expressly approved by the party responsible for compliance could void the user’s authority to operate this equipment.
NOTE: This equipment has been tested and found to comply with the limits for a Class B digital device, pursuant to Part 15 of the FCC Rules. These limits are designed to provide reasonable protection against harmful interference in a residential installation.
This equipment generates uses and can radiate radio frequency energy and, if not installed and used in accordance with the instructions, may cause harmful interference to radio communications. However, there is no guarantee that interference will not occur in a particular installation. If this equipment does cause harmful interference to radio or television reception, which can be determined by turning the equipment off and on, the user is encouraged to try to correct the interference by one or more of the following measures:
- Reorient or relocate the receiving antenna.
- Increase the separation between the equipment and receiver.
- Connect the equipment into an outlet on a circuit different from that to which the receiver is connected.
- Consult the dealer or an experienced radio/TV technician for help.
One Year Limited Warranty
Supported by our professional R&D team and QC team, we provide One Year Warranty for materials and workmanship from the purchase date. Please note that the warranty does not cover damage caused by personal misuse or improper installation.
Please attatch your Order ID and Name so that our dedicated customer service team can help you better.




































