dewenwils HOWT01B Outdoor WiFi Smart Box

warning: This timer should be installed by a licensed electrician.Turnpower off at main panel before servicing this switch or the equipment it controls.
IMPORTANT: For outdoor use. Rain-tight or wet location conduit, hubs, tubing, and cable fittings that comply with requirements of UL 514B mustbe used for installation.
READ ALL INSTRUCTIONS before using the Smart Box.
Product Illustration

Specifications
- Input: 120-277VAC 60Hz
- Output:
- 40A Resistive 120 to 277 VAC;
- 30A General purpose 120 to 277 VAC;
- 20A Resistive, 30VDC;
- 1HP, 120 VAC;
- 2HP, 240VAC;
- 20A Ballasted load 120 to 277 VAC;
- 15A Tungsten, 120 VAC;
- SA Tungsten, 250VAC;
- 800VA, Pilot Duty, 120VAC;
- 720VA, Pilot Duty, 240 VAC;
- TV-5, 120VAC
- Raintight
Installation Instructions




- Read Important Safety Information below before beginning installation.
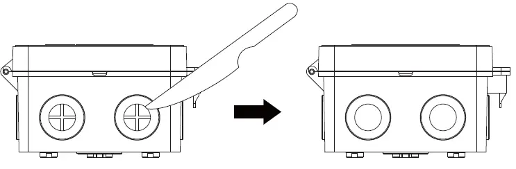
- Open outer cover by pressing the clip.
- Remove the interior protective cover by removing the screw holding the cover in place
- Select the knockouts to be used. If you use the 1/2″ knockout, carefully cut off the inner ring of the rubber plug with a knife If you use the 3/4″ knockout, please remove the entire rubber plug
- Place the Smart Box in the desired mounting location and mark it. Install a screw at mark and drive partially in place. Attach Smart Box by placing keyhole over screw; then tighten screw firmly.
- Press the upper clip to remove the motherboard
- Use copper wire AWG 8-18 suitable for 90°C(194°F). WIRING TO COMPLY WITH ALL LOCAL AND NATIONAL ELECTRICAL CODES. Bonding between conduit connection is not automatic and must be provided as part of the installation. Minimum 10.6 lb. in. torque required at the terminals to ensure proper connections, strip the supply and load wires to 1/2″.
- Grounding: Terminate all ground wires to grounding lug at the bottom of enclosure.
- Assemble the motherboard and interior protective cover.
- Close outer cover. Smart Box now is ready to be connected to the WiFi router via the app.
Important Safety Information
WARNING: Risk of Fire or Electric Shock. Read instructions thoroughly before installation and preserve for future reference. Disconnect power at circuit breaker and test that power is off before installing (or servicing) the Smart Box (more than one circuit breaker or Wiring must be in accordance with all national and local electrical code requirements. Inspect all terminals and wires with voltage meter before disconnect switch may be required to fully disconnect power). touching. The maximum total load to be controlled must not exceed Smart Box capacity. The Smart Box enclosure does not provide grounding between conduit connectors. When metallic conduit is used, you must also install grounding type bushings and jumper wires in accordance with National Electrical Code (NEC) requirements.
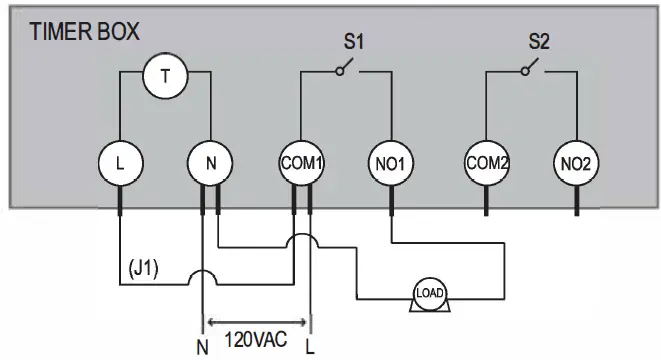
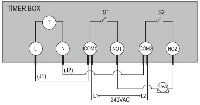
SMART BOX TERMINAL DESIGNATIONS

L = Line I N = Neutral I NO = Normally Open ICOM = Common Terminal I J = Jumper Wire I T = Timer
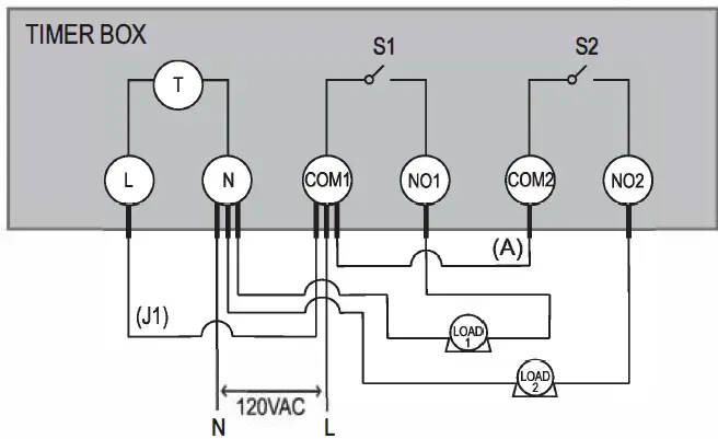
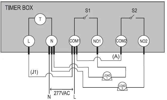
TIMER BOX TYPICAL APPLICATION WIRING DIAGRAMS
Note: Timer Box is capable of being configured for 120 VAC, 240VAC or 277VAC.
J1 & J2 are jumper wire for the timer power supply. 120VAC Application Controlling One 120VAC Load
120VAC Application Controlling Two 120VAC Loads

Note: (A) The wire connecting COM1 with COM2 should use the same gauge as the load wire.
240VAC Application Controlling One 240VAC Load
277VAC Application Controlling Two 277VAC Loads

Note: (A) The wire connecting COM1 with COM2 should use the same gauge as the load wire.
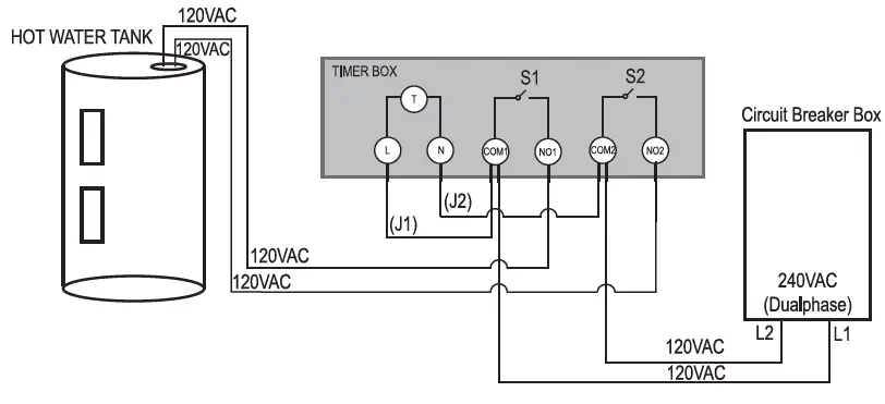
HOT WATER HEATER TYPICAL WIRING DIAGRAM

IMPORTANT: Please refer to INSTALLATION INSTRUCTION SHEET before proceeding with Wi-Fi router connection. Smart Box must be installed before connecting to Wi-Fi router.
IMPORTANT:

Download the “smart life” App:Scan QR Code or search “Smart Life” in Google Play or the App Store to download and install the app.
Note: All pictures shown are for illustration purpose only, the APP will be updated continuously, please refer to the latest APP interface to operate.
Log in or Sign up

Note: Each device can only be connected to one account. If anyone else needs to control it, please share your device via the app.
Add device
Launch the “Smart Life” app and connect your Smart Box to your network.
Note: The Smart Box only support 2.4GHz network.
- Short press the power button on the Smart Box, the Blue LOAD LED indicator will ON/OFF correspondingly.
- Long press the power button for 5-10 s, the Smart Box is ready to enter the network configuration mode.
LED Status Function
- Blue LOAD LED is on Power is on
- Blue LOAD LED is off Power is off
- Blue Wi-Fi LED blinks rapidly
- Resetting/Enter into network configuration
- Blue Wi-Fi LED blinks slowly Configuration is success
For Optimal Use
- If the Blue Wi-Fi LED indicator on Smart Box doesn’t flashing for first connection, please hold and press the power button for about 5-10 seconds to see if it’s start flashing;
- If the Smart Box can’t be connected to wifi, please long press power button for 5-10 seconds to reset;
- The Smart Box only work with 2.4 GHz network. If your router broadcasts both 2.4GHz and 5GHz, please selected the 2.4GHz network with the app. If connection still failed, we recommend you call your ISP and had them completely shut off the 5GHz network on the router. You are free to change the network to 5GHz again after connecting.
- Please try to make the Smart Box and router as close as possible.
Add the Smart Box
- Click the “+” sign at the right corner and then choose the “Socket(Wi-Fi)”.
- Select 2.4GHz Wi-Fi Network and enter password.

- Follow 123 on the app to confirm in turn( in 3 step, tick”Confirm indicator rapidly blink”, and click “Next”).

- The smart outlet added successfully and is ready for use.
Note:Please attention “location information” on mobile need to be opened .
Timer Function
Select the”Program”, “Countdown”, “Random”, or “Repeat” to meet your needs.

- Program:You can set the Star/End time in a 7-day period with a 1 minute interval according to your needs. Every program you set repeats weekly.
If you want to delete the program you set, please keep pressing the schedule, there will be a dialog box,tap “Confirm” and delete the schedule. 
- Countdown: Tap “Countdown” to set the hours and minutes, and then tap the “Start” button. The Smart Box will maintain the current state (on or off) until the end of the countdown. It will exit countdown mode automatically if you turn on/off manually.

- Random: Either +/-30 minutes than setting ON/OFF time, randomly control device when you are away from home.The setting process is the same as “Program”.
- Repeat: You can set the duration of each on and off, the start and end time according to your needs. The on/off schedule will repeat between the start and end time. For example: You set a period from 8:00 AM to 11 :00AM on Saturday and Sunday, turn on your pump for 1 hour , and off for 30 mins. The outlet will repeat on/off from 8:00 AM to 11 :00AM.

Work with Amazon Alexa
Link Smart Life account to Alexa
- Open your Alexa app, tap “Skills” in the menu, and then search “Smart Life” Select”Smart Life ” and tap “Enable” to enable the Smart Life skills.
- You will be directed to the account link page. Type in your”Smart Life ” account and password, don’t forget to select your country/ region where your account belongs to. And then tap “Link Now” to link your Smart Life account. Control your smart devices Discover devices:Echo needs to discover your smart devices before it controls them.You say “Alexa. discover devices” to Echo. Echo will discover devices which have already been added in”Smart Life “app.You can also tap “discover devices” to discover the smart devices. Discovered devices will be shown in the list.
Note : Every time you change the device’s name on the Smart Life app, Echo must re-discover before you control them.
Work with Google Home
Add Device to Home Control Open your Google Home app, add device in Home Control of the Google Home app. Select “Smart Life”, and fill in the correct login information of your account to finish the account linking. Your device will be shown in Home Control device list.
Other functions

Troubleshooting and FAQ
What should I do when can not turn the Smart Box on or off?
Make sure your mobile devices and the Smart Box are connected to the same Wi-Fi network. Make sure the devices connected to the Smart Box are turned on.
What should I do when device configuration process has failed? You could:
- Check whether the Smart Box is powered on or not.
- Check whether your mobile device is connected to 2.4GHz Wi-Fi network.
- Check your network connectivity. Make sure the router is working properly.
- If the router is dual-band router, select 2.4G network and then add the smart device.
- Enable the router’s broadcasting function. Configure the encryption method as WPA2-PSK and authorization type as AES, or set both as auto.
- Wireless mode cannot be 11 n only.
- Check for Wi-Fi interference or relocate the smart device to another location within the signal range.
- Check whether the router’s connected devices reach the amount limit. Please try to turn off some device’s Wi-Fi function and configure smart device again.
- Check if router’s wireless MAC filtering function is enabled. Remove the device from filter list and make sure the router is not prohibiting smart device from connection.
- Make sure the password of your Wi-Fi network entered in App is correct when adding smart device.
- Make sure the smart device is in ready for App-Config: the indicator light is quick blinking blue (twice per second) for quick mode configuration, slow blinking blue ( once every 2 seconds) for AP mode configuration.
- Repeat the App-Config process.
- Factory reset the smart device and try to add it again.
FCC STATEMENT
This device complies with Part 15 of the FCC rules. Operation is subject to the following two conditions:
- this device may not cause harmful interference, and
- this device must accept any interference received, including interference that may cause undesired operation.
FCC Caution: Any changes or modifications not expressly approved by
the party responsible for compliance could void the user’s authority to operate this equipment.
NOTE: This equipment has been tested and found to comply with the limits for a Class B digital device, pursuant to Part 15 of the FCC Rules. These limits are designed to provide reasonable protection against harmful interference in a residential installation. This equipment generates uses and can radiate radio frequency energy and, if not installed and used in accordance with the instructions, may cause harmful interference to radio communications. However, there is no guarantee that interference will not occur in a particular installation. If this equipment does cause harmful interference to radio or television reception, which can be determined by turning the equipment off and on, the user is encouraged to try to correct the interference by one or more of the following measures:
- Reorient or relocate the receiving antenna.
- Increase the separation between the equipment and receiver.
- Connect the equipment into an outlet on a circuit different from that to which the receiver is connected.
- Consult the dealer or an experienced radio/TV technician for help.
One Year Limited Warranty
Supported by our professional R&D team and QC team, we provide One Year Warranty for materials and workmanship from the purchase date. Please note that the warranty does not cover damage caused by personal misuse or improper installation. Please attatch your Order ID and Name so that our dedicated customer service team can help you better



If you want to delete the program you set, please keep pressing the schedule, there will be a dialog box,tap “Confirm” and delete the schedule. 




















