DEFIANT DAYLIGHT ADJUSTING INDOOR DIGITAL TIMER User Manual

Quick Start Guide
NOTE: See the installation section for wiring instructions.
STEP: 1 SETTING THE CURRENT DAY AND TIME
WARNING
Shut off power at the fuse box or circuit breaker before performing any wiring or installation
- Press the SETUP button and CAL will begin to flash. Press ENTER to set the Date.
- Use +/- buttons to select the current year and press ENTER. Continue to use the +/- buttons to set the month, day, hour, and minute.
NOTE: Ensure that you set AM/PM when setting the hours. Date format displayed is – MM DD YY. - Continue to press the ENTER button to skip DST, Zone, Sunup, and Sunset settings.
NOTE: Refer to Detailed Instructions for extra features for DST (Daylight Savings Time), Time Zone, SUNUP and SUNSET.
STEP: 2 ON/OFF PROGRAMMING
- Press the SETUP button twice and “P1 ON” will display. See Figure 1.
- Program ON: Use +/- buttons to select the program number and on and push ENTER button to set. Select Day: Use +/- buttons to select the days and press Enter to confirm.
NOTE: Press ENTER again to enter time setting from the screen with PRG and days flashing.Select Time: Use the +/- buttons to scroll to the TIME option and press ENTER. The hour will begin to flash. Continue to use the +/- and ENTER buttons to set the hour and minute ON times. - Program OFF: Repeat b steps to set off day and time.
- NOTE: Push the SETUP button to save and skip programming mode after saving.

PRODUCT DESCRIPTION
| Part | Description |
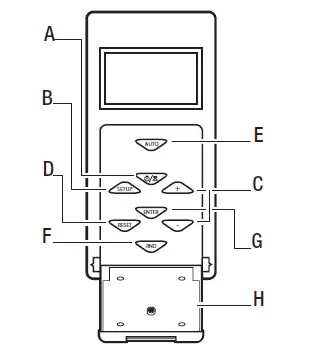
| A | ON/OFF button: Turns the timer ON/OFF. |
| B | SETUP button: Press once to set the calendar/clock. Press twice to set or change programming. |
| C | “+” and “-” buttons: Press to scroll through menu options. Press and hold both + and – to switch Timer into manual mode. |
| D | RESET button: Press and hold for three seconds to reset the system. |
| E | AUTO button: Press once to activate the timer after programming is complete. Press once to return to Auto mode when in Manual mode or Random mode. |
| F | RND button: Press once to activate the random feature. |
| G | ENTER button: Press to confirm indicated settings. |
| H | TIMER DOOR: Close after programming. Press to turn ON/OFF (timer override). |
Pre-Installation
HARDWARE INCLUDED
SAFETY INFORMATION
This device complies with part 15 of the FCC and Industry Canada license-exempt RSS standard(s). Operation is subject to the following two conditions: this device may not cause harmful interference, and this device must accept any interference received, including interference that may cause undesired operation.
FCC NOTE
The manufacturer is not responsible for any radio or TV interference caused by unauthorized modifications to this equipment. Such modifications could void the user’s authority to operate the equipment.NOTE: This equipment has been tested and found to comply with the limits for a Class B digital device, pursuant to Part 15 of the FCC Rules. These limits are designed to provide reasonable protection against harmful interference in a residential installation. This equipment generates, uses and can radiate radio frequency energy and, if not installed and used in accordance with the instructions may cause harmful interference to radio communications. However, there is no guarantee that interference will not occur in a particular installation. If this equipment does cause harmful interference to radio or television reception, which can be determined by turning the equipment off and on, the user is encouraged to try to correct the interference by one or more of the following measures:
- Reorient or relocate the receiving antenna.
- Increase the separation between the equipment and receiver.
- Connect the equipment into an outlet on a circuit different from that to which the receiver is connected.
- consult the dealer or an experienced radio/TV technician for help
CHANGING THE FACEPLATE
This device includes a light-almond faceplate. To switch faceplates, follow the steps below.
- Gently remove the white faceplate using a flathead screwdriver. Starting at the top left corner, gently pry the faceplate loose, working around the edge until it pops off.
- Find the light-almond faceplate in the package. Place the new faceplate into position and carefully push until it snaps into place.
PREPARING FOR MULTI-SWITCH INSTALLATIONS
When combining controls in a wall box, remove all the inner side sections prior to making the electrical connections.
- Use pliers to bend the side section up and down until it breaks off.
- Repeat the process for each side section to be removed.

Detailed Installation Instructions
This timer has 3 different installation options. Please refer to the following descriptions for the installation instructions that apply to you.
- Single pole installation is for when you only have one switch that controls your light.
- 3-Way installation is for when you have two switches that control the same light. You will need to know if you are installing your timer on the Line or Load side of your 3-Way switch and follow those installation instructions appropriately.
- For a 3-Way installation, the Line side has the common (hot) terminal tied to 120VAC.
- The switch on the Load side has the common (hot) terminal tied to the lamp/load the switch turns OFF and ON.
- WARNING: Shut off power at the fuse box or circuit breaker before performing any wiring or installation
SINGLE POLE INSTALLATION
NOTE: For 3-way timer control and operation for fixtures with mechanical ballast, install the timer in the “load side” wiring box. Disconnect the power at the circuit breaker or fuse box, and remove the existing switch.
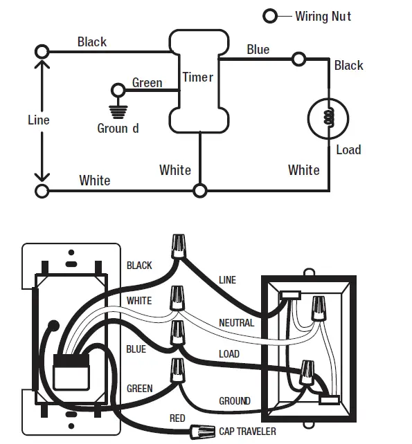
- Connect the wires of the timer to the wall box as shown, using the wire nuts provided. See Figure 2.
- Connect the hot/live wire from the line to the black wire from the timer.
- Connect the hot/live wire from the load to the blue wire from the timer.
- Connect the ground wire to the green wire from the timer.
- Connect the neutral wire to the white wire from the timer. Often the neutral (white) wire can be found in the back of the wire box connected with a wire nut. There may be several neutral wires bound together. Add the neutral to all neutral wires bound together making sure the wire nut is tight.
- Attach a wire nut to the red (traveler) wire from the back of the timer. This wire is not needed in the single pole installation.
- Ensure that all wire nuts are secure. Tuck the wires into the wall box, leaving room for the timer.
- Use the screws (CC) to mount the timer to the wall box, being careful not to crush any wires.
- Reinstall your wall plate.
- Turn the main power ON at the circuit breaker.
- If the timer display does not turn on, disconnect the power at the circuit breaker or fuse box. Swap the black and blue wires on the timer.
Detailed Installation Instructions (continued)
SWITCH ON LINE SIDE
- Disconnect the power from the circuit by turning off the circuit breaker or removing the fuse from the fuse box.
- Remove and label the common wire (should be hot/line), and remove one of the other wires.
- Using the supplied wire nuts, connect the wire removed from the common, the supplied jumper, and the other removed wire (1) together.
- Connect the jumper back to the common connection from the switch.
- If the two wires (wire (1) and wire (5)) on the switch are colored or marked so you can tell them apart, record their markings for use later.
- Tuck the wires into the box, leaving room for the switch.
- Install the switch into the box.

- Remove the load side 3-way switch and the three wires, labeling the common wire.
- Connect the removed common wire to the blue wire from the timer.
- Connect wire (1) to the black (line) wire from the timer.
- Connect wire (5) to the red (traveler) wire from the timer.
- Connect the white wire (1) from the timer to the white wire from the switch box (neutral).
- The neutral wires may be bundled in the back of the switch box with a wire nut, and there may be several neutral wires bound together. Add the neutral to all neutral wires bound together, making sure the wire nut is tight.
- Connect the green wire (3) from the timer to the ground in the switch box.
- Tuck the wires into the switch box, leaving room for the timer.
- Use the supplied screws to install the timer, being careful not to crush or pinch the wires.
- Restore power at the circuit breaker or fuse box.
- If the timer display does not turn on, swap wire (1) and wire (5). This can be done at the timer or toggle switch after disconnecting the power at the fuse box or circuit breaker. If the timer display does not turn on, disconnect power at the circuit breaker or fuse box. Swap wire (1) and wire (5), which can be done at the timer or toggle switch.
- Verify that the load turns ON and OFF when you manually turn the timer ON and OFF. Perform this test with the remote switch in both positions. You should hear the timer relay click ON/OFF. If you hear the relay click but the load does not turn ON/OFF properly, check your wiring.
EXISTING 3-WAY INSTALLATION (LINE SIDE; SEE FIGURES 3 & 5)
TIMER ON LINE SIDE
- Disconnect the power from the circuit by turning off the circuit breaker or removing the fuse from the fuse box.
- Remove the line side 3-way switch and wires, and label the wire removed from the common terminal. Connect the common wire (1) to the black wire from the timer using the supplied wire nuts.
- Connect the white wire from the timer to the neutral wire (white). The neutral wires may be bundled together in the back of the box, and there may be several neutral wires bound together. Add the neutral to all neutral wires bound together, ensuring the wire nut is tight.
- Connect the two remaining wires to the red wire (5) and blue wire (4) from the timer. The wires are colored or marked, so you can tell them apart and note their markings for use later.
- Connect the green wire (3) to the ground wire (green or bare wire in box).
- Carefully tuck the wires into the switch box, leaving room for the timer.
- Use the supplied screws to install the timer, being careful not to crush or pinch the wires.
- Remove the load side 3-way switch and wires, and label the common wire (4).
- Connect the jumper wire from the switch to both the load wire and wire (4). You should have three wires connected with one wire nut.
- Connect the jumper back to the common input of the 3-way switch. The other wire (5) should stay connected to one of the other connections of the 3-way switch.
- Carefully tuck the wires into the switch box leaving room for the timer. Use the screws provided to install the timer in the box, being careful not to crush any wires.
- Restore power at the circuit breaker or fuse box.
- Verify that the load turns ON and OFF when you manually turn the timer ON and OFF. Perform this test with the remote switch in both positions.
- If the load does not operate proprerly, disconnect the power at the circuit breaker or fuse box. Then swap wire (4) and wire (5). This can be done at the time or the toggle switch.
Detailed Operating Instructions
- Remove the protective film from the screen.
- Using the tip of a pencil, gently press and hold the reset button (D) until you see the word “RESET” scroll across the screen. Release the button and “12:00 AM” will begin to flash.
- Press the SETUP button (B) and “CAL” will begin to flash. Press the enter button (G) to begin setting the calendar, and the year will begin to flash (Figure 5B).
- Press the “+” or “-” button (C) to set the current year. Press the enter button (G), and the month will begin to flash.
- Repeat the sequence in step d. to set the current month, day, hour, and minute, pressing the enter button (G) to continue to the next step.
- Press the “+” or “-” button (C) to turn Daylight Savings time ON/OFF. Press the enter (G) button to confirm
- Press the setup button (B) twice to begin programming ON/OFF days, and “P1 ON” will display.
- Press the enter button (G) once, and “SET” will display. Press the enter button (G) again to begin setting the ON time, and “PRG” will be displayed with the days of the week flashing.
- Press the “+” or “-” button (C) to select the day(s) you want this program to turn the timer ON:
- S, S (Saturday and Sunday)
- M, T, W, Th, F (weekdays only)
- S, M, T, W, Th, F, S (individual days)
- T, Th (Tuesday and Thursday)
- M, W, F (Monday, Wednesday, and Friday)
- S, M, T, W, Th, F, S (default: all days of the week)
- Press the enter button (G) to confirm the setting.
SETTING THE TIME ZONE
View the map below and determine which zone best fits your location. The options are NOR: North, CENT: Central, SOUT: South, HAWA: Hawaii, and ALAS: Alaska.
- “ZONE” will be flashing on your screen. Press the enter button (G) to begin setting your time zone, and “NOR” will begin to flash. Use the “+” or “-” button (C) to select the zone identified. Press the enter button (G) to confirm, and “DAWN” will be displayed with an approximate dawn time for your area.
- Press the “+” or “-” button (C) to set your current dawn hour. Press the enter button (G) to confirm.
- Press the “+” or “-” button (C) to set your current dawn minute. Press the enter button (G) to confirm, and “DUSK” will be displayed.
- Use the same process to set the dusk hour and minute, and “SAVE” will be displayed.
- Press the enter button (G) to save the current date and time information.
- Press the enter button (D) to confirm the desired setting. If you have selected TIME, the hour will begin to flash.
- Press the “+” or “-” button (C) to set the hour you want the timer to turn ON. Press the enter button (G) when the hour and AM/PM are correct, and the minute will begin to flash.
- Press the “+” or “-” button (C) to select the minute you want the timer to turn ON. Press the enter button (G), and “P1 OFF” and “PRG” will be displayed. Follow the previous steps to set the OFF days and times.
- Once finished, “Save” will begin flashing. Press the enter button (G) to save this program, and “P2 ON” will be displayed, with P2 flashing. If you need additional programs, press the enter button (G) and repeat the steps above to set the next program ON/OFF times. When you are finished, press the auto button (E) to complete the programming.
USING THE RANDOM FEATURE
The random feature will turn the lights ON and OFF using the programmed times “+” or “-” 30 minutes, giving the house a more lived-in appearance while the occupant is away.
- Push the RND button (F) to activate the random feature. The screen will change from AUTO to RDM.
- Push the auto button (E) to deactivate the random feature and return the timer to its current programming.
DELETING PREVIOUSLY ENTERED PROGRAMS
Press the setup button (B) twice, then press the “+” or “-” button (C) to scroll to the program you wish to delete. Press the enter button (G) and “SET” will display.
- Press the “+” or “-” button (C) until the screen reads “DEL,” then press the enter button (G).
- The program is now deleted, and you may press the “+” or “-” button (C) to select another program for deletion following the steps above. Press the auto button (E) when you have completed deleting all desired programs.














