DynaLabs DYN-PM-440 440 N PM Shaker

Product Support
If at any time you have questions or problems with the DYN-PM-440 shaker, please contact a Dynalabs engineer at:
- Phone: +90 312 266 33 34 (9 a.m. to 5 p.m., UTC +3)
- e-mail: [email protected]
Warranty
Our products are warranted against defective materials and workmanship for one year. Defects arising from user errors are not covered by the warranty.
Copyright
All copyrights of this manual belonging to Dynalabs products are reserved. It cannot be reproduced without written consent.
Disclaimer
Dynalabs Ltd. provides this publication “as is” without warranty of any kind, express or implied, including but not limited to, the implied warranties of merchantability or fitness for a particular purpose. This document is subject to change without notice, and should not be construed as a commitment or representation by Dynalabs Ltd.
This publication may contain inaccuracies or typographical errors. Dynalabs Ltd. will periodically update the material for inclusion in new editions. Changes and improvements to the product described in this manual may be made at any time
Introduction
The DYN-PM-440 is designed to provide dynamic force excitation for modal testing of mechanical structures.
The DYN-PM-440 is a compact, lightweight and powerful general purpose electrodynamic shaker providing up to 440 N peak sine force.
General Information
Unpacking and Inspection
Dynalabs products provide adequate protection for undamaged products to be transported. Document the damages that occur indirectly during the transport and contact the customer representative. Check all components of the shaker. If there is a defect, please contact us.
System Components
The DYN-PM-440 has the following components:
- Electrodynamic Shaker
- Amplifier (DYN-SA-1100)
- Cooling Unit (Blower + Hose + Hose connection adapter + R 1/2 Pneumatic union)
- Power Cable
- Signal Cable
- M6X10 Stainless Bolt
- Fuse
- User Manual
Theory of Operation
DYN-PM-440 is an electro-magnetic actuator. Electro-magnetic actuators are basically voice coils consisting of a permanent magnet and coil. The moving element can be the coil or the magnet depending on the design requirements. The moving element is usually suspended by an elastic membrane.
DYN-PM-440 has a moving coil (driving coil) whose current is controlled for vibration generation. The stationary magnetic field is produced by a permanent magnet.
| Item | Description |
| 1 | Amplfier Input |
| 2 | Cooling Port |
| 3 | Trunnion Handle |
Specifications
| Parameters | Specifications |
| Output Force (Sinus) | 440 N |
| Output Force (Shock) | 880 N |
| Frequency | 0-5 kHz |
| Payload (Vertical) | 2.5 kg |
| Displacement (Peak to Peak) | 25 mm |
| Suspension | Spring |
| Maximum Acceleration | 100 g |
| Shaker Weight | 11.8 kg |
| Cooling System | Forced Convection |
| Operation Temperature Range | 5-35 °C |
| Maximum Input Current | 10A (RMS) |
| Amplifier | External |
| DYN-SA-1100 | |
| Operation Voltage | 110/220 VAC |
| Sine Freq. Generator | Activated by pulling out the gain knob |
| Sine Freq. Range | 0-15 kHz |
| External Signal Voltage Level | 10 VAC (PEAK) |
| Amplifier Weight | 5.3 kg |
| DYN-BLW-511 Monofaze Blower | |
| Frequency | 50 Hz |
| Rated Power | 0.8 kW |
| Input Voltage | 230 V |
| Input Current | 5.2 A |
| Blower Weight | 15 kg |
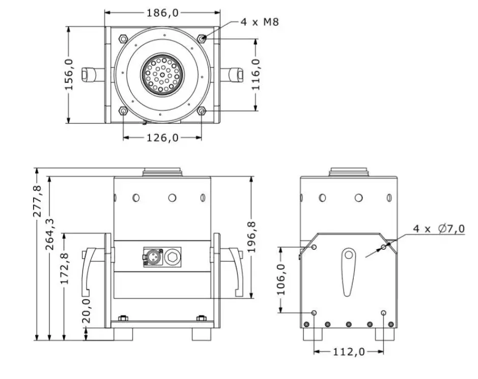
Outline Drawing
The dimensional properties of DYN-PM-440 shakers are given below.
Operation and Installation
General
Refer to the figure below that shows the shaker connector configuration. Connect the shaker/amplifier cable to the shaker and amplifier. Connect the drive signal cable to the signal generator and connect the power cable of the amplifier. Then turn on the amplifier by pushing the on/off button. To increase gain up, turn the gain knob in clockwise direction. The user must turn off the gain button in order to power down the shaker.
Amplifier
DYN-PM-440 uses an external power amplifier for drive signal amplification. Please note the wiring of the power amplifier given below.
Amplifier General
Amplifier Internal Sıgnal
The amplifier can generate sine signal from 1Hz to 15kHz with 1 Hz increments that the user can adjust with the Sine Frequency Generator Switch. Connect DC power source and drive signal to shaker power input. Pull the Gain Knob out. Raise or lower the Sine Frequency Generator Switch to the desired Sine frequency. Adjust the Gain of the amplifier by turning the Gain Knob clockwise. The frequency of the generated sine signal will be visible on the LCD Screen.
Amplifier External Signal
Start the external signal source. Adjust the Gain of the amplifier by turning the Gain Knob clockwise.
Amplifier Maintenance and Troubleshooting
The only user replaceable part is the fuse placed inside the shaker.
Mounting Interface
The shaker has 9XM6 threads are for test ünit connection.
Shaker Mounting
The shaker is designed to rest on its rubber isolators. However, these isolators can be removed for rigid or semi-rigid mounting. If it is not possible to bolt down the shaker, hot glue is also a good mounting option.
Cooling
DYN-PM-440 does not require forced cooling up to 220N operation. In order to achieve full performance level of 440N use the cooling unit supplied with the shaker. The cooling unit must be used in vacuum mode for best performance. The connections of the cooling unit are given as below.
Frequency Response and Resonance
The following figure shows the acceleration levels/Input voltage versus frequency of the shaker.
Maintenance and Troubleshooting
The DYN-PM-440 shaker is a sealed device requiring no maintenance if the operating instructions described in this manual are followed. Repair of damage to the coil, exciter body or magnet core should not be attempted. The only user replaceable part is the fuse placed inside the shaker. In order to replace the fuse unplug all cables from the shaker and remove the o-ring as shown below. Then turn the cover in counter clockwise direction as shown. Then replace the fuse and close the cover. For any other problem, please return the shaker to Dynalabs for proper repair.
Safety
Please ensure that this manual section is reviewed and understood prior to installation, operation or maintenance of the equipment. The danger of electrical shock or fire always exists in electrical equipment. The DYN-PM-440 Shaker is designed for safe operation. Safety features such as electrical insulation on outer surfaces, shaker body grounding connection are provided for safe operation of the shaker system.




















