Dynalabs DYN-PM-20 Permanent Magnet Shaker

Introduction
The DYN-PM-20 is designed to p rovide dynamic force excitation for vibration and shock testing of small sized mechanical structures. The DYN-PM-20 is a compact, lightweight and powerful general purpose electrodynamic shaker with an integrated amplifier providing up to 20 N peak sine force.
General Information
Unpacking and Inspection
Dynalabs products provide adequate protection for undamaged products to be transported. Document the damages that occur indirectly during the transport and contact the customer representative. Check all components of the shaker. If there is a defect, please contact us.
System Components
The DYN-PM-20 has the following components:
- Electrodynamic Shaker
- Power Adapter
- Signal Cable
- M3X10 Stainless Bolt
- R 1/8 Pneumatic Union
- Product Manual
Theory of Operation
DYN-PM-20 is an electromagnetic actuator. Electro-magnetic actuators are basically voice coils consisting of a permanent magnet and coil. The moving element can be the coil or the magnet depending on the design requirements. The moving element is usually suspended by an elastic membrane. DYN-PM-20 has a moving coil (driving coil) whose current is controlled for vibration generation. The stationary magnetic field is produced by a permanent magnet.

- Sine Frequency Generator
- Gain Knob
- External Signal Input
- Trunnion Handle
- Cooling Port
- DC Power Input
Specifications

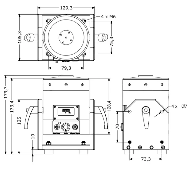
Outline Drawing
The dimensional properties of DYN-PM-20 shakers are given below.

Operation and Installation
General
The general shaker connector configuration is given below.

- External Signal Mode:
Connect DC power source and drive signal to shaker power input and signal input respectively. Start the external signal source. Adjust the Gain of the amplifier by turning the Gain Knob clockwise.
- Internal Signal Mode:
The amplifier can generate sine signal from 1Hz to 15kHz with 1 Hz increments that the user can adjust with the Sine Frequency Generator Switch. Connect DC power source and drive signal to shaker power input. Pull the Gain Knob out.
Raise or lower the Sine Frequency Generator Switch to the desired Sine frequency. Adjust the Gain of the amplifier by turning the Gain Knob clockwise. The frequency of the generated sine signal will be visible on the LCD Screen.
Power Requirements
DYN-PM-20 has an integrated power amplifier which is powered by its power adaptor. Please note the output voltage and current ratings of the adaptor in a replacement adaptor is to be used.
Cooling
DYN-PM-20 does not require forced cooling. Air convection cooling is sufficient for the force levels given in the specifications.
Frequency Response
The following figure shows the acceleration levels/Input voltage versus frequency of the shaker.
Mounting Interface
The shaker has five M3 holes for DUT and fixture connection as shown in the following figure.
Maintenance and Troubleshooting
The DYN-PM-20 shaker is a sealed device requiring no maintenance if the operating instructions described in this manual are followed. Repair of damage to the coil, exciter body or magnet core should not be attempted. Please return the shaker to Dynalabs for proper repair.
Safety
Please ensure that this manual section is reviewed and understood prior to installation, operation or maintenance of the equipment. The danger of electrical shock or fire always exists in electrical equipment. The DYN-PM-20 Shaker is designed for safe operation. Safety features such as electrical insulation on outer surfaces are provided for the safe operation of the shaker system.
Grounding
The shaker is internally grounded via the power adapter. However, if further grounding is necessary a grounding socket is available on the shaker as shown. Appropiate grounding cable is also supplied with the shaker.
Declaration of Conformity
This declaration of conformity is issued under the sole responsibility of the manufacturer. The product(s) are developed, produced and tested according to following EC- directives:
- 2014/35/EU – Low Voltage Directive (LVD)
- 2006/42/EU – Machinery Safety Directive
- 2015/863/EU – RoHS Directive
Applied standards:
- EN 61010-1:2010
- EN ISO 12100:2010
- MIL-STD-810-H-2019 (Test Methods: 501.7 – High Temperature, 502.7 -Low Temperature, 514.8 -Vibration, 516.8 – Shock)
Declares that the above-mentioned products meet all the requirements of the above-mentioned standards and regulations.
Product Support
If at any time you have questions or problems with the DYN-PM-20 shaker, please contact a Dynalabs engineer at:
Phone: +90 312 266 33 34 (9 a.m. to 5 p.m., UTC +3)
E-mail: [email protected]
Warranty
Our products are warranted against defective materials and workmanship for one year. Defects arising from user errors are not covered by the warranty.
Copyright
All copyrights of this manual belonging to Dynalabs products are reserved. It cannot be reproduced without written consent.
Disclaimer
Dynalabs Ltd. provides this publication “as is” without warranty of any kind, express or implied, including but not limited to, the implied warranties of merchantability or fitness for a particular purpose. This document is subject to change without notice, and should not be construed as a commitment or representation by Dynalabs Ltd. This publication may contain inaccuracies or typographical errors. Dynalabs Ltd. will periodically update the material for inclusion in new editions. Changes and improvements to the product described in this manual may be made at any time.























