Dynalabs DYN MS-100 MS Shaker Permanent Magnet Shakers

Product Support
If at any time you have questions or problems with the DYN-MS-100 shaker, please contact a Dynalabs engineer at:
Phone: +90 312 266 33 34 (9 a.m. to 5 p.m., UTC +3)
E-mail: [email protected]
Warranty
Our products are warranted against defective materials and workmanship for one year. Defects arising from user errors are not covered by the warranty.
Copyright
All copyrights of this manual belonging to Dynalabs products are reserved. It cannot be reproduced without written consent.
Disclaimer
Dynalabs Ltd. provides this publication “as is” without warranty of any kind, express or implied, including but not limited to, the implied warranties of merchantability or fitness for a particular purpose. This document is subject to change without notice, and should not be construed as a commitment or representation by Dynalabs Ltd.
This publication may contain inaccuracies or typographical errors. Dynalabs Ltd. will periodically update the material for inclusion in new editions. Changes and improvements to the product described in this manual may be made at any time.
Introduction
The DYN-MS-100 is designed to provide dynamic force excitation for vibration and shock testing of small sized mechanical structures. The DYN-MS-100 is a compact, lightweight and powerful general purpose electrodynamic shaker with an integrated amplifier providing up to 100 N peak sine force.
General Information
Unpacking and Inspection
Dynalabs products provide adequate protection for undamaged products to be transported. Document the damages that occur indirectly during the transport and contact the customer representative. Check all components of the shaker. If there is a defect, please contact us.
System Components
The DYN-MS-100 has the following components:
- Electrodynamic Shaker
- Power Adapter
- Signal Cable
- Stinger Set
- R 1/4 Pneumatic Union
- User Manual
Theory of Operation
DYN-MS-100 is an electromagnetic actuator. Electro-magnetic actuators are basically voice coils consisting of a permanent magnet and coil. The moving element can be the coil or the magnet depending on the design requirements. The moving element is usually suspended by an elastic membrane.
DYN-MS-100 has a moving coil (driving coil) whose current is controlled for vibration generation. The stationary magnetic field is produced by a permanent magnet.

| Item | Description |
| 1 | Sine Frequency Generator |
| 2 | Gain Knob |
| 3 | External Signal Input |
| 4 | Trunnion handle |
| 5 | Cooling port |
| 6 | DC Power Input |
Specifications
| Parameters | Specifications |
| Output Force (Sinus) | 100 N |
| Frequency | 0-7.5 kHz |
| Displacement (Peak to Peak) | 10 mm |
| Suspension | Carbon Fiber |
| Maximum Acceleration | 60 g |
| Shaker Weight | 7.2 kg |
| Cooling System | Natural Convection (For continuous operation at 100N forced cooling is suggested) |
| Operating Temperature Range | 5-35 °C |
| Maximum Input Current | 6A (RMS) |
| AMPLIFIER | INTERNAL |
| External Signal Voltage Level | 1 VAC (PEAK) |
| Power Supply Voltage | 24V DC |
| Power Supply Current | 5 A |
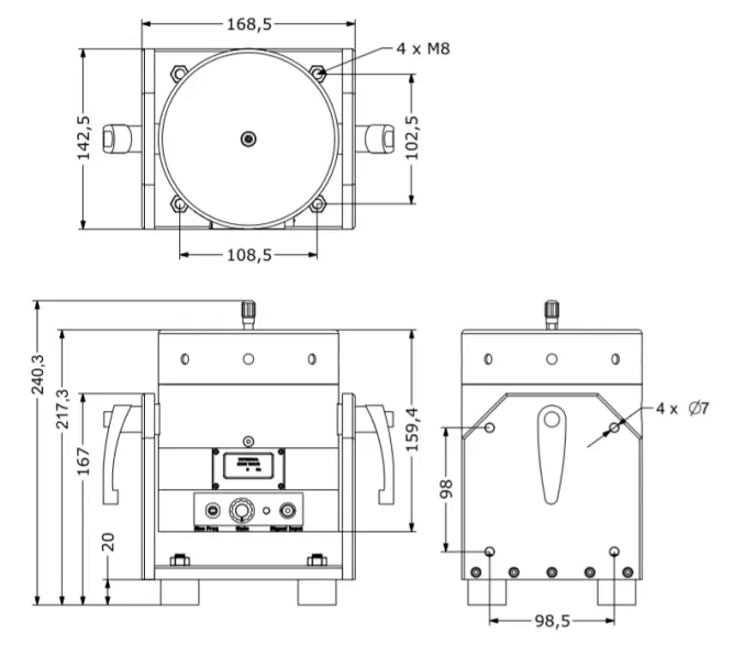
Outline Drawing
The dimensional properties of DYN-MS-100 shakers are given below.

Operation and Installation
General
The general shaker connector configuration is given below.

External Signal Mode

Connect DC power source and drive signal to shaker power input and signal input respectively. Start the external signal source. Adjust the Gain of the amplifier by turning the Gain Knob clockwise.
Internal Signal Mode

The amplifier can generate sine signal from 1Hz to 15 kHz with 1 Hz increments that the user can adjust with the Sine Frequency Generator Switch. Connect DC power source and drive signal to shaker power input. Pull the Gain Knob out.

Raise or lower the Sine Frequency Generator Switch to the desired Sine frequency. Adjust the Gain of the amplifier by turning the Gain Knob clockwise. The frequency of the generated sine signal will be visible on the LCD Screen.
Shaker-Structure Interaction (Stingers)

Stingers used in modal shakers are thin rods with a specific length yielding low lateral and high axial stiffness. The high axial stiffness is necessary to transmit the shaker force directly to the test structure with high efficiency whereas the low lateral stiffness is necessary for protecting the shaker from moment loads and to minimize shaker alignment issues. The stingers are mounted on the shaker via a chuck. Force or impedance head sensors can be mounted on the other side. The Dynalabs modal shakers stinger sets include 4 collet, 1 nut and 3 stinger rod sizes. The chuck consists of two pieces. The collet squeezes the stinger with the tightening effect of the nut. Choose a collet size as close to your stinger diameter as possible.
Shaker Alignment
Shaker alignment is a very important step of modal testing. Poor alignment can cause force components in unmeasured directions and can even damage the shaker. In order to overcome this problem, the trunnion can be adjusted for proper alignment. Furthermore, the tip of the stinger can be removed during the alignment process in order to reduce the free end deflection as shown above.
Shaker Mounting
The shaker is designed to rest on its rubber isolators. However, these isolators can be removed for rigid or semi-rigid mounting. If it is not possible to bolt down the shaker, hot glue is also a good mounting option. The shaker can also be suspended by elastic bungee cords for lateral testing. Additional inertial weight may be attached to the bottom of the shaker using hot glue.
Power Requirements
DYN-MS-100 has an integrated power amplifier which is powered by its power adaptor. Please note the output voltage and current ratings of the adaptor in a replacement adaptor is to be used.
Cooling
DYN-MS-100 does not require forced cooling. Air convection cooling is sufficient for the force levels given in the specifications.
Frequency Response

The following figure shows the Input voltage normalized acceleration levels versus frequency of the shaker.
Maintenance and Troubleshooting
The DYN-MS-100 shaker is a sealed device requiring no maintenance if the operating instructions described in this manual are followed. Repair of damage to the coil, exciter body or magnet core should not be attempted. Please return the shaker to Dynalabs for proper repair.
Safety
Please ensure that this manual section is reviewed and understood prior to installation, operation or maintenance of the equipment. The danger of electrical shock or fire always exists in electrical equipment. The DYN-MS-100 Shaker is designed for safe operation. Safety features such as electrical insulation on outer surfaces are provided for the safe operation of the shaker system.
Grounding

The shaker is internally grounded via the power adapter. However, if further grounding is necessary a grounding socket is available on the shaker as shown. Appropiate grounding cable is also supplied with the shaker.
Declaration of Conformity
This declaration of conformity is issued under the sole responsibility of the manufacturer. The product(s) are developed, produced and tested according to the following EC- directives:
- 2014/35/EU – Low Voltage Directive (LVD)
- 2006/42/EU – Machinery Safety Directive
- 2015/863/EU – RoHS Directive
Applied standards
- EN 61010-1:2010
- EN ISO 12100:2010
- MIL-STD-810-H-2019 (Test Methods: 501.7 – High Temperature, 502.7 – Low Temperature, 514.8 – Vibration, 516.8 – Shock)
DYNALABS MÜHENDİSLİK SANAYİ TİCARET LİMİTED ŞİRKETİ declares that the above-mentioned products meet all the requirements of the above-mentioned standards and regulations.

Murat Aykan, Technical Manager
Ankara, 15.07.2021




















