DynaLabs DYN-PM-100 100 N PM Shaker

Introduction
The DYN-PM-100 is designed to provide dynamic force excitation for vibration and shock testing of small sized mechanical structures. The DYN-PM-100 is a compact, lightweight and powerful general-purpose electrodynamic shaker with an integrated amplifier providing up to 100 N peak sine force.
General Information
Unpacking and Inspection
Dynalabs products provide adequate protection for undamaged products to be transported. Document the damages that occur indirectly during the transport and contact the customer representative. Check all components of the shaker. If there is a defect, please contact us.
System Components
The DYN-PM-100 has the following components:
- Electrodynamic Shaker
- Power Adapter
- Signal Cable
- M6X10 Stainless Bolt
- R 1/4 Pneumatic Union
- Product Manual
Theory of Operation
DYN-PM-100 is an electro-magnetic actuator. Electro-magnetic actuators are basically voice coils consisting of a permanent magnet and coil. The moving element can be the coil or the magnet depending on the design requirements. The moving element is usually suspended by an elastic membrane.
DYN-PM-100 has a moving coil (driving coil) whose current is controlled for vibration generation. The stationary magnetic field is produced by a permanent magnet.
| Item | Description |
| 1 | Gain Knob |
| 2 | Sine Frequency Generator |
| 3 | External Signal Input |
| 4 | Trunnion Handle |
| 5 | Cooling Port |
| 6 | DC Power Input |
Specifications
| Parameters | Specifications |
| Output Force (Sinus) | 100 N |
| Output Force (Shock) | 200 N |
| Frequency | 0-7.5 kHz |
| Payload | 1.5 kg |
| Displacement (Peak to Peak) | 10 mm |
| Suspension | Carbon Fiber |
| Maximum Acceleration | 60 g |
| Shaker Weight | 7.2 kg |
| Cooling System | Natural Convection (For continuous operation at 100N forced cooling is suggested) |
| Operating Temperature Range | 5-35 °C |
| Maximum Input Current | 6A (RMS) |
| AMPLIFIER | INTERNAL |
| External Signal Voltage Level | 1 VAC (PEAK) |
| Power Supply Voltage | 24V DC |
| Power Supply Current | 5A |
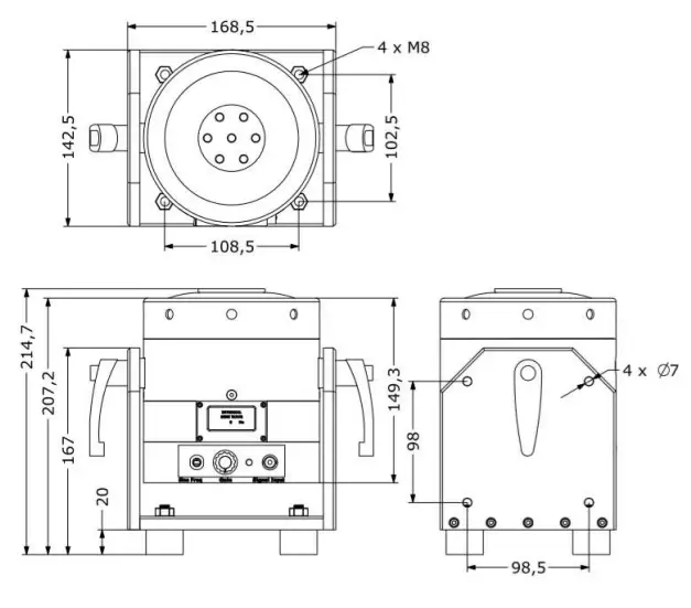
Outline Drawing
The dimensional properties of DYN-PM-100 shakers are given below.
Operation and Installation
General
The general shaker connector configuration is given below.
External Signal Mode
Connect DC power source and drive signal to shaker power input and signal input respectively. Start the external signal source. Adjust the Gain of the amplifier by turning the Gain Knob clockwise.
Internal Signal Mode
The amplifier can generate sine signal from 1Hz to 15kHz with 1 Hz increments that the user can adjust with the Sine Frequency Generator Switch. Connect DC power source and drive signal to shaker power input. Pull the Gain Knob out.
Raise or lower the Sine Frequency Generator Switch to the desired Sine frequency. Adjust the Gain of the amplifier by turning the Gain Knob clockwise. The frequency of the generated sine signal will be visible on the LCD Screen.
Power Requirements
DYN-PM-100 has an integrated power amplifier which is powered by its power adaptor. Please note the output voltage and current ratings of the adaptor in a replacement adaptor is to be used.
Cooling
DYN-PM-100 does not require forced cooling. Air convection cooling is sufficient for the force levels given in the specifications.
Frequency Response
The following figure shows the acceleration levels/Input voltage versus frequency of the shaker.
Mounting Interface
The shaker has seven M6 holes for DUT and fixture connection as shown in the following figure.
Maintenance and Troubleshooting
The DYN-PM-100 shaker is a sealed device requiring no maintenance if the operating instructions described in this manual are followed. Repair of damage to the coil, exciter body or magnet core should not be attempted. Please return the shaker to Dynalabs for proper repair.
Safety
Please ensure that this manual section is reviewed and understood prior to installation, operation or maintenance of the equipment. The danger of electrical shock or fire always exists in electrical equipment. The DYNPM- 100 PM Shaker is designed for safe operation. Safety features such as electrical insulation on outer surfaces, shaker body grounding connection are provided for safe operation of the shaker system.
All rights reserved. Reproduction or issue to third parties in any form whatsoever is not permitted without written authority from the proprietors.




















