Azoteq IQS7222BEV01 ProxFusion Series IQ Switch User Guide
Introduction
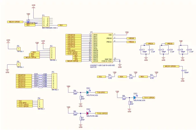
This user guide describes the operation of the IQS7222BEV01 Evaluation Kit. The EV-Kit consists of one part:
- IQS7222B Stamp x 1
Please note CT210A is not included in this EV-Kit.
To visualise raw data from the EV-Kit, the stamp board can be interfaced to any personal computer with USB support, along with the CT210A and the relevant IQS7222B software Graphical User Interface (GUI) available to download from the Azoteq website. The purpose of the IQS7222BEV01 EV-Kit is to help application and development engineers in evaluating these IC’s capabilities. A picture of the evaluation kit is shown below.

Setting up for the IQS7222B Stamp
To interface the IQS7222B Stamp to a PC we advise using the CT210A. This EV Kit can be setup with the following steps:
- Download & Install GUI from Azoteq website
- Plug the stamp board into the CT210A as shown below

- Connect the CT210A to the PC with a USB cable (use USB data cable only)
- Run the IQS7222B GUI (latest version available from the www.azoteq.com website)
- Click “Start Streaming” button
- GUI should look as follow.

Reference Designs

Support
| US | Asia | South Africa | |
| Physical Address | 11940 Jollyville Suite 120-S Austin TX 78750 USA | Room 501A, Block A, T-Share International Centre, Taoyuan Road, Nanshan District, Shenzhen, Guangdong, PRC | 1 Bergsig Avenue Paarl 7646 South Africa |
| Postal Address | 11940 Jollyville Suite 120-S Austin TX 78750 USA | Room 501A, Block A, T-Share International Centre, Taoyuan Road, Nanshan District, Shenzhen, Guangdong, PRC | PO Box 3534 Paarl 7620 South Africa |
| Tel | +1 512 538 1995 | +86 755 8303 5294 ext 808 | +27 21 863 0033 |
| [email protected] | [email protected] | [email protected] |
Visit www.azoteq.com for a list of distributors and worldwide representation.
Patents as listed on www.azoteq.com/patents-trademarks/ may relate to the device or usage of the device.
Azoteq®, Crystal Driver, IQ Switch®, ProxSense®, ProxFusion®, LightSense™, SwipeSwitch™, and the logo are trademarks of Azoteq.
The information in this Datasheet is believed to be accurate at the time of publication. Azoteq uses reasonable effort to maintain the information up-to-date and accurate, but does not warrant the accuracy, completeness or reliability of the information contained herein. All content and information are provided on an “as is” basis only, without any representations or warranties, express or implied, of any kind, including representations about the suitability of these products or information for any purpose. Azoteq disclaims all warranties and conditions with regard to these products and information, including but not limited to all implied warranties and conditions of merchantability, fitness for a particular purpose, title
and non-infringement of any third party intellectual property rights. Azoteq assumes no liability for any damages or injury arising from any use of the information or the product or caused by, without limitation, failure of performance, error, omission, interruption, defect, delay in operation or transmission, even if Azoteq has been advised of the possibility of such damages. The applications mentioned herein are used solely for the purpose of illustration and Azoteq makes no warranty or representation that such applications will be suitable without further modification, nor recommends the use of its products for application that may present a risk to human life due to malfunction or otherwise. Azoteq products are not authorized for use as critical components in life support devices or systems. No licenses to patents are granted, implicitly, express or implied, by estoppel or otherwise, under any intellectual property rights. In the event that any of the above mentioned limitations or exclusions does not apply, it is agreed that Azoteq’s total liability for all losses, damages and causes of action (in contract, tort (including without limitation, negligence) or otherwise) will not exceed the amount already paid by the customer for the products.
Azoteq reserves the right to alter its products, to make corrections, deletions, modifications, enhancements, improvements and other changes to the content and information, its products, programs and services at any time or to move or discontinue any contents, products, programs or services without prior notification. For the most up-to-date information and binding Terms and Conditions please refer to www.azoteq.com.





















